无输入变压器和无输出变压器的低频放大电路,目前在不少收音机中采用。这里以我厂生产的环球612A型收音机为例,对这部分电路的常见故障的检修方法作一些介绍,供大家参考。
一、工作原理简述

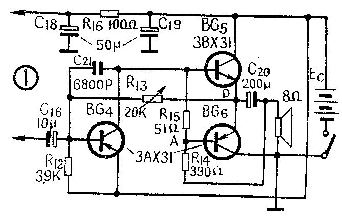
图1是环球612A机的互补低放电路。由前级送来的音频信号,通过C\(_{16}\)耦合电容器由BG4管的基极与发射极之间输入,经BG\(_{4}\)放大后的信号在BG4的集电极与发射极之间输出。由于R\(_{15}\)很小,BG5、BG\(_{6}\)两管的基极可看成并联,BG4的输出信号直接加到两个基极上。当BG\(_{4}\)管的输入信号为正半周时,经过BG4管倒相放大,加到BG\(_{5}\)、BG6两管基极上的是负半周信号,由于BG\(_{6}\)管为PNP型管,故有放大作用,放大后的半波信号通过C20加到扬声器上;此时BG\(_{5}\)由于是NPN型管,故处于截止状态。当BG4的输入信号为负半周时,BG\(_{4}\)倒相放大后,它的输出信号变为正半周,加到BG5与BG\(_{6}\)的基极,这时BG5工作,被放大后的半波信号也通过C\(_{2}\)0加到扬声器上,而BG6则处于截止状态。这样两管就轮流交替输出,在负载(扬声器)上就得到一个完整的全波信号。BG\(_{4}\)的放大倍数β要求较大,约为60~120,以便有较大的激励功率,推动功放级。两只互补管的β可以用小一些的,如40~100均可,但两管的主要参数要求一致。

BG\(_{4}\)为激励管,或称第二低放管,它将第一低放管送来的信号电压进一步放大。R13和R\(_{12}\)是BG4管的上、下偏流电阻。在无信号输入时,调节R\(_{13}\),可以使BG4有一个合适的工作电流(4~6毫安)。适当选择R\(_{15}\)的阻值,可以使BG5、BG\(_{6}\)在无信号输入时(静态)有一个起始电流(3~4毫安),以避免BG5、BG\(_{6}\)在工作时引起交越失真,失真波形如图2。但由于两级电路是直接耦合,且有直流负反馈,故两级工作相互有牵连:当调整R13改变BG\(_{4}\)的工作状态时,也会影响BG5、BG\(_{6}\)的基极电位,影响它们的工作点;而选取R15调整BG\(_{5}\)、BG6的工作点时,也会影响D点电压,从而影响BG\(_{4}\)的偏置电压,使RG4的工作点变化。因此前后级电路互有牵制,调整时要反复调整。一般先在一定阻值的R\(_{15}\)时调整R13,使I\(_{c4}\)合适,并使D点到地电压为电源电压Ec的一半。如I\(_{c4}\)能调得合适而D点电压不是Ec/2,则可挑选阻值合适的R\(_{14}\),使A点电压变化,从而使D点电压变化,达到Ec/2。调R\(_{13}\)后,由于BG5、BG\(_{6}\)的工作状态受了影响,需要改变R15,选择合适的阻值,使这两管的工作点符合要求。R\(_{16}\)变动后,BG4又受影响, 需要再次调R\(_{13}\),如此反复调节几次,可使前后两级都有合适的工作状态,D点电压为电源电压之半。这是设计装置时的调整方法。
检修时,为了检修方便,在检查这部分电路的静态工作状态时,可以测量收音机电源的总静态电流,一般如能调节R\(_{13}\)使总电流为10~12毫安即为正常(R14、R\(_{15}\)的数值在设计收音机时已计算选定,如阻值无变化不必变动),因为一般六、七管采用这类互补电路的收音机,在开机后的静态电流值大致都接近10~12毫安,除去前面各管电流约3~4毫安外,其余就是BG4~BG\(_{6}\)各管的电流了。末级静态电流过大或过小,都会引起失真。工作状态正常时,D点的电压应近似等于电源电压的一半。
R\(_{15}\)、R14及8欧扬声器是BG\(_{4}\)的负载,而8欧扬声器也是BG5、BG\(_{6}\)的交流负载。R13的一端接到D点,是为了取得一部分直流负反馈,以提高BG\(_{4}\)、BG5、BG\(_{6}\)的工作点的稳定性。例如当BG4的工作点变化,电流变大时,I\(_{c4}\)在R14上的电压降增大,A点正电压变得更高,使D点电压相应地也向正方向增高,从而加到BG\(_{4}\)基极的电压也向正方向增高,使Ic4小下来,使工作点稳定,BG\(_{5}\)、BG6两管工作点也得到稳定。C\(_{2}\)0是音频输出电容器。C21是交流负反馈电容器,用作高音频抑制,使整机音质得到改善。C\(_{19}\)、R16、R\(_{18}\)是一组电源滤波电路。
二、故障检修
1.无声:
故障现象一:无声,整机静态电流正常(10~12毫安),调谐双连时,总电流有忽大忽小的摆动。
这种现象表明,电路中有音频电流输出。可检查扬声器的音圈是否短路。一般都是由于扬声器盆架上的两个接点都与铁架短路所致。可用万用表检查修复。此外,C\(_{2}\)0开路也会造成这种故障,可以同容量电容器并接于C20两端试验。
故障现象二:无声,整机静态电流正常。
这说明无音频输出。这可能是前置放大级耦合电容C\(_{16}\)开路,使音频信号失去通路传不到后级而无声,可用同容量电容器并接于C16两端试验确定。
故障现象三:无声,静止电流小(3~4毫安),调节R\(_{13}\)不起作用。
首先检查扬声器音圈是否开路,因为扬声器开路后,A点无电压,BG\(_{4}\)不能工作。可测量扬声器两端直流电阻值是否约为8欧。扬声器正常而A点电压仍然没有,应检查R14是否开路。此外应检查BG\(_{4}\)管的基极与发射极是否短路或开路,使音频不能在这一级放大。
故障现象四:无声,静止电流很大,在100毫安以上。
对于这种大电流短路故障,首先应注意滤波电容器C\(_{19}\)是否短路,或严重漏电。如是C18短路或前级电路中短路,一般只能大到50~60毫安。检查C\(_{18}\)或C19时,可烫开一头,用万用表R×1K档,测电容的充放电情况,若充电后使电解电容两端电阻有500千欧以上阻值,说明正常;如为几十千欧,说明漏电严重;如不充电也不放电且电阻为0欧,说明已击穿短路了。另外也可能是推挽管BG\(_{5}\)或BG6其中有一个的集电极与发射极之间短路而引起大的短路电流。可分别测量该两管的集-射间正向电阻,以万用表R×10档测量,一般应为100~1000欧左右,如阻值为零,表明该管已击穿。
故障现象五:无声,静态电流30~60毫安。
这多半是电路中部分元件短路造成的。首先检查BG\(_{4}\)集电极与基极是否短路;或集电极与发射极是否短路。也可能是C21短路,使BG\(_{4}\)的基极电位变负,会使集电极电流增大,这可测量基极电压来判断。
2.声小:
半导体收音机的输出功率的大小,可以根据电源电路中串接电流表量出的动态最大电流值大致估计。例如,这里所列举的环球612A型机,其输出功率大致是:在36毫安时约有50毫瓦;在50毫安时约有100毫瓦;80毫安时约有200毫瓦。
故障现象一:音量不足。
这种故障首先需检查C\(_{16}\)和C20有否容量衰退或虚焊现象,可以用同容量的电容器并连在要检查的电容器两端试听,如音量大增,表明原电路上的电容器已坏。另外,当BG\(_{4}\)、BG5或BG\(_{6}\)其中有一只放大能力变差后,输出就随之而变弱。确定那只管子失效,可以用同类型管子并接于欲试管各极上,如发音大增表明该管不良,或拆除原电路中晶体管换上好管试听确定。还有BG5或BG\(_{6}\)其中有一只开路发音就变小,可换上一只同类型管子试试。
故障现象二:动态电流正常(符合收音机最大输出功率时的电流数值要求,612A型机最大电流值一般能达到70毫安),但发音不够大。
这种现象表明放大器能正常工作。应检查扬声器质量是否变坏。一般是属于扬声器磁钢的磁性退化后造成的。
3.失真:
故障现象一:收音机音量电位器置于小音量或中等音量输出时,能听出明显失真。
这种故障首先应注意电源电压是否符合收音机额定电压要求,以及能否有足够的电流供给收音机。再检查整机的静态电流是否符合要求。末级静态电流小会产生交越失真,可调整R\(_{13}\)解决。R13一般都采用半可变电阻,如果它的滑动接点接触不良,或者它的碳片断裂、开焊,都会使BG4的基极失去偏流或偏流不合适而引起失真。检查时可用改锥将R\(_{13}\)两端短路,如发现静态电流增加,就表明R13有故障。
如果静态电流正常,则多半是扬声器音圈碰铁心,或扬声器纸盆开胶,使发音难听。另外, C\(_{16}\)漏电也会引起小音量时失真。输出管BG5和BG\(_{6}\)两管的β值相差太多,也是造成失真的原因。一般要求两管相差不大于10。例如BG5的β为50,则BG\(_{6}\)的β应为40~60。
如果发现静态电流过大,例如20~30毫安后失真就会比较明显。这种情况可调节R\(_{13}\)或R15,使电流达到规定值。如果调整不起作用,很可能是BG\(_{4}\)、BG5或BG\(_{6}\)其中有一只因穿透电流Iceo大而造成的,可分别测一下各管的I\(_{ceo}\),一般应不大于700微安。此外,BG4的基极下偏流电阻R\(_{12}\)阻值变大或开路,也是造成电流增大产生失真的原因。
故障现象二:收音机发音很大,动态电流在100毫安以上,小音量时发音失真。
这种现象比较特殊。原因是输出音频交连电容器C\(_{2}\)0击穿,使电源电压加到D点上,使BG4集电极电流大增,从而影响BG\(_{5}\)及BG6的工作点,引起失真。检查方法可使用万用表R×1档测量C\(_{2}\)0两端的短路阻值,约几十欧或零欧,表明C20已击穿短路。
4.噪声:
这多半是由于晶体管不良造成的。这种故障的噪声都是连续不断的“沙沙”声,随着音量增大而增大,可分别换好管试验确定。还有C\(_{16}\)漏电时也容易产生“沙沙”噪声。如果输出小时有噪声,输出大时不显著。这可能是扬声器音圈内或盆架内有金属杂质。噪声现象极大,同时发音音质很尖、失真也很大,应检查反馈电容器C21是否开路或容量衰退,可用同容量的好电容器并接于它的两端试验。
5.发音时有时无或时大时小:
这种故障主要是电路中各元件内部引线接触不良或有氧化后形成的。另一方面是印刷电路板接触不良,虚焊所致。可用改锥柄轻轻敲击检查。敲击到那一个元件声音有变化,就可以先进行补焊修理,或更换好的元件试验。(北京市东风无线电一厂三车间调试班)