701型晶体管三用唱机很受广大贫下中农欢迎。但最近几年在使用过程中,我们发现有些机器在扩音时有电台串音现象,并且工作不够稳定。用低阻抗话筒扩音时,音量控制旋钮稍开大一点,就发生低频自激振荡,使机器不能工作。有些机器甚至不插话筒时,音量控制稍微开大也会产生啸叫声。
经测试和分析证明,产生寄生振荡的原因,一方面是由于电源、输出、输入等引线布线不合理造成了寄生正反馈,另一方面是由于该机电路中采用了多级较深的负反馈(因为反馈环内各级增益较高),造成频率响应在高频端出现高峰。

该机还有一个现象,即机器在满载时,输出端波形削顶,急剧变坏(如图1)。其原因是由于推动级功率容量不足,机器满载时,推动级的输出波形不对称削顶,于是输出级输出波形也将产生不对称削顶。
根据几年的摸索,我们对该机进行了一些改进,办法是:更改机器内部部份连接线;降低推动级增益并提高它的直流工作电压(机器原来集电极到发射极之间的直流电压只有5.5伏左右),以提高推动级功率容量。具体作法有以下四点。
①改接地引线
原机电池地线(正极)连线的路由是电池地线→话筒插座和外接电源插座(经多芯插件J\(_{2}\))→电位器w1地端→铁支架。另外输出变压器地端直接接铁支架。现在则改为电池地线→外接电源插座(经多芯插件J\(_{2}\))→输出变压器地端(用粗线)→印刷电路板C33的地端。原来输出变压器地端至铁支架的连线应剪掉。
②改接话筒、唱机用隔离线
原机中话筒、唱机、电子调速、电源和输出引线都是共用一条导线作地线连接至印刷电路板的。现在要使话筒及唱机的地线与其它的地线分开。具体作法是:原来的话筒引线是从话筒插座CK\(_{1}\),经多芯插件J2的2脚→工作开关K\(_{2}\)-3的3脚。现在要把该线两端都焊脱空出,话筒插座至外接电源插座的地线引线要剪掉,原来在话筒插座上焊接在一起的地线一律移至外接电源插座的地线焊点上,再另用一条适当长的有绝缘外皮的隔离线直接将话筒插座CK1和工作开关K\(_{2-3}\)连接起来。金属隔离层接K2-3的1脚,芯线接K\(_{2-3}\)的3脚。

原机唱机隔离线引线的外皮是兼作电子调速电路的电源正极引线用的,如图2所示。为了使两者引线分开,需要改动几个焊点。首先要在图2有“××”符号处用小刀把印刷电路切断,其次把电子调速线路板与三芯插件J\(_{1}\)间连接的隔离线外皮从电路上焊脱(见图2中两个有“×”符号的地方),另加一条引线将这两点连起来,构成电子调速电路的电源正极引线。焊脱的隔离线外皮,一端直接与拾音器隔离线外皮相连接(如图2中双点划线),另一端则利用那条空出来的原话筒引线与印刷电路板地线连接。也就是该线原来接话筒插座的一端现在与唱机部分的隔离线外皮相接(注意该线应稍长一点以免妨碍三芯插件J1的插接),而另一端改接在工作开关K\(_{2}\)-3的1脚上。
③改装低放电路部分
为了降低低放部分的增益并提高推动级功率容量,需要提高推动级BG\(_{5}\)的工作电压。因此,BG4和BG\(_{5}\)之间便不能再采用直接耦合电路。而要改为RC耦合电路。改动后的低放电路如图3所示。

与原电路相比较(参看该机说明书),改动后的电路只是拆除了原电路的R\(_{21}\)、R22、C\(_{3}\)0三个元件,而加进了r1、r\(_{2}\)、r3,C′、C″五个元件,其中C\(_{3}\)0移作C′用。只要把印刷电路板中的BG4集电极至BG\(_{5}\)基极的引线用小刀切断,以后便很容易在印刷电路板背面把所加的元件跨接上去。空间和位置都非常充裕。
图3中与C\(_{33}\)并联的C″是为加强电源去耦用的,以免电池用旧以后产生低频振荡。
④消除电台串音

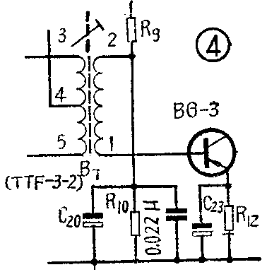
为了消除电台串音,最近中国唱片厂曾提出在话筒输入端加一个π型低通滤波器的办法,而我们是在中频变压器B\(_{7}\)(TTF-3-2)的2脚上跨接一个0.022微法的旁路电容,如图4,其效果也可以。这个电容也很容易接于印刷电路板的背面(应尽量靠近B7的2脚)。
机器改装以后,要求BG\(_{5}\)集电极电流约为5~6毫安,BG4集电极电流约为0.8毫安,并调整W\(_{3}\)使BG3集电极电流约为0.5毫安左右。调整W\(_{2}\)(约为15K左右)使在电位器W1两端加入5毫伏的低频信号电压时(1000赫)机器满输出。此时整机可以达到如下指标:
最大不失真输出功率约1瓦;话筒输入灵敏度约为0.25毫伏;频率响应约为100~8000赫(负3分贝)。
此时即使输出波形开大到方波也不会出现不稳定的过度过程,机器的稳定性获得很大改善,音质、音量也有明显提高。(广东和平县广播站 李兆森)