为了加速农村有线广播事业的发展,适应广大贫下中农和社员群众学习无产阶级专政理论和深入开展农业学大寨群众运动的需要,我们制成了一种275瓦悬浮式扩音机。

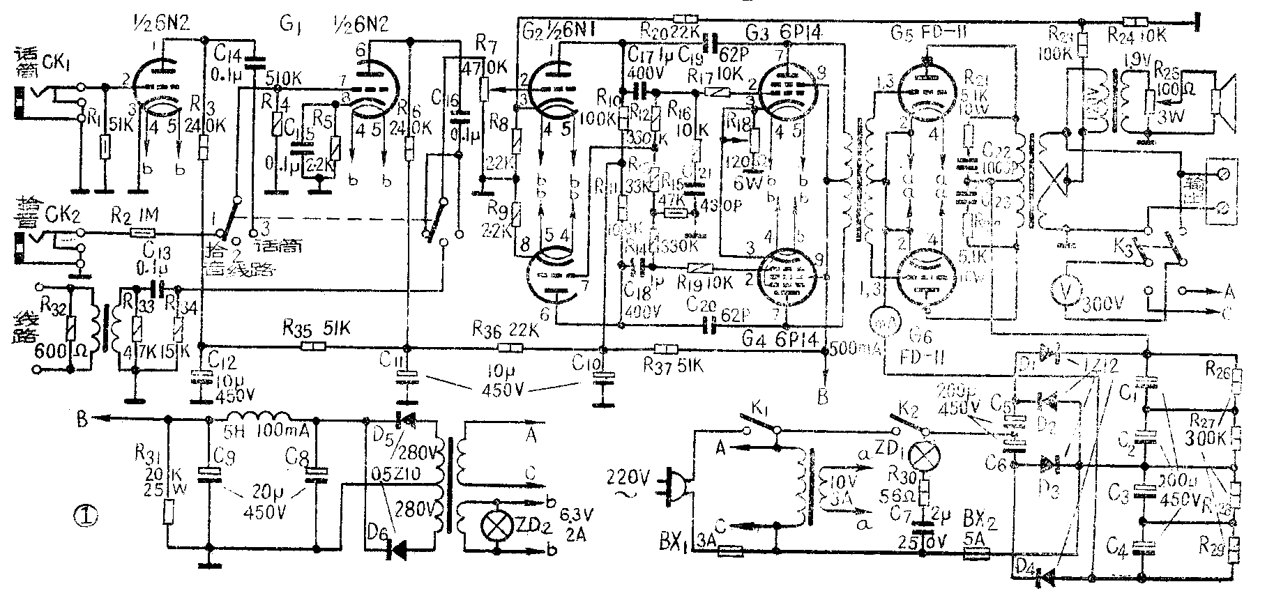
该机电路如图1所示,其功放级采用悬浮电路,取消了高压变压器。功放管采用上海电子管厂专为这类扩音机生产的新型中功率放大管FD-11。经过测试,该机的主要技术指标如下:
①灵敏度:
话筒:4毫伏(400赫);
拾音:130毫伏(400赫);
线路:775毫伏(400赫),
②失真度:小于5%。
③频率响应:80赫~10000赫范围内放大倍数变化不超过1.4倍(3分贝)。
④满负载(接无感电阻约210欧)至空载的输出电压变化率:当频率为400赫时,输出电压变化不超过2分贝(240伏变到302伏,变化为1.26倍);当频率为4000赫时,输出电压变化不超过3分贝(240伏变到336伏,变化1.4倍)。
⑤额定输出功率:275瓦(最大输出功率为300瓦。)
⑥体积:32×42×26厘米\(^{3}\)
⑦重量:20公斤
线路特点及原理
本机可作语言、电唱、线路广播信号的放大,采用定电压输出(120伏或240伏),适合农村负载较多变化的需要。
由于FD—11电子管具有灯丝加热功率小,栅极动态电流小,即要求的激励功率小等特点,很适合悬浮电路的要求。由于要求灯丝加热功率小,它的灯丝变压器就可以比805管的灯丝变压器小一倍。推动级的电源也采用电源变压器供电,经两只05Z10管D\(_{5}\)、D6全波整流后供给前级各级电压,这样做的好处是消除了次高压300伏因由高压1200伏倍压电路中抽出(采用“箝位电路”)而引起的机壳带电现象。另外,由于采用了悬浮电路,就可跨过功率级直接从输出变压器引出较深的负反馈至混合电压放大级阴极,从而改善了频率响应,减小了失真,使整机工作更稳定。
整机电压放大部分采用6N2、6N1各一只,6N2作话筒、拾音放大,6N1作混合放大和倒相,两只6P14作甲乙类推挽放大。这一部分与一般同类型机器的线路相同,只是话筒放大级阴极直接接地,这样可以减小讲话时的交流声和啸叫声干扰。
功放级采用2×FD-11作乙\(_{2}\)类推挽功率放大。该级工作状态是:屏压为1200伏,栅偏压为零,栅极激励电压为2×80伏(有效值),满载时屏流为2×210毫安,负载阻抗为6700欧。

1200伏高压整流电路采用四只1Z12做两次倍压整流。一次正相产生正600伏,另一次负相产生负600伏,这样总共就能得到1200伏高压。因为对机壳是悬浮的、所以机壳不带电。为了讲清楚高压整流电路的原理,我们暂把整流电路分为两半,图2是它其中一半的原理图。图中R\(_{L}\)代表功放管屏极至阴极之间的阻抗,阻抗数值很高。当输入的220伏交流电压在正半周时,输入电源上端正,下端负二极管D1导通,对C\(_{1}\)充电,在C1上的充电电压可达到220伏的峰值,即\(\sqrt{2}\)×220伏≈300伏,因为C\(_{1}\)容量很大,所以此电压数值基本保持不变;当电源电压在负半周时,C1上的电压300伏与电源电压加在一起经过D\(_{2}\)对C2充电。充电电压能达到220伏的峰值约300伏与C\(_{1}\)充电电压300伏之和,共约600伏。第三、第四个半周又重复第一、第二个半周的情况,在RL上就能获得基本等于600伏的电压。和另一半电路合起来,就能得到1200伏高压。

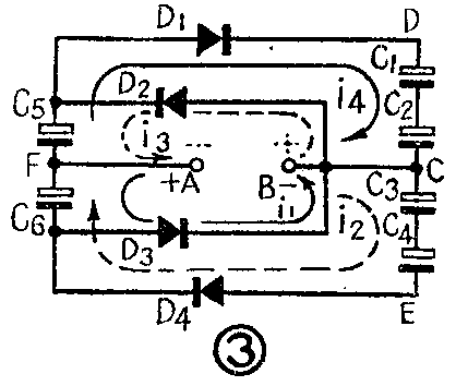
图3是整个高压整流电路的原理图。当A点电压为正时,电源通过二极管D\(_{3}\)对C6充电,C\(_{6}\)两端电压约为\(\sqrt{2}\)×220伏≈300伏,电流方向如i1。当A点电压为负时,电源电压和C\(_{6}\)两端电压加起来通过D4对C\(_{3}\)、C4充电,电流方向如i\(_{2}\),在C、E两端便得到一个C端为正、E端为负的600伏电压。这个道理和图2是一样的,我们把这个过程称为电源电压在负半周时的半波两倍压整流;另一方面,当A点为负、B点为正的同时,还有一个电流i3通过D\(_{2}\)对C5充电,使C\(_{5}\)两端达到300伏。又当A点为正、B点为负时,电源电压和C5两端电压加在一起通过D\(_{1}\)对C1、C\(_{2}\)充电,电流方向如i4,于是在D、C两端得到一个D端为正、C端为负的600伏电压。我们把这个过程称为电源电压在正半周时的半波二倍压整流。这样,正向二次倍压产生600伏,负向二次倍压产生600伏,且电压方向相同,把它们加在一起从D、E两端就可获得1200伏高压了。
这种电路对储能电容要求容量要大,耐压要足够。因为加了300K的均衡电阻,所以每个电容上的充电电压基本相等。
根据FD-11两管总共的最大屏流420毫安,倍压整流元件所承受的反向电压为600伏的条件,高压整流管可选用上海无线电十七厂生产的1Z12硅管,这种管子工作频率在3千赫以下,额定整流正向电流(平均值)为1000毫安,最高反向电压(峰值)为1200伏,在额定正向整流电流下的正向管压降小于或等于1伏(压降越小,越适合作大功率推挽电路中的整流元件,因当阳极电流变化大时整流元件压降变化小,使得阳极电压保持恒定),最高反向工作电压下的反向漏电流是:25℃时≤5微安, 125℃时≤500微安。也可以试用O5Z8(2DP4D)、O5Z10(2DP4E)或1Z8(2DP5D)、1Z10(2DP5E)等整流管。
ZD\(_{1}\)为高压指示灯,采用C7降压和R\(_{3}\)0分压。
在FD-11屏至屏之间加上二只1000P 500V的电容和二只5.1K 10W电阻的作用是为了改善音质并防止产生寄生振荡。
元件选择
我们装的这部机器都是利用站内现有的材料。
变压器采用上海无线电二十七厂生产的250W扩音机的成套变压器。如果自行设计变压器,前置各级的电源变压器可用普通6灯收音机电源变压器代替,其它各变压器的数据是:

①FD-11灯丝变压器(如图4和表1)。
表1
绕组 Ⅰ Ⅱ
匝数 1276 64
线径 0.25 1.2
舌宽 1.9厘米
叠厚 3.8厘米
②FD-11输出变压器(如图5和表2)。
表2
绕组 Ⅰ Ⅱ Ⅲ Ⅳ
匝数 1600 142 142 3
线径 0.35 0.8 0.8 0.8
舌宽 3.6厘米
叠厚 5厘米
③FD-11输入变压器。

如自行设计输入变压器,初级阻抗可改为8000欧(接两个6P14阳极),次级改为4200欧(接两个FD-11栅极),并可加绕一组1.9伏的前级信号电压绕组(如图6和表3),供开高压前预选收听用。预选装置可按图9连接,在未加高压前可把四刀二掷开关放在预选位置,以便预听前级来的信号。
表3
绕组 Ⅰ Ⅱ Ⅲ Ⅳ
匝数 1880 2420 2420 11
线径 0.19 0.31 0.31 0.8
舌宽 2.2厘米
叠厚 3厘米
④音频变压器(见图7和表4)。
表4
绕组 Ⅰ Ⅱ
匝数 2140 40
线径 0.11 0.8
舌宽 1.4厘米
叠厚 1.7厘米
表5
绕组 Ⅰ Ⅱ
匝数 950 1000
线径 0.17 0.17
舌宽 1厘米
叠宽 0.8厘米
⑤线路变压器(见图8和表5)。(合肥市郊区广播站)