用晶体管无输出变压器式单端推换放大器,作为场扫描输出电路,有不少优点:不需任何线绕元件;可不采用高反压大功率晶体管;因本身失真很小,能单纯地处理锯齿波线性问题;效率高,省电以及成本低等。
本文以35厘米显象管和用825—2、820型电视机偏转线圈为例,谈谈这种线路的原理和特点。
大家知道,因结构上的限制,偏转线圈的阻抗一般做得很低,不与电子管直接连接,而是利用输出变压器耦合。又因场扫描频率很低,所以变压器的初级电感将很大。这样,回扫期间将产生近千伏的脉冲电压,虽然需要的输出功率并不大,但不得不采用耗电大的功率电子管做输出管。在晶体管甲类放大电路中,也有类似问题。
在甲类单管输出电路中,有两种激励方式。图①a为正向激励。由U\(_{c}\)波形图可以看出,逆程时输出管处于截止状态,逆程脉冲电压高于电源电压E很多,但这种方式有比较好的锯齿电流波形。图①b为反向激励。回扫时晶体管处于饱和区,回扫脉冲由高向低变化,但由于受到晶体管饱和的限制,逆程脉冲高压不可能低于零电平,因而逆程脉冲受到阻尼。这种电路,虽然对晶体管的耐压要求低得多,但因回扫时间长(见图①bI波形)而不被采用。因此,用甲类放大器总避免不了线绕元件和高压器件,成本高,耗电多。

因为偏转线圈阻抗很低(例如825—2或820型电视的偏转线圈,其电感约为5mH,电阻约为9Ω),可以把它看成类似于扬声器音圈,而直接接到无输出变压器功率放大器上。因这种放大器输出阻抗很低,所以不会产生大的逆程脉冲,对晶体管的耐压要求是很低的。
大家知道,为使带有电阻的电感线圈产生锯齿形电流,需要用脉冲锯齿波激励,如图②a。这就是说,当线圈流通的电流呈现锯齿形时,其电感分量上的电压降为矩形脉冲,而电阻分量上为锯齿波,输入的电压为两者之和。当输入的电压波形中,没有脉冲成分时,如图②b。电流波形的回扫时间很长,光栅顶部压缩(相当图中I波形实线的弯曲部分)。但是我们看到的许多电视机电路图上,所画出的场输出管的输入波形,并非脉冲锯齿波。这是因为在上面的分析中,是把向线圈供电的电压源的内阻认为很低,回路中没有考虑到外部电阻的影响。实际上,激励源的内阻是相当大的,这时的情况如图②c,感抗远小于电阻成分而被忽略不计,电流波形则依电压波形而变,我们经常看到的电路图都属这种情况。在用无输出变压器单端推挽电路时,输出阻抗很低,要得到理想的锯齿波电流,即使场偏转线圈的时间常数(τ=\(\frac{L}{r}\))已很小,也应在放大器的输入端加入脉冲锯齿波电压。

产生锯齿波的方法很多,如间歇振荡器,多谐振荡器,再生环式振荡器,单结管弛张振荡器以及包括输出级在内的多谐振荡器等等。从波形角度来看没有根本差别,其中以单结管电路最为经济简单。
指数形电压是不能直接用来激励偏转线圈的,否则呈现出的光栅,下面密集上部稀疏的现象严重。将振荡器输出的波形进行线性校正的方法,基本上可分为两大类:
(1)使信号通过积分网络,压缩波形陡峭部分,然后再送到失真小的放大器,如图③的上图。

(2)利用反馈方法改变放大器的特性,将输出波形予以变形,然后在输入端与指数形电压混合,达到修直波形的目的,如图③下图。由于在单管甲类放大电路中,还有放大器本身的失真等也需要校正,所以常采用后一种方法。而在无输出变压器单端推挽电路中,因电路本身有深度负反馈,失真很小,这两种校正方法没有明显的差别。
使锯齿波具有脉冲分量的方法,都是采用在定时电容器(C\(_{3}\))上串接一电阻(R6)的办法,如图④。其幅度和宽度与R\(_{6}\)和C3的大小有关。因为脉冲成分在波形补偿过程中受到了衰减,因此振荡器所产生出的脉冲幅度与锯齿波幅度之比,要比从场偏转线圈两端测出的要大,所以这里的幅度要由实验确定,而宽度要等于或小于规定的回扫时间T\(_{回}\)。根据规定,回扫时间T回应小于或等于场扫描周期的5%(T\(_{场}\)5%),即T回占有的行数小于或等于312.5线×5%=15线,或T\(_{回}\)≤15×64μS=1mS。实验证明,定时电容C3对脉冲宽度影响最大,电容量愈大,脉冲宽度愈宽,在0.33~0.4μF之间选取较为合适。电阻R\(_{6}\)对脉冲幅度有直接关系,最好用半可调电阻或电位器,调节它可以改变顶部光栅的线性。

下面我们计算一下电路的工作情况。先计算场偏转线圈所需要的电压(参看图⑤)。根据实际测量,当高压为10千伏,满偏转(70°)时锯齿波峰值电流IP≈0.6安,则
U\(_{L}\)≈IP\(\frac{L}{T}\)\(_{回}\)=0.65mH;1mS=3伏;
U\(_{R}\)=IP·R=0.6×9=5.4伏,
所以加到线圈上的电压U=U\(_{L}\)+UR≈8.4伏。
对于乙类推挽放大器,工作在锯齿波情况下,其直流电流I\(_{0}\)=\(\frac{1}{3}\)IP;2=100毫安。
考虑到晶体管的饱和压降和留一些宽裕量,电源电压选用14伏。
留有余地是必要的,一方面业余品晶体管特性差别大,偏转线圈的阻抗值也不完全一致,而且所举出的I\(_{P}\)为高压在10千伏的情况。我们知道偏转电流是与高压的根方成正比,即高压为12千伏或14千伏时,偏转电流则分别为10千伏时IP的1.1和1.18倍。直流供电功率P\(_{0}\)=E0·I\(_{0}\)=14×0.1=1.4瓦。消耗在偏转线圈上的功率P= (IP2\(\sqrt{3}\))\(^{2}\)R=(0.6;23)29=0.27瓦(公式中\(\frac{I}{_{P}}\)2\(\sqrt{3}\)为锯齿电流的有效值)。由上述分析可见仅为一个1瓦左右的小功率放大器。输出管可选用Pcm>500mW,I\(_{cp}\)>300mA的小功率管即可胜任,如3DK4、3CK3、3AX83、3DG12、3DG27等等。如手头上没有配对的晶体管时,也可以用同型号的中功率管作末级,用小功率管作互补推动级。
该电路经实测,各项数据基本符合要求,所得光栅线性良好,回扫时间也达到了要求,同步稳定,实际耗电90毫安左右,功率消耗仅为电子管电路的十分之一以内。
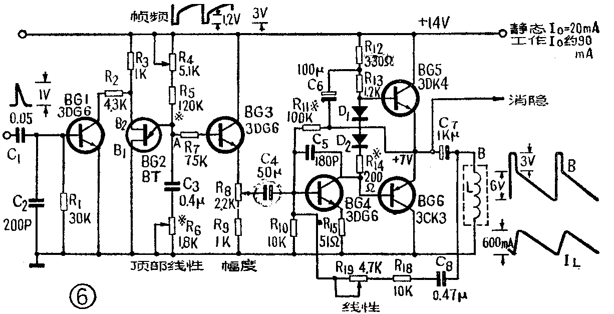
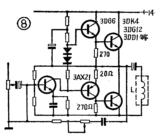
图⑥为完整的无输出变压器单端推挽场扫描电路图。BG\(_{1}\)为同步推动管,当正向同步脉冲到来时BG1导通,使BG\(_{2}\)2极电位瞬时下降达到同步目的。电阻R\(_{6}\)是用来产生脉冲分量的。R7串在射极跟随管BG\(_{3}\)的基极上,以提高输入阻抗。BG4—BG\(_{6}\)组成典型的无输出变压器放大器,其静态电流调为20毫安左右,C8、R\(_{18}\)、R19为波形补偿负反馈回路,使高频受到衰减。若找不到配对的中小功率互补输出管时,可采用一对同类型的输出管,按图⑦、⑧所示电路代替。图⑦为采用一对PNP型晶体管的电路,图⑧是一对NPN管的电路图。两图中除注明的数据外,其它元件同图⑥中的一样。



制作时应注意的问题:晶体管BG\(_{5}\)、BG6要尽可能配对,同时要求其饱和压降愈小愈好。耦合电容C\(_{4}\)、C7要尽可能大些,数值小时会使光栅下密上疏。BG\(_{1}\)管的同步触发脉冲幅度不宜过大,可在联机试验时,在C1前串联一只可变电阻调整,调好后再换成固定电阻。因场偏转线圈上电压较低,不能直接用于消隐显象管的回扫线。如果电视机为电子管视放级,可采用图⑨A的方法解决,经电子管幅度分离得到的很大的负脉冲,可以直接送至显象管控制极(G\(_{1}\))。如利用高反压晶体管,见图⑨B,也可达到同样效果,缺点是成本高了些。若视放末级为晶体管时,可采用图⑨C的方法:二极管D处于开关状态,在扫描正程期间E点(发射极)电位高于B点,不影响视放级的工作状态。当回扫时B点电位高于E点,使得二极管D导通,发射极电位上升,使视放输出一正向脉冲,达到消隐目的,调节电阻R可以改变流向发射极的电流,R过大时作用不明显,R值过小,则使光栅上部正程也受到消隐而变暗。因视放末级处于大信号工作状态,同时BG5—BG\(_{6}\)两管各自的饱和压降不完全一致,所以制作时,电阻R11(图⑥)用一只电位器和一只电阻串联代替,以便静态工作电流调好后,在实际收看时进一步微调,使光栅的上下两边都不出现限幅(限幅后边缘有亮线)。

实际装制时,可装在一块小印刷板上。BG\(_{5}\)、BG6两管要加散热装置,电路板要远离热源。为了避免行逆程脉冲对场振荡的干扰,BG\(_{1}\)、BG2及其所属零件要用铁片屏蔽起来,否则将使隔行扫描被破坏,产生上下抖动。各电位器引线要采用屏蔽线。此电路因电流较大,所以地线与电源线最好用专线由电源滤波电容两端直接引出,以免串扰其他电路。本电路要采用稳压电源供电。
图⑩为调整电阻R\(_{6}\)和R19时出现的几种情况。调整时,首先调节R\(_{8}\),使垂直幅度稍小于屏面,以便观察光栅线性。将R4放在中间位置,改变R\(_{5}\)的值使达到同步。调整R19时,光栅上面应能拉开或压缩,调到最佳情况时,应看到除了光栅顶部外,大部分线性比较好。然后仔细调整R\(_{6}\)可以使光栅顶部线性得到改善。粗调完毕后,即可调节R8使光栅满幅。然后再进一步反复调整R\(_{19}\)、R6,使光栅最均匀后R\(_{6}\)即可不用再动了,只调R19在图象满幅后,可能会出现轻微的限幅现象(即光栅上沿或下沿有压缩),这时可仔细改变代替R\(_{11}\)的电位器,如果场输出管饱和压降小,是不会出现这种情况的。

图为另一种线性补偿方法,其效果相同。采用这一方案时,放大器部分为一普通小功率放大器,即将图⑥中的R\(_{19}\)、R18、C\(_{8}\)去掉,而把线性补偿元件放在R7之后,其他数据不变。(郭允晟)
