晶体管断续时间控制器
取暖锅炉采用自动往复活动炉排,而且是断续活动、断续加煤的措施,可以收到节约用煤及消烟除尘的效果。为了对炉排断续活动时间进行自动控制,我们试制了晶体管断续时间控制器,代替过去用两个时间继电器组成的继电回路,既简单可靠,又经济节约。
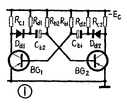
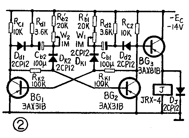
大家知道,自激多谐振荡器不需外加触发信号,便能自动地、周期地完成开关动作,因而能实现断续时间控制。但是,如图1所示的多谐振荡器电路,很难得到较长的断续周期。因为它的振荡周期由R\(_{b1}\)和Rb2、C\(_{b1}\)和Cb2决定,R\(_{b1}\)和Rb2不能太大,否则晶体管不能饱和;C\(_{b1}\)和Cb2也不能太大,太大了不仅增加体积和费用,而且会因漏电严重影响延时的准确性。根据锅炉运行情况的需要,炉排活动的断、续时间都要达到5~60秒,所以必须对电路加以改进。我们制作的断续时间控制器电路见图2。其中左半部分是改进了的多谐振荡器,和图1比较,增加了R\(_{k1}\)、Dk1和R\(_{k2}\)、Dk2。由于设置了R\(_{k2}\)这条BG2基极电流的通路,当BG\(_{1}\)截止时,电源可以通过Rk2和R\(_{c1}\)为BG2提供足够的基极电流,即使把R\(_{b2}\)(R′b2+W\(_{2}\))增大很多(达几兆欧),也不会出现BG2不饱和的现象。这样,既保证了电路正常工作,又使电路翻转后,C\(_{b2}\)通过Rb2、BG\(_{1}\)放电的过程大为减慢,从而使T2大大加长。D\(_{k2}\)的作用,是防止Cb2经R\(_{k2}\)放电,因为当BG1由截止变为导通时,C\(_{b2}\)正极板电位上跳到+Ec,D\(_{k2}\)就处于截止状态了,使Cb2只能通过R\(_{b2}\)一路放电。Dk1、D\(_{k2}\)应采用反向阻值较大的二极管,例如硅管,我们用2CP12,Rb1=R\(_{b2}\)=20千欧,Rk1=R\(_{k2}\)=100千欧,W1和W\(_{2}\)为1兆欧的电位器,Cb1=C\(_{b2}\)=100微法,得到断和续的时间T1和T\(_{2}\)的可谓范围为5~80秒。


图2右半部分是为了推动小型电磁继电器可靠动作而加的射极跟随器。它的发射极电流比基极电流大β+1倍,输出电阻比前级信号源内阻小β倍,具有电流放大和功率放大的性能,起着信号与负载隔离的作用。因此,它既能使所接小型电磁继电器可靠动作,而又不影响前级电路工作,保证了断续时间的准确性。为了保护BG\(_{3}\)不被由J线圈引起的反向过电压击穿,设置了保护二极管DJ。
为了使所用小型电磁继电器(JRX-4型)可靠动作,电源电压采用-14伏。
电路中所有电阻均为1/8瓦炭膜电阻,W\(_{1}\)和W2是1瓦线绕电位器或实心电位器;C\(_{b1}\)和Cb2最好用钽电容。(水电部科研所水利室电工组)
调试可控硅的简便方法
在应用可控硅进行调压或整流的设备中,一般都采用示波器来调对称和平衡,以保证运行质量。下面介绍一种不用示波器调试可控硅的简便方法。
我们知道,用示波器观察触发电路的输出波形并进行调整,目的是使同一相中或各相所接可控硅的导通角一致,输出电流相等;那么,直接根据所接各可控硅的输出电流来调整触发电路,应该同样能取得对称和平衡。根据这个想法,我们对一台18千瓦可控硅电镀电源设备进行调整,获得了良好的效果。调试过程如下:接上负载开启电源后,在触发电路中先加入小量控制电压,使负载上获得少量电流。这时用钳形电流表测量各可控硅上输出电流是否一致,并对触发电路进行调整,以取得平衡。然后再逐级加大控制电压,直到额定输出为止。在每加大一级控制电压的同时,要细心调整各可控硅输出电流达到平衡。如果不能获得线性效果,至少要保持额定输出时的平衡,以保证正常使用。
这里要注意的是,在调试过程中不宜一下子把控制电压加大,以免由于不平衡而把个别可控硅烧坏。 (上海市外冈农场电工 周继文)