互补型锯齿波发生器结构简单,调节方便,性能良好,应用日益广泛。本文对这种锯齿波发生器作一简单介绍。
工作原理和振荡条件
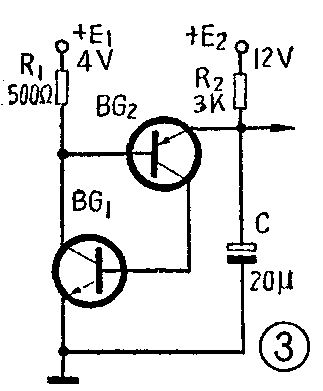
图1是互补型锯齿波发生器的典型电路。和一般锯齿波发生器相似,它也是利用电容的充放电产生锯齿波的;不同的地方,是以BG\(_{1}\)和BG2两只相反导电性能的晶体管构成正反馈电路,作为泄放开关。设工作开始时,电容C两端电压为零。BG\(_{2}\)发射极是零电位,而基极电位不可能为负,因此呈截止状态。BG1没有偏流,也截止。这时电源E\(_{2}\)(E2>E\(_{1}\))通过电阻R2对电容C充电,构成锯齿波电压的正程。当电容充电到U\(_{c}\)高于BG2基极电位(不难看出,BG\(_{2}\)基极电位等于E1)时,BG\(_{2}\)导通。由于BG2集电极和BG\(_{1}\)基极相连,IC2=I\(_{b1}\),BG1也随之导通;BG\(_{1}\)导通后,集电极电位下降,而BG1集电极是和BG\(_{2}\)基极相连的,这就导致BG2更加导通……正反馈的结果,使BG\(_{1}\)、BG2迅速进入饱和状态,电容C上的电荷也就通过BG\(_{1}\)、BG2迅速释放,构成锯齿波电压的回扫期。电容C放电结束后,仅靠从R\(_{2}\)流过的电流IR2通过BG\(_{2}\)到达BG1的基极,已不足以使BG\(_{1}\)饱和。BG1一旦退出饱和区,正反馈过程便迅速导致BG\(_{1}\)、BG2都截止。然后,电源E\(_{2}\)重新对C充电,开始下一个循环过程。

图1电路振荡条件分析如下:
第一,电容C放电完毕后,BG\(_{1}\)、BG2要能迅速地从饱和变为截止。
电容放完电后,仅有I\(_{R2}\)流过BG1基极,如前所述,它的大小应不能使BG\(_{1}\)饱和,即IR2经BG\(_{1}\)放大β1倍后,在R\(_{1}\)上的压降应小于E1,否则电路会停留在饱和状态。这个条件可用公式表示为:
I\(_{R2}\)·β1·R\(_{1}\)<E1
β\(_{1}\)<E1R\(_{1}\)·IR2=R\(_{2}\)·E1;R\(_{1}\)·E2(∵I\(_{R2}\)=E2R\(_{2}\))
第二,电容C充电到U\(_{c}\)>E1时,BG\(_{1}\)、BG2要能迅速饱和。

这个条件一般容易满足。但如果象图2那样,在BG\(_{1}\)基一射极间接有电阻Rb时,若R\(_{b}\)太小,使Ic2在R\(_{b}\)上产生的压降达不到BG1的导通电位,振荡也就建立不起来。BG\(_{1}\)基极对地允许接的电阻最小值通常可由下式决定:
R\(_{b}\)>0.6Ic2=0.6R\(_{2}\);E2
此外,当R\(_{2}\)阻值过大,使IR2降到几微安以下时,电路也容易停振。因为对如此小的电流,BG\(_{1}\)、BG2的放大能力都很弱,导致闭环增益小于1,建立不起振荡。当BG\(_{2}\)用3AX型晶体管时,IR2最好不小于0.1毫安;如用PNP型硅管,I\(_{R2}\)就可以小得多了。
上面介绍的互补型锯齿波发生器,输出锯齿波振幅约等于E\(_{1}\)。振荡频率可近似用下式估算:
f≈\(\frac{I}{_{R2}}\)E1·C=E\(_{2}\);R2·E\(_{1}\)·C
还有一点需要指出,BG\(_{2}\)刚截止瞬间,它的发射极承受大小等于输出锯齿波幅度的反压。因此,BG2发射结反向击穿电压必须大于锯齿波幅度。如管子不能满足要求时,可在BG\(_{2}\)发射极串接一个二极管。
怎样得到小β值
实际组成互补型锯齿波发生器时,经常遇到的困难是BG\(_{1}\)的β值满足不了要求。

以图3电路为例,为了能耐一定的负载,R\(_{2}\)阻值不能太大,取3千欧;R1也不能太小,否则损耗太大,取0.5千欧。根据前面介绍的公式,BG\(_{1}\)必须满足
β\(_{1}\)<R2E\(_{1}\)R1E\(_{2}\)=3K·4V;0.5K·12V=2
一般晶体管很难得到如此小的β值。解决这个问题的办法是晶体管反接,即把集电极和发射极互换使用,反接后管子的β变小,基本上都可以满足使用要求。图4是一种简单测试电路,毫安表头的指示就是晶体管的反接β值。

反接晶体管耐压很低,如3DG6型管子反接后只有6伏左右,不适于作高压锯齿波输出。
实用电路
1.图5是9寸显象管电视机用帧锯齿波发生器电路。BG\(_{1}\)用反接3DG6。输出锯齿波幅度约2~5伏可调。同步信号为负脉冲时由A点输入,正脉冲时由B点输入。由于电视机正常工作时,锯齿波频率由同步信号决定,这里不用调节充电电阻阻值的方法调同步,而用1千欧电位器作同步调节。

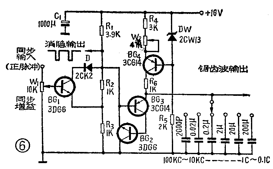
2.图6是示波器中X扫描的锯齿波发生器。BG\(_{4}\) 组成恒流源,通过调节W2改变电流大小来调振荡频率,调节倍率可达10倍以上。工作频率范围为0.1赫~100千赫。BG\(_{1}\)用反接3DG6B。加入R6是为了防止意外短路情况下烧坏晶体管。2CW13也可用1.2千欧电阻代替。此电路由于电容是恒流充电,锯齿波线性较好。

3.图7是时标脉冲发生器电路。BG\(_{2}\)、BG3组成锯齿波发生器;锯齿波回扫时,BG\(_{2}\)基极负脉冲经BG1 放大、倒相后作为时标脉冲输出。D是温度补偿二极管,用来提高定时稳定性。为了同样目的,C\(_{1}\)最好用钽电容。BG2用反接3DG6B或β小于10的正接3DG6管子。

此电路产生的时标脉冲,幅度为9伏,脉宽0.2秒,脉冲间隔10秒,可用作自动化设备中程序控制信号源或其它定时用途。(焦达德)