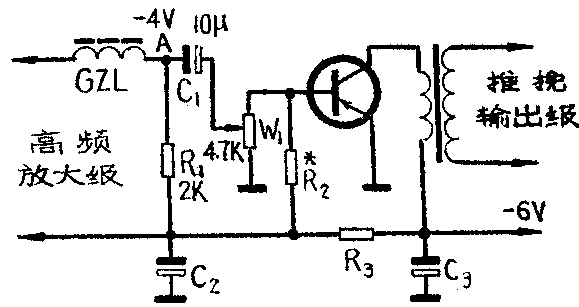
问:有一台来复再生四管机,当电位器旋到最大、最小位置时都收不到播音,只有中间位置才能收到,为什么?
答:一般来复再生四管机的低放部分采用如图示电路。若耦合电容C\(_{1}\)漏电,那么从高放级耦合到低放级除了信号电流外还有直流电流,此直流电流就影响了低放级的直流工作点。当电位器旋到最大位置时可能因工作点电流偏高,使管子进入饱和区失去放大作用,所以收不到电台播音:当电位器旋到最小位置时则因把信号电流短路了所以也收不到电台播音;当电位器在中间位置时,前级直流电流对后级的工作点电流影响减小并且信号电流也有一定强度,所以可以收到电台播音。(林、亚、华答)

问:有一部电子管电视机,电视台开始播放节目时收不到,晚上九点钟以后才能收到,为什么?
答:这主要是由于电视机的本地振荡级电子管6N3衰老,而当电源电压降低时本级停振引起的。对于这个问题我们曾经拿一只衰老的6N3电子管与一只好的6N3做实验进行比较,结果如下:

当电源电压降到150时新的6N3还看到图象,收到伴音,但亮度较暗、对比度差,有时不同步。从以上实验看出,因9点钟以前用户多,市电电压低,衰老的6N3管不起振,所以收不到节目。9点钟以后由于用户少了些,市电电压回升,就可以收到电视节目了(测试时,我们用20000/V万用表红表笔接地、黑表笔搭混频管棚极测得的) 。(任兴宇答)
问:有的交流收音机在旋动调谐旋钮时,扬声器中发出“喀嚓嚓”的杂声,如何排除?
答:造成这个故障的原因:(1)由于使用日久,双连可变电容器动片轴与动片引出铜卡片之间接触不良,产生杂声。可用汽油将动片轴和铜卡片的污垢洗净后加些润滑油,并保持其接触紧密即可。(2)双连可变电容器的定、动片有碰片现象,旋动时有杂声,可用镊子或小起子仔细地校准定、动片相擦部位的距离,不要有互碰即可。(3)调谐刻度盘指针的金属传动装置由于静电摩擦也会产生杂声,可以加些润滑油来减少摩擦,排除“喀嚓嚓”声。(花维国答)
问:电于管收音机电路中,音频放大级的耦合电容器安装位置不当是否会引起调变交流声?
答:调谐电台时出现明显的调变交流声,主要是收音机电路中的高频信号,受电源50赫低频的调制,重新进入高频电路中产生的,当调谐在无信号的频率位置时,这种调制声就不再出现。而低频电路中的耦合电容器,组装位置不当例如靠近交流电源连线等,一般最容易产生感应交流声。(毛瑞年答)
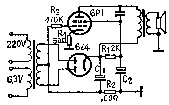
问:有的交流收音机高压整流线圈中心抽头是经一只100—150欧的电阻接地如图示,此电阻有什么作用?

答:图中电阻R\(_{2}\)是产生负栅压用的。因为经6Z4整流后的整流电流经R1或输出变器、6P1、R4到地,然后从地经R\(_{2}\)到线圈的中心抽头,所以在电阻R2上产生了一个直流电压,使中心抽头对地来说处于负电位,6P1的栅极电阻R\(_{3}\)是接到中心抽头上的,因而使6P1的栅极得到一个负的直流电压,再加上6P1阴极电阻R4上产生的自偏压恰好是6P1应得到的全部负偏压。注意在更换C\(_{1}\)时不要把它的负端(或铝壳)和R2衔接处接地。(方锡答)
问:在积层电池上写着“只可测电压,不可测电流”是什么意思?
答:干电池的平均贮存寿命是随工作电流的增大而缩短的。电池体积越小、电池容量也越小,寿命也越短。例如积层电池4F22、6F22的主要特性如下表所示:
型号 额定电压(V) 放电电阻(Ω) 正常使用平均电流mA
4F22 6 600 10
6F22 9 900 10
从上表可以看出如果测端电压,因电压表的内阻很高,远远大于积层电池的放电电阻,所以放电电流不会超过正常使用值。如果测电流,则因电流表的内阻远小于放电电阻,放电电流就会很大,超过正常使用值很多,这样会缩短电池的使用寿命。因此积层电池上写着“可测电压,不可测电流”。我们在正常使用中也不应用过大的电流放电,以免影响电池寿命。(邹振熊答)