在毛主席革命路线指引下,我们厂所结合,坚持科研为无产阶级政治服务,为工农兵服务,和生产劳动相结合的方向,独立自主,自力更生,试制成功了氧化锡气敏半导体元件和应用整机。本文向大家简单介绍气敏半导体的特性和它在可燃性气体检测中的应用。
对可燃性气体敏感的半导体
半导体材料中,某些“非化学配比”的金属氧化物半导体,在一定工作温度下,材料的电阻随环境气氛不同(气体成分、浓度等)而升高或降低,特别对可燃性气体敏感。这类材料我们叫做气敏半导体。
气敏半导体元件,正是利用了气敏半导体的上述特性,用来把可燃性气体的浓度大小转换为电信号的一种新型半导体元件。目前我们研制的QN系列气敏半导体元件,所用材料是以二氧化锡为主,适量渗以有用的杂质,在高温下烧结成的多晶体。它是n型材料,遇可燃性气体时,电阻减小。具体地说,QN系列元件在25℃一300℃的工作温度下,接触可燃性气体,加氢、一氧化碳、甲烷、乙醚、乙醇、天然气等,当浓度在爆炸浓度下限(百分之几左右)时,元件阻值可以从空气中的10\(^{5}\)欧姆左右下降到103欧姆左右。可燃性气体浓度不同,阻值下降幅度也不同;不同配方和渗杂的元件,对某些气体的灵敏度有所差异。
简单介绍一下什么是“非化学配比”的金属氧化物半导体,以及它为什么具有气敏特性。我们知道,通常化合物中的元素(原子或离子)都以一定比例化合,一般是整数比。如水由两个氢原子和一个氧原子组成。这样的化合物叫化学配比的化合物。但是,有些化合物中的一种原子或离子有过剩或不足的情况,就成为“非化学配比”的化合物了。如前面提到的二氧化锡,已经不是由两个氧原子和一个锡原子组成,氧的数目不足,是2-X:一般X<1,随制备条件不同而改变。这类金属氧化物半导体,在一定温度时,能吸附空气中的氧,形成氧的负离子吸附,使半导体导带中电子密度减少而电阻增加(如前所述,增加到10\(^{5}\)欧姆左右);当遇到能供给电子的可燃性气体时,原来吸附的氧又将脱附,而由可燃性气体以正离子状态吸附在半导体的表面。氧的脱附放出电子,可燃性气体以正离子状态吸附也放出电子,从而使导带中电子密度增加而电阻下降。这就是气敏半导体具有气敏特性的大致原因。
结构、参数和测试
QN系列气敏元件性能参数列于附表中。主要参数的意义如下。

加热电流I\(_{M}\):气敏元件工作时需要一定温度,靠在加热电极上通一定电流实现。这个电流叫加热电流。
回路电压U\(_{c}\):为了从气敏元件上取出表征可燃性气体浓度大小的电信号,必须给元件加一定电压,使阻值变化变成电流的变化。元件回路上加的这个电压叫回路电压。
静态电阻R\(_{O}\):气敏元件在给定加热电流数分钟后,在空气中的阻值将稳定不变,叫做静态电阻。
灵敏度:气敏元件在空气中的阻值(静态电阻R\(_{O}\))与接触一定浓度的某种气体时的阻值RX之比。
响应时间:气敏元件在工作状态接触某种气体的,阻值从R\(_{O}\)下降到RX的时间。
恢复时间:气敏元件从工作状态中离开某种气体后,阻值从R\(_{X}\)上升到RO的时间。
图3是气敏元件直流加热回路。根据使用环境不同,加热电流可适当调正。元件的简单测试电路如图4所示,电路中二极管2CP1的作用是防止加热回路电流影响测量回路。注意一开始加热时,元件的阻值下降后又上升的幅度,通常幅度越大,灵敏度越高。待元件加热3~5分钟阻值稳定后,测出元件在空气中的阻值R\(_{0}\),然后通以一定浓度的欲测气体测出下降后的阻值RX,便可求出灵敏度,并根据测出的参数设计应用整机。


气敏半导体挥测仪器
气敏半导体元件由于具有对可燃性气体敏感的特性,在可燃性气体探漏、检测、报警及各种封闭系统检漏,安全、防火等方面,获得越来越广泛的应用。下面介绍几种应用整机的电路,供大家参考:
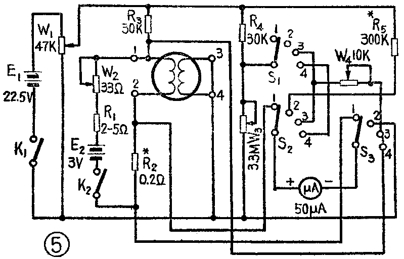
1.直流桥式气敏检测仪:电原理图见图5。其中由元件加热电极1和2、电位器W\(_{2}\)、电阻R1和R\(_{2}\)、电源E2等组成加热回路,调整W\(_{2}\)可控制加热电流的大小。R1是限流电阻,使W\(_{2}\)阻值调至最小时,回路电流不会超过最大允许的加热电流,保护元件不致因误调而损坏。微安表在转换开关S2、S\(_{3}\)置于“1”位置时,并上分流电阻R2,成为满量程0.5安的表头,指示加热电流的大小。在给定加热电流后,电极1、2和3、4之间的气敏材料的阻值,将随可燃性气体浓度发生变化。这一电阻和电位器W\(_{3}\)、R3、R\(_{4}\)组成电桥。加在桥臂上的电压由电源E1经电位器W\(_{1}\)供给。电压数值可由转换开关S2、S\(_{3}\)掷于“2”位置时,微安表上串入一个倍增电阻R5,变成满量程25伏的电压表来指示。转换开关S\(_{1}\)、S2、S\(_{3}\)掷于“3”和“4”位置时,微安表接入桥路,可进行测量。“3”档是大量程档,调整W4可改变表头量程:“4”档微安表直接接入桥路,灵敏度高。电桥的平衡由W\(_{3}\)调整。

直流桥式气敏检测仪的特点是线路简单,安装调整容易,成本低,同时因没有晶体管元件,环境温度的变化对整机影响也较小。
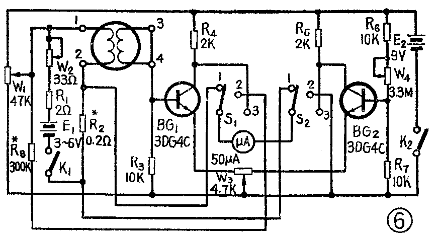
如果用两只对称性较好的硅三极管代替两个桥臂,就构成了晶体管桥式探测仪,灵敏度更高。电路见图6。其中转换开关掷于“1”、“2”位置时,表头分别指示加热电流和元件上的电压;“3”档是测量档。

2.交直流两用气敏半导体警报器:电原理图见图7。其中BG\(_{1}\)、BG2组成射极耦合触发器,BG\(_{3}\)组成功放电路,BG4组成电感三端振荡器。转换开关S\(_{3}\)、S4掷于“2”位置时,气敏元件接入BG\(_{1}\)基极回路中。接触可燃性气体后,气敏元件阻值下降,使BG1基极电流增加;可燃性气体浓度增加到一定数值时,电路翻转,即BG\(_{1}\)从截止变为导通,BG2从导通变为截止。这时,BG\(_{3}\)基极电压变负,集电极电流增加,接在BG3射极的继电器J吸合,接通振荡器及指示灯,达到音响及灯光报警的目的。当气敏元件接触的可燃性气体浓度减小时,阻值增加,电路工作过程相反,最后使继电器释放。调整电位器W\(_{3}\),可控制射极耦合触发器翻转的时间。

这种警报器,电源部分采用交直流两种方式供电。转换开关S\(_{1}\)、S2掷于“1”位置时交流供电,置于“2”位置时直流供电。6伏电源供元件加热及振荡器用,22.5伏电源供射极耦合触发器及功放电路用。
上面介绍的两种仪器,如果元件对可燃性气体的定量关系重现性好,仪器经标定后,可作为定量检测和报警仪器。
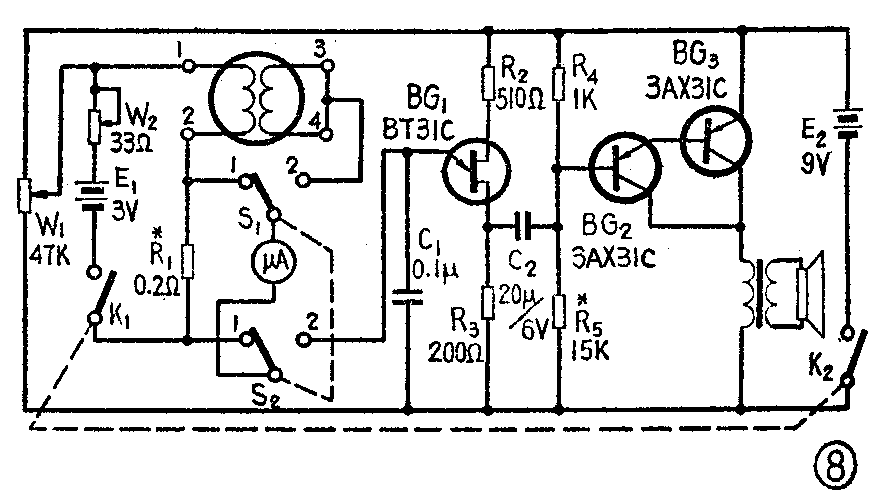
3.变频式气敏半导体探漏仪;见图8。气敏元件当转换开关S\(_{1}\)、S2掷于“2”位置时,接入单结晶体管组成的自激多谐振荡器电路中,振荡频率由下式决定:
f≈\(\frac{1}{R}\)\(_{g}\)C1ln1;1-η

其中R\(_{g}\)为气敏元件的阻值,η为单结晶管的分压比。可见振荡频率由气敏元件阻值决定。当元件接触可燃性气体时,阻值下降,振荡器频率升高,扬声器发声,同时由表头指示电流大小。
变频式气敏半导体探漏仪电路简单,体积小,由音响频率的高低可判断浓度的大小。
以上几种仪器在安装、调整和使用时,都要注意下面两点:
1.元件加热电流不得超过给定值,否则易烧坏元件。
2.元件每隔十几小时以上重新使用时,因表面吸附作用,刚开始加热阻值会急速下降,过几分钟后再上升到稳定值。所以,开机时转换开关不得掷于测量档。(中国科学院吉林应用化学研究所 辽源市电子技术实验厂)

