粮食含水量的测定是粮食收购和贮存工作中最重要的指标之一。我们遵照毛主席“备战、备荒、为人民”和“深挖洞、广积粮、不称霸”的教导,破除迷信,解放思想,在粮食部门的配合和协助下,制成了JLS-2型晶体管粮食水份测定仪。它是一种便携式的仪器,重量轻,电源用四节二号电池,可以测量各种稻谷、小麦、大麦、玉米、高梁油菜籽等颗粒状谷物中的含水量;取样数量<100克;测量水份范围8%~20%;基本误差<±0.5%;测量时间<3分钟。适合于粮食收购、保管、加工和科研等单位使用。
工作原理
这种仪器为电容式水份测定仪,采用同心筒形电容器作为传感器,电容式测水法是以测定粮食的介电常数为工作的基础,令:
ε为粮食的介电常数;
l 为传感器的高度;
D 为传感器外电极的直径;
d 为传感器内电极的直径;
则电容量C=0.24\(\frac{εL}{Lg}\)D;d。因传感器的尺寸是固定的,l、D、d均为常数,所以C=f(ε),即电容量为放在传感器内物质的介电常数的函数。当把粮食作为一种介质放在传感器中时,其电容量C的变化主要取决于粮食介电常数的变化,而粮食的介电常数是随着含水量而变化,因此只要测出传感器的电容变化量,也就间接地测出了被测粮食的水份。因此仪器实际上就是一台微小电容测定仪。

仪器采用高频差拍法。为什么要用差拍法呢?因为差拍法的特点是灵敏度较高,对电容量的微小变化比较敏感,适合于测量微电容量。仪器的另一特点是指示部分不用电流表显示,而用一只小扬声器听差拍叫声,用音响作指示。
电路介绍
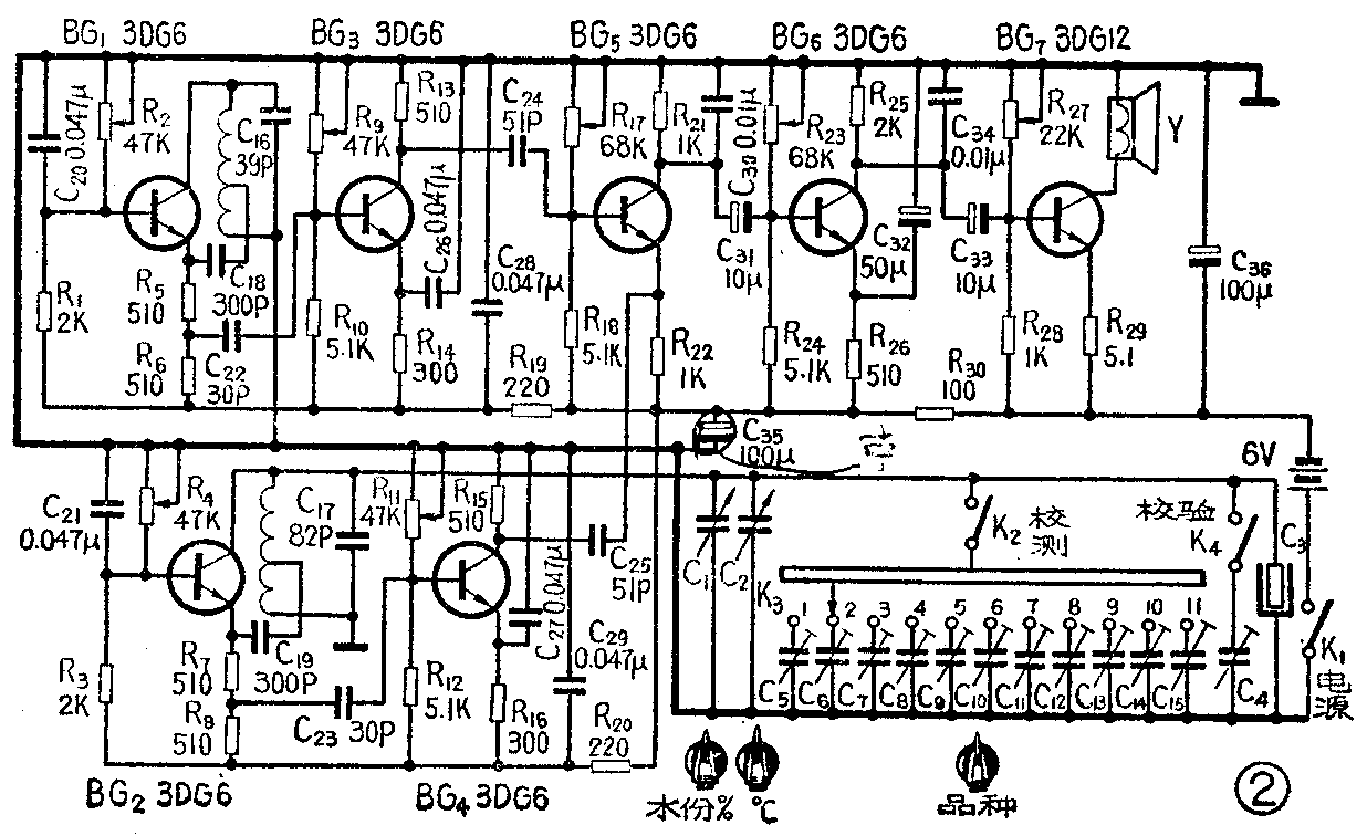
仪器的方框图见图1,电原理图见图2。仪器有两个振荡器,即由BG\(_{1}\)组成的固定振荡器和由BG2组成的可变振荡器,对振荡器的要求是振荡强度足够大、幅度和频率稳定。两个振荡器的结构基本相同,都是采用电感三点式振荡电路,电路的基本形式见图3。两个振荡器的发射极都接有较深的直流负反馈,以减少由于温度变化时对振荡器的影响。晶体管BG\(_{1}\)、BG2选用h\(_{FE}\)=40~80效果较好。



仪器的工作频率为20兆赫,采用较高的频率可以减少因粮食在传感器中排列的不均匀性而引起的测量误差,同时也可减少粮食本身含水量不均匀性的影响。BG\(_{2}\)的工作频率为10兆赫,利用它的二次谐波与固定振荡器产生差拍。采用二次谐波的目的最为了减少两个振荡器间的频率牵引现象。
为使振荡器稳定工作,采用了下面的一些措施:1、选用质量较好的元件;2.采用高Q值的振荡回路;3、减轻负载对振荡器的影响,减小负载与振荡电路的耦合程度;4、适当选择振荡线圈的抽头位置。
图2中BG\(_{3}\)、BG4为高频放大器。它的作用是将振荡器的输出信号加以放大并起隔离缓冲作用。BG\(_{5}\)是混频器,固定振荡信号由基极输入,可变振荡信号由发射极输入,经混频后,由C30滤掉高频,把差拍送入低频放大器BG\(_{6}\)和BG7,经放大后由扬声器中放出。
当固定振荡器与可变振荡器的振荡频率相同时,扬声器中无声。当在传感器C\(_{3}\)中装上粮食时,电容量增大,可变振荡器的振荡频率发生较大幅度的变化,与固定振荡器的差拍为超音频或高频,扬声器中仍无声。当调节水分测量旋钮,减小C1的容量,使可变振荡器的频率接近固定振荡器时,混频器中有差拍输出,扬声器即发出叫声,此时C\(_{1}\)的位置即代表了被测粮食的水分,可以从刻度上直接读出。当可变振荡器的振荡源率稍大于或稍小于固定振荡器的频率时,都能产生差拍声,因此仪器指示的水份是双值,一般情况下这两个差拍点是很接近的,为精确起见,可取双值的平均值。
用电测方法测定粮食水份时,其水份与温度的变化有关,如不加补偿,则在不同粮食温度的情况下测量时,会给测量结果带来附加的误差。本仪器采用较简单的手动补偿法,用调整C\(_{1}\)即调整测量起始电容量的办法来补偿温度的影响,温度补偿值与水份测量值标于同一刻度盘上,因此只需在测量时作一次“调温”,即可补偿因粮温不同引起的测量误差,而不必进行查表计算。
由于不同品种的粮食颗粒形状和物理性质也各有差异,为了使仪器既能测量多种粮食,又可使用单一的水份刻度,仪器还没有品种选择开关K\(_{3}\)。此开关有十一档,最多能测量十一种粮食,K3各档接有微调电容器C\(_{5}\)~C15与水份测量电容器C\(_{1}\)并联。对于不同品种的粮食,使用前只要用标准样品进行一次校对,调整C5~C\(_{15}\)使与水份刻度对准即可使用。
K\(_{4}\)是校验开关,此开关是工厂在产品调试过程中,用电容器C4代替粮食电容量,校验仪器用的。使用者也可用来对仪器的准确性和稳定性进行校验。在仪器正常使用时,K\(_{4}\)应处于断开的位置。
传感器是本仪器中关键性的部件之一,要求较高的机械加工精度和装配精度。它的结构见图4。图中a和b分别为传感器的内、外两个电极,是用薄型无缝钢管加工而成。c和d是支承内、外圆筒的支承板,是用玻璃纤维增强尼龙66模压而成,具有较好的机械强度,电绝缘性能也较好。在c和d之间有一用有机玻璃制成的插板e,用来放走被测的粮食样品,为减少分布电容的影响,插板e必须用绝缘板制成。在内筒a的顶端装有一用胶木压制成的顶帽f,顶帽成圆锥形,使粮食落在上面时均匀地弹散到内外筒的空间中,以减少重复测量误差。a和b两电极由高频电缆引出。按图4制成的传感器,最多可装粮食样品100克左右。

工作时在传感器上面安装一只装料整流器,它是一只用聚甲醛塑料模压成型的装有阀门的漏斗,被测粮食先倒在装料整流器中,打开阀门时,粮食即按自由落体的方式,以一定的流速规则地流入传感器中,用以减少重复测量误差。
使用方法
1.按被测粮食品种,将品种开关K\(_{3}\)放在相应的档位上,将校测开关K2放在“校”的位置;
2.将粮食样品称量后倒人装料整流器中;
3.根据粮食温度,将水份测量电容器C\(_{1}\)的指针旋到相应的温度刻度位置上;
4.缓缓旋动调温旋钮C\(_{2}\),寻找差拍声,将C2停在零拍点上,在测量过程中,此旋钮不能再旋动;
5.将K\(_{2}\)拨到“测”的位置,打开装料整流器阀门,使粮食流入传感器中;
6.旋动C\(_{1}\)寻找差拍点,将指针停在两个差拍叫声的中间位置,即读得被测粮食的水分。
7.在使用过程中要做到细、轻、准,即操作要细致;仪器要放稳,避免受到震动;称粮样、调温度、着读数时要准确。
8.仪器每年应与标准电烘箱法核对1~2次。(浙江嘉兴电子仪器厂)