四、观察振荡电路中振荡电流的波形
1.观察振荡电路中阻尼振荡波形。实验所用电路如图(a) 所示。电容C可采用纸介电容器,要准备容量为0.1μ、0.22μ、0.047μ等几种。电感线圈L选用型号为GEIB22铁心,其叠厚 24 mm,截面积 22×24(mm)\(^{2}\),用线径0.19的线乱绕制成,绕制数据见图c。层间不必垫绝缘材料。电感线圈L也可用带有铁心的线圈来代替,例如电源变压器的初级绕组,电子管收音机输出变压器的初级绕组和晶体管收音机用输入变压器的初级绕组等。

观察波形时,把示波器的“扫描范围”和“Y轴衰减”旋钮分别找到“10~100”和“10”档。“Y输入”和“地”接线柱分别接在测试点1、2上。这时将开关K扳在位置(1)使电源给电容C充电,然后再扳在位置(2)上让电容C通过电感L放电;适当调节“微调/相位”等有关旋钮,在屏幕上就显示出一个清晰的振幅逐渐减小的波形,即阻尼振荡的波形了,如图(b)。每扳动开关K一次,振荡波形就出现一次。为提高实验效果,也可采用如图示的装置使其自动化。

这个装置是利用自激多谐振荡器中三极管BG\(_{2}\)的导通和截止来带动继电器J动作的。当BG2截止时,J未吸合,常闭接点接通E\(_{c}\)、 C回路,给C充电;当BG2导通时,J 吸合,常开接点接通LC振荡电路,产生了阻尼振荡。二极管D是用于保护三极管的。电位器W是用于改变多谐振荡的周期的,调整W就能改变示波器屏上所显示的阻尼振荡重复的次数。由于所用继电器灵敏度较高(绕组电阻约l.8千欧,吸合电流1毫安左右),故给J串上一个限流电阻R\(_{4}\),Ec也用得较低。如果采用灵敏度较低的继电器时,R\(_{4}\)就可以不用,Ec也应适当提高。
在实验中,改变C的容量(换用0.047μ和0.22μ)或L的电感量(换接不同的抽头2、3,4)时,阻尼振荡的频率 f也就改变,L、C加大时,频率变低,反之频率升高。这样能定性地看出f=1/2π\(\sqrt{LC}\)的关系。
将 C增加到5~10μ,L接在抽头(1)上,这时是非周期性的放电,不再是周期性的阻尼振荡了。从而说明若LC电路中的损耗电阻R若大于2\(\frac{\sqrt{L}}{C}\),不能产生振荡电流;同时说明要降低振荡电流的频率,必须适当地加大电感L,而不能只加大C的容量。
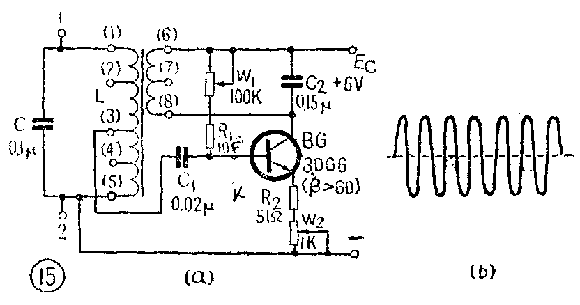
2.观察振荡电路中无阻尼振荡波形电路如图a)所示,它是一个共发射极变压器反馈振荡器。电容C和电感线圈L跟图的一样。C\(_{1}\)是隔直流电容。R1和W\(_{1}\)是偏置电阻,R2、W\(_{2}\)是发射极电阻,改变W2可改变放大器放大倍数。C\(_{2}\)是为了消除寄生振荡而设置的。三极管的放大倍数要选得大一些。

观察波形时,把示波器“Y输入”和“地”接线柱分别接在测试点1、2上,其他与观察阻尼振荡的波形一样。然后调节W\(_{2}\)使其阻值最小,再调节W1,这时在屏上就会显示出等幅的振荡波形,即无阻尼振荡的波形了,如图b)。
若无振荡波形,说明电路不起振,这时可将6、8两个头对调一下,电路即可起振。如果改变C或L,就可看到振荡的频率也改变了。
振荡器发生振荡以后,如果把反馈线圈的两个头6和8加以对调,即由正反馈变成负反馈,这时振荡便停止了。从而说明,要维持振荡必须是“正反馈”。把三极管BG集电极和反馈线圈的接线从8移到 7,或把电容C\(_{1}\)跟L的接头由3移到4,或调节W2增大它的阻值,这时振荡都要停止。从而说明,要维持振荡还必须是“正反馈的能量要足够大”。
五、观察调幅高频电流的波形
1.观察低频调制信号电流波形电路如图a)所示。音频信号发生器D的输出端接在输出变压器B\(_{1}\)的初级线圈上,在它的次级线圈上接入扬声器,这样,就可以利用它发出声音,做为调制信号源了。再把另一个扬声器接在输出变压器B2的次级线圈上,B\(_{2}\)的初级圈接在音频放大器输入端代替话筒,构成一个简单的扩音器。经验证明,B2用电子管收音机的输出变压器(如6P1、 6P6P的)效果较好。

观察波形时,把示波器的“Y轴衰减”和“扫描范围”旋钮分别放在“1”和“100~1K”档,“Y输入”和“地”接线柱分别接在测试点1、2上,开启音频信号发生器,让它发出声音。这时适当调节“微调/相位”等旋钮,在屏幕上就显示出这个声音的波形了,即调制信号电流的波形,如图b)。这时改变音频信号发生器的频率,就会看到波形的频率亦要改变,声音的音调也跟着改变。频率越高,音调也高。
2.观察调幅高频电流波形电路如图a)所示。不难看出,它是一个共基极变压器反馈振荡器。振荡线圈B采用了晶体管收音机用的成品中波振荡线圈SZZ\(_{1}\)或SZZ2,谐振电容C用470P~750P,这样振荡频率就在525~1620KHz范围内了,既能用示波器观察波形,又可以用收音机收听声音。音频信号发生器D的输出端引出导线,通过电容C\(_{1}\)接在振荡器的输入端,供给振荡器调制信号,做为调幅使用。

观察波形时,示波器的“Y输入”和“地”接线柱分别接在测试点1、2上,“Y轴衰减”旋钮扳在“1”档上,“扫描范围”旋钮暂放在“100-1K”档上,适当调节W和示波器上有关各旋钮,在屏幕上就会显示出高频振荡电流的波形了,由于这时扫描频率低,波形呈现为一个宽带。如果把“扫描范围”旋钮拨到“10K-100K”档,并把“X轴增益”调大,再适当地调节“微调/相位”旋钮,这时的波形是等幅的正弦波。
把“扫描范围”旋钮再拨到“100~1K”档,波形重新成为一个宽带,这时开启音频信号发生器,使之输入调制信号,并适当调节音频信号发生器的“音频增幅”旋钮和偏流电位器W,在屏上就呈现出清晰的调幅高频电流的波形了,见图b)。
要是转动音频信号发生器的“音频增幅”旋钮,改变调制信号的大小,可以看到调幅波的调幅度也要变化,当调制信号增强时,调幅度增大,反之减小。
将收音机放在靠近振荡线圈处,调整收音机的调谐旋钮,就会听到收音机发出的音频叫声。当增大调幅度时,声音增大;减小调幅度时,声音减小。要是去掉调制信号,收音机就不再发出声音了。通过这样的实验,就说明了调幅的作用。
六、观察调谐电路中振荡电流的波形
观察调谐电路中振荡电流波形的电路,如图示。由高频信号发生器G的“输出”和“地”接线柱上分别引出导线,接成闭合回路,套在调谐电路LC的磁性天线上。调谐电路与晶体管收音机用的一样。

观察波形时,把示波器的“扫描范围”和“Y轴衰减”旋钮分别拨到“100~1K”和“1”档。“Y输入”和“地”接线柱接在试测点1、2上。使高频信号发生器输出一频率在 535~1605 KHz范围内的调幅信号,并把“高频增幅”电位器拨到最大。然后缓慢地旋动调谐电路里的电容C,适当地调节示波器的有关旋钮,在屏上显出最大振幅的调幅波,此时把C向两边拨动,波形振幅都迅速变小。如果把信号发生器调到另一个频率上,这时屏上的波形立即消失,通过这一实验说明,只有当 LC调谐电路的固有频率与外来信号频率相同时,电路中才能感应出最大的电流或电压,即发生“电谐振”。当转动C时,电路的固有频率在变,因而能在其中产生“电谐振”的频率也在改变,这就形成了调谐电路的选择接收作用。
七、观察检波电路中信号电流的波形
观察检波电路中信号电流波形的电路,如图a)所示。由于经调谐电路LC接收的信号是很弱的,故增加一级高频放大器,将信号加以放大后,输入到检波器,这就有足够的强度供实验使用了。

调整高放时,把示波器的“扫描范围”和“Y轴衰减”分别置于“100~1K”和“1”档,“Y输入”和“地”分别接测试点1、7上。高频信号发生器输出一频率为700~1000 KHz的调幅信号,输出端接成一闭合回路,套在磁性天线上。这时转动调谐电容 C,并适当调节“微调/相位”等各有关旋钮,在屏上就显示出所接收的调幅信号的波形了,如图(19)(b)。再把“Y输入”接在测试点2上,观察输入到高频放大器的信号波形。由于接线电容及示波器输入电容等的影响,必须再转动一下调谐电容C,才能使接收到的信号波形振幅最大。如输入信号太弱看不到波形或波形振幅太小,就需要把高频信号发生器的“高频增幅”旋钮调大一些;反之如信号过强波形发生失真,就需要把“高频增幅”旋钮旋小些,使波形不失真为好。然后将“Y输入”接到测试点3上,“Y轴衰减”拨到“10”档,调节电位器W,使波形振幅最大而且不失真,调整工作就完成了。通过以上的调整还可以看出,信号经过放大器放大后,强度是大得多了。



观察检波电路中信号电流波形时,把示波器的“Y轴衰减”、“扫描范围”旋钮扳在“1”、“100- 1K”档,Y轴放大器耦合开关拨在“DC”档,“Y输入”和“地”接线柱先接在测试点4、7上,适当调节示波器各有关旋钮,在屏上即出现如图(19)(C)所示的信号被检波后截去一半的单向脉动电流的波形了。然后把“Y输入”改接测试点5上,则显示的波形如图(19)(d)所示,这时信号音频幅度变大,而且图形向屏的上方移动一段距离。这说明此时的信号电流包括有高频、音频、直流三种成分,接通开关K即并上检波滤波电容C\(_{4}\)滤掉其中的高频成分,则波形立即变得清晰多了,如图(19)(e)所示,说明此时只有直流和音频成分了。再把“Y输入”改接在测试点6上,用隔直流电容器C5隔断其中的直流,则波形立即返回到屏幕的中心,如图(19)(f),说明此时只剩下音频成分了。通过这一实验,清楚地看到了检波器的检波过程。(王兴乃)