三、中和电容
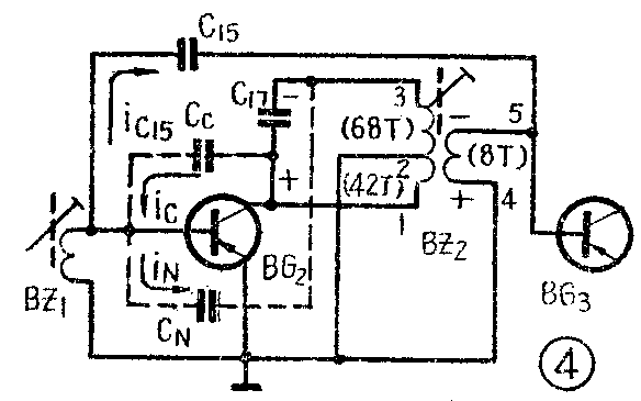
对收音机来说,中放增益是越高越好,但前题必须是放大器能稳定地工作。由于中放管BG\(_{2}\)、BG3的集电结电容C\(_{c}\)的作用,总是将输出信号反馈到输入端,如图4所示。如果反馈到输入端的信号与原输入信号相位相同,构成正反馈,就会使放大器工作在再生状态,轻则工作不稳定,重则自激、啸叫。要克服这一缺点,除了选用Cc较小的管子外,总是在中放级加上中和电容,即在管子外部人为地接上一个反馈电容,其反馈量大小与C\(_{c}\)的内反馈相等,相位则相反,以抵消Cc的内反馈作用。

图1电路中,中和电容C\(_{15}\)和C20都是从中频变压器的次级跨接到前级管子的基极,其工作情况仍见图4。因中周线圈的初、次级是同方向乱绕在“I”字型磁芯上的,初级1端为头,次级4端为头,如感应电压1端正,3端负,则次级是4端正,5端负,所以中和电容由次级5端跨接到基极,必然与C\(_{c}\)的反馈相位相反,只要适当选择C15、C\(_{2}\)0的大小(图1电路选用 15~20微微法),就可抵消(或是说中和)Cc的作用。中和电容的这样一种接法,很可能会接错(尤其有些中频变压器的处理品,有时引出头位置不一定与印制板相符),使初、次级信号不是反相,接上中和电容反而构成正反馈,使放大器工作不稳定或自激,这时只要将线头从线圈一头倒到另一头就行了。图4中虚线所示的中和电容器C\(_{N}\)的接法比较常见,也不易接错。
在实际调整时,中和电容器的数值不宜过大,否则会使中放增益下降。通常总是以调到放大器不自激为准。如收听某一电台,当在电台频率左右偏调时,应没有“嘘、嘘”声,若有的话,说明C\(_{c}\)尚未完全中和。有些Cc小的高频管用作中放管时,不一定会产生中放自激,这时也不一定要完全中和掉C\(_{c}\),倒可以利用它的很小的正反馈来提高中放增益和选择性。
四、来复低放
当我们收听远地电台或弱电台时,总希望收音机灵敏度高些,而收听近地电台或强电台时,却不希望灵敏度很高,只是要求杂音和干扰要小,放音要清晰些。为了满足这两种不同需要,图5电路中用了“远近程开关”K\(_{2}\)来控制第二中放级进行来复低放。

图5所示开关K\(_{2}\)是在远程位置。经D2检波得到的音频电流在电位器R\(_{18}\)上产生压降,调节电位器中心头A的位置,就可控制中心头对地之间的音频电压VAE的大小。电容C\(_{27}\)对音频信号可认为短路,中周BZ2的次级对音频信号的阻抗很小,相当于短路,旁路电容C\(_{19}\)也只对中频旁路,对音频却呈现很大阻抗,故电位器上取出的音频电压VAE可通过C\(_{27}\)和BZ2次级线圈,回送到二中放管BG\(_{3}\)的输入端b-e间(C21对音频短路),音频电压中的残余中频成分还可通过C\(_{19}\)短路到地滤掉。再看BG3的输出端,中周BZ\(_{3}\)的初级仅对中频信号谐振阻抗最大,对音频却阻抗很小,旁路电容C23也只对中频短路,对音频呈现很大阻抗,若忽略电池内阻,电池负端与正端可认为是交流同电位的,因而电阻R\(_{15}\)相当于并接在BG3管的输出端c-e间,成了来复低放的负载电阻,放大后的音频信号在R\(_{15}\)两端产生压降,经C24耦合到下一级低放去。
上述分析说明,BG\(_{3}\)管进行来复低放的过程,与它本身的第二中放的过程,只要工作点合适的话,两者是不会相互干扰的。另外也可看出,R14上串联的R\(_{13}\),无论对中频或音频信号都有负反馈作用(这在以后的低放电路中还要详细讲),改变它的大小,便可控制改大器的增益,以改善放大器的频响和失真。旁路电容C21必须用大些,让中频、音频信号均得到旁路,不致产生负反馈;若用小了就会产生音频负反馈,使来复低放的增益降低。图5电路中来复低放的增益有8~12分贝,因而使收音机的灵敏度也相应提高同一数量。
当开关K\(_{2}\)接到近程位置(K2a和K\(_{2b}\)连动,同时转换到下面接点上)时,检波后在R18上的音频信号V\(_{AE}\)经C27直接加到下一级低放BG\(_{4}\)的输入端,没有来复低放作用,所以灵敏度比K2在远程位置(上面接点)时要低。
五、中放的调整
1.中放管如何选择?中放管工作在465千赫,故要求管子的截止频率可以比变频管低些,一般只要使f\(_{α}\)>5兆赫,就可以满足使用了。中放管的β不宜过高,以免中放自激、啸叫,最好选取β=60~100,且应将β较高的管子放在第一级中放。中放管的Cc和反向饱和电流I\(_{cbo}\)越小越好,尤其是第一中放管。
2、直流工作点如何确定?六管机的两级中放,各有其特殊任务。从图1电路可以看出,第一级中放加有自动增益控制,第二级中放则兼作来复低放,因而直流工作点的确定必须考虑到两者不同的需要。
图6画出了中放级功率增益K\(_{p}\)与管子集电极电流Ic的关系曲线。曲线表明:随I\(_{c}\)增大,其中放功率增益大幅度增加,但到Ic=1毫安以后曲线就变得较为平坦,功率增益的增加就越来越不明显。根据图6曲线,考虑到第一中放是工作在小信号状态又加有自动增益控制,为了便于控制,应使功率增益随I\(_{c}\)的变化越明显越好,即Ic稍变化一点, K\(_{p}\)就有很大变化,因而应取曲线最弯曲的一段,即要选第一中放管的集电极电流为Ic2=0.3~0.6毫安。实际图1电路中BG\(_{2}\)管的Ic2=0.3~0.5毫安。而第二中放级,其输入信号较大又兼作来复低放,故必须使管子工作在线性区,以提供最大功率增益且不发生饱和现象,直流工作点就选得较高,如图1电路第二中放管BG\(_{3}\)选取Ic3=1.3~1.5毫安。一般如不加来复低放,则工作点可选低些,I\(_{c3}\)=0.6~0.8毫安即可,来复中放级工作点的调整,一定要防止强信号输入时出现阻塞现象。若调整不当,在音量开到最大、这一级输入信号最大时、喇叭中会产生“卜、卜……”的汽船声。出现这种阻塞现象的原因是这一级的音频动态范围太窄,在输入音频信号加大时,引起这一级中频信号严重失真所致。这时应适当降低Ic3,或适当加大负反馈电阻R\(_{13}\),以压缩输入音频信号幅度。

3.中频变压器如何选用?六管机用的三个中频变压器所要完成的任务各有其侧重点,第一、二级侧重于选择性、通频带,第三级中周则侧重于增益。因而这三个中周的圈数比和抽头位置都不一样,在装机时切勿装错。图1电路所用的中周BZ\(_{1}\)、BZ2、BZ\(_{3}\),其型号分别为SZP1、SZP\(_{2}\)、 SZP3(旧型号为T10A-1、T10A-2、T10A-3),外罩尺寸均为10×10毫米\(^{2}\),调节磁帽的色标依次为黄、白、黑色。图7为这三个中周的线圈图,根据回路并联电容为510微微法,按谐振频率f\(_{0}\)=465千赫所要求中周的初级电感量,确定其初级圈数N1~3均为110圈,线圈初次级均用φ0.08毫米的高强度漆包线乱绕在“I”字形磁芯上。 (金国钧)
