目前一般50瓦~100瓦晶体管扩音机,其额定输出功率都接近于末级晶体管的极限值。因此,当遇到一些瞬间冲击(如开关电源、拔插话筒、转换工作波段、输入信号过大等)或电源电压波动太大,就容易损坏功率管。为了避免这种现象发生,除正确使用和维护晶体管扩音机外,还要采取过载保护措施。这里向同志们介绍一个过载保护电路。经多次实验,证明效果较好,保护性能基本稳定可靠。
线路原理
这种过载保护电路,主要是使扩音机前置各级电源电压的正常供电或减压供电,由末级功率管过载与否来控制。过载控制电压自功率管发射极电阻上取样。扩音机正常工作时,取样控制电压不足以使保护电路动作,则前置各级正常供电,使机器正常工作。机器过载时,取样控制电压使保护电路动作(即翻转),前置各级电源减压供电,从而迅速减小功率管中过大的电流,保护了管子。当过载因素消失后,保护电路又能使电源对前置各级恢复正常供电,使机器自动转入正常工作。
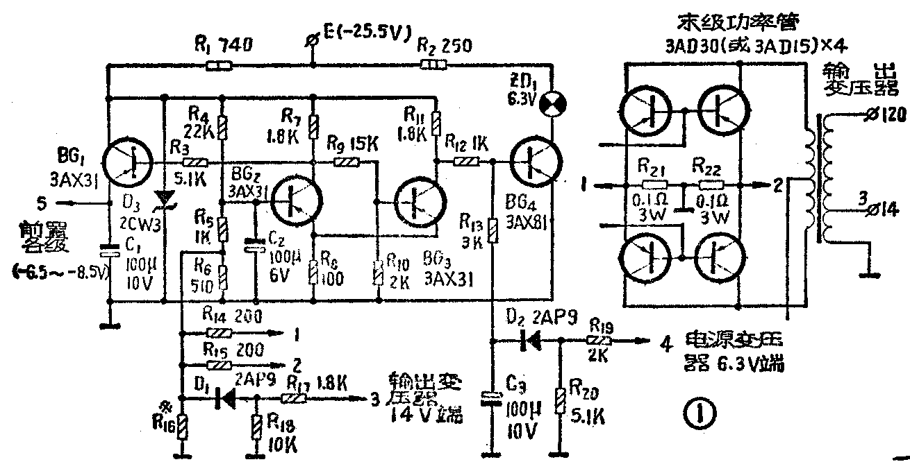
现以图1所示100瓦晶体管扩音机的过载保护电路为例,讲一讲线路的工作原理。

图1所示保护线路由电压供给、过载控制(即触发器)及过载指示三部分组成。电压供给部分由BG\(_{1}\)、R3、C\(_{1}\)组成一个射极跟随器,引线“5”(箭头所示)作为对前置各级的电源供给。过载控制部分由BG2、BG\(_{3}\)、R4~R\(_{11}\)、C2组成一发射极耦合双稳态触发器(即施密特触发器)。BG\(_{2}\)基极的控制信号经隔离电阻R14、R\(_{15}\)取自功率管发射极取样电阻R21、R\(_{22}\)上。扩音机正常工作时,R21或R\(_{22}\)上的电压约为-0.45~-0.65伏,在触发器门限电压以下,触发器不翻转。这时BG2截止,BG\(_{3}\)导通。BG2集电极电压约-7.5伏,通过R\(_{3}\)至BG1基极,使BG\(_{1}\)导通,则总电源E经R1、BG\(_{1}\)向前置各级供电约-6.5~-8.5伏。当扩音机因输入强信号过载时,R21、R\(_{22}\)上的取样控制电压将超过触发器的门限电压,触发器立即翻转,BG2导通,BG\(_{3}\)截止。这时BG1发射极仅有-3伏左右的输出,大大降低了前置各级的电源电压,使末级输出也大为减小,约为65~90伏(额定输出应为120伏),从而有效地保护了功率管。
过载指示部分由BG\(_{4}\)、R12、R\(_{13}\)R19、R\(_{2}\)0、R2、ZD\(_{1}\)、D2、C\(_{3}\)等组成。扩音机正常工作时,BG4截止(因BG\(_{3}\)导通,BG4基极无偏压),指示灯ZD\(_{1}\)不亮。当扩音机过载时,保护电路动作,BG4导通,ZD\(_{1}\)亮,以提醒操作人员注意。从电源变压器6.3伏端经引线“4”引入了正电压是为使BG4在常态下可靠地截止,防止发生误指示。调整R\(_{19}\)、R20的分压比,可使BG\(_{4}\)得到适当的截止偏压。为了使保护电路工作稳定,其电源电压经D3稳压后供给(实际与收音部分公用)。
保护性能
100瓦晶体管扩音机的额定输出电压为120伏(定压),过载保护电压值一般调在略高于此值(125~135伏之间)。在保护性能方面,除了能保护因瞬时冲击等引起的过载外,我们还作过如下试验:
①强信号过载。即将输入信号增大到正常值的数十倍(我们曾增大到60倍以上),保护电路照样有效工作。这时输出电压被抑制在90伏以下,信号并不失真。
②重载试验。即使实际配接的负载阻抗小于机器的输出阻抗(144欧),这时保护电路也能正常工作,其保护动作电压动作规律见表四。

③负载短路。机器在零信号、正常信号、过载信号等三种情况下,将负载突然短路,保护情况良好。我们对几十台机器作过这样的试验,没有发生过损坏功率管的现象。
图1中BG\(_{2}\)的基极还从输出变压器次级14伏端引入一路正极性的控制电压,它与自R21、R\(_{22}\)上引入的负极性取样控制电压在R16上分压叠加。在正常工作情况下这个叠加电压仍呈负极性,但当负载短路时,正电压部分自行消失,BG\(_{2}\)基极上负的取样控制电压增大,保护电路提前动作,使保护作用更安全。为了检查保护电路在负载短路后的安全性能,可在保护电路调整正常后,断开正极性电压,保护电路应提前动作,一般在90伏以下为好。
④电源电压变化试验。以交流电源电压220伏为基准,变化电压由-20%~+10%,保护作用正常。具体试验数据见表1。试验条件是测试信号频率为1千赫;额定输出电压为120伏;过载保护动作电压调试在130伏。

⑤温度变化试验。在烘箱内,使温度在14℃~50℃内变化,机器连续工作三小时左右,保护作用正常,试验数据见表二。
⑥频率变化试验。输入信号频率在150赫~6000赫范围内变化,情况正常,保护动作电压变化范围是108~130伏。
⑦调整。保护电路的调整是在负载接高阻(144欧,即120伏端)情况下进行的,在低阻(2欧,即14伏端)情况下测试,情况正常,保护电路在14.5伏左右即动作。
\(_{安}\)装注意事项
①末级功率管必须按照技术要求严格配对,尽量使之平衡对称。
②保护动作电压与负载阻抗有密切关系,要求匹配准确。如因条件限制不能满足时,可以将负载稍微加重(即实际负载阻抗应略低于机器的输出阻抗),切忌轻载工作,否则保护动作电压将向高偏移,超离安全范围,甚至失灵。
③保护电路触发器的晶体管BG\(_{2}\)、BG3,其β值大于或等于40即可,反向电流越小越好。
④射极耦合双稳态触发器本身存在一个“回差”现象,如图2所示。合理利用此“回差”现象可以使保护作用更为安全。比如:原来机器末级输出超过130伏时保护电路立即动作,减压输出。当过载信号减小到欲使输出电压在130伏左右时,保护电路并不立即恢复,机器仍是减压输出,只是在它更小一些,如小到100伏左右时保护电路才恢复正常,使机器重新正常工作,可见,这样就更安全了一点。

“回差”较小时,保护电路翻转频繁,输出电压时大时小,过载指示灯时亮时灭。当过载因素消失后,才恢复正常,指示灯灭;“回差”较大时,保护电路不频繁翻转,过载指示灯一直亮,机器处于减压输出状态(65~90伏),只有当过载因素去掉或输入信号小到一定程度时,保护电路才恢复,指示灯灭。显然,“回差”较大的保护效果好,应取这种工作状态,可用改变触发器电路元件的办法,如增大R\(_{7}\)阻值,或增大R7+R\(_{9}\)R10的比值,或借调整R\(_{4}\)的阻值等来实现。不过这时应将BG4的I\(_{c}\)值调到小于100毫安为妥,以免将BG4损坏。
⑤晶体管扩音机虽然加装了过载保护电路,但在实际使用中不要麻痹大意,仍应注意合理使用和维护。
表三列出了对23台100瓦晶体管扩音机改装过载保护电路后的规律测试,供参考。

如果想在其它类型的扩音机上加装此保护电路,也可以根据上述原理进行设计。首先在末级功率管发射极回路中接取样电阻(R\(_{21}\)、R22),数值在0.1~0.15欧范围,功率为3瓦,可用粗电阻丝绕制。然后将直接供电的前置各级从供电点断开,改经保护电路BG\(_{1}\)发射极供电。
关于触发器电路参数的选择,其电源电压可略高于前置各级,集电极饱和电流选5毫安左右为宜。在图1电路中,当调整保护电路的动作电压时(即触发器的门限电压),一般是调整R\(_{16}\),这个电阻的阻值一般在几十欧至数百欧。
图3为50瓦晶体管扩音机的过载保护电路。与上述不同之处是,由于本机前置电压较高,负载较重,故增加了一级射极跟随器。多了一只稳压管。省掉了过载指示部分。在触发器中去掉了正控电压(实际作短路试验,效果仍然较好)。保护动作电压通过调整R\(_{6}\)来实现。

50瓦晶体管扩音机在高阻输出250欧时额定输出电压为112伏,表四为在这个输出端配接比它的输出阻抗低的负载时所做的试验。(湖北宜昌无线电厂 陈立勋)