为了适应生产中某些自动控制、计数、传动限位、故障保护等的需要,我们应用电磁感应原理,与脉冲电路配合,试制成电磁感应式晶体管无触点开关(简称磁感开关)。
构成磁感开关的主要部分是一个由感应线圈和适当的磁体组成的发信器。它与相应的触发器和输出电路配合而成开关单元,如图1所示。发信器的结构有以下几种:

1.将感应线圈L绕于一U型永久磁铁Z上。另有一铁磁金属片F在磁铁空气隙端面附近,与磁铁以一定方向作相对位移,见图2(a)。

2.独立绕制的无心感应线圈L(或与触发器等构成一整体),与一永久磁铁Z以一定方向作相对位移,见图2(b)、2(c)。
3.将无心感应线圈放在交变磁场中。或二者作相对位移。
根据电磁感应原理,不论上面那一种情况,L中都将有感应信号产生。如果F(或Z、L)和被控对象联动,感应信号电压便会和被控对象机械位移的速度和行程相对应。因此,只要在发信器后接上适当的触发器和输出电路,便构成具有不同功能的开关单元了。
根据实际需要,触发器可选用单稳、双稳、射极耦合双稳等电路。输出电路通常采用反相器或射极跟随器。负载可以是继电器、可控硅、门电路等,主要是以一般电力驱动自动控制中的小容量控制器件为对象来考虑的。电源部分如对开关重复定位精度要求不高,只要简单的整流滤波就行了。

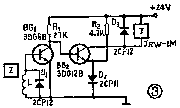
看一个应用的实例。图3是一个计数发信器,应用于具有50℃~60℃温度及腐蚀性液体工作环境的造纸机上,检测和发送计数信号。发信器采用图2(c)形式。Z系利用原吸附在造纸滚筒侧面的“纸端”定位磁铁(磁感应强度大于1000高斯),L用0.06漆包线乱绕6500匝。发信器和二级反相器构成开关单元。每当Z随滚筒旋转一周扫过L时,BG\(_{1}\)导通,BG2截止,继电器动作一次。D\(_{1}\)用以去除信号中无用的负脉冲,对BG1有保护作用。D\(_{2}\)及R2,为BG\(_{2}\)提供反偏压,使它截止可靠。这个计数开关在工作线速度为0.48米/秒~9.9米/秒时,应答距离为15毫米~55毫米。
磁感开关除和一般无触点开关同样具有反应快、工作频率高、无机械碰撞等优点外,还具有下面几个特点:1.能实现多样化的开关功能。发信器与不同触发器配合,能制成各种功能的开关单元(如延时速度、方向的比较鉴别等)。2.有较强的适应性。一般情况下,发信器精度基本上和温度无关,可应用于温度较高的场合;发信器的抗干扰能力较强,并能与开关其它部分分开安装,用较长导线联结,可应用于空间地位受限制的场合和机械振动较强烈的工作环境。3.应答距离(开关的有效动作范围)能满足一般要求。当发信器采用上面介绍的前两种方式时,应答距离与被控对象的工作速度有关,实践证明,在工业上常见机械运动速度范围内(如0.01米/秒~15米/秒左右),灵敏度还是比较好的。速度越高越好。在速度太低时,灵敏度较差。若发信器用第三种形式,就不存在这个问题。(上海医疗器械八厂工人 罗韶华)