问:电视图象在垂直方向能同步,但图象上下微微抖动,调垂直同步旋钮也不解决问题,为什么?
答:这种故障多半发生在场扫描振荡或输出级的栅路。因为场扫描频率低,栅路电容、电阻的数值大,容易受漏电等不稳定因素的影响。例如在场扫描振荡级,与栅极相接的几个电容如果有漏电,会影响场扫描的相位及所生锯齿电压幅度的稳定,而相位与幅度的微小变化就会影响输出级输出的锯齿电流的稳定,从而造成图象上下微微抖动。同时栅路调整场扫描频率(即场同步)的电位器如果有接触不良、阻值不稳也会造成同样的效果。对于场扫描输出级,如果隔直流电容有少许漏电或栅漏电阻阻值不稳定,也都会造成输出锯齿电流的不稳定。有时这两级的电子管老化会造成栅流不稳定,甚至管座上灰尘污物过多造成管脚间漏电等都会出现类似的故障。(张家谋答)
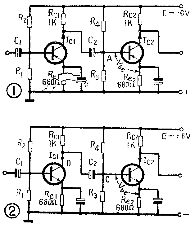
问:晶体管收音机前置放大器的级间耦合电容的极性如何接法?
答:因为电解电容器有正、负极性,所以在线路中应把它的正极接电路的高电位,负极接线路的低电位。如果接错会使电容器击穿。对于旁路电容或电源滤波电容,它们一般都有一端直接接在电源上,所以根据电源极性很快可以确定这些电容的正确接法。对于级间耦合电容我们可以这样来确定其极性接法:图1是两个PNP型锗晶体管组成的共发射极前置放大器。因为锗管发射结的正向压降约为0.2伏,而发射极电流可认为近似等于集电极电流,所以第二个管子基极A点的电位U\(_{A}\)≈-Ic2R\(_{e2}\)+Vbe,取I\(_{c2}\)=1.5mA,则UA≈-1.22伏;第一个管子集电极B点电位U\(_{B}\)=E+Ic1R\(_{c1}\),取Ic1=1mA,则U\(_{B}\)≈-5伏,很明显A点比B点的电位高,所以电容器的极性应A正B负。图2是两个NPN型硅晶体管组成的共发射极前置放大器。C、D为耦合电容的两个接点。取Ic1=1mA,I\(_{c2}\)=1.5mA,Vbe≈0.7伏,则U\(_{C}\)≈Ic2R\(_{e2}\)+Vbe=1.72伏;U\(_{D}\)≈E-Ic1B\(_{c1}\)=5伏,D点电位高于C点电位,所以电容器的极性应D正C负。如果手头有万用表的话,可以量一下接电容器的两个点的电位高、低,以便确定所接电容的极性。(图1中“B”漏标)(陈力、田孝宏答)

问:为什么有的晶体管收音机采用双调谐中周变压器,它和普通中周变压器有何不同?
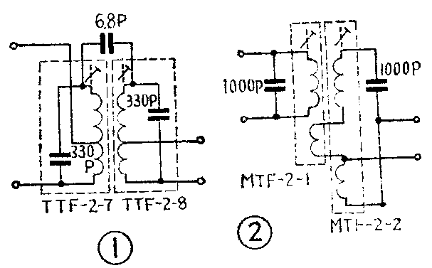
答:一般的晶体管收音机是采用三只单调谐回路的中周变压器,就可以满足对选择性的要求。但单调谐回路中周变压器的通频带和选择性之间有矛盾。Q值越高,选择性越好,通频带就越窄。通频带过窄,音质就变差。
有些收音机要求较高的选择性和较宽的通频带,就必须采用双调谐回路中周变压器来解决选择性和通频带之间的矛盾。双调谐中周变压器是由二只具有单调谐回路中周变压器、通过外电路相互耦合而组成。耦合形式有电容耦合和电感耦合两种,其电路结构如图所示。凯歌4B15型收音机采用电容耦合双调谐中周变压器,红波151型收音机采用电感耦合式双调谐中周变压器。

根据收音机的要求,可以任意选用由一级或二级双调谐中周变压器组成的中频放大电路来改善整机性能。(俊华答)
问:双连电容器的两组定片是不是可以任意接输入回路和振荡回路,为什么?
答:双连电容器有等容、差容两种。多波段收音机多用等容双连电容器,一般可以任意接入输入回路和振荡回路。通常把靠旋钮一边的定片接入输入回路,把另一组接入振荡回路。因为振荡频率比接收信号的频率高,所以选台时手的感应电容对振荡回路的影响较大,造成调谐不准。所以把靠近旋钮一边的接输入回路较好。
对于单波段差容式双连电容器则不能任意接输入回路和振荡回路。因为输入回路和振荡回路的振荡频率都是按一定的调谐电容设计的。若调换后,等于谐振电容改变,破坏了差频关系和跟踪状态,使收音机无法正常工作。这种差容式双连电容片数较少的一组接振荡回路,片数较多的一组接输入回路。(小群答)