有线广播上用的线间变压器,次级接头比较好接,只要找到线间变压器的次级阻抗与喇叭音圈阻抗相同的一档接上即可。但在接初级的时候,因为初级有六个抽头,有些变压器在外壳只标上它们的顺序号1、2、3、4、5、6,使用时,往往是根据所要匹配的阻抗去查该变压器的接线表,来决定如何连接,这样做比较麻烦。
为了在没有接线表的情况下,也能根据所要匹配的阻抗尽快决定如何连接,这里介绍只经简单计算,就能知道怎样连接的方法,计算结果与查接线表的结果完全相符。
计算方法是:
①如图1所示,先将线间变压器的初级定出“1”与“\(\sqrt{2}\)”。不论是10~25瓦或3~5瓦的变压器都是如此定法。

②将需要与扩音机匹配的阻抗Z\(_{初}\)及线间变压器的功率常数K代入下式
公式(1)中,对于10~25瓦线间变压器K=250;对于3~5瓦线间变压器K=500。
③将用公式(1)算出的数,近似地分成1与\(\sqrt{2}\),根据图1找出应用哪几组绕组。如果得出的数等于1与2的和,则找1与\(\sqrt{2}\)对应的绕组串联使用就是所要匹配的阻抗;如找出的绕组只用到初级的一组线圈时,则应与性质相同的另一组绕组并联使用。
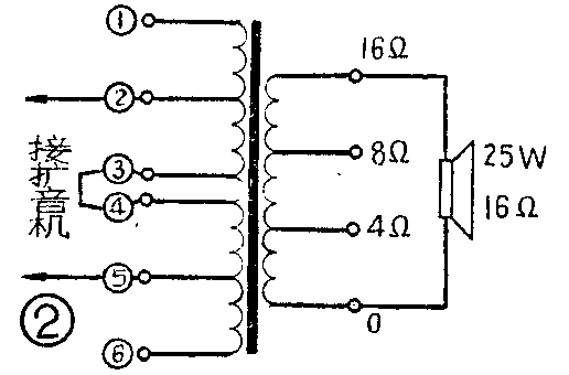
例1:有一只25瓦16欧喇叭,应与扩音机匹配的阻抗是2000欧,求线间变压器的接法。
解:Z\(_{初}\)=2000欧,K=250,根据公式(1)得:
\(\sqrt{8}\)=4·\(\sqrt{2}\)=2+\(\sqrt{2}\)。
对照图1,则应使用L\(_{2}\)和L3,即将L\(_{2}\)、L3串联使用,如图2所示。

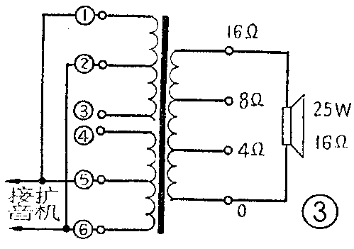
例2:有一只25瓦16欧喇叭,应与扩音机匹配的阻抗是250欧,问线间变压器如何连接?
解:\(\frac{\sqrt{Z}}{_{初}}\)K=250;250=1
对照图1只用到L\(_{1}\)绕组,则应找与L1相同性质(都是定为“1”)的L\(_{4}\),与之并联使用,如图3。

例3:有一只5瓦4欧喇叭,应与扩音机匹配的阻抗是12000欧,求线间变压器的连接法。
解:\(\frac{\sqrt{Z}}{_{初}}\)K=12000;250=\(\sqrt{24}\)=4.89≈1+1+2+\(\sqrt{2}\)。
对照图1,应将L\(_{1}\)、L2、L\(_{3}\)、L4串联使用,如图4。

这种计算方法的推导过程是:
以10~25瓦线间变压器为例,如图1所示,L\(_{1}\)和L2的总阻抗为
Z\(_{1、2}\)=(\(\sqrt{Z}\)1+Z\(_{2}\))\(^{2}\)…………(2)
将(2)式两边开平方得:
\(\sqrt{Z}\)\(_{1、2}\)=Z1+\(\sqrt{Z}\)\(_{2}\)…………(3)
由于10~25瓦线间变压器的L\(_{1}\)绕组的阻抗Z1=250欧,L\(_{2}\)的阻抗Z2=500欧(且Z\(_{1}\)=Z4,Z\(_{2}\)=Z3)。则:
\(\sqrt{Z}\)\(_{1、2}\)=250+\(\sqrt{5}\)00=250+\(\sqrt{2}\)·250…………(4)
将(3)式两边除以\(\sqrt{25}\)0,得:
从(4)式和(5)式可看到,关键是\(\sqrt{25}\)0和500中有一个公因子\(\sqrt{25}\)0,这个公因子250就是前面所讲到的\(\sqrt{K}\)。因此,我们就可以以“1”代表L\(_{1}\)绕组,以“2”代表L2绕组(由于L\(_{1}\)=L4,L\(_{2}\)=L3,所以“1”同时代表L\(_{4}\)绕组,“\(\sqrt{2}\)”同时代表L3绕组),以“相加”代表两绕组串联。(胡泉)