有线广播的信号是靠广播线路来传输的,当线路发生短路故障时,一般还不容易直接看出来的。我们按照磁感应原理,采用普通的元件,经过多次试验,制作了一个短路故障检测仪。假如某条线路出现短路故障,只要打开扩音机,给出现短路故障的线路送出信号,带上这个仪器查线,就能很快找到短路故障点。
这个仪器可以检测广播单线回路、双线回路及多线回路的短路故障。当广播线中流过250毫安以上的音频电流时,在距广播线垂直距离20米以内,用该仪器就能清楚测听广播声音。由于采取了必要的措施,可以防止附近50周电力线干扰。
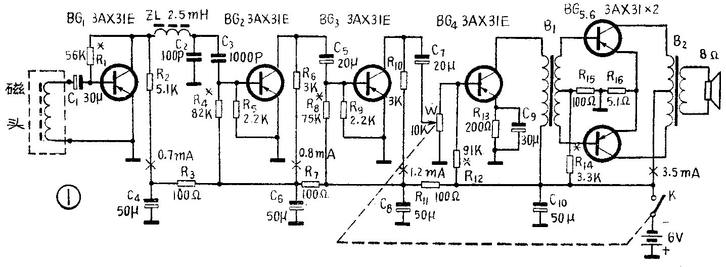
工作原理
短路故障检测仪的电路见图1,其结构可分两个部分,第一部分是左边虚线框中的接收磁头。为了提高灵敏度,采用了电视机行输出变压器的“U”型铁氧体做磁头的铁心。第二部分是一个普通的半导体放大器(虚线框右边部分)。

测试原理是:当有音频电流流过广播线路时,在广播线周围就会产生交变的磁场。交变磁场能够向外辐射,流过导线的交变电流越大,频率越高,导线周围的交变磁场就越强,交变磁场辐射就越远。当辐射出来的交变磁场的磁力线穿过磁头时,磁头线圈两端就会产生感应电动势,如果接通线圈两头就会有感应电流流过线圈。由于铁氧体铁心的导磁率比空气的导磁率大许多倍,所以提高了磁头线圈的感应电动势。如果把这个感应电动势接到半导体放大器的输入端,经过几级放大,就能在耳塞机中听到有线广播的声音。
图1中C\(_{3}\)是用来抑制50周电力线干扰的。这个电容值如取得过大,抑制50周干扰效果不好;如取得太小,会使音频信号衰减过大,降低测试灵敏度,一般取1000P~4700P比较合适。
扼流圈ZL和电容器C\(_{2}\)是用以阻止广播电台信号干扰的。在远离电台的地方可以省掉。
怎样查找故障点呢?我们知道,如果线路某处发生短路故障,则由故障点到扩音机输出端的线路上的音频电流就会增大,由音频电流产生的交变磁场就会增强,如果用这个仪器去检查,在耳塞中听到的声音就越响。根据声音的大小,沿着广播线路很快就可以找到故障点。
制作方法
制作接收磁头可以采用三种方法:
①用电视机行输出变压器的“U”型铁氧体做铁心,在铁心的中部用直径为0.23毫米的漆包线绕一个900圈的线包(如图2),做成一个开放式的磁头。

②用三根13×4.5×100(毫米)的扁磁棒(用其它扁磁棒也可以),按一定的尺寸打断,用万能胶粘成和电视机行输出变压器形状一样的“U”型铁心,再用直径为0.21毫米的漆包线在铁心上绕1500圈,其效果也不错。
截断磁棒时,每根磁棒截成五段:第一根磁棒截成52毫米、23.5毫米、23.5毫米;第二根磁棒截成43毫米、28毫米、28毫米;第三根磁棒截成34毫米、32.5毫米、32.5毫米。截断后,将每段磁棒的断处在宽钢锉上磨平,然后用万能胶将各段磁棒粘叠成“U”型铁心(如图3所示)。

③用10瓦线间变压器的硅钢片铁心代替,这时应将铁心的横条去掉,取其“Ш”型部分,然后在舌条上用直径为0.17毫米的漆包线绕上2500圈(如图4)即可。

B\(_{1}\)2可以采用输出阻抗为8欧的晶体管收音机的输入、输出变压器。仪器的装配图如图5所示。接收磁头如果采用“U”型铁氧体磁心,仪器的所有元件可以装在一个晶体管收音机机壳内,携带方便。

使用方法
使用仪器寻找广播线路短路故障的时候,必须打开扩音机,给出现短路故障的线路送出信号,然后进行查线。因此,本仪器适用于用定压式扩音机播音的有线广播站或放大站。
例如,正在播音时,若发现线路出现短路故障(扩音机的屏流大大增加或跳高压),可调节扩音机的音量控制电位器,使屏流表指示在250~300毫安之间。然后,查线人员就可以在与广播线垂直距离20米以内,沿着广播干线走去,适当调整仪器的方向,就能在耳塞中听到很响的广播声音。如果声音突然不响或显著减小,则短路故障点就在声音突变前的地方。如果该处是支线短路,则要继续跟踪,若在同一处有多路支线时,就沿声音最响的支线走去,直到查出故障点为止。当短路故障排除后,线路恢复正常,扩音机的屏流立即减小,用仪器听到的声音也就比较小了。
用仪器查找广播双线回路、多线回路的短路故障点的方法和上面讲的基本一样。不同点是:①如果某一双线回路,甲线在某处发生对地短路故障,隔一段距离乙线又发生对地短路故障,则可用仪器先找出离扩音机较远处的乙线通地故障点,然后在机房将乙线暂时接地,同样可以找到甲线的通地故障点。②如果在同一线杆上架设有多路广播线,那么在测有短路故障的线路时,最好是在停播后给有短路故障的线路送出信号,然后再去查找;如果有备用扩音机的广播站,可在播音的同时,单独给有短路故障的广播线送出一个与播音节目不同的信号,然后再去查找。因为有干扰,查找要困难些。(郭振芳)