高温季节里,许多场所需要通风降温。把通风设备由人工控制改为自动控制,既节省人力又节约电力。我厂一个配电室有许多可控硅设备,无专人值班。由于较多的发热元件集中在一起,室内温度较高,往往影响设备的正常工作。为此,我们安装了自动控制的排风扇,取得显著效果。
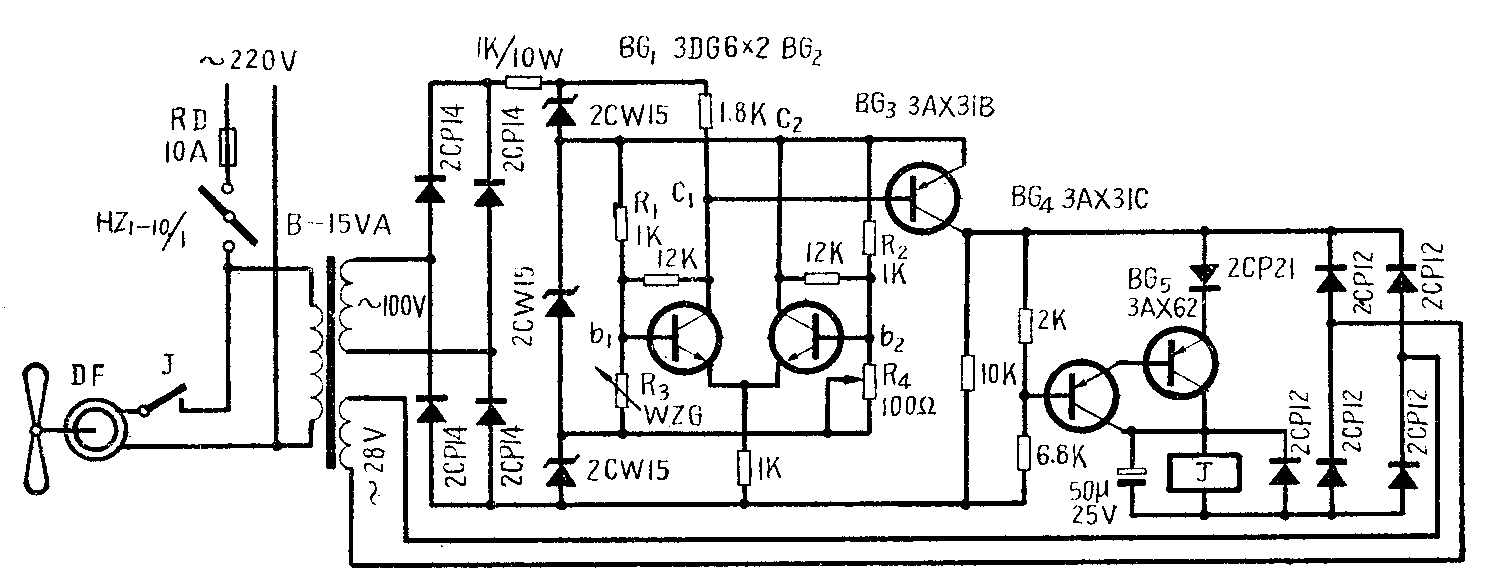
自控电路如图所示。BG\(_{1}\)、BG2组成差分放大电路。输入信号由R\(_{1}\)~R4组成的电桥供给,其中R\(_{3}\)是测温元件——铜热电阻,其阻值随温度升高而增大。执行元件——继电器控在BG4、BG\(_{5}\)组成的复合管输出电路中。在某一温度下,恰使R1=R\(_{2}\)、R3=R\(_{4}\)时,电桥无输出,差分放大器输出端C1、C\(_{2}\)间无电位差,BG3截止,BG\(_{4}\)、BG5也处于截止状态,继电器J释放。环境温度升高后,R\(_{3}\)阻值大了,电桥平衡被破坏,b1点电位高于b\(_{2}\)点电位,差分放大器输出端C1点电位降低,BG\(_{3}\)、BG4、BG\(_{5}\)均导通。当BG5趋于饱和时,继电器J动作,其常开触点闭合,接通电风扇电源,电风扇自动启动。随着热空气不断排出,环境温度逐渐下降,R\(_{3}\)阻值也随之减小。当R3≤R\(_{4}\)时,电路中发生与上述相反的过程,导致BG3、BG\(_{4}\)、BG5均截止,J释放,常开触点打开,切断电风扇电源。调节R\(_{4}\)阻值大小、可以控制电风扇启动时的环境温度。

由于环境温度变化是比较缓慢的,继电器J不会出现频繁动作的现象。
图中R\(_{3}\)为WZG型铜热电阻(分度号G),R0℃=53欧,R\(_{2}\)0℃=57.5欧,R40℃=62欧。如改用铂热电阻(WZB),灵敏度会更高。继电器J用JQX-10F型,直流电阻350欧,吸合电流65毫安。DF为400毫米电风扇。若电风扇电机功率较大,可用接触器控制,J作中间继电器用。电源部分是利用手头现有的15伏安变压器,如仿制时,应根据实际情况,本着节约的精神选用,要求不一定那样高。(天津建华拔丝厂电工组)