晶体管起外差收音机本机振荡的幅度,一般应控制在一个合适的幅度上。振荡过强会产生啸叫,振荡过弱灵敏度就会降低。但是由于电源电压的变化和温度的影响,本机振荡的幅度往往很不稳定,这对于装修收音机的同志来说,往往是一个不好解决的问题。
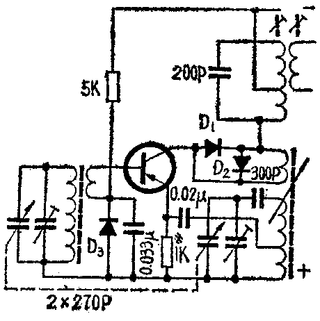
我们通过多次试验,发现在振荡线圈的回授线圈上接入两个二极管(如图所示),用二极管限幅的方法能得到比较满意的效果。

增加了两个二极管以后,变频管或振荡管就可以选用β较高的管子,并且振荡幅度可以调的强些。那末振荡幅度怎样稳定呢?我们知道,采用的两个锗二极管的正向压降约在0.15伏~0.20伏之间。假设我们用的两只管子正向压降为0.17伏,那末,当振荡在正半周时,回授线圈上高于0.17伏的电压就会被二极管D\(_{2}\)旁路;在负半周时,高于0.17伏的电压会被二极管D1旁路。又因为二极管当尚未导通时,即二极管的正向电压小于0.17伏时,管子不导通,正向电阻很大,对电路不起作用,所以回授线圈两端电压能始终稳定在0.17伏左右(具体大小由二极管正向特性决定)。振荡波形会不会是平顶的呢?不会。这是因为当刚接上二极管时,由于振荡较强,可能暂时出现削顶现象,但由于电路是一个正反馈电路,回授电压降低,必然会使振荡回路电压也降低,输入到振荡管发射极的电压也会跟着降低,回授线圈上的电压也就降低了,从而使振荡电压稳定在一个比较合适的水平上,振荡波形基本上是好的。
采用这种方法有下述几点好处:①能稳定振荡幅度。我用这种方法安装了一台收音机,当电源电压从2伏提高到8伏时,灵敏度和音量稍有提高,但并无啸叫现象。②可使整个波段振荡比较均匀,过去的电路在中波段时,往往是高端振荡强,低端振荡弱。如果照顾了高端,低端振荡就太弱;如果照顾了低端,高端又容易自激。采用了这个方法就较好地解决了这个矛盾。
图中硅二极管D\(_{3}\)的作用是可稳定变频管的基极偏压,可用废硅三极管的一个结代替,也可用一个电阻,不过用硅二级管效果较好。二个二极管D1、D\(_{2}\)均为点触式锗二极管,选择时应使二个管子的正向特性尽量一致,否则振荡波形正负半周会不太对称,但试听效果是听不出来的。(蔡万顺)