我们知道,一般晶体管(即双极型晶体管)是通过控制其基极电流的大小而达到使集电极电流变化的目的;由于它的输入阻抗不够高,所以需要信号源提供一定的电流才能工作,这是一般晶体管的一个缺点。场效应管可以克服这个缺点。场效应管具有输入阻抗高、噪声低、动态范围大和低温度系数等优点,所以现在已广泛应用于各种电子线路中。场效应管分结型场效应管和绝缘栅场效应管两种。绝缘栅场效应管本刊已在1974年第1期作了介绍,现将结型场效应管的原理及其应用作简单介绍。
工作原理
在一块N型硅棒两端引出电极,分别称为漏极(D)和源极(S),又在硅棒的两个侧面各制作一个P区,引出电极并连接起来称为栅极(G),这样就构成一个结型场效应管。它的结构和所加电压如图1(a)所示,图1(b)为它的代表符号,这种场效应管称为N型构道结型场效应管。

从半导体的基本知识中我们知道,在P型半导体和N型半导体的交界面处形成PN结,有一定的厚度并且结厚随着外加电压的变化而变化;也就是说,反向偏压越高,PN结就越厚。由于结层附近的区域里载流子(电子或空穴)很少,很难导电,称为耗尽区(或叫阻挡层)。耗尽区的厚度随着外加反向偏压的增加而变厚。因加在结型场效应管栅极上的电位是负的(图①a),所以栅极和漏源之间的PN结均为反向偏置。在PN结交界面形成的耗尽区,其厚度随所加负栅压的大小而变化。两个耗尽区的中间区域是漏源间的导电沟道。可以看出,当漏极电源电压ED和电阻R\(_{D}\)一定时,如果栅极电压愈负,耗尽区就愈厚,导电沟道就愈窄,漏极电流ID就愈小,也就是漏极电流I\(_{D}\)随着栅极电压的变化而变化;如果在漏极接一大的电阻RD,就可以从它的两端输出一个很大的电压变化,所以场效应管具有放大能力。
当栅偏压值负得更多时,漏源极之间沟道变窄,甚至两边耗尽区完全合上,导电沟道消失,则漏源电流I\(_{DS}\)=0,这种现象称为夹断.这时所加的栅极电压称为夹断电压UP,栅压为零时,漏源两极之间导通,栅压足够负时,漏源两极之间不导通,这就是结型场效应管的开关作用。
参数和特性曲线
结型场效应管的主要参数有以下几项:
(1)在一定的漏源电压下,当栅压U\(_{GS}\)=0时(栅源两极短路)的漏源电流称为饱和漏源电流IDSS。
(2)在一定的漏源电压下,使漏源电流I\(_{DS}\)=0或小于某一小电流值时的栅偏压值称为夹断电压UP。
(3)在栅、源极之间加一定电压的情况下。栅、源极之间的直流电阻称为直流输入电阻R\(_{GS}\)。因为栅、源极之间的PN结是反向偏置,所以好象二极管的反向电阻一样,RGS是很大的。
(4)在一定的漏源电压下,漏源电流的变化量与引起这个变化的相应的栅压的变化量的比值称为跨导gm,单位为μA/V,即μΩ(微姆)。这个数值是衡量场效应管栅极电压对漏源电流控制能力的一个参数,也是衡量场效应管放大能力的重要参数。
描述结型场效应管特性的曲线有二:在一定的漏源电压下,栅极电压U\(_{GS}\)和漏源电流IDS的相互关系,叫做转移特性,如图2所示。在一定的栅极电压下,漏源电压U\(_{DS}\)和漏源电流IDS的关系称为输出特性。在某一栅压下,对应有一条曲线表示漏源电压和漏源电流的关系,所以对不同的栅压形成一组曲线,如图3。


图2中A点的纵坐标值为I\(_{DSS}\),B点的横坐标值为UP。图3中I区为可变电阻区,Ⅱ区为饱和区,Ⅲ区为击穿区。
U\(_{DS}\)较小时,管子处在可变电阻区,这时即使栅压不变,UDS增大,I\(_{D}\)也随之增大,这是因为这时沟道电阻仅与栅压有关。UDS较大时,管子处在饱和区,这时U\(_{DS}\)增大,ID不再增大,维持某一饱和值,这是因为漏极与栅极之间的PN结是反向偏置,随着反向偏置的增大,耗尽区加大,使在靠近漏极一边的导电沟道变窄,U\(_{DS}\)电压增加的部分,降落在耗尽区相连的部分。这时,通过控制栅极电压可以改变漏源电流,所以放大电路中的场效应管工作在这一区域。
常用的结型场效应管有3DJ6、3DJ7系列,R\(_{GS}\)可达107~108Ω以上,gm>1000~3000μΩ。
应用举例
结型场效应管用途很广,可以用于调制、放大、阻抗转换、稳流、限流、自动保护等电路中,下面举例说明。
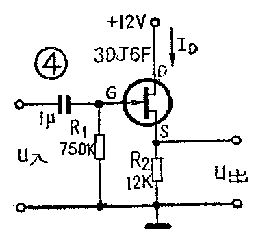
一、阻抗转换:
电路示于图4。特点是输入阻抗高、输出阻抗低,多用于多级放大器的输入级或输出级。图4所示的电路栅极是零偏置(G通过R\(_{4}\)接地),靠源极电阻R2形成自生栅偏压。静态工作点计算方法如下(参阅图5):


傧热妨⒄ぴ吹缪筓\(_{GS}\)的公式,由图4可知:
U\(_{GS}\)=UG-U\(_{S}\)
而U\(_{G}\)=0,US=I\(_{D}\)R2
所以U\(_{GS}\)=-IDR\(_{2}\)
这里U\(_{GS}\)=-ID×12K
②在转移特性曲线上画出源极电阻负载线。由U\(_{GS}\)=-ID×12K可知,I\(_{D}\)=0时UGS=0;I\(_{D}\)=0.1mA时UGS=-1.2V。把对应于坐标(0,0)、(-1.2,0.1)两点连成直线,即为负载线。
③负载线与转移特性曲线的交点就是静态工作点,约为I\(_{D}\)=0.08mA,UGS=-1V。
由于本电路是源极输出形式,故放大倍数小于1。输入阻抗R\(_{入}\)=R1=750KΩ(与R\(_{1}\)并联的管子的栅源电阻比R1大得多,可以略去),输出阻抗R\(_{出}\)=1KΩ,输入信号频率不大于2000赫。
二、交流放大器
结型场效应管的放大器噪声低、温度稳定性好、输入阻抗高,故多用作前置放大器。漏极输出可以使放大倍数K大于1。图6是晶体管扩大机的输入级,此电路采用自生栅偏压,静态工作点约为I\(_{D}\)=0.15mA、UGS=-0.1V(选用场效应管I\(_{D}\)SS=0.3mA、UP=-1.OV),计算方法与上例相同,不再重复。

与电子管放大原理相同,它是工作在输出特性的饱和区。譬如说,在输入信号变化的一周期内,U\(_{GS}\)在-0.1V上下变化0.05V,由3DJ6D的转移特性曲线可知,对应的ID就在0.15mA左右变化0.05mA,则对应漏极D点电位变化约为R\(_{D}\)上压降的变化12K×0.05mA=0.6V(这里未考虑放大器下一级的影响,放大倍数K=12K×0.05mA0.05V=12倍,这里的0.05mA;0.05V就是跨导gm。与电子管放大器相似,经过推导可得K=-gmR 'D,其中R\(_{'}\)D是考虑了下一级影响后的等效漏极电阻。
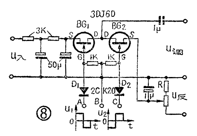
三、直流信号调制
在仪表中经常遇到直流信号放大的问题,一般采用大闭环负反馈和将直流信号调制成交流信号再进行交流放大的方法;这种方法可以克服温度漂移和提高线性精度,并能获得高放大倍数。图7和图8是这种电路的一个例子。


图8是一个并串联式调制器,开环输入信号为直流0~1.5mV,调制效率η=45%。其中BG\(_{1}\)、BG2工作在可变电阻区,D\(_{1}\)、D2是防止栅压为正。这样可以消除调制噪声。3K电阻和50μ电容为输入滤波用。
用频率为1000赫、幅值为7V的方波电压U\(_{1}\)、U2作为驱动电压,此两电压形状相同,相位相反,经D\(_{1}\)、D2削去正半波后分别加在BG\(_{1}\)、BG2,的栅极,使BG\(_{1}\)、BG2轮流导通、夹断,就好象并串联的单刀双掷开关一样。BG\(_{1}\)导通时BG2夹断,输入电压U\(_{入}\)向0.1μ电容充电;BG2导通时BG\(_{1}\)夹断,0.1μ电容通过BG2向R放电,而R上有反馈电压U\(_{反}\),正好与放电电流方向相反。故达到U入与U\(_{反}\)相减的目的。可以看出,经0.1μ电容输出的调制电压U调为频率与U\(_{1}\)、U2频率相同的交变电压。
这种调制电路比绝缘栅场效应管调制电路焊接调整方便,工作可靠,比晶体管调制电路噪声小、漂移小、调整简单。
注意R值不可太大,一般应在100K以内。
四、代替直流稳压电路中的限流电阻
一般用稳压管稳压的电路如图9,R为限流电阻,现用一只结型场效应管代替,如图10。它是零栅压工作,由图3的输出特性可知,当U\(_{入}\)由20V下降至9V时,UDS虽下降了,但I\(_{DS}\)并没有变,仍能保证稳压管的工作电流不变,所以稳压精度提高,可达万分之几。同时可以看出,它允许电源变动的范围也比采用限流电阻的稳压电路大得多。


根据负载电流的大小决定采用结型场效应管3DJ6G\(_{~}\)3DJ7J,如电源电压高,负载电流大,则用3DJ7J还要加散热片。
这种电路可用在半导体收音机中,使得干电池电压降得很低时仍能使用。
五、限流器
在上例的稳压电路中(图10),结型场效应管工作在饱和区,而用于限流器时则有所不同,具体电路如图11所示。结型场效应管是工作在负栅压情况下,栅源电压值为-I\(_{入}\)R。当I入小时它工作在可变电阻区,漏源电阻R\(_{DS}\)较小,不影响电流输出;当I入增大到一定数值时,它工作在饱和区,这时I\(_{入}\)增加很少,UD\(_{S}\)就要增大很多,RDS就好象一个阻值很大的可调电阻,对I\(_{入}\)起了限流作用。决定限流值的方法与例1中决定静态工作点的方法相同。

管型及参数选择应结合具体情况而定,如I\(_{入}\)=0~15mA(直流),RL=0~3K,要求限流在12mA左右,则可选用3DJ7J(加散热片),R在240Ω左右。调整R数值可改变限流数值。
使用注意事项
结型场效应管与一般晶体管的使用注意事项相仿,可以把D、G、S三极比作c、b、e三极,且D、S极可以通用。对结型场效应管的测试可按图1(a)的接线进行,或用JT晶体管图示仪,也可以用万用表的欧姆档来作一般检验,只是测量放大性能时,不必象测晶体管时b极要用手与试笔相连,以获得偏置电压,而是用手靠近或接触G极,因有感应电而可以使D、S间欧姆值改变。
此外,结型场效应管应工作在避光处,整机外壳最好接地。(卞正岗)