本机为交流、直流两用台式三波段十一管收音机。机内装有9伏交流稳压电源,附有六节1号电池(9伏)的电池盒。本机具有高、低音分别可连续调节的音调控制,采用6\(\frac{1}{2}\)寸恒磁扬声器,机箱大小配合适宜,音质较好。机后装有拾音器插孔,可供放送电唱用。
一、主要性能
频率范围:中波不窄于535~1605千赫;短波1不窄于3.9~9兆赫;短波2不窄于9~18兆赫。
灵敏度:中波不劣于1毫伏/米;短波不劣于1毫伏/米。
选择性:≥26分贝。
额定输出功率:≥500毫瓦。
电源消耗:零信号时整机电流≤30毫安;额定功率输出时整机电流≤220毫安;交流供电时最大耗电约7瓦。
放送电唱时拾音器插口输入阻抗≥500千欧,灵敏度≤100毫伏(1000赫)。
二、电路特点
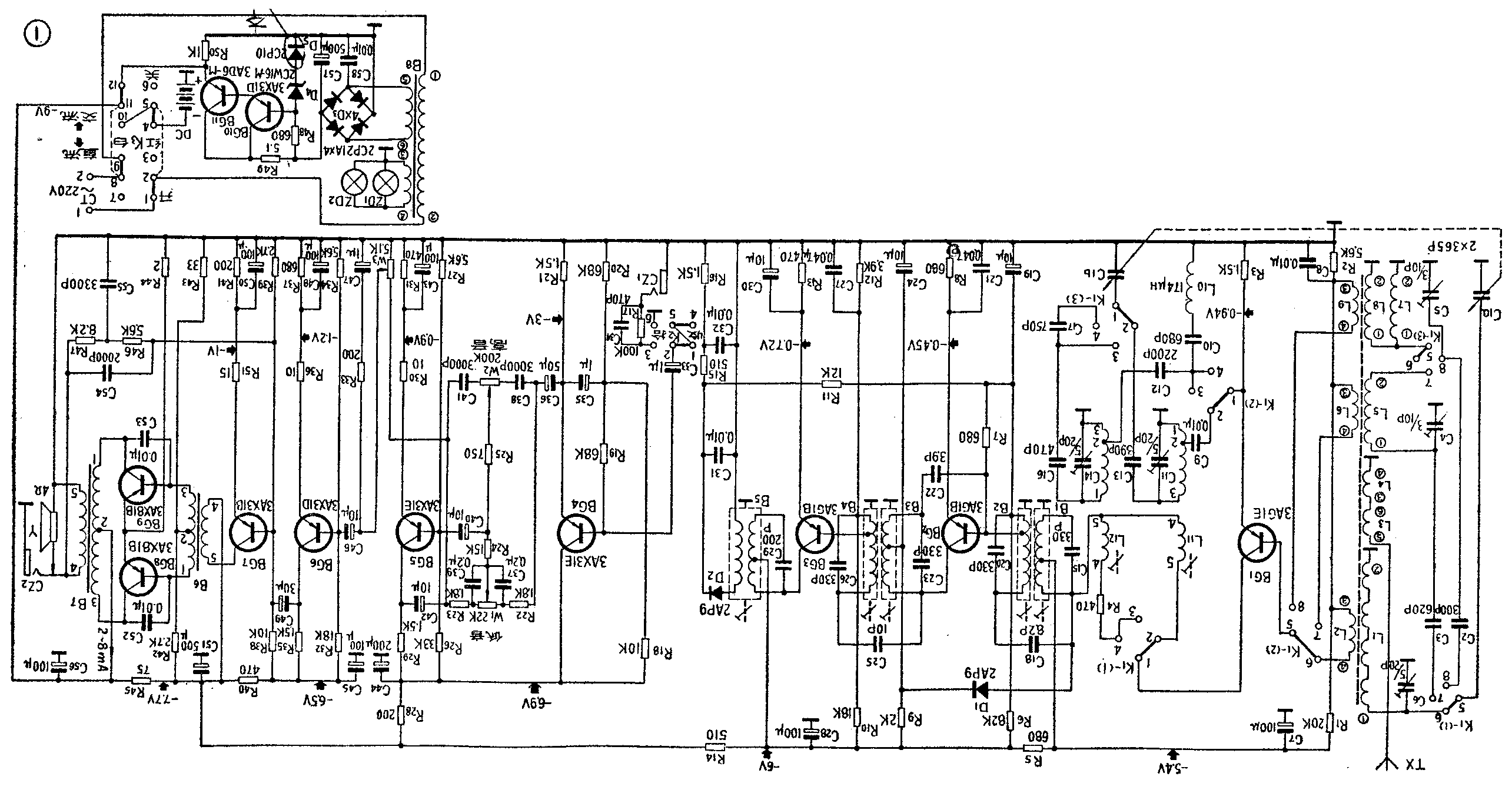
1.中波和短波输入回路均采用较长的磁棒(φ10×200毫米),并且中波输入回路线圈(L\(_{1}\))采取分四段绕制,短波2的输入线圈由二只线圈L7和L\(_{8}\) 并联,短波1的输入线圈则由短波2的并联线圈与另一只线圈L5串联组成。由于采取上述措施,使得在保证调谐回路得到所需电感量的条件下,线圈圈数可以增多,并使磁棒可以充分利用,从而可以提高接收灵敏度(绝对灵敏度与相对灵敏度均提高6分贝左右)。
2.变频部分采用了短波增益提升器(C\(_{1}\)0L10),可提高短波的变频增益8~10分贝左右。短波增益提升器就是电容器和电感器组成的串联谐振于中频频率的诸振回路,波段开关旋在短波段时,把它并接在变频管发射极,可以降低变频管发射极的中频负反馈阻抗,因而提高变频增益。
3.中频放大部分采用了二级电容耦合双调谐中频回路,且耦合电容用得较大。这样既保证了良好的选择性,又有较宽的通频带,从而改善了放音质量。一中放基极线圈二端并联了一只680欧的电阻R\(_{7}\),它的主要作用如下:由于一中放加了自动增益控制(AGC),随着输入信号的增加,一中放集电极电流将减小,该级的输入阻抗增加。若无R7,一中放输入阻抗的增加会全部反射到B\(_{1}\)2二只中频变压器,使它们的有载Q\(_{L}\)也增加,通频带因此而变窄,结果频率失真恶化,放音变闷。加了R7后(它的值取得较小,并且在一中放输入阻抗二端),当一中放输入阻抗变大时,反射到B\(_{1}\)2的阻抗便受到了限制,即使一中放集电极电流在最强输入信号时下降到零,使其输入阻抗增加到最大,B\(_{1}\)2的Q\(_{L}\)也不会显著增加,因此通频带不致变窄,从而改善了放音质量。
4.变频电源经R\(_{5}\)(680欧)取自中放电源,并在R5上有约0.4伏的偏压。这样,当强信号输入使一中放集电极电流下降到零时,R\(_{9}\)上没有压降,二次自动增益控制二极管D1的负极有-6伏电压,而D\(_{1}\)的正极,即R5左端有-5.6伏电压,正极电位比负端电位高0.4伏,二极管导通,使强信号受到更大的衰减。因此本机能承受较强的信号(约200毫伏/米,60%调幅度)而不产生阻塞失真。
5.由于第一级低频放大器采用射极输出器,且有“自举”作用(C\(_{35}\)),因此输入阻抗很高,这就使检波器的交流负载很高,使自动增益控制起作用较早,这可能造成小信号的非线性平方律检波失真。增加R11和减小R\(_{16}\)可以提高使自动增益控制起作用的输入信号电平,从而减小出现非线性检波失真的输入信号电平。换句话说,在相同的小信号输入情况,采用较大的R11和较小的R\(_{16}\),可使非线性检波失真减小。
6.如上述第一低放的输入阻抗较高,适宜与晶体唱头配合使用。
考虑到音量控制电位器放在音调之后以改善信噪比,这就要求它前面的放大器应有较大的动态范围。由于检波输出的音频电压最大可达600毫伏左右,而晶体唱头的输出电压最大约可达1伏,因此对前级的动态范围要求≥1伏,即当1伏的音频信号送到放大器输入端时仍能保证不失真输出。本机最大动态范围约1.5伏(1000赫)。
7.音调控制采用衰减负反馈混合式电路,失真较小,同时在保证1000赫变化不超过3分贝的情况下高低音的调节范围较大。音调控制特性,高音(5000赫)、低音(100赫)提升量都可达到9分贝,调节范围为18分贝。
音调控制的原理如下:W\(_{1}\)为低音控制电位器,C37、C\(_{39}\)对低频可看成开路,对高、中频可看成短路。当W1中心滑臂调在左边时是低音提升位置,因为这时C\(_{37}\)被W1的滑臂引线短路,前级输出的低音能比较顺利地通过R\(_{22}\)、R24、C\(_{4}\)0送到BG5输入端;同时高、中音均可通过R\(_{23}\)、C39和R\(_{24}\)负反馈到BG5基极,而低音则不能通过C\(_{39}\),低音负反馈很小,从而使低音得到提升。W1的滑臂调到右边时是低音衰减,因为这时C\(_{39}\)被短路,高、中音的负反馈量保持不变,但低音的负反馈也增大到和高、中音一样,另一方面输入的低音还受到W1的衰减,结果低音被削弱。
W\(_{2}\)为高音控制电位器。C38和C\(_{41}\)对高频可看作短路,对中、低频可看作开路。当W2的中心滑臂调在左边时为高音提升,因为这时中、低音受R\(_{22}\)、R24等的衰减(因不能通过C\(_{38}\)),而高音则可顺利通过C38送到基极放大;W\(_{2}\)的滑臂在右边时则为高音衰减,因为一方面高音被W2的阻值衰减了,同时还通过C\(_{41}\)、R25负反馈到基极(中、低音则不能通过C\(_{41}\))。
8.R\(_{33}\)(200欧)和C47(1微法)是固定的低音提升网络,它使得高、中音被旁路而衰减,而低音则不易通过C\(_{47}\),因此低音对中、高音来说便相对地得到提升。该提升网络100赫与1000赫比较约可提升4~6分贝。
9.设置退耦网络R\(_{45}\)、C51,主要是为了消除交流嗡声。这时,在低音提升得较多的情况下,仍可使用最简单的稳压电源。
10.交流稳压电源采用简单的固定式稳压电路,输出的直流电压的大小和稳定度都由稳压二极管D\(_{4}\)、D5的稳定电压及其稳定度决定。由于D\(_{4}\)(2CW16)的稳定电压大都在8.5伏左右,因此另用一只硅二极管D5(2CP10)与D\(_{4}\)串联。2CP10的正向稳定电压约0.7伏,与2CW16串联后总的稳定电压便又提升到9.2伏左右,满足9伏输出的要求。R49是保护电阻,输出端瞬间短路时,调整管BG\(_{11}\)不致烧毁。
电源变压器具有指示灯灯丝绕组,把它绕在初级与次级之间,并且把它的一端与收音机线路的“地”端连接,这样可起到静电隔离作用,收音机收听电台广播时不致产生调制交流声。
稳压性能:当收音机满载输出时(约300毫安),电源电压下降≤0.7伏,而六节1号新电池当收音机满载输出时下降0.8伏左右。
三、元器件数据
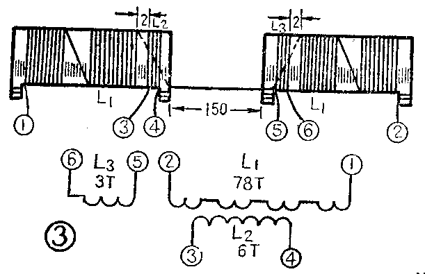
1.中波输入线圈(图3):L\(_{1}\) ①~②用28×0.07纱包线平顺绕78圈(包括两个过渡圈2圈)分四段,每段19圈。L2③~④用φ0.19丝包线平密绕6圈。L\(_{3}\)⑤~⑥用φ0.19丝包线绕3圈。

2.短波输入线圈(图4,5):短波1的L\(_{5}\)①~②用28×0.07纱包线间绕11圈;L6③~④用φ0.19丝包线绕1圈。短波2的L\(_{7}\)①~②用28×0.07纱包线间绕11圈;L8①~②用28×0.07纱包线间绕5圈;L\(_{9}\)③~④用φ0.19丝包线绕1圈。L4③~④用φ0.19丝包线平密绕6圈。

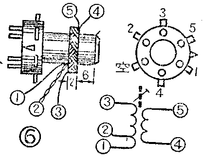
3.中波振荡线圈(图6):①~③用φ0.12丝包线蜂房式绕88圈,①~②为8圈。①②③引出线方向与④⑤引出线方向相反。④~⑤用φ0.12丝包线蜂房式叠绕13圈。

4.短波振荡线圈(图7):①~③用φ0.27漆包线平密绕23圈,①~②为20圈。④~⑤用φ0.15丝包线反密绕7圈(抽头②处开始绕)。

5.电源变压器(图8):采用D42GE型铁心,截面积16×16毫米\(^{2}\)。初级①~②端用φ0.12漆包线绕3500圈;次级③~④端用φ0.44漆包线绕40圈,⑤~⑥端用φ0.44漆包线绕240圈。

6.输入变压器(图9):采用D42XE型铁心,截面积8×12.5毫米\(^{2}\)。线圈①~③端用φ0.17漆包线双线并绕450+450圈,直流电阻36欧。线圈④~⑤端用φ0.17漆包线绕1400圈,直流电阻70欧。

7.输出变压器(图10):铁心同输入变压器。线圈④~⑤端用φ0.44漆包线绕100圈,直流电阻0.6欧。①~③端用φ0.35漆包线双线并绕180+180圈,直流电阻约4.4欧。

四、使用和修理说明
1.本机电源的开、关与交、直流转换开关使用二档自锁式推键开关,红色是电源开关,白色是交、直流转换开关。白色按钮在突出位置时是交流稳压供电,在里面位置时是电池供电;红色按钮在突出位置时,交、直流电源全部断开,在里面位置时电源接通。
自锁式推键开关的作用在于:按一下按钮,开关处于某个位置,再按一下,开关便自动跳到另一个位置,并且各档开关之间彼此不相牵连。
2.收音机背面装有收音、拾音转换开关和拾音器插孔(下面一只插孔,上面一只插孔供外接扬声器之用)。放唱片时除将唱机输出插头接入这个插孔外,同时要将旁边的开关拨向下方(拾音位置),这时收音机的检波输出被自动短路;当需要收音时,把开关拨到上方(收音位置),这时收音机接通而拾音器自动断开(二心插头不必拔出)。
3.当电源接通时,不要断开喇叭线,否则容易损坏功放管。
4.调换稳压电源的调整放大管(BG\(_{1}\)0、BG11)时应注意:①两管均不宜采用β值过高的管子,BG\(_{1}\)0可选β为20~50的管子,BG11可选β为20~70的管子;②如二管的β同时超过70,可在BG\(_{11}\)的基极与地之间并接一只4.7K~10K的电阻(印刷板上留有安装孔);③若BG11的β≥70,BG\(_{1}\)0也可不用,这时要用一根短线把BG10的原基极和发射极孔连接起来;④调换过调整放大管之后,需要检查输出电压的稳定度,方法是先用万用测量无声音输出时稳压直流输出,然后把音量开足,这时直流输出电压下降不宜超过0.7伏。
5.机内各接地点应严格按原来接法,否则对收音机的质量有一定影响。
6.如需重新统调,短波段应先统调短波2,然后统调短波1。
7.各级合适的工作电压及电流如下。各级发射极电压分别为BG\(_{1}\):-0.95±0.15伏;BG2:-0.42±0.05伏;BG\(_{3}\):-0.72±0.07伏;BG4:-3±0.3伏;BG\(_{5}\):-0.94±0.2伏;BG6:-1.2±0.2伏;BG\(_{7}\):-1±0.2伏;推挽功放级BG8、BG\(_{9}\)的电流为2~8毫安。(上海无线电二厂)

