当我们打开一台电子计算机的机箱时,呈现在我们眼前的,是一排排印刷线路板上装着成千上万个电子器件和元件,一根根导线互相连接着,构成了一幅错综复杂的画面。乍看起来,似乎茫无头绪。但是,如果我们仔细研究,一点一点地剖析,就不难看出,这样一台机器尽管元器件多、线路复杂,却基本上都是大量相同电路的组合,基本电路形式不过只有几种。这几种基本电路,就是我们要介绍的基本逻辑电路。
所谓“逻辑”,是指一定的规律性;逻辑电路,就是按一定规律动作的开关电路。这种电路。一般具有几个输入端和一个输出端,当输入信号之间满足某一特定关系时,电路才有输出(开),否则没有输出(关)。这同生活中的开门和关门相似,所以又把逻辑电路叫做门电路。同时,逻辑电路的开和关两个状态,可以用二进制数中的“1”和“0”来表示,因此也叫做数字电路。
最基本的逻辑电路有三种:“与门”、“或门”和“非门”。它们分别执行三种基本逻辑功能:“与”、“或”和“非”。
1.与门电路
在生产斗争、科学实验以及日常生活中,处处存在着“与”逻辑关系。我们以一台收音机的合格与否为例说明。大家知道,只有当收音机所有技术指标都合格时,这台机器才算正品;若有某一个或几个指标达不到规定要求,就不合格。设收音机主要技术指标有三个,即灵敏度、选择性、不失真功率,那么这种关系可以写成:
灵敏度(A)合格与选择性(B)合格与不失真功率(C)合格=收音机(y)合格
这就是“与”逻辑关系。写成逻辑关系式就是:
y=A·B·C

为了简明易懂起见,我们再举一个生活中的例子。图1线路中有三个串接着的开关A、B和C。显然灯和开关的状态之间存在着“与”逻辑关系,即:只有当A、B、C都合上时灯才亮;若有任一个或一个以上的开关没合上,灯就不亮。这里开关和灯都只有两种状态:合上或断开,灯亮或不亮。如果用“1”表示开关合上和灯亮,用“0”表示开关断开和灯不亮,“与”逻辑关系可以表达成:

上面的例子说明,“与”逻辑关系的意义,是表示当各种条件同时具备时,才能得到某一结果。逻辑关系式中的符号“·”表示逻辑乘法运算。
实现“与”逻辑关系的电路称为与门电路。最简单的与门如图2(a)所示。它是有三个输入端的二极管与门,工作原理是这样的:设输入高电平为+V\(_{1}\)(V1<V),低电平为0伏。当输入端A、B、C均为低电平时,三个二极管都导通,输出y为低电平;当输入端中有一个或两个为低电平时,相应的二极管由于两端电位差大优先导通,而使输入端为高电平的二极管处截止状态,输出y也为低电平;当三个输入端均为高电平时,三个二极管都导通,输出才为高电平。这就实现了“与”关系。由此看出,所以能实现“与”关系,是因为二极管处于正向导通状态时,其阳极电位和阴极电位相同(忽略二极管正向导通压降),具有箝制电位(箝位)——把电路中某点的电位固定在一定电平上——的作用。这里是把输出端y的电平箝位在输入高电平或低电平。在图2(a)电路中的几个二极管,阳极电位均高于阴极电位时,还有个电位差大的可以优先导通,y端电平被箝在电位差大的二极管输入电平上的特点。

如果把输入电平和输出电平之间的关系列成表格,并用“1”表示高电平,“0”表示低电平,就构成了“真值表”,见图2(b)。与门逻辑符号示于图2(c)。
2.或门电路

“或”逻辑关系也是我们经常碰到的。现仅以图3为例说明。三个并接的开关A、B、C中只要有任何一个或几个合上,灯就亮。这种关系可以写成:
开关A合上或开关B合上或开关C合上=灯y亮。
这就是“中”逻辑关系。仍然用“1”代表开关合上和灯亮,“0”表示开关断开和灯不亮,写成逻辑关系式为:

可见,“或”逻辑关系表示,在给定条件中只要有一个或一个以上条件具备时,就能得到某一结果。逻辑关系式中的符号“+”表示逻辑加法运算。要注意,这里1+1=1,与算术加法不同。
实现“或”逻辑关系的电路称为或门电路。最简单的二极管或门电路见图4(a),三个输入端A、B、C中只要有一个或一个以上的输入端是高电平(“1”),输出端y就是高电平(“1”),实现了“或”关系。或门电路真值表及逻辑符号见图4(b)、(c)。

3.非门电路

“非”逻辑关系表示否定或相反的意思。我们看图5,当开关A断开(“0”)时,灯亮(“1”);开关A合上(“1”)时,灯不亮(“0”)。这就是说,条件和结果是相反的。若把量A的否定值用A-(读作A非)表示,使得到下面的逻辑关系式:
A=1,A-=0;A=-=1
实现上述功能的电路叫非门电路。显然它只有一个输入端和一个输出端,而且输出总是输入的否定。晶体管反相器是最简单的非门电路,如图6(a)所示。根据三极管的开关特性,输入为低电平时,输出为高电平;反之,输入为高电平,输出则为低电平。非门电路的真值表和逻辑符号分别见图 6(b)、(c)。

上面介绍的三种门电路是最基本的逻辑电路。必须特别指出的是,一切事物都是相互联系和相互依赖的,矛盾的双方在一定条件下还可以互相转化。基本逻辑电路中的与门和或门也是这样。同一个电路,从不同角度考察它的逻辑功能,既可能是与门,又可能是或门。在前面的分析过程中,我们都是以高电平表示有信号,表示“1”的,称为“正逻辑”。如果恰恰反过来,以低电平表示有信号,表示“1”,就称为“负逻辑”。读者不难看出,正逻辑的与门,正是负逻辑的或门;正逻辑的或门,正是负逻辑的与门。在学习基本逻辑电路时,掌握这种辩证关系是很重要的。
在电子计算机和数字控制系统中,只有前面三种基本的逻辑电路是不够的,实际上常用的单元逻辑电路是上述三种电路的组合,即与非门、或非门和与或非门电路。随着半导体技术的不断发展和完善,半导体数字集成电路得到了广泛应用。下面就以应用比较普遍的TTL数字集成电路(晶体管——晶体管逻辑电路)和HTL数字集成电路(高抗干扰集成电路)为例,说明与非门和与或非门电路的逻辑功能。

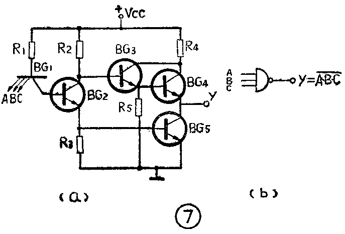
图7是TTL与非门电路。其中BG\(_{1}\)是一个多发射极晶体管(它的结构形式和普通晶体管相似,但有多个发射极),在一定意义下,可看作是一个与门和一个二极管串接在一起(见图8),它既有三极管的作用,又有二极管的作用,是TTL电路传输速度快的关键元件。当输入端A、B、C都是高电平时,BG\(_{1}\)的几个eb结都处于反向偏置,电源Vcc经过R\(_{1}\)和BG1的bc结向BG\(_{2}\)提供基极电流,使BG2导通。这时BG\(_{1}\)的bc结相当于一个正向二极管。BG2的发射极电流在R\(_{3}\)上产生的压降又使BG5导通。由于BG\(_{2}\)的集电极电位就是BG3的基极电位,BG\(_{2}\)导通时,BG2集电极电位为BG\(_{5}\)的eb结压降与BG2饱和压降之和,约为1伏,BG\(_{3}\)的基极电流使BG3刚刚进入导通状态,而不足以推动BG\(_{4}\)。这时,因为BG2和BG\(_{5}\)饱和,BG4截止,所以输出低电平。当输入端有一个或几个是低电平时,BG\(_{1}\)的eb结处于正向偏置了,BG1的基极电流不再流向BG\(_{1}\)集电极,而是流向发射极,因此BG2和BG\(_{5}\)都截止。BG2集电极电位接近电源电压V\(_{cc}\),使BG3导通。BG\(_{3}\)发射极电流在R5 上的压降又使BG\(_{4}\)导通。BG4导通,BG\(_{5}\)截止,输出即为高电平。

综上所述,当输入端全为高电平时,输出为低电平;输入端中有一个或几个为低电平时,输出为高电平。这个电路具备了“与非”的逻辑功能。用逻辑关系式表达为:
y=A·B·C-
与非门电路的逻辑符号如图7(b)所示。

图9为HTL高抗干扰与非门电路。它的特点是使用了稳压二极管DW,抗干扰能力较强。由图9可见,当所有的输入端接高电平时,电流从电源V\(_{cc}\)经R1、R\(_{2}\)流向BG1基极,使BG\(_{1}\)导通。BG1发射极电位使DW进入击穿区,BG\(_{2}\)饱和,因此输出为低电平。而当有一个或几个输入端为低电平时,电流从电源Vcc经R\(_{1}\)、R2流向输入二极管到地,因而BG\(_{1}\)、DW和BG2均截止,输出为高电平。显然,从逻辑功能上看,HTL与非门和TTL与非门是一样的。只是由于DW的作用,在输入为低电平时,如果外来干扰信号不足以使BG\(_{1}\)基极电位升高到BG1、DW和BG\(_{2}\)均导通的,输出端仍为高电平,因而有较强的抗干扰能力。此外,电源电压也较HTL电路高,加大了输出的幅度,也有助于抗干扰能力的提高。

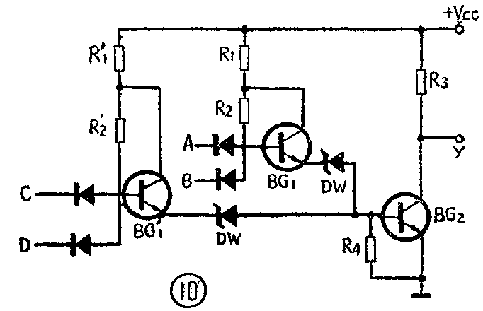
图10是HTL与或非门电路。把图9和图10比较一下,可以看到二者电路基本相仿,只是图10比图9多了一套输入二极管和BG1'、DW'等元件。正是把DW和DW'都接到BG\(_{2}\)的基极上才构成了“或”的逻辑功能。当输入端A、B接高电平,C、D端接低电平时,BG1'截止,BG\(_{1}\)导通,BG2也导通,输出低电平。只有当四个输入端A、B、C、D全都接低电平时,BG\(_{1}\)和BG'1 均截止,BG\(_{2}\)也截止,输出才是高电平。其余各种输入状态,读者可自行分析。上述“与或非”的逻辑功能,可用逻辑关系式表达为:
y=AB+CD-
过去,人们较多地使用与非门构成各种数字控制系统。由于与或非门可以简化逻辑设计,降低功耗,提高速度,目前用与或非门进行逻辑设计的日渐增多。
基本逻辑电路应用很广。我们可以用前面介绍的各种基本逻辑电路,构成各种通用电子计算机,去进行复杂的运算;构成各种专用计算机和数字控制装置,去指挥机床自动地进行加工和操作,控制轧钢机自动地进行生产……。在本刊介绍过的许多电子技术应用成果中,我们都可以看到基本逻辑电路的运用,本文就不再详细谈了。(黎辉宇)