DF—1型晶体管繁用表是一种小型多用途的无线电测量仪表。它具有下列特点:
1.用途广,量程宽,一机多用。仪表共有66个基本量程9个附加db量程,就测量范围而言,能完成电子管电压表、电子管是伏表,交直流毫安表,微安表、光点微安表,高欧表、低欧表、电感电容测试仪、晶体管特性测试仪,低频、中频信号源等多种测量任务,起到了小型流动实验箱的作用。
2.灵敏度高。仪表采用了直流放大器,将指示电表灵敏度提高了200倍。显著地增加了测量电压时的输入阻抗;减低了测量电流时的电压降;扩展了测量范围。
3.频带宽。由于对高频信号,用超高频二极管2AP30E作倍压检波,交流信号用直流放大器来放大,频宽由零赫一直扩展到150兆赫,基本上能适应各种无线电测量要求。
4.性能稳定。仪表采用了一系列稳定措施,能保证在-30℃—+50℃的环境下正常工作,精度达到一般调试仪表的要求。
5.体积小、重量轻、耗电省,使用方便。整个仪表体积为165×110×70(毫米)\(^{3}\),重量不到一公斤,不需要交流电源,两节9V叠层电池正常使用能用一年以上。仪表仅靠两个波段开关和两个插扎来转换各种测量项目和量程。使用携带方便。
电路原理
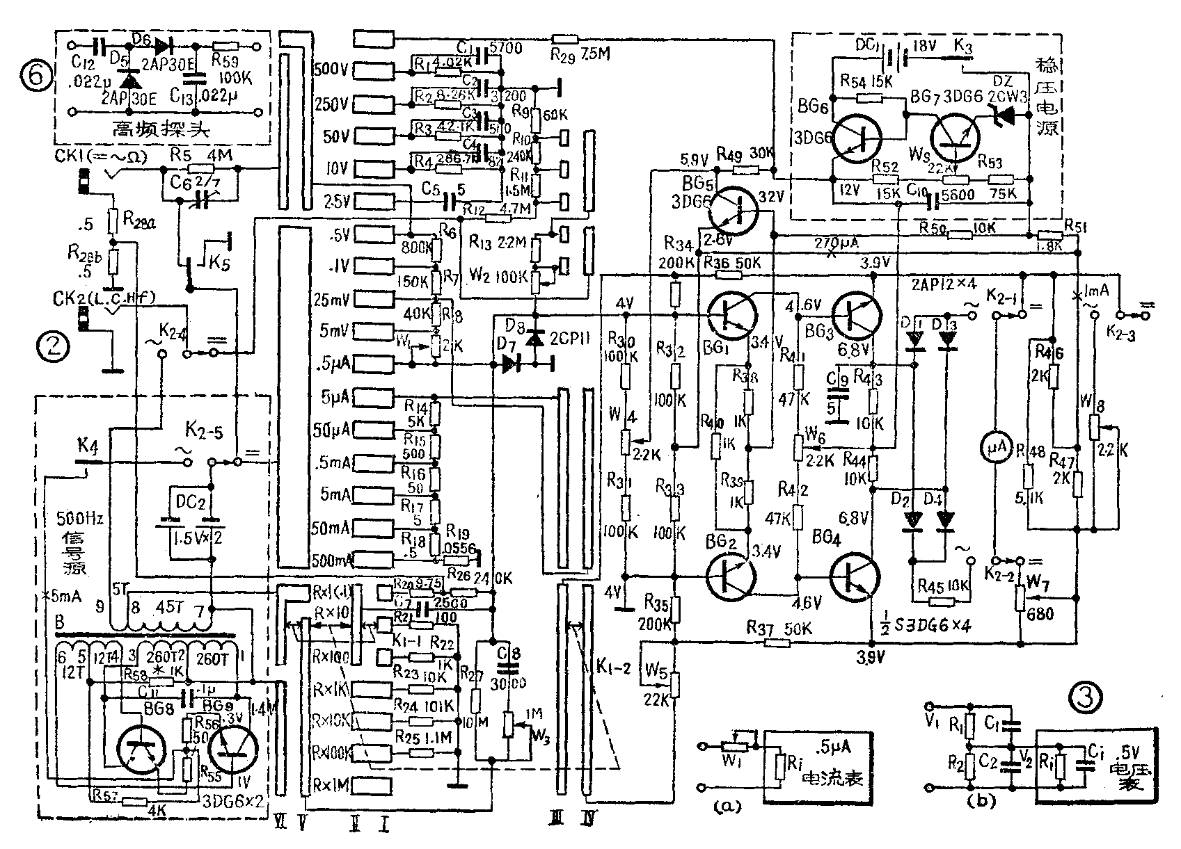
晶体管繁用表的测量原理是在普通万用表的基础上发展起来的。它是在测量变换器与表头之间加了晶体管直流放大器,把电流放大了200倍,使100微安的表头变成了0.5微安的表头,输入阻抗变为2MΩ/V;电流最小量程为0.5微安,电压最小量程为5毫伏;并可测量高频电压和其他无线电参量。仪表方框图如图1所示。对直流电流、电压、电阻,先经测量变换器变成与之成比例的微电流,经放大器放大后,送到表头指示。

对低频交流(0—10千赫)放大后再加以检波,这样可以和直流共用一套测量变换器。不同的交流量变换、放大后以同样的电平送到检波器,解决了交流各档统一刻度的问题。对10千赫—150兆赫的高频信号,直接变换、放大有困难,必须先检波,再变换和放大。整个繁用表的电路见图2。下面分别介绍直流放大器和测量变换器的原理:

1.直流放大器:这是两级差动式放大器。BG\(_{1}\)、BG2构成放大器第一级的两臂,BG\(_{3}\)、BG4构成第二级的两臂。图中R\(_{32}\)~R33是第一级基极偏流电阻;R\(_{38}\)~R40是发射极反馈电阻;R\(_{5}\)0是发射极公共电阻。都是起稳定工作点的作用。R41、R\(_{42}\)是第一级集电极负载电阻,又是第二级偏流电阻;R43、R\(_{44}\)是第二级集电极电阻,R46~R\(_{48}\)是第二级发射极电阻。第一级是共发射极电路。信号由第一级BG1、BG\(_{2}\)两管基极输入,由集电极输出,送到第二级。再由第二级的两管发射极输出送到电流表。采用这种两臂对称差动电路,一方面解决了输入端和输出端的调零位和调零点问题(即无信号输入时,输入端两点同电位,输出端两点同电位使表针指零),另一方面是显著的减小了零点漂移。
下面说明第一级电路对零漂的抑制作用:放大器两臂的晶体管特性对称,电阻数值一样,因此无信号输入时,两臂各极的工作电流,电压应当相等。当温度变化或电源电压变化时两臂各极电流电压都会变化,由于两臂对称,对称点电压改变量相等,使输入端和输出端电压仍保持为零。当有信号输入时,两臂管子的输入电流方向相反(称为差动信号)。BG\(_{1}\)的基极总电流增加,BG2的基极总电流减小。输出端集电极两臂就好像推挽放大器那样,一臂电流增加,另一臂电流减少,于是有一放大了的差动电压送到下一级。发射极也是一样一臂电流增加另一臂减少,流过公共电阻R\(_{5}\)0的电流保持不变,R50对信号没有负反馈,但是,R\(_{5}\)0对工作点的变动却起稳定作用。因此R50可以取值大些。
但是由于管子特性是不能完全一致的,所以也还有一定的零点漂移(虽然要比单臂小几十倍)。为了再进一步减小零点漂移,我们另加了一级放大器BG\(_{5}\)来稳定工作电流。如果第一级工作电流增加,R50上电压降将增加,就有一正电压送到了附加放大器BG\(_{5}\)的基极,经它放大后,由BG5的集电极输出一负电压,加到第一级差动放大器的输入端,于是减小了第一级两臂基极电流,从而调整了第一级的发射极电流,使它保持不变。附加放大器的作用和R\(_{5}\)0的作用一样,只对工作点的偏移有反馈,对信号输入无反馈作用。
第一级差动放大器的电流放大倍数大约20—50,视管子β值而不同。为了能把表头灵敏度提高200倍,后面又加上了一级放大器。由于指示表头内阻比较小(约1.7千欧),第二级采用射极输出器线路,两级总电流放大倍数大约为700—3000。为了稳定电流放大倍数,另加由R\(_{34}\)—R37构成的电压负反馈,使电流放大倍数保持为200,此时放大器的稳定性显著提高,由原来的温度每升高10℃,放大倍数增加14%,下降到0.5%,达到了仪表要求的精度。图中W\(_{7}\)与表头内阻串联是直流灵敏度调整器,改变它可以调整负反馈系数,使总电流放大倍数保持在200。
放大交流信号时,放大器输出需经桥式检波后再送至直流表头,为了克服检波损失的电平,提高交流刻度线性,交流信号改由第二级集电极输出(图2中作交流放大器时,交直流开关K\(_{2}\)-1,K2-2倒向左面)。W\(_{8}\)是交流灵敏度调整器,改变它,可以改变第二级电压放大倍数,使交流信号放大、检波后保持为原输入信号的200倍(即输入0.5 μA交流有效值电流,输出为100μA直流电流)。
放大器的输入、输出端没有公共的“地”。为确保输入两端直流电位相等,必须由两管基极输入。仪表中是把BG\(_{2}\)的基极接屏蔽外壳(地),信号由BG1基极输入,输出两端和直流稳压电源都没有接地点。
2.测量变换器:它是将待测量转换为与其成比例微电流的装置。线路原理和万能电表有很多相似处。只是由于灵敏度太高,采取了一些消除交流感应的新措施。下面分别介绍各种用途的线路原理。
测量电压:测量电压从CK\(_{1}\)插孔引入。若用低于2.5伏以下各档时,则测量电压经K5、K\(_{1}\)-1,此时接通K1-1的定片Ⅰ、Ⅱ、Ⅴ、Ⅵ,再经限流电阻R\(_{6}\)、R7、R\(_{8}\)及W1加到放大器的输入端。这时各档按每伏2兆欧串上限流电阻。因为放大器的输入阻抗R\(_{i}\)约8千欧,所以5毫伏外加一个可调电位器W1,调整W\(_{1}\)使W1+R\(_{i}\)=10千欧,以保证外加5毫伏电压时,输入电流为0.5微安,见图3(a)。2.5伏以上各档继续串限流电阻,阻值就太大了。我们另改用分压电路,原理见图3(b),对不同的高压档,改变分压比,使每一档都分出0.5伏。这时放大器则串以1兆欧电阻,成为0.5伏电压表,用来测量分压器的电压。在计算分压电阻时,须考虑到0.5伏电压表的输入阻抗(Ri=1兆欧),按公式V\(_{2}\)/V1= R\(_{2}\)∥Ri/(R\(_{1}\)+R2∥R\(_{i}\))计算,符号注于图3(b)上。为了提高分压器频响,要加上补偿电容。同样道理,计算补偿电容时,也要考虑0.5伏电压表的输入电容按公式V2/V\(_{1}\)=C1/(C\(_{1}\)+C2+C\(_{i}\))计算。测量10伏以上的交流电压,如让交流电压直接进入波段开关K1-1的定片,只要有百万分之一的交流信号通过分布电容耦合到放大器,就会造成感应指示,达不到交流档的精度,因此我们另加了一高压开关K\(_{5}\),它在2.5~500伏五档将K1-1的定片与输入孔断开并将之接地(见图2)。\
测量电流:测量电流从CK\(_{1}\)插孔引入,经K5,并接通K\(_{1}\)-1的定片Ⅰ、Ⅱ、Ⅳ、Ⅴ及K1-2的定片Ⅲ、Ⅵ,再经分流电阻R\(_{14~19}\)及R8、W\(_{1}\)加到放大器的输入端。这时放大器串以50千欧内阻,成为25毫伏电压表。为避免接入分流电阻降低电压档灵敏度,通过开关K1-2只在电流档时才将分流电阻接入。
测量电阻:待测电阻加在CK\(_{1}\) 插孔,经K5接上1.5伏电池,接通K\(_{1}\)-1的定片Ⅰ、Ⅱ、Ⅵ.Ⅴ再经分流电阻R22~25及R\(_{27~28}\)、C8网络加到放大器的输入端。测量时需改变放大倍数来调整欧姆零点。我们采用调整W\(_{5}\)改变负反馈量可以将放大倍数从600调到1000。此时放大器串以10兆欧内阻成为1.5~1.2伏可调电压表如图4(a)所示。

普通万用表在测量低电阻时耗电大,准确度差。我们采用了一种特殊线路,减小了损耗,提高了准确度。其原理如图4(b)所示。当将B、C点短路且被测元件接于A、B点时,中心阻值为R\(_{2}\)0+R28a∥R\(_{28b}\)=10欧(相当于R×1档)。当A、B点短路,被测元件接于B、C点时,中心阻值为R28a+R\(_{28b}\)=1欧(相当于R×0.1档)。此时最大耗电电流为150毫安,通过被测元件最大电流为75毫安,比用一般电路的电流要小10倍。当测量小电阻用R×0.1档时,表面量限开关K1拨到R×1档,K\(_{2}\)置于“=”位置,待测电阻拧于CK1、CK\(_{2}\)(相当B、C两点)插孔上,将两个表笔短路(相当于A、B两点短路),即构成了图4(b)之线路。
测量电感、电容:原理和测量电阻一样,只是将K\(_{2}\)置于“~”位置。利用交流电路的欧姆定律,直接指示出被测电感、电容的大小。原理电路见图5。电阻R两端电压V=Re/\(\sqrt{R}\)\(^{2}\)+Z2,其中:Z=ωL或\(\frac{1}{ωC}\),ω=2πf。测量R两端电压就间接知道Z的大小,固定交流信号源频率就可以将电容、电感值直接标于指针表盘上。

仪表内附有简易的信号源,线路见图2。由三极管BG\(_{8}\)、BG9构成的推挽L,C振荡器,能产生500赫、150毫伏和15毫伏正弦信号,信号源由1.5伏电池供电。它有双重开关K\(_{2}\)-5、K4,保证只在测量L、C时信号源才工作,节省电池。
测量高频电压:测量高频电压的检波器如图6所示。其原理和收音机的倍压检波电路一样。由于选用了超高频检波二极管2AP30E可以测到150兆赫以上高频电压。由于检波二极管的非线性,测量1伏以下的小电压时检波效率要降低。因此测量1伏以下的高频电压时,度盘的刻度是非线性的。而且测量高频电压与测量交直流电压所用的限流电阻及分压电阻也不一样。

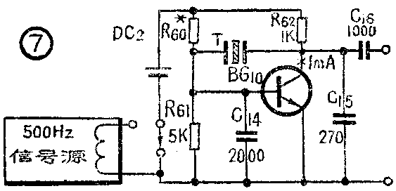
信号源:仪表内有500赫信号源,可以输出150毫伏音频信号。另外仪表附加一465千赫中频信号源,其线路如图7所示。其中T为465千赫陶瓷滤波器,在465千赫附近等效一电感,再与C\(_{14}\)、C15构成一电容三点式振荡器,只要β>\(\frac{C}{_{14}}\)C15就能产生465千赫、500毫伏的等幅振荡。在其他频率下,滤波器等效一电容,不能构成正反馈,无法起振。中频信号源装在一小型塑料管内,信号由探头输出。它也是由仪表内的1.5伏电池供电,此电压从CK\(_{1}\)、CK2之间加一专门插孔引出。如果在1.5伏直流电压上再串以低频电压(500赫150毫伏)则可以得到500赫调幅输出。供调整修理收音机用。
为便于其他特殊需要,仪表可附加由100千赫——100兆赫任一频率的信号源。
测量晶体管参数:仪表另有一附加器来测量晶体管参数,此时仪表用来测量各极电流、电压。线路如图8所示。

测量时先把DF—1的一只输入表棒固定于0点,再把另一只表棒接1点并断开K\(_{6}\)可以测Ib;接2点并断开K\(_{4}\)可以测Ic;接2点并断开K\(_{6}\)和K7可以测量I\(_{ceo}\);接3点可以测β值;接4点可以测hi。下面介绍一下测β和测h\(_{i}\)的原理。
测β:首先调整工作点。先将表棒接2点,断开K\(_{7}\),调整偏流电阻W10,使电流I\(_{c}\)达到1毫安(或其它数值),然后将仪表内500赫信号源接在0、5两点,DF—1作交流电压表接3点,电压表指示的电压值(以mV计)就是管子的放大系数。此时输入交流电流为ib=150毫伏/150千欧=1微安,输出交流电压为u\(_{c}\)=icR\(_{65}\),则β=ic/i\(_{b}\)=uc/i\(_{b}\)×R65=u\(_{c}\)/1微安×1千欧=uc/1毫伏。
测h\(_{i}\):和测β一样首先调整工作点,然后将DF—1拨到测量交流阻抗L,C的位置(K1拨到R×100,K\(_{2}\)拨到交流,表棒由CK2插入)。接于0、4两点,电表指示的电阻值即为管子的输入阻抗。
静态特性:改变W\(_{1}\)0测Ib、U\(_{b}\)、Ic、U\(_{c}\)可以得到特性曲线。(未完待续)(哈尔滨建筑工程学院电子仪器厂)