采用集成电路,是电子设备实现微小型化、提高工作可靠性、降低成本和提高劳动生产率的重要途径。
什么是集成电路?它是把整机的某一部分电路的全部元件、接线,按电路接法固定做在一块基片上,再加外壳密封做成的一块电路。按制造工艺的不同,集成电路有半导体集成电路和薄膜(或厚膜)集成电路两种。前者是用“平面”技术、掺杂、热氧化、金或铝蒸发淀积等工艺,在一块基片上做出晶体管、电阻、电容器和接线而形成的,它也叫“固体电路”;后者是把电路中的无源元件(电阻、电容器等)淀积在玻璃或陶瓷基片上,并按电路要求让它们互相连接好,然后把晶体二极管、三极管等有源元件的引线用焊接的方法与电路中相应的点相连接,这就叫薄膜或厚膜集成电路。薄膜电路是以高真空蒸发和阴极溅射工艺为基础,因其膜厚在1微米以下故称薄膜电路。厚膜电路采用印刷和烧结工艺,膜厚在10~50微米。
集成电路的主要优点(与一般分立元件电路相比)有:①体积小,重量轻;②工作稳定,因一块集成电路内的大量元件是在相同条件下制造的,因而电路特性变化均匀;③因有相当一部分电路接线已在集成电路内做好,故可大量减少整机布线的工作量,从而能提高劳动生产率,同时由于焊接点大大减少,从而提高了整机电路的可靠性。
薄膜集成电路的制造简述
这种集成电路采用高真空蒸发和溅射等工艺,在玻璃或陶瓷基片上形成阻容网络,然后焊上晶体管等外贴元件而成。为了在蒸发过程中不发生气体分子的碰撞现象,因而能使蒸发料在无碰撞的情况下直接淀积在基片上,需要在高真空条件下进行蒸发。

蒸发系统如图1所示,主要有:①真空容器,一般用玻璃或金属罩,它的作用是提供一个合适的高真空环境;②蒸发源,被蒸发材料就存放于此,加热蒸发源到一定温度,使被蒸发材料成熔融状态;③基片一般是微晶玻璃片,在其上形成蒸发料淀积层;④基片夹持器,固定基片用,并使蒸发料按一定的图形淀积在基片上:⑤基片加热器,为了增强蒸发料在基片上的粘附力,通常应将基片加热到250℃~300℃。
由于大多数材料都要求在1000~2000℃的温度下蒸发,故蒸发源加热器应将材料加热到这样的温度,而且它既不能软化,也不能与熔融的料有丝毫反应。最简单的方法是电阻加热,它只用简单的钨丝、钨舟或钼舟就行了,也可以用其他方法,如用电子轰击蒸发源等。用这种系统就能把作为薄膜电阻的材料(如镍—铬合金、铬—一氧化硅混合物等),作为薄膜电容介质的材料(如一氧化硅)和作为导电带及电极的材料(如金、银、铝等)蒸镀到基片上,从而形成所需的阻容元件,如图2。图2,a为薄膜电阻;图2,b为薄膜电容。


对于熔点较高的金属如钽,用上述方法蒸发比较困难,则可用阴极溅射的方法。溅射系统如图3所示。它与真空蒸发系统相似,在真空罩内有两块平行板电极,基片置于阳极上,蒸发料固定在阴极上。先抽真空至10\(^{-}\)6乇,然后向真空罩内充以惰性气体(如氩气),并保持在10-1~10\(^{-}\)2乇的气压。再在电极间加上3~5千伏的直流高压,以产生辉光放电。在辉光放电时,氩气电离成带正电的氩离子A+,由于强电场的作用,氩离子A\(^{+}\)向阴极加速运动,并以足够的能量撞击蒸发源,使蒸发料以原子或分子状态逸出,向各个方向溅射,牢固地粘附在基片上,淀积形成所需金属钽薄膜。然后再用阳极氧化方法产生金属氧化物介质薄膜五氧化二钽Ta\(_{2}\)O5。再用蒸发的方法蒸镀上电极后即成电容器,如图2,C。
有了薄膜电阻和电容,把晶体管(芝麻管,即超小型晶体管)或管芯焊接在相应的接点上经封装后就成了薄膜集成电路组件块。
以上介绍的只是主要的工艺过程,实际上由于制作集成电路时对环境要求很高,需要有“无尘”的净化环境和很多次清洁处理工序才能完成。
薄膜集成电路收音机

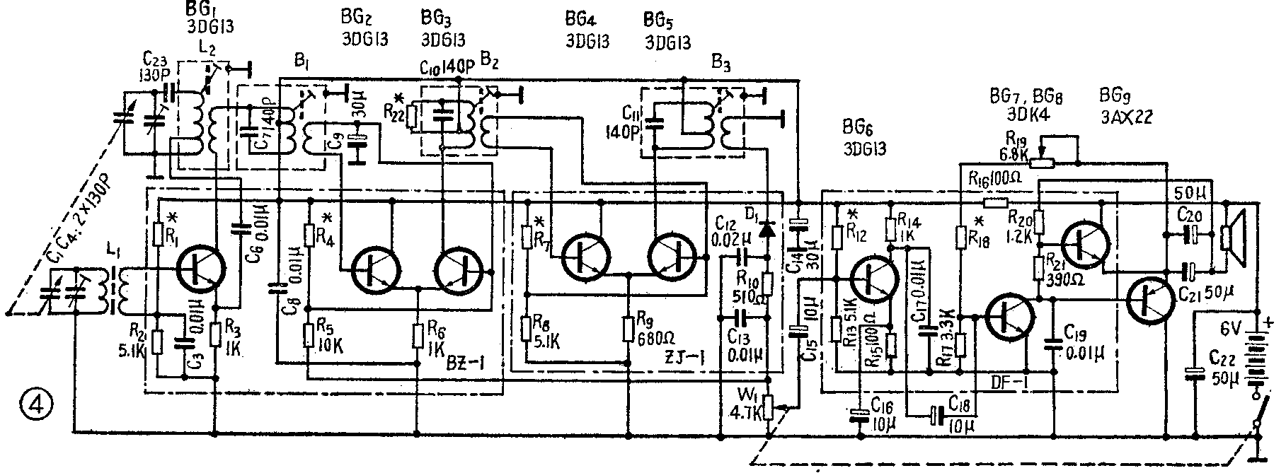
下面介绍一种薄膜集成电路的收音机。电路如图4。它是袖珍式单波段调幅广播收音机,共用三块薄膜集成电路和一个外接晶体管。电源为直流6伏,采用五个φ21.5×8毫米的镍镉充电电池。中频变压器是7×7×12毫米\(^{3}\)的704型超小型中频变压器。双连是17.5×17.5×14毫米3的CBM—2X—130型等容可变电容器。磁棒为5×13×80毫米\(^{3}\)的矩形中波磁棒。扬声器为YD402型φ40毫米、音圈阻抗为40欧的圆形扬声器。整机体积为105×49×20毫米3,重量包括电池只有200克。
主要技术指标为:频率范围535~1605千赫;灵敏度:不劣于3毫伏/米(实测0.7毫伏/米);选择性:大于14分贝(实测大于20分贝);不失真功率:50毫瓦(实测为90毫瓦);最大输出功率约130毫瓦(实测160毫瓦);电源消耗:零信号时不大于15毫安(实测9毫安);额定功率时不大于30毫安(实测23毫安)。

本机所用薄膜集成电路共有三块(图4上点划线方框部分)。其中BZ—1用在变频及第一中放;ZJ—1用在第二中放及检波电路;DF—1用在低频放大及功放电路。三块电路的外形如图5所示,均用5×12×17毫米\(^{3}\)的塑料壳封装。电路由顶部字标加以区分(参看图5a)。引出线为φ0.35毫米镀银铜线,分二排排列,BZ—1有11根引出线;ZJ—1有8根;DF—1有11根;引线编号也由顶部字标区分。薄膜电路块的内部结构大体如图5b所示。其中主要是两块背靠背地粘在一起的玻璃基片(10×15×0.5毫米3),两基片的正面做有按前面所述方法做成的电阻、电容器,并焊有芝麻晶体三极管和二极管,然后将基体用环氧树脂灌封在塑料外壳中即制成完整的电路块。

电路块内所含元件多少和连接法按实际电路确定。现以ZJ—1电路块为例来说明。图6上画出了它的内部构造。图6a是实际电路原理图。图6b是电路块内两块玻璃基片上的元件排列和连接情况。其中包含2个3DG1或3DG13芝麻三极晶体管、1个芝麻二极晶体管2CK20、4个铬—一氧化硅Cr—SiO薄膜电阻、2个五氧化二钛Ta\(_{2}\)O5电容。这个电路块与外接中频变压器、电位器等组成第二中放及检波电路。这里与一般锗管收音机不同之处是检波二极管的接法是相反的,因为第一中放用的是硅管,这样接才能起自动增益控制作用。
薄膜电路块BZ—1包含3个3DG1(或3DG13)芝麻晶体三极管、6个Cr—SiO薄膜电阻、3个Ta\(_{2}\)O5薄膜介质电容。与外接输入回路、双连可变电容器、振荡线圈和中频变压器等组成变频及第一中放级电路。变频级采用一般常用的共基调发线路,其优点是增益较高,工作稳定,而第一中放和薄膜电路ZJ—1中的第二中放均采用了差分电路。这种电路的特点是可省去发射极及基极的旁路电容及中和电容,且工作稳定,但要多加一个晶体管,而多加一个晶体管,对于集成电路来说比多加电容器容易得多。
薄膜电路块DF—1包含1个3DG1(或3DG13)芝麻三极管、2个3DK2芝麻三极管、9个Cr—SiO薄膜电阻、2个Ta\(_{2}\)O5电容。它与外接晶体管BG\(_{9}\)、半可调电阻等元件组成低频前置阻容耦合放大、末前级放大及无输入、输出变压器的互补功率放大。由于采用了镍镉电池,而他们在正常使用情况下电压不会降得太低,这样也能弥补互补电路对降压比较敏感的缺点。
因为三块薄膜电路集中了35个元件,而它们之间已固定连接好,这就大大减少了焊接点,并相应地使漏焊、虚焊、错焊大为减少,整机的组装非常简单,从而提高了工作效率和整机质量,并使收音机体积减小,重量减轻。
采用集成电路后,收音机的修理工作大为简化,但缺点是集成电路块里面坏了一个元件后,如无法在外另补接一个元件,就要导致整块集成电路报废,要重换一块。这就要求集成电路一方面质量要可靠,另一方面成本要低,以便于推广使用。(朱达 华旭旦)