黑白电视机中的场扫描部分,在使用电子管的电路中一般是由锯齿波振荡器和甲类放大的输出电路两级组成。在使用晶体管的场扫描电路中,考虑到要供给输出级足够的激励功率,同时避免振荡器由于直接输出激励功率而负担过重,导致同步稳定性差或增加同步电路的复杂性,所以增加一级中间激励放大级。
混合式电视机中,扫描电路采用电子管。电子管的场扫描电路种类较多,可以选择制作较为简单、调试较为容易的电路。锯齿波振荡器可选用多谐振荡器,也可用间歇振荡器。多谐振荡器比间歇振荡器省去了一个脉冲变压器,但如采用对称型双管多谐振荡器,就要比间歇振荡器多用一只电子管。在场扫描中,这两种振荡器在电性能上差别不大。
场扫描输出级,一般采用有输出变压器的输出电路。这是因为如不用输出变压器,要使偏转线圈的阻抗和电子管输出阻抗相匹配就比较困难,而且对电路的要求也比较高。为了降低成本和简化装制,场扫描电路也可用三极、五极复合管组成不对称式多谐振荡器兼输出级电路。
晶体管场扫描电路的锯齿波振荡器,也可用间歇振荡器电路或多谐振荡器电路。间歇振荡器负载能力强,能输出较大功率,但是要设计、绕制脉冲变压器。多谐振荡器结构、安装较简便,但是它的振荡频率易受温度和电源电压变动的影响而漂移。输出级一般采用扼流圈耦合的无输出变压器电路,这是由于晶体管输出阻抗容易与偏转线圈的阻抗相匹配。另外,在什么情况下加入激励级比较有利呢?让我们先来估算一下场扫描输出级所需的激励功率。对23厘米、90°偏转角的显象管来说,如所用场偏转线圈的电感量L\(_{c}\)=75mH,其电阻Rc= 38Ω,第二阳极高压U\(_{a2}\)=8KV,场扫描输出级就必须输出Ipp=0.38A左右的锯齿波偏转电流。那么,输出级所需要的输入激励电流I\(_{b}\)=Ipp/h\(_{fe}\),如输出晶体管的hfe=80,I\(_{b}\)=380mA/80≈4.7mA,激励输入电压Ub为:U\(_{b}\)=Ib·R\(_{sr}\)=Ib·〔R\(_{b}\)+(1+ hfe)R\(_{e}\)〕(式中Rb为晶体管输入电阻,R\(_{e}\)为发射极串联电阻),如Re=4Ω、R\(_{b}\)=50Ω,则Ub=4.7mA×370Ω≈1.7V\(_{pp}\),这就是说,前级电路必须在370Ω内阻的电路上输出1.7Vpp左右的激励电压,如图1。一般来说,直接由锯齿波振荡器输出这样大小的激励功率完全可能,条件是末级输出晶体管的h\(_{fe}\)为80。如末级输出晶体管的hfe值低于此值,那么激励功率就需要增大,若再加上制作中元件及电路的选配不理想,那么就要加入激励级,否则锯齿波振荡级的负担就显得重了,甚至负担不了。振荡级负载过重时,输出级工作状态的变化对振荡级工作的影响较大,造成调整困难。例如调整振幅及线性时会严重影响同步,线性难以调好,同步灵敏度不够等等。

40厘米电视机场扫描电路

40厘米混合式电视机的场扫描电路如图2所示。它是由一只三极、五极复合管(6F3)组成的不对称屏栅耦合多谐振荡器兼输出级的电路。C\(_{1}\)、C3、R\(_{2}\)、C8是多谐振荡电路的反馈元件,振荡频率主要由R\(_{4}\)、W1、R\(_{1}\)、C2 的大小决定,这里用改变W\(_{1}\)的办法来调节场振荡频率。C6、W\(_{3}\)、R9是控制电压形成的元件,用以形成输出级所需的锯齿形脉冲电压。C\(_{9}\)、R11、W\(_{4}\)、C7、W\(_{3}\)、R9、C\(_{5}\)、C6等组成屏极对栅极、阴极反馈网络,其作用是将6F3管五极部分屏极输出的脉冲电压经过积分后反馈到输入端,达到改善场扫描线性的目的。W\(_{3}\)、W4是可调的,改变它们的阻值就可改变反馈电压的大小和波形,从而起到场扫描线性的调节作用。R\(_{3}\)是隔离电阻。C4、R\(_{8}\)是五极部分的栅偏压产生元件,它们的大小直接影响输出级的工作状态,所以选用不同电子管时应作适当调整。6F3管三极部分的屏压是由行扫描输出级引出的560V提升电压经R12、C\(_{1}\)0滤波后再通过R5、W\(_{2}\)、R6分压取得的,调节W\(_{2}\)就可改变屏压的大小,也就改变了输出脉冲电压的幅度,从而改变了场扫描幅度。C12、R\(_{14}\)、C14、R\(_{15}\)组成一复杂微分电路,把输出级输出的电压微分形成正极性脉冲电压,再通过C13加到显象管的控制极上,作为场回扫时的消隐脉冲电压,以保证扫描光栅在场回扫时不出现回扫亮线。C\(_{11}\)、R13是用来衰减回扫脉冲使它不致过高。这个电路并没有什么特殊的地方,是一般较典型的场扫描电路,只是线性调节电路和消隐脉冲电路稍复杂些,以及采用了复合电子管6F3。如没有6F3管,也可以用6N1、6P1两管来代替,除阴极电阻R\(_{8}\)改为430Ω外,其余元件数值均不需变动。此外,有一种ECL82管也可直接代用,它的管脚图见图3,此时,R8改为360Ω。图2电路也可用于47厘米电视机。35厘米、40厘米、23厘米混合式电视机当然也可用,但场输出变压器及其它元件需要重新设计。

电路中的电阻、电容器可用一般的,但容量大的电容器最好用密封纸介质或金属膜的,容量小的用瓷介质或聚苯乙烯介质的,这样可提高稳定性和可靠性。元件在装制前一定要先检查一遍,以减少调试时的困难。场输出变压器B的铁心用截面积为19×30mm\(^{2}\)(5.7cm2左右)的硅钢片,初级用直径φ0.15~0.17mm的漆包线绕2500匝,次级用直径φ0.44~0.49mm漆包线绕370匝,初级、次级本身及初、次级间的绝缘必须良好(因该变压器工作时初级有千伏以上的脉冲电压,一般电视机中加有非线性保护元件,但如绕制变压器时,绝缘做好了,也可不用保护元件)。初、次级间应垫两层以上的黄蜡绸作绝缘,绕线骨架应浸蜡处理。线圈绕好后也应浸蜡。装配时注意夹紧铁心,免得工作时发出场频振动声。为了绕制方便,初级可用纱包线采用乱绕法,层间不用垫纸。实践证明,这种办法简单可靠。变压器硅钢片要用质量较好的,否则将造成电感不够而影响场扫描线性。场偏转线圈L\(_{c1}\)、Lc2的绕制参看图4,每组线圈用直径φ0.25~0.27mm漆包线绕650匝,分七层绕。绕第一层时,以60°基准线为范围,以后逐渐扩展,最后一层以100°基准线为范围。从第一层至第七层的匝数分别是:55、64、90、100、106、110、125。线圈直接绕在磁环上,但要垫上一层黄蜡绸作绝缘,注意每层绕线分布要均匀,不然将使光栅产生几何畸变。图5是35厘米、43厘米等70°偏转角的场偏转线圈绕线模子。绕制方法及数据可参考一般电视书籍。


场扫描电路装制完毕后,只要元件装配无误,一般不需作静态调整。由于电视机的扫描电路由多方面组成,调试时各方面互有牵连,故扫描电路的调试、故障分析及排除,拟另外介绍。
23厘米电视机场扫描电路


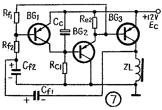
23厘米场扫描电路如图6、图10所示。其中图6是多谐振荡器线路,图中BG\(_{2}\)是一射极跟随器,主要起隔离作用,以免输出级BG3的变化影响到BG\(_{1}\)的正常工作,从而使振荡器工作稳定并能输出线性良好的较大的场偏转电流。多谐振荡器的工作原理简述如下。我们可以把图6电路简化成图7形式。由图7可知加到BG1基极上的反馈信号有二:一是由BG\(_{3}\)集电极引出,经Cf1、C\(_{f2}\)、Rf2组成的支路加到BG\(_{1}\)基极的正反馈信号;另一是由BG2发射极引出的经R\(_{f1}\)加到BG1基极的负反馈信号。使电路能产生振荡的是正反馈信号。电路接通电源后,假设BG\(_{1}\)集电极电流上升,那么电路将发生下列的连锁反应(uc1↑、ub\(_{1}\)↑等均指电压对地向正方向增加):


结果导致BG\(_{1}\)迅速饱和,BG2及BG\(_{3}\)截止。但BG1饱和、BG\(_{2}\)及BG3截止的状态是相对的、暂时的。BG\(_{1}\)导通饱和时,+12伏的电压将经过BG1的e、b极、Rf\(_{2}\)等向Cf1、C\(_{f2}\)充电,电容Cf1、C\(_{f2}\)所充电荷的极性是与Rf2连接的一端为正,如图7所注。这样,随着C\(_{f1}\)、Cf2所充电荷的增加,BG\(_{1}\)的基极电位也向正方向移动。到一定时间,BG1基极电位上升到使之脱离饱和的某一点时,引起I\(_{c1}\)开始下降,Ic1的下降,又将引起下列的连锁反应:

结果使BG\(_{1}\)迅速转为截止,BG2及BG\(_{3}\)则饱和导通。但是这个状态也是不稳定的,由于BG1的截止,使C\(_{f1}\)、Cf2在BG\(_{1}\)饱和期间所充的电荷将通过Rf2、R\(_{f1}\)G3等逐渐开始泄放,BG\(_{1}\)的基极电位因此就不断下降,下降到某一点时,BG1又开始导通,I\(_{c1}\)又开始上升,电路将开始下一次翻转,如此循环,电路就不停地翻转振荡。由于BG1饱和时的基极电流较大,C\(_{f1}\)、Cf2的充电速度较快,因而BG\(_{1}\)饱和的时间较短,而截止时Cf1、C\(_{f2}\)要经Rf1、R\(_{f2}\)等放电,如Rf1、R\(_{f2}\)阻值较大,Cf1、C\(_{f2}\)所充电荷较多,则BG1截止时间较长。可以看出,电路翻转周期主要与C\(_{f1}\)、Cf2、R\(_{f1}\)、Rf2等元件有关。由于R\(_{f1}\)的大小直接影响着Cf1、C\(_{f2}\)放电时间的长短,控制着BG1的导通时间,故常用改变它的阻值大小的办法来作振荡器的频率调节。

BG\(_{1}\)的饱和、截止,使它能输出近似的矩形波。但场输出级需要输入锯齿波电压,因此需进行波形变换,Rc1、C\(_{c}\)就是波形变换电路。由于BG1工作于导通或截止状态,故可看作是一开关,这样,R\(_{c1}\)、Cc组成的波形变换电路可等效如图8(a)所示。扫描工程期间BG\(_{1}\)截止、相当于开关打开,电源经Rc1向C\(_{c}\) 充电,扫描逆程时期BG1饱和,相当于开关闭合,C\(_{c}\)被短接,Cc所充电荷被迅速放掉。选择R\(_{c1}\)、Cc时间常数τ远大于矩形波脉冲信号(即开关信号)的周期,那么在电容C\(_{c}\)两端将得到线性良好的锯齿波电压,如图8(b)。

从BG\(_{2}\)发射极引出信号经Rf1 加到BG\(_{1}\)基极的负反馈支路,除协助上述正反馈支路以形成较良好的振荡外,更主要的是具有稳定振荡频率的作用。这是因为如果不加Rf1负反馈支路时,在BG\(_{1}\)截止期间,Cf1、C\(_{f2}\)上的电荷泄放按指数规律进行,BG1的基极电位的下降也是一样,到BG\(_{1}\)基极电位下降到接近BG1导通点的一段时间内,电位变化缓慢,因此会引起BG\(_{1}\)每次导通开始的时间不准确,振荡频率就不稳。加上Rf1后,BG\(_{1}\)基极电位的下降受到由BG2发射极反馈回来的直线性较好的锯齿形电压的影响,在BG\(_{1}\)接近导通时,使基极电位下降的速度增加,从而提高了振荡器的频率稳定性。实践表明,如果Rf1不接到BG\(_{2}\)的发射极而直接接地,电路也能工作,但往往出现图象垂直方向的轻微抖动,观看很不舒服。这就是扫描频率有不稳定的现象。有时Cf1、C\(_{f2}\)用得太小,Rf1就一定用得大,这样由于负反馈被削弱,也会引起上述现象,对这点必须重视。现在我们再回过来看图6:C\(_{2}\)、R26、C\(_{1}\)、R1、R\(_{2}\)、W1、W\(_{2}\)等都是反馈支路元件,R3、R\(_{4}\)、R5、R\(_{6}\)、C3、C\(_{4}\)组成波形变换电路,W3、 R\(_{9}\)、R10、C\(_{3}\)、C4组成积分反馈线性改善电路。由于场输出级中的阻流圈ZL的电感量不可能做得很大,所以ZL对偏转电流有一定的分流作用,使得偏转线圈得不到线性良好的锯齿形电流,而是一向上凸的波形,如图9(a)。结果造成光栅的下部压缩。要得到线性良好的扫描电流,就得设法使BG\(_{3}\)输出的电流波形预先产生失真,即具有下凹的抛物线波形。这里是利用积分反馈电路,将BG2输出的锯齿脉冲信号经W\(_{3}\)、R9、R\(_{1}\)0、C4积分后再经C\(_{3}\)反馈回基极,使得BG2输出电压波形具有下凹抛物线形状。同样,BG\(_{3}\)输出电流波形也具有这种形状。这样,偏转线圈中流过的就是直线性的扫描电流了,如图9(b)。电路中通过改变W3的大小来得到最好的扫描线性。由于多谐振荡器的热稳定性较差,电路中以R\(_{5}\)、R9热敏电阻作为温度补偿用,使扫描线性不致因温度变化而变劣。同时,电路中由于接入了R\(_{19}\),引进了负反馈,不但具有改善本级非线性失真的作用,还能使场扫描输出电压幅度随温度变化的现象得到一定的改善,起稳定垂直幅度的作用。在安装时,R9最好紧贴BG\(_{3}\)管壳,以直接拾取BG3的热变化,这样补偿效果将更好些。R\(_{13}\)、R14、W\(_{4}\)、R16组成场幅度调节电路,调节W\(_{4}\)将改变加到BG3基极的激励电压的大小,从而改变幅度。R\(_{24}\)、R25是阻尼电阻,用以抑制场回扫期间可能产生的阻尼振荡。D\(_{1}\)、R20、C\(_{6}\)组成回扫脉冲吸收电路,限制回扫脉冲电压的幅度以免造成BG3击穿。C\(_{8}\)值愈大,抑制愈甚,但回扫时间因此而延长,反之则相反。图中所标数值在BG3的BV\(_{ceR}\)≥60V时,一般较保险。R21、C\(_{8}\)的作用是将回扫脉冲电压积分展宽后通过C9、R\(_{22}\)加到显象管控制极,同时用D2 来切除正脉冲信号,使回扫脉冲箝位于零电平,从而保证扫描光栅不出现回扫线。R\(_{23}\)是显象管控制极泄放电阻,使显象管在回扫消隐脉冲一过之后即开始工作。电路中BG2的工作点可通过改变R\(_{3}\)的阻值来调整,改变R17、R\(_{18}\)、的大小可调整BG3的工作点,从而使场输出级工作于线性放大状态。C\(_{7}\)是场偏转线圈的隔直流电容器,使偏转线圈中只流过交变的锯齿扫描电流。应该指出,将C7短接不用,电路同样能工作,但BG\(_{3}\)的工作状态必须重新调整,否则将引起放大信号的失真,形成图象的上面或下面压缩。同时由于偏转线圈流过静态直流电流,故光栅将发生垂直方向位移。若调节“中心位置调整器”也不能使图象移到中心位置,那么就需要在偏转线圈中采用反向的位移调节直流电流的方法,来控制光栅的上下移位,以保证扫描光栅位置正常。
图10是采用间歇振荡器并有中间激励放大级的23厘米场扫描电路图。BG\(_{1}\)等组成一共发射极间歇振荡电路。R4是BG\(_{1}\)的限流电阻同时又是负载,它与C3、C\(_{4}\)、C5组成一积分波形变换电路。BG\(_{2}\)等组成一射极输出激励放大器。为使偏转线圈中的扫描电流呈直线性,需使BG2输入信号产生预失真。为此,电路中设有两条反馈电路。一路由R\(_{9}\)、W3、C\(_{3}\)组成一正反馈积分电路,另一路由阻流圈ZL引出信号电压经R5、C\(_{5}\)、C4、C\(_{3}\)积分电路积分后,反馈到BG2基极,因此,加到BG\(_{2}\)基极上的信号波形为这两路反馈的信号与BG1输出信号之和。另外BG\(_{3}\)发射极接有电流负反馈电阻W2、R\(_{14}\)。调节W2可改变负反馈量的大小,控制输出的大小,从而调节了场扫描幅度。其它元件的作用与图6的差不多。由于接入了射极输出激励放大级,故与一般两级式的电路相比,对BG\(_{3}\)的选择及对电路调整的要求也低了些,同时C3、C\(_{4}\)、C5的容量也可用得较小些,降低了成本。
电路中B\(_{1}\)可用一般小型半导体收音机的输入或输出变压器的铁心,截面如5×7mm\(^{2}\)、5×5mm2 等均可,质量要好些的。1、2端用φ0.08~0.11漆包线绕1250匝,3、4端用φ0.13~0.15mm漆包线绕100匝,其中, 1、4端是绕线的“头”。阻流圈ZL用截面12×18mm\(^{2}\)左右的硅钢片,1、2端用φ0.27~0.31mm漆包线绕750匝,2、3端用φ0.08~0.11mm线绕300匝。BG1、BG\(_{2}\)的β值在40~100间为好,BG3的β值一般大于15即可,最好大于30,这样调整容易些。BG\(_{3}\)的BVceR≥60V为宜。BG\(_{2}\)、BG3的工作电流由R\(_{6}\)、R15控制,一般调整BG\(_{2}\)的Ic=3~6mA、BG\(_{3}\)的Ic=100~150mA。场偏转线圈L\(_{c1}\)、Lc2绕法见图11和图4,每组线圈用直径φ0.21mm漆包线绕750匝,分9层绕制。第一层以20°基准线为范围,以后逐渐扩展,最后一层以80°基准线为范围,每层均匀绕制。从第一层到第九层的匝数为:25,39,76,85,89,95,97,119,125。

图6中阻流圈ZL铁心截面为12×18mm\(^{2}\)左右的硅钢片,用φ0.27~0.31mm漆包线绕750匝。BG\(_{1}\)、BG2的β值在50~100间为好,BG\(_{3}\)的β值要求大于25,最好大于50,BVceR≥60V,BG\(_{3}\)的静态Ic=100~150mA。
图6、图10中的输出管BG\(_{3}\)也可用3AD6等耗散功率为10W(加散热板)的管子代替。但必须注意挑选Iceo小的管子。有时在管子刚测量时似乎I\(_{ceo}\)很小,但测量时间一长,Iceo漂移上升很厉害,甚至呈击穿状态,这种管子的热稳定性很差,不适宜用在场扫描输出级中,否则将造成垂直线性及幅度的不稳定,这点务必注意。电路全部装制完毕后,可按上面要求的各级工作电流值,调好各级电流即可。
上述23厘米电视机场扫描电路,在结构上比“简易型电路”似乎复杂些,其实只是多了一些阻容等元件,这是为了使电路装制、调整能便利些,电视机的工作能稳定、可靠些。实践证明,有些“简易型电路”由于将许多不能忽略的因素都忽略了,结果使电路的调整非常困难,工作也不稳定。(工人 王德湲)