两年前,在北京举行的亚非拉乒乓球友好邀请赛上,使用了一种新型的乒乓球电子记分器。比赛时只见记分员一按电钮,记分牌上就出现了一个个由绿色小圆点组成的阿拉伯数字,准确地记录着场上的比分变化。乒乓球电子记分器,采用了先进的电子技术和场致发光技术,操纵简便可靠,光线柔和,深受国内观众和国际友人欢迎,为增进各国人民和运动员友谊的体育盛会增添了光彩。
这种乒乓球电子记分器,是吉林省白城电光器材厂在中国科学院吉林物理研究所大力帮助和其它兄弟单位热情支援下试制成功的。本文向大家简要地介绍它的工作原理。
从场致发光谈起

乒乓球电子记分器整机外形如图1所示。机心方框图见图2。它由加减控制、计数器、字形译码器、功率驱动系统、场致发光数码屏、电源和包括场记分、局记分、加减、复位、电源开关等按键的控制盘组成。

让我们从数字显示部分谈起。本机采用的数字显示系统是本征场致发光数码显示屏。它是用粉末状的硫化锌发光材料,夹在两片电极之间构成的;一个电极为透明导电的玻璃,另一个电极是金属,如锌、锡、银等。在两个电极间加交变电场,发光材料就透过导电玻璃发出可见光。场致发光数码屏的结构见图3。

场致发光数码屏是一种冷光源,具有效率高、功耗小、结构平面化、防震性能好、视角大、工艺简单、成本低、响应速度快等优点,是目前实现中型和大型数字显示的一种较好的器件。
为了适应乒乓球比赛记分的需要,乒乓球电子记分器中的场致发光数码屏能显示数字0到39。这40个数码由9行11列共88个发光点组成,显示0到9时,数码出现在屏的中间,显示10到39时,两个数码分别在屏的两侧。0到9各数码的字形如图4所示。为了显示某一个数码,必须把交变电压加在与该数码对应的发光点上来点亮这些发光点。这个任务由计数器、字形译码器、功率驱动系统完成。

电路介绍
计数器 计数器的作用,是和控制盘中的按键配合,把比赛场上比分变化的信息转换为计数器计数状态的变化,换句话说,就是用来记录通过按动记分按键输入的记分脉冲的数目。
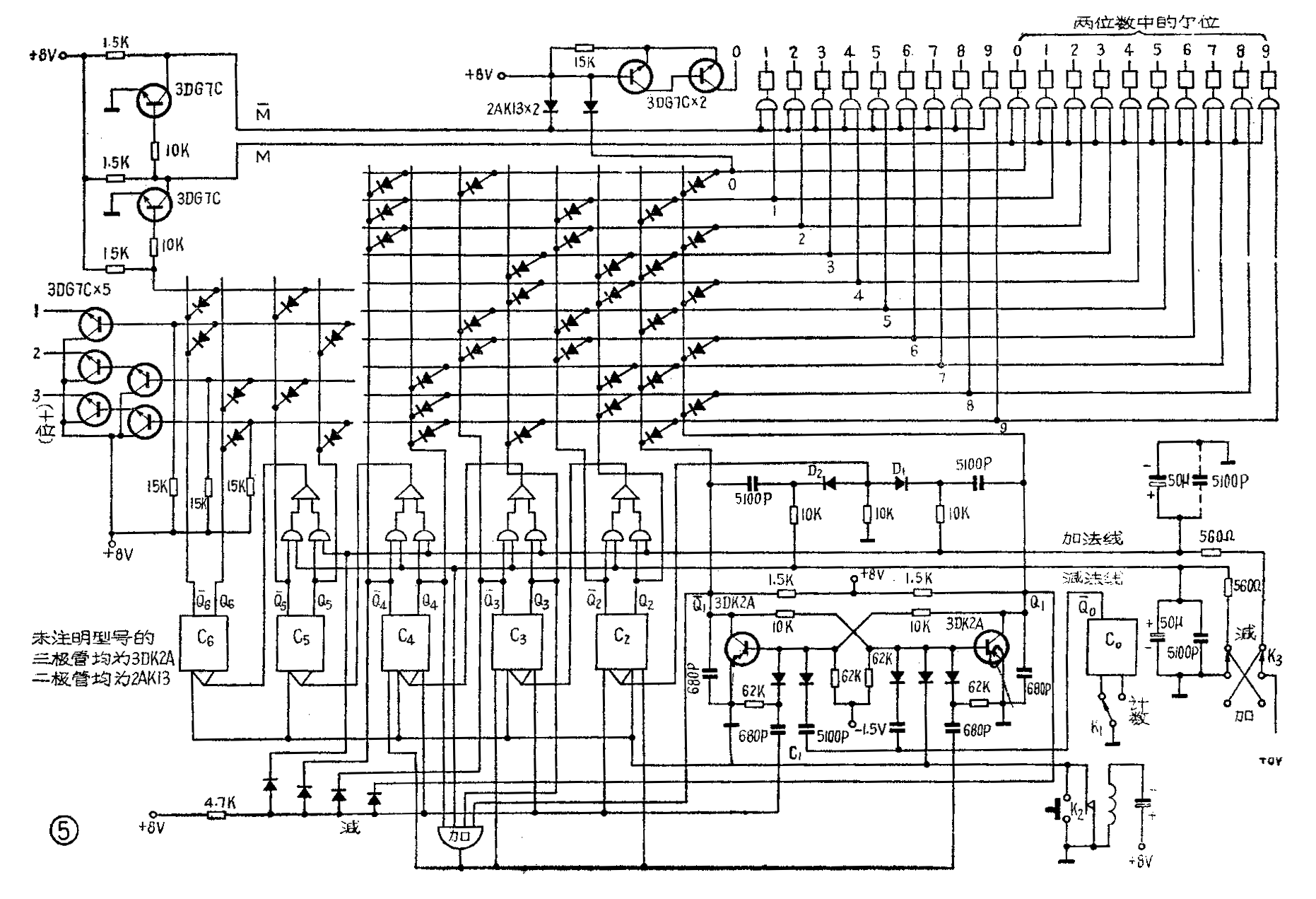
计数器电路逻辑图见图5,由 C\(_{1}\)~C6共六个双稳态触发器组成。触发器C\(_{1}\)~C4经反馈后构成二- 十进制加减可逆计数器,计个位数0到9;C\(_{5}\)~C6组成四进计数器,计十位数1到3。总记分范围为0到39。个位计数器采用余三8421代码,其编码如图6表中所示。为了能够连续记分,计数器前接有一个无偏压双稳态触发器C\(_{0}\),用一端常通、一端常闭的微动开关K1触发翻转,每翻转一次,就向C\(_{1}\)输出一记分脉冲。当加法线接0伏,减法线接+8伏时,进行加法运算,反之进行减法运算。加减运算由双刀双掷开关K3转换。为了避免计数器计0和9时变换加减开关而产生错误的翻转动作,加减法控制线经由560欧电阻和50微法电容组成的积分电路再接地或+8伏电源。在置零开关K\(_{2}\)两端并接了一个干簧继电器,开机时电解电容充电,充电电流使继电器簧片接通,保证开机时计数器自动置零。

下面简单介绍一下计数器的工作过程:设作加法计数。计数前首先置零,个位计数器呈“0011”状态(C\(_{4}\)~C1),十位计数器呈“00”状态(C\(_{6}\)~C5)。当记分按键K\(_{1}\)被按动一次时,触发器C0的Q-\(_{0}\)端由“1”变“0”,输出一计数脉冲使触发器C1翻转,Q\(_{1}\)端由“1”变“0”,此负跳变经二极管D1送至触发器C\(_{2}\)使其翻转,Q2端也由“1”变“0”。这时因减法线接+8伏,二极管D\(_{2}\)是截止的,因此进位脉冲只能从右边与门输出。Q2端负跳变又触发C\(_{3}\)翻转,使Q3端由“0”变“1”产生正跳变,以下的触发器就无法翻转了,个位计数器呈“0100”状态,即计数1。随计数脉冲的增加,个位计数器状态由“0100”依次变为“1100”;第十个计数脉冲来到时,个位计数器状态将为“1101”,加法反馈门输出一负脉冲,使计数器立即翻转为“0011”状态;同时触发器C\(_{4}\)输出一负脉冲使十位计数器呈“01”状态。这时,整个计数器便计数10了。

作减法计数时,每个触发器的进位脉冲由左边与门输出。
计数器状态的译码由二极管矩阵实现,示于图5上半部分。例如,当计数1时,Q-\(_{1}\)、Q-2、Q-\(_{4}\)均为高电位,1输出端对应的二极管与门打开,就有信号从该与门输出。
为了区别是计一位数(0到9)还是计两位数(10到39)中的个位数,以满足显示不同数码的需要,在个位计数器译码电路输出端又接了两组与门(见图5右上角)。这两组与门的开启与否,分别受十位计数器译码电路0输出端经一级和两级反相器(3DG7C)后得到的信号控制。计一位数时,M线为低电位,M-线为高电位,左边一组与门打开;计两位数时,M线为高电位,M-线为低电位,右边一组与门打开。
字形译码器 计数器的输出信号显然并不能直接驱动场致发光数码屏上相应的发光点发光。为了点亮数码屏上的发光点,电子记分器中有一套包括六十四个驱动单元的驱动系统,这些驱动器的不同组合,供给点亮不同发光点的交变电压。而字形译码器的任务,是把计数器输出的反映比分信息的电信号,“翻译”成对应于不同发光点的驱动单元的输入信号,起到由比分到字形之间的桥梁作用。字形译码器如图7,采用电阻矩阵。电阻值均为2千欧。矩阵输入端和计数器译码电路输出端相接,输出端有六十四个,接驱动系统。我们仍以记1分为例说明它的工作原理:记1分时,个位计数器译码电路1输出端为高电位,经由3DG7C管组成的射极跟随器(参看图5)后,通过字形译码矩阵中的电阻R\(_{61}\)、R62、R\(_{63}\)、R65、R\(_{66}\)、R68,输出至驱动系统,再经驱动系统即可得到点亮屏上第六列九个发光点的电压,显示数码1。

驱动系统 由前面提到的两级射极跟随器及晶体管交流无触点开关(3DG7C)、升压变压器组成,共六十四个驱动单元。后两部分示于图7中。当字形译码器某输出端有信号输出时,便将接于该输出端的三极管导通,2千赫20伏交变电压经升压变压器升压至200伏,足以点亮场致发光数码屏了。需要指出的是,发光点有88个,而驱动单元只有六十四个,是因为有的驱动单元不止驱动一个发光点的缘故。

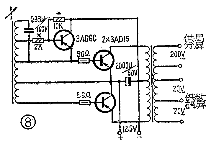
电源 场救发光数码屏需要用400赫至3千赫的交流电点亮,本机交流信号源采用晶体管电源变换器,电路如图8所示。3AD6C管作变压器反馈主级振荡,两个3AD15管作推挽功率放大。直流源12.5伏,输出2千赫200伏。
直流源:市电经整流、稳压后,分别输出12.5伏和8伏供给电源变换器和计数器、字形译码器,电路见图9。也可用R40甲电池分别供电。功率消耗不大于22.5瓦。另用一节R201.5伏干电池作负偏压电源。(吉林白城市电光器材厂工人 靳光复)
