为了落实毛主席关于“备战、备荒、为人民”和“深挖洞、广积粮、不称霸”的指示,我厂在河北省地质局物探大队的指导和帮助下,在生产支农70—2型半导体电测仪的基础上,1972年又试制成功一种集成电路JC-A型自动补偿电测仪。该仪器灵敏度高、输入阻抗大、稳定性好,适用于山区或平原地区找水和探矿。经过两年的实践,被贫下中农亲切地誉为“地下千里眼”。本刊1973年第3期介绍了支农70—2型半导体电测仪的电路原理和测量方法,本文介绍JC-A型的改进部分。
工作原理
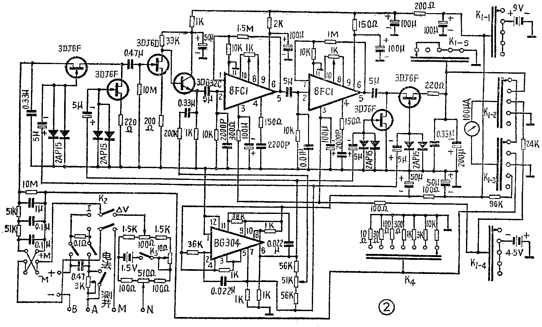
要想找到地下水,打出质量高的井,就需要了解地表面以下的地层结构。了解地层结构的方法很多,一般用视电阻率法。根据求视电阻率ρ\(_{s}\)的公式ρs=K\(\frac{△V}{I}\),测出向A、B电极供电电流I和M、N电极间的电位差△V,就可求出ρ\(_{s}\)。(请参阅本刊1973年第3期的介绍)。JC-A型电测仪也是通过求视电阻率的方法来找水的。该仪器共分两大部分,即供电部分和测量部分,它的方框图和原理图分别如图1和图2所示。


一、供电部分
本仪器使用的电源有两部分:一部是供给仪器本身各部分电路工作用的,为10节2号电池;另一部分是向大地供电的电源,有时需要几百伏的直流电压。这里所讲供电部分是指向大地供电的电源。

电路如图3,由电池组E、电流控制开关S\(_{1}\)、标准电阻R′、灭弧电容C和限流电阻R组成。当电流控制开关S1接通,电池组E通过A、 B两点向大地供电,即可测量M、N电极间的电位差△V,通过测量标准电阻R上的电压降△V′来测量供电电流I。在地面电测时,可将S\(_{2}\)接通;测井时断开S2,调节限流电阻R,测量结果可直接绘图。供电电源除使用电池组外,还可以采用我厂生产的直流升压电源。在野外测量时,供电电源需要几百伏的直流电压,使用电池组体积大,携带不便,而用直流升压电源较为轻便。
二、测量部分
准确测出M、N电极之间的电位差△V,是求视电阻率的关键问题。如用一般直流毫伏表去测量,得不出准确的结果;这是因为一般电表的阻抗小,而大地的电阻高,把电表往 MN之间一接,相当于在MN之间并联一小电阻,因而合成电阻远小于MN之间的地电阻,故通过电表反映出来的电压是合成电阻上的电压降,而不是MN之间的地电位差△V。因此,要精确测量MN之间的地电位差必须采用高阻抗电压表,而在山区测量基岩时就需要更高阻抗的电压表。支农70-2型半导体电测仪的输入阻抗不够高,所以不适合山区使用,本仪器用结型场效应晶体管作斩波器和前置放大器的目的就是提高仪器的输入阻抗,可达8兆欧以上,适合于山区使用。
除了仪器的输入阻抗外,还有二个问题影响仪器精确度,一个是极化,一个是零点漂移。去掉极化的影响是采用极化补偿电路,这部分与70-2型相同,这里就不谈了。零点漂移是一般直流放大器的通病,而交流放大器就可以忽略。我们采用调制式的直流放大器,把直流信号通过斩波器(调制器)变成交流信号,进行交流放大,再通过解调器变成与输入相对应的、放大了的直流信号。这样既放大了直流信号,又去掉了零点漂移,使仪器性能稳定。
大地M、N两点间的电位差一般是很微弱的信号,有时不到1毫伏,要测量这样微弱的信号就需要仪器的增益很高。我们采用两块集成电路8FC1做成交流放大器,再加上前置放大级,可实现很高的增益。

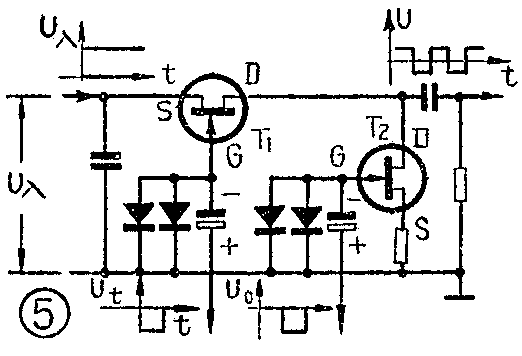
调制式直流放大器原理示意图如图4所示,下面对它的各部分电路工作原理作简要叙述。
1.斩波器(调制器)和解调器

斩波器的任务是将直流信号变换成交流信号。我们采用场效应管串并联型斩波器电路,如图5所示,它具有输入阻抗高、温度漂移小、噪声低的特点。T\(_{1}\)是和负载串联,T2和负载并联,直流信号U\(_{入}\)加在输入端,由多谐振荡器产生的驱动电压Ut加在两管栅源之间。加在两个栅板上的电压是反相的,若T\(_{1}\)栅源间电压为正,则T2栅源间电压为负,于是T\(_{1}\)导通,T2截止。这时U\(_{入}\) 通过T1加到前置放大器,T\(_{2}\)截止时阻抗很大,信号损失很小。当驱动电压变化180°后,T2导通, T\(_{1}\)截止,前置放大器的输入信号近似为零,这就起到把直流信号交换为交流信号的作用。接在两管栅极上的二极管起保护作用,防止T1、T\(_{2}\)管因栅源之间的驱动电压过大而烧毁。电解电容器是交连电容,把多谐振荡器产生的驱动电压加到两管的栅极上。
解调器的电路和斩波器相似,对解调器要求输出输入线性好、效率高,输出直流要脉动成份小。
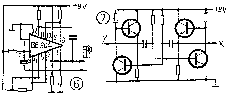
2.多谐振荡器
多谐振荡器为斩波器和解调器提供驱动电压,接线图见图6。用集成电路BG304组成,在同一硅片上的四个晶体管的各种参数都近似一致,这样组成多谐振荡器后,它所产生的方波正负部分的幅度和宽度近似相等,这就给斩波器和解调器提供了良好的信号源。电路如图7,电路接成射极输出,为的是提高阻抗,以便和斩波器和解调器相匹配。

3.前置放大器
前置放大器是由场效应管3DJ6D和低噪声硅管3DG32C组成,见图8。输入用场效应管可以提高放大器的输入阻抗。输出端用射极输出也是为了前后级的匹配。因为射极输出器具有深度的串联电压负反馈,它具有输入阻抗高、输出阻抗低的特点,采用射极输出器就能把场效应管的高输出阻抗和线性集成电路8FC1的低输入阻抗连接起来,达到阻抗匹配的目的。

此外,该仪器还有“调零”装置,是从多谐振荡器输出端中间电位器上取得电压加在射极输出极的发射极上,来补偿由于新波器场效应管的参数不一致所产生的交流电压,使在没有输入信号时表针指零。
4.交流放大器
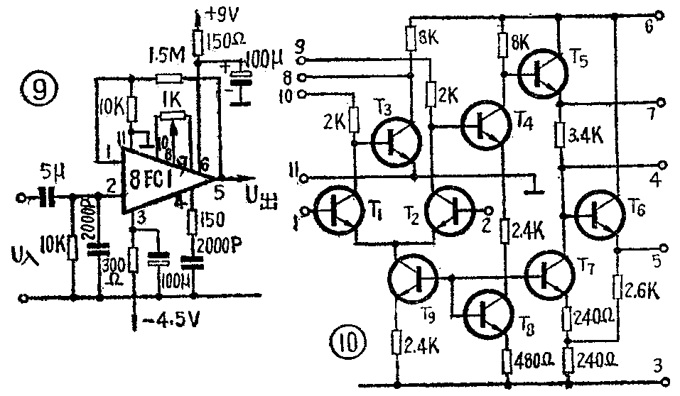
交流放大器采用集成电路8FC1(BG301、5G922),接线图见图9,原理图见图10。 8FC1是一种差分放大器,有9只晶体管和11个电阻,其中T\(_{1}\)、T2、T\(_{3}\)组成一个带恒流源的差分输入级,T3起到增加单端输出和减小共模输出的作用。T\(_{4}\)是电压放大级,T5、T\(_{6}\)和电阻3.4KΩ、2.6KΩ组成输出级;T7是输出级的恒流源。T\(_{8}\)是起温度补偿作用。这种电路具有体积小、增益高、零漂小、差动输入单端输出的特点。本仪器交流放大级采用了两块这种电路,可得几万倍的增益。

5.自动补偿电路
本仪器是将输入电压信号变换成输出电流来进行测量的。为了使电表指示稳定就必须输出电流稳定,因此要引入很强的电压负反馈。采用深度的电压负反馈以后,不管是电源电压的变化,还是放大器元件特性的变化,都不会影响放大器的增益。

在讨论自动补偿作用时,负反馈放大器的原理图可简化如图11。U\(_{入}\)是输入电压,U出为输出电压,I为输出电流,R为反馈电阻,R\(_{ф}\)为表头内阻,K为放大器的增益,U′入为输入电压和反馈到输入端的直流电压之和。在图11中,输入电压和输出电流之间的变化关系可由下式求出:
U\(_{出}\)=KU′入 (1)
U′\(_{入}\)=U入-IR (2)
U\(_{出}\)=I(R+Rф) (3)
简化(1)、(2)、(3)式可得:
I(R+R\(_{ф}\))=(U入-IR)K
或 U\(_{入}\)=I(R+Rф+KR)K
当KR》R+R\(_{ф}\)时,即在深度电压负反馈时,R+Rф可以忽略不计,可得
U\(_{入}\)≈IR
由上式可以看出,在深度负反馈时,输入电压只与输出电流I和反馈电阻R有关,而与电源电压以及放大器元件参数的变化几乎无关,只要反馈电阻R的值稳定准确,输出电流的变化将直接反映输入电压的变化(反馈电阻R是用锰钢丝制成的,并经过长时间的老化),准确地测出输出电流就可以知道输入电压,改变反馈电阻R的数值就可以改变仪器的量程。
仪器自动补偿的作用是这样实现的,当输入电压U\(_{入}\)变大时,输出电流增大,在反馈电阻R上的电压降也增加,这样就抵消了一部分增大的输入电压,使得加在放大器输入端的净电压U′入(等于输入电压和反馈电阻上电压降的代数和)变化不大,总保持在很小的变化范围内,这样使得放大器不会饱和,工作稳定。
下面说明一下“测量转换”问题。
前面说过,要计算大地的视电阻率,需要测量M、N间的电位差和A、B间的供电电流;本仪器是一个直流毫伏表,为了测量供电电流,在仪器的输入端并联一个用锰钢丝做的标准电阻,电阻值为0.1欧(参阅图2供电控制和测量转换部分),供电电流在这个电阻上产生的电压降与供电电流成正比,这样就把测量电流转换为测量电压了。测量转换由K2控制。
调整与使用
1.仪器本身使用10节2号电池,分三组:9V、4.5V、1.5V接法见电路图2。使用前,先检查仪器的电源电压,即将K\(_{1}\)拨在U1、U\(_{2}\)位置,表针应分别指在红、绿线范围内。如电压不足应更换电池。
2.将MN插孔短路,或将K\(_{2}\)拨至I位置,即将放大器的输入短路,再将K4拨至1mV档,调节“调零”旋钮,使表针指零。
3.当MN插孔短路时,将K\(_{2}\)拨至测量△V位置,K4拨至1000mV档,K\(_{3}\)拨至“极化”,检查极化补偿电路是否正常。
通过以上调整后,即可使用仪器进行测量。测量前要进行极化补偿。测量方法和分析结果都和本刊1973年第3期上介绍的相同,这里就不再叙述了,只有一点要注意,就是K\(_{2}\)在测量电流I的位置时,表头指示的读数要乘以10。(河北文安县无线电厂)