我们知道,声音传不很远,而且传播速度不够快,每秒只有340米。因此,在广播中,首先把声音变成相应的电信号,这个任务,通常都是用话筒完成的。经过话筒变换得到的电信号,是低频信号,广播如果直接发送这种信号是不行的:第一,频率太低,发射不出去;第二各个电台如果都发送这种信号,那么由于频率范围相同,各个电台混在一起,没法分开,不能收听。为了解决这些问题,还必须把上述音频电信号变换成相应的高频信号,而且每个电台都事先规定好,各选用不同的频率范围。这种频率变换,并保留音频电信号的特征的过程,一般叫做调制。日前广播采用的调制方式有两种。一种叫调幅,就是用一个振荡器产生一个高频正弦波,然后用音频电信号去改变这个高额正弦波的振幅,就好象把音频电信号装载在这个高频正弦波上,用这个高额正弦波载运,发射到远地去。因此,把这个高频正弦波叫做载波。规定各个电台采用不同的载波,各个电台就可以按不同频率范围发射信号,互不干扰。电台的频率,就是指这个电台采用的载频的频率,例如中央人民广播电台第一套节目的频率是640千赫,它的载频就采用640千赫。另一种调制方式叫调频,由于这里只介绍调幅收音机,就不多讲了。

一般调幅超外差收音机的组成部分如图1所示。各电台的信号经输入部分后只选出要收的电台信号。这个信号经变频部分,变成中频信号,这个过程就叫做外差。外差实际上也是一个调制过程,就是用电台信号去调制一个正弦波,使得出一个固定的中频频率范围,即得出465千赫中频信号。这样做的目的,是把收到的电台信号频率降低,而且不论收哪个电台,都降到同一频率范围,使后面的放大器可按一个频率范围设计,这样在放大倍数和稳定度等方面都可大大提高。经过中频放大后进行检波,还原得出音频电信号,再经过低放、功放,推动扬声器发出声音。

图2是直接放大式,即将收到的电台信号直接放大,然后检波、放大,推动扬声器发出声音。这种电路的缺点,是高放增益不能做得太大,因此选择性、灵敏度都比超外差式低。
本文着重讲输入电路部分。

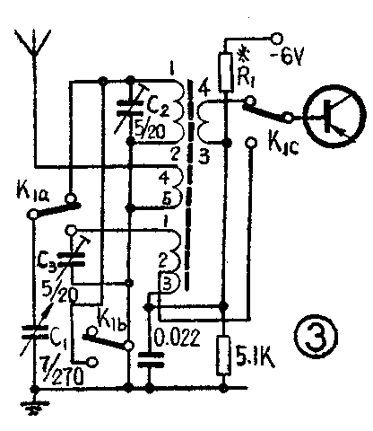
收音机输入电路是连接其输入端(即天线)与变频管基极间的电路,如图3所示为六管超外差收音机的输入电路(开关在中波段)。其作用是将天线上感应到的电台广播信号电压,选择所需要的电台信号送到变频级,并尽量减弱干扰信号电压。
输入电路选择电台信号,是用LC谐振回路完成的。根据所采用的谐振回路的数目,可分成单谐振回路和双谐振回路输入电路;根据其与天线的耦合方式,输入电路又可分成直接耦合、电感耦合和电容耦合等三种。收音机中广泛采用单谐振输入电路,且多是电感耦合式或是电容耦合式。如图3所示为电感耦合的单谐振输入电路。天线上的感应电压用电感线圈耦合到中波谐振线圈L\(_{1}\)或短波谐振线圈L2。图4所示为收音机用的典型电容输入式。

输入电路既有选择电台的任务,就有个频率覆盖的问题。所谓覆盖是指的范围,频率覆盖即是频率范围,而覆盖系数则是指在所规定的频率范围内最高频率f\(_{高}\)与最低频率f低的比值。譬如超外差收音机中波段的频率覆盖规定为535~1605千赫,则其中波段的覆盖系数K\(_{T中}\)=f高/f\(_{低}\)=1605/535=3。如图3电路,其短波段频率覆盖为3.9~12兆赫,则可算出其短波段覆盖系数KT短=12/3.9≈3。这样大的覆盖系数是靠电感L\(_{1}\)、L2和可变电容器C\(_{1}\)来保证的。即在电感L1、L\(_{2}\)固定的情况下,改变双连C1的转角由0~180°,其容量由C\(_{1最大}\)~C1最小(即270~7pf),使回路谐振频率正好由f\(_{低}\)~f高。为调整方便起见,回路内总是并联有微调电容器C\(_{2}\)、C3。若我们设C\(_{2}\)'、C3'为中、短波回路内除主调电容C\(_{1}\)外所有附加电容的和(即包括C2、C\(_{3}\)及 L1、L\(_{2}\)线圈的分布电容、安装电容等等),根据谐振回路的计算公式,可推算出如下公式,中波段:
C'\(_{2}\)=C1最大-K\(^{2}\)\(_{T中}\)C1最小K2\(_{T中}\)-1;L1=25330;f\(^{2}\)\(_{低中}\)(C1最大+C'\(_{2}\))
短波段:
C'\(_{3}\)=C1最大-K\(^{2}\)\(_{T短}\)C1最小K2\(_{T短}\)-1;L2=25330;f\(^{2}\)\(_{低中}\)(C1最大+C'\(_{2}\))
式中电容单位为微微法(pf),电感单位为微亨(μH),频率单位为兆赫。例如图3电路中选用C\(_{1最大}\)=270pf、C1最小=7pf的薄膜双连,则可算出C'\(_{2}\)=(270-9×7)/(9-1)≈26pf,若估计安装电容、线圈分布电容等杂散电容为15pf左右的话,则微调电容C2=26-15=11pf,故选用5/20pf的微调电容较合适,以补偿杂散电容估计的出入。同样亦可算出中波输入线圈的电感量L\(_{1}\)=-25330/0.525\(^{2}\)(270+26)≈310微亨,这里f低取 0.525兆赫是为了确保f\(_{低}\)=0.535兆赫而留有一定余量。
同样,也可算出短波段的微调电容C\(_{3}\)(等于C2)和短波输入线圈L\(_{2}\)的电感(L2≈5.6微亨),这里f\(_{低短}\)取3.9兆赫,KT短为 3。
如果上面计算出的电感L\(_{1}\)和L2用空心线圈,则线圈圈数要绕很多,不但使线圈的品质因素Q值大为降低,且给制作带来很大麻烦,因而半导体收音机中总是采用磁性无线,如图5所示,由空心线圈套在磁棒上组成。

目前收音机中常用的磁棒,其材料规格有两种:中波段采用锰锌铁氧体(呈黑色),短波段采用镍锌铁氧体(呈棕色)。形状有圆型的也有扁型的,两者只要长度、截面积相同,效果是完全一样的,可以根据机内安装位置来选取用圆型的还是用肩型的。一般,磁性天线愈长,截面积愈大,效率愈高。常用圆形磁棒长度有120、140、160、180、200mm多种,200mm以上的磁棒,效率升高就不显著了。
磁棒的型号,如MX—400—Y10×120,其中MX表示锰锌铁氧体,它后面的数字表示导磁率;Y表示圆形,它后面的数字分别表示直径和长度,单位为mm。镍锌铁氧体的符号为NX,扁形的符号为P,如NX—600—P120×18×4.5,就是一种扁形镍锌铁氧体磁律,其中NX后面的数字也表示导磁率;P反面的数字分别表示长度、宽度和厚度,单位为mm。
收音机输入电路采用了磁性天线后,使收音机接收信号的方向性大为增强,换句话讲就是大大提高了收音机的选台和抗干扰能力。这是因为当磁棒轴线与某一电台发送的电磁波方向垂直时,穿过磁棒的磁力线最多,线圈感应电压也最大,因而接收该电台的信号最强;其它方向来的各电台信号却只能在线圈中感应出较弱的电压,因而信号甚弱。
输入电路谐振线圈的初级圈数,要根据波段覆盖的要求,计算出电感量,再经结构计算确定,在实际调整中反复验算。对中波线圈L\(_{1}\)的次级圈数或短波线圈L2的抽头圈数来说,则要兼顾选择性、灵敏度两方面的要求。从选择性角度出发,次级圈数越少越好;但从灵敏度角度出发,就必须满足输入谐振回路与变频级输入端之间的阻抗匹配,以达到最大功率传输效率。输入回路的谐振阻抗R\(_{y}\)是随频率而变的,随频率由低到高,Ry由大到小,一般总是计算频率低端的谐振阻抗,譬如中波段可计算600千赫点的Ry。近似计算中,一般估算中波段的谐振阻抗R\(_{y}\)≈100KΩ,而变频级的输入阻抗Ri约为1~3KΩ,由此可确定中波段L\(_{1}\)线圈初次级的圈数比η=N初/N\(_{次}\)=\(\sqrt{R}\)y;R\(_{i}\)≈100;1=10,所以一般收音机中波段输入线圈的圈数比多设计在10:1左右。如图(3)电路的磁性天线如图(5)所示,其中波线圈L1的初级(1~2头)为70圈、次级(3~4头)为8圈,其短波线圈L2(1~3头)为11圈、抽头(2~3头)为2圈。
绕线圈的线:中波段一般用多股纱包漆包线如φ0.07×7、φ0.1×7等规格;短波段由于圈数较少并为了提高线圈Q值,总是采用较粗的漆包铜线或镀银铜线。
线圈的绕制:中波段线圈通常是一圈紧挨一圈密绕,初、次级线圈间留有2 mm左右的间隙;短波线圈由于工作频率较高,为尽量减小线圈自身的分布电容,总是采用间绕的,即每圈间留有一定间隙。为了保证较均匀的间距,可选用直径为所要求间距的线与短波线圈用的线双线并绕,绕够圈数以后,再将保证间距用的那根辅助线拆掉。如图(5)磁性天线的L\(_{1}\)是用φ0.07×7规格的七股纱包线密绕的;L2则是用φ0.6的镀银铜线间统的,间距0.84mm;天线耦合圈(4~5头)是用φ0.16单股纱包线密绕4圈。
钱圈骨架可用厚0.5mm的青壳纸卷成,也可用厚0.12mm的牛皮纸卷4~5层做成。为调整方便起见,必须使线圈能在磁棒上滑动,所以直接用磁棒作为卷绕骨架的心子是不行的,必须先在磁棒上用牛皮纸绕上二层作为衬垫,再卷绕线圈骨架,待线圈绕好后即将这二层衬垫用牛皮纸脱出,使线圈骨架与磁棒间保持一定的间隙。
绕好后的线圈应用蜂蜡浸渍,以防止线圈受潮后Q值下降。套入磁棒应使次级向里端。
关于输入电路的调整,将在“收音机的统调”一文中予以介绍。(金国钧)