电压表是调试和修理收音机常用的一种仪表。通常见到的电压表,都有一个表头,通过表头指针摆动的大小和量程选择来读数。我制作的这一个电压表,不用表头做指示,而是用听声音和已刻好刻度的电位器配合来读出被测电压的数值。这种电压表有如下特点:
①容易制作,成本低,只要有装配半导体收音机低放级的零件就行。
②用途广泛,不仅可简单地测量直流电压和交流电压,还可做为音频信号源或做为练习收发报的振荡器,经过一些简单改装,还可以测电阻。
线路原理
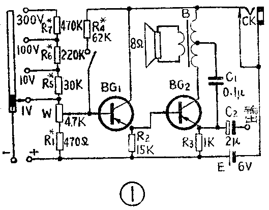
简易音响电压表的线路如图1所示。这是个由推挽输出变压器B构成的电感三点式振荡器。三极管BG\(_{1}\)接成射极跟随器,三极管BG2是共基极振荡器。BG\(_{2}\)基极所得到的正反馈电压受BG1的控制,BG\(_{1}\)相当于一个开关。当BG1导通时相当于开关闭合,正反馈可以加到BG\(_{2}\)基极,这时就产生了音频振荡。如果BG1基极电压过低而截止时,相当于开关断开,正反馈就不能加到BG\(_{2}\)基极,音频振荡也就停止了。由此可以看出,当BG1基极电压由低变高使其由截止转为导通时,BG\(_{2}\)产生振荡,喇叭就发出声音,于是就用这个声音信号的有无指示出BG1基极电压大小。被测电压通过电位器W分压后加到BG\(_{1}\)的基极。如果将电位器旋转角度刻度成被测电压数值,则利用音频振荡产生和停止的分界线,就可以指示出检测电压的大小。配合分档的电阻分压器,就可以将被测电压的范围从1伏一直扩展到300伏或者更高。

三极管BG\(_{1}\)接成射极跟随器电路,是为了提高输入阻抗,这样对被测电压分流小,以提高测量准确度。在图1中,当开关合上时,从BG2的发射极输出一音濒振荡信号,可作为音频信号源用。当开关打开时,测量电压。插孔CK是外接电键插孔,利用它控制电源,以产生发报信号。
元件选择
晶体管 BG\(_{1}\)、BG2使用一般锗低频三极管,放大倍数β在20以上即可。也可以用硅管,但截止电压要选小的,特别是BG\(_{1}\)一定要用截止电压小的管子。这样测量的最小电压可以低些。振荡变压器可用一股半导体收音机的推挽变压器。电容器C1用纸介、聚苯乙烯或电解电容器都可以,数值在0.1微法到3微法间选取,一般电容量小时振荡弱频率高。电容器C\(_{2}\)用一般小型电解电容,数值从1微法到10微法都可以。喇叭用8欧姆的扬声器,如果是用有中心抽头的阻抗在50—500欧姆范围的舌簧喇叭,可以不要变压器直接连接。如果用32欧姆或者16欧姆的喇叭,变压器要注意尽量匹配。电源可用6伏、4.5伏甚至3伏、1.5伏,具体根据电压表体积和性能决定。一般电压低时要求晶体管的放大倍数要大些,电阻电容值应重新调整。电位器选4.7千欧、5.1千欧或者10千欧,最好选体积大的,这样测量时可以精确些。电阻使用\(\frac{1}{8}\)W的炭膜电阻。量程范围可以根据自己实际使用情况来决定,用转换开关或插孔改变量程。开关用单刀两掷钮子开关或拨动开关都可以。如果还要测交流电压,就应该加一级如图2所示的分压整流器。整流器用四个普通小型硅二极管或锗二极管组成。反向电压应大于10伏,整流电流大于1毫安。

装配调试
所有元件装在印刷线路板或胶木板上。元件位置安排没有严格要求,根据线路板大小、形状和走线方便来决定。外壳可以利用一般半导体收音机的外壳。只要把调谐度盘换成标有电压数值的度盘,双连电容器的位置正好装上电位器即可。如果是拉线传动的,因为电位器旋转角度比双连大,所以拉线轮要小些,才能利用原来的度盘。
装配完毕,如果检查线路没有错误,就可以接上电源进行调试校准。首先将BG\(_{1}\)和BG2工作点调好,一般BG1集电极电流为1毫安左右,BG\(_{2}\)集电极电流为4毫安左右。只要线路元件没有故障,喇叭中就会有音频叫声。用音频电压表测量喇叭两端的电压,应有300到600毫伏。若电压过低或声音过小,可将BG2放大倍数提高或者将C\(_{1}\)数值加大。若电源电压是1.5伏或3伏的低电压,则应考虑提高电源电压来增加振荡输出。如果没有音频电压表,可用耳朵听喇叭响声的强弱来调试。一般能清楚听到音频振荡就可以使用。
振荡器工作正常后,再用标准的直流电压表和一个可变电压的直流电源来校准分压器。如果缺少标准电压表和可变电压电源,可用一个固定电压的直流电源或干电池和一块三用表来校准各档电压值。注意在校准分压电阻时,先用可变电阻或电位器调好,然后测准电阻值后再用固定电阻来代替。如果手边没有合适的固定电阻,可用在阻值偏小的炭膜电阻上刻槽线来实现,或者运用欧姆定律将电阻串联或并联使用。交流电压各档的校准方法和直流各档的校准基本相同。只是把校准用的直流电源和直流电压表换成交流电源和交流电压表就行了。校准1伏档时,先旋动电位器W,记下各位置刚开始振荡的电压值,反复校准后,将其数据刻在度盘上。1伏档校准后,再校准10伏、100伏和300伏档的分压器,这三档与1伏档共用一组刻度线。
使用时,先选好量程,然后接入被测电压,旋动电位器,直到耳机中有声音,这时度盘上的读数即为所测电压值。