电视机的显示部分就是显象管电路。这个电路如工作不正常,将直接影响电视机图象质量。要保证显示部分正常工作,首先要选择可用的显象管。但是,在自制条件下,往往遇到有疵点的显象管,怎样使用才能达到较好的效果?下面就谈谈这方面的问题。
1.亮度不够。在旧的14时、17时等显象管中这种现象是经常遇到的。主要是显象管长期使用后,阴极氧化物层发射电子的能力逐渐减弱,以致在正常灯丝电压下,阴极发射电子数量大大减少,造成亮度不够。改善的方法是提高灯丝电压,使比原来的电压值高1~4伏,以增加阴极的发射能力。只要不是由荧光粉的发光效率降低引起的亮度不够,用这种方法一般是能够见效的。另外极少数新显象管也有可能发生亮度不够的毛病,是由于管子出厂时阴极中毒或激活不良引起,可选用比原灯丝电压值高3伏的电压点燃灯丝10分钟,随即用2倍左右的灯丝电压点燃管子两小时后,再降到额定值使用。
2.暗角。暗角是指显象管荧光屏四角或某几角涂有荧光粉的地方不发光。这是由于显象管管颈与锥体间烧结工艺掌握得不好使电子枪不正电子束在偏向荧光屏角时受到阻挡所引起的。114度90度广角显象管较为多见。因为广角显象管的管颈较70度偏转角显象管的管颈细。管颈一细,工艺要求高,出现暗角现象较多。暗角现象可以从外部采取措施解决。在靠近管颈和锥体处加一固定吸引磁场,迫使电子束在这里转弯。就能使暗角减小以致消除。实践证明,只要所吸引磁场的大小、方向、位置选择得恰当,不但对光栅的正常扫描无大的影响,并可基本上消除暗角。具体方法将在同步分离与扫描电路调整中介绍。
3.真空度不良。这种疵点一般发生在使用年限较久的显象管或有慢性漏气的新管中。这种管子通常造成电视机聚焦不良,亮度开大时图象尺寸也增大等毛病,也有少数管子由此引起电子枪极间有时产生断续跳火现象,如果情况不严重,还可勉强使用,如果跳火严重,甚至管颈内充满紫光、红光等,可降低第二阳极高压一试,但并不是都有效果。一般真空度不良的显象管都有聚焦不良的毛病,降低了第二阳极高压,就会导致亮度更低、聚焦更差。
应该指出,有少数显象管由于制造时管颈玻璃(电子枪金属元件,瓷柱上沾有脏物或尘垢等,也会使显象管工作时管领内出现淡蓝色的光点、光区等,与一般收音机中末级功放管中常见的蓝光相似,这点必须与上述真空度不良的现象相区别。
4.断极。显象管内电极不论断了哪一极,都不能正常工作。碰到较多的是灯丝或阴极断,如灯丝断了可观察出两断丝之间间隙,若间隙较小可试用一只耐压450伏的30微法电解电容器在直流300伏电压上充电后,接到灯丝两端,如听到放电声,则灯丝多数被击通,显象管就可恢复使用。有些管子灯丝断了两端相离较远,可试用上述方法将灯丝和阴极击穿,而后适当降低灯丝电压,同时调制电压由阴极改接到栅极也可暂时使用。也可试用电视机行输出级产生的万伏高压来击穿灯丝,但必须串联一只1~10兆欧电阻,同时需注意安全,以防遭到电击。这个办法不宜多次使用以免加速行输出管及高压整流管的衰老或过流冲击多次而损坏。断极也有发生在第二阳极的,一般多是显象管的高压接头的圆形金属片和管内导电层接触不良以及导电层因管内玻璃壳有裂缝而使导电不良造成该处跳火,时间一久,使导电层烧坏,引起断极。有这疵点的显象管在亮度开大时由于严重跳火,荧光屏上将出现参差不齐的短白条子干扰光栅,同时仔细听可听到显象管内有跳火的“吱吱”声,所以较易判断。如果确定有这种疵点,就该尽量减低亮度,使射束电流减小到不足以产生跳火的程度为止,以免加速显象管的损坏。另外适当提高第二阳极高压,使得在相同亮度下管子的阳极电流减小,也同样能消除跳火现象。而且,还能使亮度得以提高。 第二阳极一断,显象管即完全不能工作了。
5.漏电及磁极。显象管漏电及碰极能使电视机产生影象模糊、声音失真、音低及亮度关不暗、聚焦不良、亮度不够等故障。解决的办法多试用高压电击法,在一般书中均有介绍,这里就不说了。
6.其它。显象管除上述一些常见疵点外,尚有本身电子枪安装不正引起散焦、电极松动引起微音效应、荧光粉扩散不匀引起暗斑、荧光粉涂覆工艺不良引起的发光不匀、黄斑、蓝斑、黑点等疵点,这些都是由于显象管本身制造工艺不良,一般难于纠正。在广角显象管中产生暗斑现象可能是第二阳极高压不够,因广角显象管中采用了在荧光层上涂铝膜的金属化屏幕,电子束需要很高速度才能透过荧光层上的铝膜,如所用第二阳极高压不足电子束速度就下降,透过铝膜已有困难,到达荧光层则速度更慢、能量减小,使屏幕发光度下降。而且由于屏幕中心向下凹,可能聚集较厚的荧光粉,被减速的电子对这种较厚的荧光粉层更显得轰击能力弱,因而造成屏中心有一块暗斑(俗称黄斑)。这种暗斑应与有些显象管由于离子阱磁铁调节不良引起的离子斑相区别,金属化屏幕的广角显象管,在真空度良好的情况下是不会产生离子斑的。
鉴别显象管的正常与否需将显象管置于一架扫描部分正常的电视机中进行,并且显象管要与电视机中原来的管子一样。一般国产显象管根据偏转角的不同常见有三种:70度有35SX2B(14寸)、43SX3B(17寸)。90度有23SX5B(9寸)、31SX1B(12寸)。 114度,有40SX12B(16寸),110度,有47SX13B(19寸)等等。在进行测试鉴别时需要分别改变控制极或阴极电压(以鉴别亮度质量)、聚焦极电压(以鉴别聚焦质量),使加到显象管这两电极上的电压为最佳值,以保证正确鉴别。
如果没有合适的电视机可供鉴别显象管,可用观察、测试阴极发射能力的方法粗略地判断显象管的好坏。对于70度偏转角的管子通常首先观察其管颈上的黑色发亮的消气剂镜面是否存在,如发白色或消失则表明管子严重漏气,一般不能使用,这种情况下一般灯丝也点不亮。对于90度、110度、114度偏转角的管子由于管颈细短,有时消气剂镜面被第二阳极石墨涂层遮住,不能看到,这点必须注意,以免造成误判断。第二,可观察荧光屏涂层颜色是否较均匀,是否有黄斑、黑点、黑斑等存在。第三,可用6伏电压或12伏电压(分别对应于70°,110°、114°管子及90°的管子)点燃灯丝,用万用表电阻档(R×1K)测量阴极与控制极间的电阻(正表笔接阴极、负表笔接控制极),一般阻值在20千欧以下可认为发射能力基本正常,当阻值在20~100千欧,则发光较暗,100千欧以上到500千欧则发光很暗。
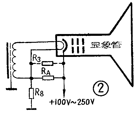
图①是16寸混合式电视机的显示部分电路。在显象管各电极上加上合适的工作电压,显象管就会发光。W是亮度调节电位器,通过它改变控制极对应于阴极的负偏压,达到控制电子束的大小,以调节亮度。R\(_{1}\)、R2、R\(_{5}\)是分压电阻,在用不同显象管或电路电压值有变动时,可能出现W开至最大仍感亮度不足及开至最小仍感亮度有余的情况,可通过改变R2、R\(_{5}\)的阻值纠正。必须指出,C1短路或有严重漏电时也会造成亮度不足或完全不亮的现象。为了在扫描逆程期间荧光屏上不出现回扫亮线,以免干扰图象,显象管控制极和加速极上,分别加有帧、行消隐脉冲。第一阳极是聚焦电极,改变它的电压可使扫描光栅得到最好的聚焦。电阻R\(_{3}\)是用来保护显象管阴极、灯丝间免被高电压击穿。显象管的灯丝和阴极之间的电位差都有限制,一般保险值在100伏左右(阴极对栅极为正),超过此值,就有击穿的可能。电视机中,由于视频信号通常都加在显象管的阴极,其阴极对地来说均接有较高的直流正电压,此电压超过灯丝与阳极间的耐压限制,所以显象管的灯丝是不能接地的。电阻R3的作用可以用图②说明。先不考虑R\(_{3}\)的接入,RA为阴极与灯丝间的漏电阻,一般为数兆欧,R\(_{B}\)为变压器灯丝绕组与地之间的绝缘电阻,一般约在数十兆欧。通常,阴极电压经RA、R\(_{B}\)的分压,阴极与灯丝间的电压(RA两端电压)很低,但是由于R\(_{B}\)是一个不稳定的绝缘电阻,它随温度和湿度的变化及变压器浸渍工艺、绝缘材料的不同而起变化。尤其自制的变压器由于各方面的绝缘处理不够严格,RB最低时将变到只有数百千欧,这样R\(_{A}\)两端分得的电压就变得很高,阴极与灯丝就容易打穿。当接入电阻R3后(如虚线所示),降低了灯丝与阳极间的电阻,相对来说在R\(_{B}\)最不利时也使RA两端分得不高的电压,这就有效地保护了显象管。在9寸电视机中,由于阴极上的电压最高一般也只100伏左右,而9寸显象管灯丝与阴极间的耐压一般均能保证在此值范围内可靠工作而不致击穿,故9寸电路中灯丝有一端接地。


图③是9寸晶体管电视机显示部分电路,此电路与16寸电路基本相同,只是工作电压不同,因此各元件的数值不同,这两个电路对12寸、14寸、19寸等电视机也完全适用,只要将各极电压适当变换即可。图④给出几种常用显象管的各极典型工作电压值(各极电压值是相对阳极而言),供使用时参考。


显象管一般固定在电视机机壳内,不要固定在底板上,以防止装置调整时发生意外爆裂。装显象管时必须小心并注意防震。防爆玻璃(用钢化玻璃或厚的有机玻璃)一定要装上。(工人 王德湲)