我厂在生产轮胎的过程中,需要将多种粉状、粒状的化学原料和热溶性的液状原料,经过计量输送到密闭式炼胶机内和橡胶混合。由于橡胶轮胎配方有几十种,如果采用普通台秤人工计量,每天需要配几百车料,然后将一桶桶称好的原料送到密炼机中混炼。我厂革委会组织了以工人为主体的三结合小组,自己动手,试制了多种类型的秤,经过实践试验,制成了数字定量自动秤(以下简称自动秤),它具有准确、快速、可以远距离操纵等优点,大大改善了劳动条件和环境卫生。现以称粉料为例,说明它的作用原理。

图1是自动秤结构示意图,它有四只料仓(1),可称四种不同的粉料,粉料经过电磁振动输送器(2),将原料均匀地加到自动秤秤桶(3)内,当料加到接近90%重量时,加料速度自动切换成慢速度加料,保证称量精度。秤桶内原料的重量通过杠杆(8),连杆(9),支点(13)等传力机构,将重力传到自动秤圆盘式指示器(10)上,由指针直接表示重量数值,并带动码盘,通过脉冲数字电路,当原料称量到给定值时,即自动停止加料。电磁阀(14)开动气缸(4),将秤桶上的蝶阀门(15)打开,粉料就自动经管道(6)卸入密炼机内。(图中(5)软性接口,(7)管壁振动器,(11)秤座,(12)平衡锤)。
这类秤是根据角度——数字转换原理,将秤量通过码盘编码和光电转换系统,把重量变换成电信号。电信号经放大、整形,送到译码器,使数字管直接显示所称的重量值。另一方面当译出的数值和给定电路预先给定的秤量数值相符合时,发出信号,控制执行机构使停止加料,达到自动定量控制。图2是它的方框图。

码盘和编码 当物料从电磁振动输送器输送到秤筒内,通过杠杆系统使圆盘秤指针按顺时针方向旋转,指示出秤量的读数,其指针的转角正比于物料的重量。我们在指针的同一轴上的另一端安装一个码盘,码盘安装示意图见图3。

码盘是一个用有机玻璃(或玻璃)做的圆盘,在圆盘上有许多同心的透明和不透明部分组成的码道,码道是根据编码要求来绘制的,这台秤是按照循环码来编码的,循环码的编码顺序表见表1。图4是码盘的示意图,图上只画出了四分之一个码盘,实际制作时,应该精确的按照编码画成圆盘形,并应该画得大些,然后按所需尺寸用照相缩小制版印在玻璃或有机玻璃上,例如数字4的编码是“0100”,“0”是不透光,“1”是透光。我们用的最大秤量是60公斤,二位整数,一位小数,共三位数(也可用以称最大秤量为6公斤的,这时三位数是一位整数,二位小数)。每一位数由四个码道组成,三位数共有十二个码道。每一个码道对应有一个光敏二极管,码盘另一面有经柱面透镜聚成狭长强光束的光源,光束通过码盘的透明和不透明部分,使光敏二极管受光照或不受光照。图4中左边部分是码盘的部分展开图,从图上可以看出,每一位数由四个码道组成,同一径向的十二个码道组成一定的数字量,例如编码“0001 0011 1001”就组成019三个数。

从表1中可以看出循环码的特点是:代码从任一数转变到相邻数时,代码的各位数中仅有一位发生变化,如从“2”转变到“3”,只有C\(_{2}\)从“0”变“1”;另一个特点是“0”和“9”、“1”和“8”、“2”和“7”“3”和“6”、“4”和“5’两个数除C1位有“0”和“1”的差别外,都是对称的。利用循环码的这两特点,可以有效的克服进位过程中出现错误信号或进位不一致时出现的错误显示。
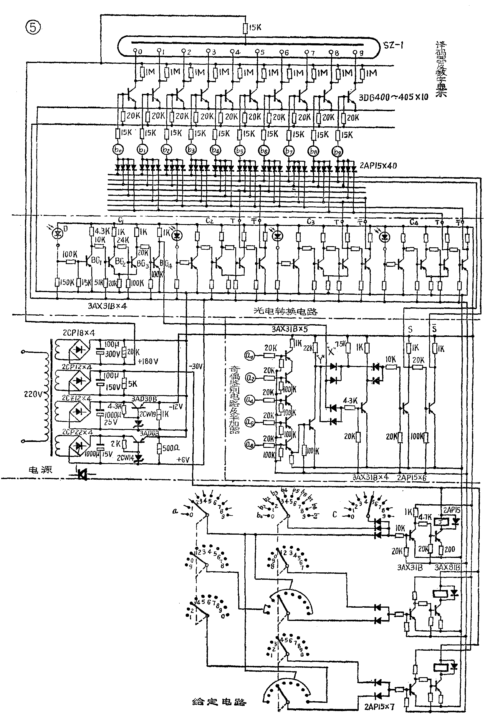
我们以二位数为例来说明。在编制码盘时先按照十进制数转换成循环码,然后按以下的顺序排列:01,02,03,04,05,06,07,08,09,19,18,17,16,15,14,13,12,11,10,20,21,22……。它的规律是当高位数是偶数时,低位数按正数序排列;当高位数是奇数时,低位数按逆数序排列。如果不是这样排列而是按正常规律排列,那么在“09”进入“10”时,二位数都要变化,高位数由0→1,低位数由9→0, 如果二位数变化不同步,可能出现“00”或“19”这两个数,虽然这是瞬时的情况,但如绘定值刚好是19公斤,就会使秤量停止,而实际上却只有10公斤料,造成很大误差。现在用的方法是,当两位数在进位时,只有1个高位数变化,低位数不变。例如“09”进入“10”时码盘上的码道变化是“09”→“19”,另外再加上一组奇偶鉴别电路和半加器,把码道上的循环码“19”译还原成十进制的数“10”。这样低位数的进位是由高位数强制同步,消除可能发生的误差。我们这台秤是三位数的,所以有两组奇偶鉴别电路和半加器,保证进位同步。图5是数字定量自动秤电路图,我们只画出中间一位的电路图,其余二位数原理相同。电路图包括以下五部分。


1.光电转换电路 电路中BG\(_{1}\)主要是用来将光敏二极管受光照和不受光照转换成电信号,BG2和BG\(_{3}\)组成射极耦合双稳电路,主要用来整形,并在BG3集电极端取得信号T,BG\(_{4}\)为反相器用以获得信号T。
无光照时,光敏二极管D电阻很大,可达几兆欧, BG\(_{1}\)基极加的是正偏压,BG1截止、BG\(_{2}\)导通、BG3截止。 T端输出为“1”,T-端为“0”。
有光照时光敏二极管的电阻下降到1000欧左右,BG\(_{1}\)基极加的是负偏压,BG1导通、BG\(_{2}\)截止、BG3导通。T端输出为“0”T-端为“1”(“0”-0伏高电平:“1”——-12伏低电平)。
每一位数是由四组光电转换电路组成,码盘上编好的循环码,由这四组光电转换电路的8个输出端组成“0”、“1”相间的8个状态,其中C\(_{2}\)、C3、C\(_{4}\)三组光电转换电路的输出端直接接到译码器,而C1光电转换电路的输出,先经过半加器再接到译码器。
2.译码器及数字显示译码器是采用二极管正与门作为控制门,按照数位编码,分别将每位数的四组光电转换电路的输出端相应的连接成有四个输入端的与门电路。例如数字0的编码是0001,相应的译码器的四端与门的输入端,分别接在C\(_{1}\)、C2、C\(_{3}\)三组光电转换电路的T端和C4一组光电转换电路的T端,当码盘转到0001位置,C\(_{4}\)一组的光敏管受光照,使C4光电转换电路输出端状态反转,T端由“1”状态转变为“0”状态,使正与门四个输入端都是“0”状态,输出亦为“0”状态,使相应的高频小功率放大管饱和导通,数字管就显示出数字0来了。数字1~9的译码器也都是同样道理,分别按照编码与相应的四组光电转换电路的输出端连接。
3.奇偶鉴别电路和半加器 将译码器偶数的输出端(a\(_{0}\)、a2、a\(_{4}\)、a6、a\(_{8}\))和(b0、b\(_{2}\)、b4、b\(_{6}\)、b8)接成二组三极管五端或门电路,作为奇偶鉴别电路(图5上只画了a\(_{0}\)、a2、a\(_{4}\)、a6、a\(_{8}\)一组)。

半加器的逻辑方框图如图6,它是一个不进位的加法器,用以使两位数字变化绝对同步。它有二个输入端,一个输入端接在高位数的奇偶鉴别电路的输出“Y”点,一个输入端接在低位数C\(_{1}\)位光电转换电路BG4的输出“X”点。它的逻辑关系见表2。这就是说低位数C\(_{1}\)位的输出不直接接到译码器,而是经由半加器更接到译码器的,它受二个因素控制;一是高位是奇数或偶数;一是本位C1光电转换电路。从表2可看出,当高位数是偶数时(Y=1),半加器的输出端S和X状态相反,当高位数是奇数时(Y=0),半加器的输出端S和X的状态相同。我们还是以09进到10为例,码盘上的编码顺序是09,19,这里高位数由0进位到1,低位数9不变,由于高位数由偶数变为奇数,半加器Y输入点为“0”态。低位数C\(_{1}\)受光照,它的T端输出为“0”,T-端输出为“1”态(9的代码为1001),因此半加器X点为“1”态,从表2可得出半加器的输出S为“1”态,S-为“0”态。使译码器数字9的四个输入端中有一端为“1”,而数字0的四个输入端都是“0”态,因此不会显示“19”而是显示“10”。所以低位数的进位是由高位数强制同步,消除了可能产生的误差。
表2
X Y s
0 0 0
0 1 1
1 0 1
1 1 0
4.定量给定控制电路 秤量的三位数用三只波段开关来选择给定定量。十位数用3刀10掷,个位数用5刀10掷,小数位用单刀10掷波段开关。它们的作用是:1、在给定定量时停止加料,2、提前2公斤时使快速加料切换成慢速加料,3、在超过1公斤时发出报警信号并使秤量再一次停止,防止发生差错。图5中举的例子秤量是23.5公斤。
如需同时称几种料,那么可以把几组给定控制电路并联起来,给定好各个定量值,按照控制电路步骤,称好第一种料,放到中间料仓,再称第二种料……等。