超声波探伤是无损检验方法之一,也就是被检材料不受破坏,而可探测存在于材料内部的各种缺陷(如裂纹、气泡、夹杂物等)和测定材料性质的方法。它具有灵敏度高、操作方便、快速、经济、易于实现自动化探伤等优点,所以广泛运用于机器制造、冶金工业、化工设备、交通运输等部门中,已成为检验产品质量的一种重要方法。现在超声波探伤不仅有常用的手动探伤,而且已有能够用于钢板、钢管、焊缝等生产线上进行连续探伤,自动分类、进行质量控制的自动化装置。高温、高压、高速及核动力、宇宙航行等技术的飞跃发展,要求对产品的微小缺陷预先检出,超声波探伤法由于它独特的优点,得到广泛的应用。
超声波
通常人耳能听到的声波,其频率约在20赫~20千赫范围内。频率高于20千赫的声波,称为超声波。超声波同声波一样,是一种弹性介质的机械振动,它以波动形式在介质内部传播。

产生超声波的方法有多种,在探伤中通常利用压电材料产生超声波,把石英晶体沿与X晶轴垂直的方向切成薄片,在晶片的两面各镀一层电极,如图1所示。当加上电压时,在厚度方向产生伸缩。反之,当晶片发生伸缩时,则在两电极间产生电压,这种现象称为压电效应。如果在晶片两面加高频电压时,则晶片产生同一频率的振动,这种振动在介质中的传播形成超声波。由于压电效应是可逆的,所以当超声波作用于晶片时,将产生同一频率的交变电压。这种晶片能把电能与机械能互相转换,可以用来制作换能器。
超声波在介质中传播有多种方式,用于探伤的有纵波、横波、表面波、板波等几种波型。纵波常用来检验厚板、锭材、大型锻件及形状比较简单的制品。横波常用来检验焊缝、管材及形状较复杂的制品。表面波多用来检查工件表面的裂纹等缺陷。板波主要用来探测几毫米厚的板材和带材。
探伤原理及方法
在超声波探伤中有反射法、穿透法和谐振法。但用得最多的是脉冲反射法。下面就介绍脉冲反射法的原理及其应用。当探头(换能器)发出的超声脉冲在工件中传播,碰到异质(如空气层、分层、夹杂物等)的界面时,就发生反射。脉冲反射法,就是根据反射波的强弱、位置及波形,来判定缺陷的有无、大小和位置、性质。脉冲反射法在实际应用中有以下几种方式:
1.接触法。将探头与工件直接接触,探头与工件之间涂上油类作声耦合剂,探测时探头在工件表面移动,如图2所示。

探头发出的超声脉冲在工件中传播,一部分遇到缺陷而被反射回来,一部分抵达被检工件底面,经底面反射后回到探头。缺陷的反射波先到达,底面反射波(底波)后到达。探头接收到的超声脉冲又变换成高频电压,通过接收器送入示波管。
用单个探头兼作发射和接收时,如图2(a)所示,发射脉冲和反射脉冲均送入接收器的输入端。而发射脉冲的能量比反射脉冲强得多,所以当发射脉冲过去后有一段时间内即使有反射波进入,也无法与发射脉冲分辨清楚,这就是接收器所产生的“阻塞”(或称盲区),造成近区探测困难。所以在检查薄工件或表面附近的缺陷时,常采用双探头法,如图2(b)、(c),即一个探头发射,一个探头接收的方法,避免强发射脉冲进入接收器,这样基本上可消除阻塞现象。
接触法探伤的特点是简易灵活,探测灵敏度较高,适于精密探伤,但是在接触法中探头易磨损,探头与工件的接触状况难以一致,易产生漏检,探查速度低,难以满足大批生产的需要。
2.水浸法。如图3所示,把被检工件全部或局部浸在水中,发射的超声波通过一段水中距离后入射于被检工件进行探伤。

在水浸法中,由于探头与被检工件不直接接触,超声波的发射和接收受工件表面不光洁的影响远比接触法为小,故比较稳定。探头不会磨损,易实现自动连续探伤。用水浸法时,可使用较高的频率(例如10兆赫),以减少发射脉冲宽度,缩短最小的探伤距离(盲区),能对较薄工件进行探伤。另外,由于探头对被检工件的取向可自由改变,故容易进行斜角探伤,同时便于对具有曲面形状的工件,如管、棒等进行探伤。
3.斜探头法。斜探头探伤也是常用的一种方法,使超声波以一定入射角度进入工件,根据折射定律产生波型变换,选择适当的入射角和第一介质的材料,可以使工件中只有横波传播。利用改变探头的入射角,也可以产生表面波和板波。斜探头法是焊缝、管材、车轴、钢轨、板材等以及工件表面探伤的主要方法,见图4。

在斜探头法中,因为不出现底波,不能象接触法那样利用始波与底波之间的反射波来确定缺陷的位置,所以常常用计算方法定出检查范围,再利用此范围内的反射波确定缺陷的位置。
超声波探伤仪
通常所说的超声波探伤仪指的就是脉冲反射式探伤仪,它是超声波探伤仪中使用得最普遍的一种,现以我厂生产的CTS—8型晶体管超声波探伤仪为例,介绍脉冲反射式探伤仪的基本组成部分及其工作原理。这种探伤仪实际上是一种特殊示波器,示波管荧光屏的横座标代表距离,纵座标代表反射波声压强度,在示波器上根据反射波的位置和幅度可反映出工件缺陷的深度和大小。探伤仪主要由同步电路、发射电路、接收电路、扫描电路、标距电路和显示电路等组成,它的方框图见图5。探伤仪根据实际探伤情况的需要,配用各种不同规格的探头。对工件用接触法、水浸法或斜探头法进行探伤。

同步电路是用来产生一定重复频率的同步脉冲去控制发射电路、扫描电路以及标距电路等,使整机协调工作。发射电路是用来产生高频脉冲电压,激励探头产生超声波,对工件进行探测。从工件反射回来的超声波由探头接收后送到接收电路进行放大、检波,最后由显示电路显示出探伤波形。下面简单讲一讲各部分电路的工作原理。
1.同步电路。由BG\(_{1}\)01、BG102、BG\(_{1}\)03、BG104、BG\(_{2}\)01等组成,见图6。本电路产生同步信号,供给发射电路、延迟电路、扫描电路和标距电路作为触发信号源。BG101、BG\(_{1}\)02组成自激对称多谐振荡器,产生对称矩形脉冲,其重复频率主要取决于R102(R\(_{1}\)04)和C102(C\(_{1}\)03),本电路的重复频率定为200赫。

BG\(_{1}\)02集电极输出的矩形脉冲,经C108、R\(_{111}\)微分形成正负向尖脉冲,取其正向尖脉冲作为同步信号,去触发延迟电路,同时经BG201倒相放大后去触发标距电路。当延迟电路不工作时,同步信号经C\(_{2}\)03、BG203直接触发扫描电路。
此外,BG\(_{1}\)02输出的矩形脉冲经C105、R\(_{1}\)06和BG103微分倒相放大后,输出负向尖脉冲触发间歇振荡器BG\(_{1}\)04,由于脉冲变压器B5具有很强的正反馈作用(但又不致使电路产生自激),因此可以取得宽度狭幅度大的正向尖脉冲去激励发射电路。


2.发射电路。由可控硅管BG\(_{113}\)、电容C114、电感L\(_{1}\)~L3等组成。如图7所示。当BG\(_{113}\)不导电时,+500伏电源电压经R110向C\(_{114}\)充电,其等效电路如图8所示。充电时间常数——τ≈R110·C\(_{114}\)(因为R110》R)。为了使电容C\(_{114}\)在下一个同步脉冲到达之前, 能充满电,一般要求τ≤\(\frac{T}{5}\)(其中T——同步脉冲的重复周期)。

当同步脉冲经R\(_{122}\)输入时,BG113被激励导通,C\(_{114}\)通过BG113向电感线圈及探头晶片放电(等效电路如图9所示),使晶片产生超声衰减振荡,由于晶片的换能作用,在被测介质中形成超声波。
电容C\(_{114}\)在放电完毕后,可控硅管已无法维持导通,而处于截止状态,故衰减振荡的频率(即超声波工作频率)仅决定于探头晶片和电感线圈L1~L\(_{3}\)而与C114无关。L\(_{1}\)~L3是匹配线圈,对应于不同的超声波工作频率,由开关K\(_{1}\)转换。K2为“单—双”开关,当开关置于“单”时,发射与接收共用一个探头。开关置于“双”时,则使用两个探头,一个用于发射,一个用于接收。超声波振幅可由W\(_{1}\)调整。
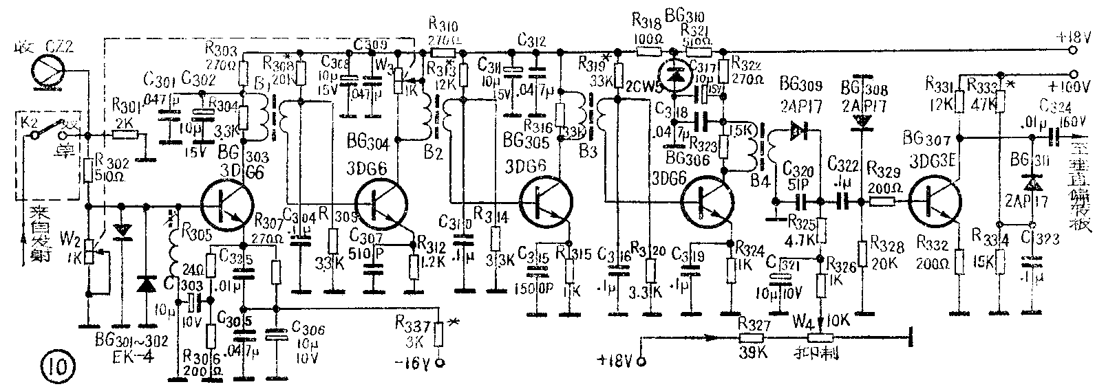
3.接收电路。包括高频放大器、检波器、视频放大器,见图10。

由BG\(_{3}\)03~BG306组成的四级参调高频放大器,按成对失谐的调整方法获得1~3兆赫的通频带。
W\(_{3}\)用以改变BG304调谐线圈的衰减电阻,从而调节放大量。W\(_{3}\)和输入电位器W2连动,作为总增益调节。高频放大器的最大增益不小于80分贝。
当开关K\(_{2}\)置于“单”时,发射脉冲直接加于放大器的输入端。由于发射脉冲幅度强达300伏以上,因此在接收放大器之前,加入二极管BG301、BG\(_{3}\)02作为限幅器,利用其正向伏安特性进行双向限幅,使高频放大器的第一级晶体管得到保护。
脉冲信号经放大后由检波器(BG\(_{3}\)09)进行检波,取其正向包络电压馈至视频放大器。在BG309的负端引入一个可谓的正电压,以控制检波电平,从而将高频放大器的噪音和被测材料中无意义的杂乱反射等弱小信号削去,这个电压,称为抑制电压,可由W\(_{4}\)调节。
检波器输出的信号经C\(_{322}\)耦合到视频放大器(BG307)。当脉冲信号密集时,C\(_{322}\)充电所获电压足以影响BG307的工作点,因此,加入箝位二极管BG\(_{3}\)08以固定BG307的工作点。
为了满足示波管偏转电压的要求,脉冲信号经视频放大器增幅后,加到示波管的垂直偏转板。由于输入信号是单向正脉冲,为了充分利用视频放大器的工作区间,在探伤仪中视频放大器的工作点,通常设计在小电流甚至在截止状态,本例中BG\(_{3}\)07采用零偏置。二极管BG311为限幅器,把视频输出脉冲的最大幅度限制在80伏左右。
4.延迟电路。由射极耦合单稳态触发器BG\(_{1}\)07、BG108组成,见图11。一般使用时,延迟电路先处于关闭状态。如探测距离较深,缺陷靠近工件底面或相邻的缺陷反射波不易分清时,加上延迟电路可以展宽反射波,使需要观察的反射波处于荧光屏中心位置,以便于观察分析。

在同步信号触发下,单稳态触发器产生一定宽度的正向矩形脉冲,脉冲宽度主要决定于R\(_{116}\)、C111以及BG\(_{1}\)07的工作电流,因此可通过调节W5改变BG\(_{1}\)07的工作电流,来调整脉冲宽度。输出的正向矩形脉冲经C204、R\(_{2}\)08微分后,取其后沿的负向微分脉冲去触发扫描电路。可见,对应于同步信号的正触发沿,扫描的起始落后了一个矩形脉冲的持续时间。改变矩形脉冲的宽度即改变了扫描的延迟时间。本例中延迟范围为20微秒至500微秒。
当不使用延迟扫描时,可将K\(_{3}\)断开。这时,经R206加在R\(_{2}\)07上的正电压消失,则BG203处于正向偏置(见图6),经BG\(_{2}\)01倒相后的同步信号直接触发扫描电路,这时延迟时间为零。
5.扫描电路。是使示波管的光点以一定速度作水平移动的电路,它由BG\(_{2}\)05~BG213组成。BG\(_{214}\)~BG217组成升辉脉冲放大器,见图12。

来自延迟电路或同步电路的负向脉冲,经BG\(_{2}\)05倒相放大,输出正向脉冲触发单稳态电路BG207、BG\(_{2}\)08。在BG208集电极产生正向矩形脉冲,作为扫描发生器的开关闸门。闸门宽度可由K\(_{4a}\)改变R216—R\(_{218}\)作步级调整,配合扫描发生器的扫描速度,作为探测距离粗调。
BG\(_{2}\)09、BG210组成锯齿波发生器。在静止时,BG\(_{2}\)09导通,电源电压经BG209向电容C\(_{2}\)08—C211充电。当开关闸门输入时,BG\(_{2}\)09截止,这时C208—C\(_{211}\)向BG210放电,利用晶体管的输出特性,使放电电流趋于恒定,形成线性上升的锯齿波。W\(_{6}\)用于调节BG210的集电极电流,也即控制C\(_{2}\)08—C211的放电电流,从而改变锯齿波的斜率,作为扫描速度微调。
正向锯齿波经射极跟随器BG\(_{211}\)加至高压放大器BG212,形成幅度约120伏(峰值)的负向锯齿波,作为扫描电压馈至示波管水平偏转板的一边。BG\(_{213}\)系扫描倒相管,用于产生幅度也约为120伏(峰值)的正向扫描电压,馈至水平偏转板的另一边。
升辉脉冲放大器将闸门信号放大,形成幅度约为50伏的正向矩形脉冲,馈至示波管调制栅极,增强扫描正行程的辉度,使波形明亮,利于观察。升辉脉冲放大器的输出级采用串接放大器(BG\(_{216}\)、BG217),以获得较高的输出幅度,射极跟随器BG\(_{214}\)和具有深度负反馈的倒相放大器BG215的引入,是为了使升辉脉冲保持陡峭的前沿。
6.标距电路。为了便于确定距离而加入标距电路,它在水平扫描线上显示出一系列可调的等间隔的时间刻度,每一刻度代表着一定距离。
标距电路由单稳态电路BG\(_{4}\)01、BG402和开关电路BG\(_{4}\)03、BG404以及间歇振荡器BG\(_{4}\)06组成,见图13。

来自同步信号的负向尖脉冲,触发单稳态电路,在BG\(_{4}\)02的集电极输出一个持续时间为2000微秒的负向矩形脉冲,加至开关电路,使BG404导通。开关管BG\(_{4}\)04串接在间歇振荡器BG406的集电极,以控制BG\(_{4}\)06的电源供给。当BG404导通时,由于脉冲变压器B\(_{6}\)具有很强的正反馈,因此BG406产生自激间歇振荡,在B\(_{6}\)的输出绕组中获得一系列负向尖脉冲,通过电容C405馈至示波管垂直偏转板,作为探测深度的距离标志(即所谓标距)。在实际使用时,根据被探查的不同材料,可通过调整W\(_{12}\)来校正标距脉冲的间距所代表的探测深度。当标距不使用时,可断开K5。
超声波探伤仪是一种精密的电子仪器,根据不同的用途,往往采用各种特殊电路和装置,如报警电路、自动控制电路、闸门跟踪电路和配置衰减器及记录器等。为适应生产自动化和高速探伤的需要,探伤仪已从单一通道发展到多通道,并向定量定性方向发展。(汕头超声电子仪器厂 实验科)