光电自动控制器是一种常用的自动控制装置。例如用光电自动控制器做成的塑料拉丝机断线自动停车装置,当塑料丝发生断线时,机器会自动停车,这不仅改变了一位师傅只能看一台机并且由人去关车的情况,而且降低了劳动强度,提高了产品质量。用光电自动控制器做成的冲床自动安全保护设备,人即使不小心,误把手伸入工作台,冲床会立即自动停止冲压,防止造成事故。用光电自动控制器来装备的展览会的“自动讲解员”,当观众走进展品参观时,电灯自动打开,“自动讲解员”就开始介绍,人参观完毕走开时,讲解声音会自动停止,灯也自动熄灭。
在光电自动控制器里,通过什么元件,才能把光能转变成电能从而达到自动控制的作用呢?让我们先来做个实验。
找个玻璃外壳的锗半导体三极管(穿透电流越小越好),如3AX81、3AX71、3AG71等,把它表面的漆皮刮掉,擦拭干净,使之易于透过光线,然后用黑纸做个筒罩上。如果没有玻璃外壳的管子,也可以用金属壳的管子,把金属帽去掉,用棉花轻轻地把上面的涂料擦拭干净,切不要把管心碰坏,也要用黑纸筒罩好。这时把万用表拨到R×1KΩ档,按图1(a)接好,来测量集电结的反向电阻,会看到集电结的反向电阻很大,可达几百千欧(一般在150千欧以上),然后去掉管上所罩的黑纸筒,并用光(例如手电筒)去照射管子,将会发现集电结的反向电阻立即下降到几千欧(一般在5千欧以下)。通过这个实验,清楚地说明了PN结的反向电阻与光的照射有关,是随照射光线的增强而减小的。

为什么PN结的反向电阻和光照有关呢?简单地说,就是当光照在PN结上时,在光的激发下,要产生一批新的电子—空穴对,增强了导电性能,因此,PN结的反向电阻也就减小了。这就是PN结的光敏性。若在上述的实验里,按图1(b)的方法测试,也可以有同样的效果。若把红表笔接在三极管的集电极或发射极,而黑表笔接基极,也可以看出PN结的光敏性,但不如图1的接法效果好。
象这种利用一个PN结的光敏性所制成的光电子器件,最常见的是光电半导体二极管。
光电半导体二极管,在无光照射的情况下,很像一个普通的半导体二极管,即正向电阻很小,反向电阻很大,可达3~4兆欧以上。当有光照射时,它的反向电阻立即变小,可小到几百欧。它的反向电阻随光照变化的效果,当然比用半导体三极管的PN结好得多了。除了光电半导体二极管外,还有光电半导体三极管、光敏电阻和光电池等。
光电子器件虽能将光信号转变为电信号,但输出的光电流却是很微弱的,不能直接推动指示器或控制系统,所以必须用放大器把光电流加以放大。用来放大光电流的放大器叫做光电放大器。光电放大器一般是由一级或一级以上的晶体管放大器或电子管放大器组成。图2就是由一级晶体管光电放大组成的光电自动控制器的电路。图中,照明光源可用2.5伏小灯泡接在两节干电池上做成(也可用手电筒代替)。遮光挡板也可用黑纸筒,套在光电半导体二极管或光源上。D\(_{1}\)是光电半导体二极管如2AU1等(这里是用前面所说的三极管的PN结来代替的)。BG是半导体三极管3AX21,它的β约为30(用其它型号的小功率低频管也成)。D2是硅整流二极管2CP12(任何一种硅整流管都行)。J是灵敏继电器,这里用的是内阻2.5千欧、吸合电流4.4毫安、释放电流3毫安的继电器(宜选用内阻小吸合电流也小的)。E\(_{C}\)是放大器电源,这里用12伏。ED是控制系统指示灯的电源,用两节或一节干电池即可。指示灯用2.5伏或1.5伏的小灯泡都成。

电路中,光电半导体二极管D\(_{1}\)作BG的偏流电阻,当光线未照到D1上时,它的阻值很大,所以BG的基极电流I\(_{b}\)很小,因而集电极电流Ic也很小,继电器处于释放状态,常闭接点将指示灯红灯回路接通,故红灯点亮。当去掉挡板,使照明光源的光射到D\(_{1}\)上时,它的阻值变小,BG的Ib增大,I\(_{c}\)也随之增大,于是继电器吸合,常闭接点断开,常开接点把指示灯绿灯回路接通,故红灯熄灭,绿灯亮了。
在继电器J的两端并联的二极管D\(_{2}\)有什么作用呢?我们知道继电器的绕组具有电感,当三极管BG的集电极电流Ic由大变小的瞬间,也就是继电器释放的瞬间,要在继电器的绕组上产生一个感应电动势,以抑制I\(_{C}\)的减少。电感越大,或者电流的变化越快,感应电动势也就越大。如果没有并联二极管D2,那么这个电动势将与E\(_{C}\)叠加起来加到三极管BG上,有使BG管发生击穿的危险。当并入D2后,为继电器绕组上的感应电动势提供一条电流的通路,相当于把感应电动势短路,从而减少了损坏BG管的可能性。故D\(_{2}\)有保护半导体三极管BG的作用,所以也叫保护二极管。显然D2采用耐压较高的一般整流二极管就可以了。有时给D\(_{2}\)串上一个几十欧的电阻,防止电流过强把它烧毁。
制作这种光电自动控制器时,首先根据继电器绕组的电阻R\(_{0}\)和吸合电流I0来确定电源电压E\(_{C}\):
即E\(_{C}\)≥I0R\(_{0}\)+Uces
式中U\(_{ces}\)是三极管的饱和压降,锗管约为0.l~0.2伏,硅管约为0.5~1伏。
例如:上图中 R\(_{0}\)=2.5千欧,
I\(_{0}\)=4.4毫安,
则E\(_{C}\)≥I0R\(_{0}\)+Uces
≥4.4×2.5伏+0.2伏
≥11.2伏
故在这个电路里E\(_{C}\)取12伏。
从上面的公式还能够看出,取内阻R\(_{0}\)小、吸合电流I0也小的继电器,能降低对电源E\(_{C}\)的要求,即电源电压EC可以取得低一些。
其次根据电源电压E\(_{C}\)和吸合电流I0来选择半导体三极管。应使三极管的最大集电极电流I\(_{CM}\)>I0,集电极—发射极击穿电压BV\(_{ceo}\)>EC,这样才不致损坏晶体管,并可以充分利用晶体管的放大作用。
例如在上面的电路中,I\(_{0}\)=4.4毫安,Ec=12伏。所以选用I\(_{cm}\)>4.4毫安,BVceo>12伏的管子就成。这里使用了3AX21,它的I\(_{cm}\)=100毫安,BVceo≥12伏,能满足要求。
从此还可知道,选用R\(_{0}\)和I0小的继电器,不仅降低了对E\(_{c}\)的要求,对三极管BVceo的要求也降低了。
最后,再根据光电半导体二极管的亮电阻r\(_{D}\),电源电压Ec,继电器的吸合电流I\(_{0}\)等来确定所用半导体三极管的电流放大倍数β。

从图4可以看出:
E\(_{c}\)=Ib·r\(_{D}\)+Ube
所以 I\(_{b}\)=Ec-U\(_{be}\)rD
又 β=\(\frac{I}{_{c}}\)Ib把上式代入
得: β=\(\frac{I}{_{c}}\)Ib=I\(_{c}\)/Ec-U\(_{be}\);rD
=\(\frac{I}{_{c}}\)Ec-U\(_{be}\)·rD
因为,I\(_{c}\)=I0,U\(_{be}\)比Ec甚小可略去不计,可近似认为:
β≈I\(_{0}\)Ec·r\(_{D}\)
因此,只要三极管的β>I\(_{0}\)Ec·r\(_{D}\)即能选用。
在上面的电路中,I\(_{0}\)=4.4毫安,Ec=12伏,由于照明光源距光电半导体二极管D\(_{1}\)较远,亮电阻rD取50千欧,代入上式得:
β>I\(_{0}\)Ec·r\(_{D}\)
=4.4×10\(^{-}\)312·50×103=18
可见选用β>18的三极管就可以。这里使用的3AX21,它的β约为30,是符合要求的。
显然,选用的三极管的β越大,光电自动控制器的灵敏度也就越高。
放大器中如果不用PNP型锗管,而采用NPN型硅管,当然完全可以,只要把E\(_{c}\)、D1、D\(_{2}\)的极性调换一下就成。图2中的光电自动控制器,是在光照时继电器吸合,光不照时继电器释放,叫亮通电路。如果我们把光电半导体二极管的位置改变一下,如图3所示,那么这种光电自动控制器,就成为在没有光照射时继电器吸合,光照射时继电器释放,即变成暗通电路了。图3所示的电路当调整电位器R1时,能改变灵敏度,从而使用起来更方便些。关于这种电路的工作原理,读者可自行分析,不再说明了。

在上面的几个电路里,如果用光敏电阻(也叫硫化镉光导管)如625—A等来代替光电半导体二极管,也可以得到相同的结果。
如果有光电半导体三极管,加锗PNP型光电三极管3AU1等,可采用图4所示的电路。这种电路也是暗通式电路。虽然它只有一级光电放大器,但由于光电半导体三极管本身具有放大光电流的作用,所以灵敏度比用光电半导体二极管要高得多。

如果有光电池,如2CR\(_{ll~14}\)等,可采用图5所示的电路。这种电路是亮通式电路。R是限流电阻,它的作用是限制三极管的Ib不得过大,以保护三极管。另外,它也具有调灵敏度的作用,阻值的大小可实验确定。
只有一级光电放大器的光电自动控制器,虽然结构简单,元件少,但它的灵敏度还是较低的。为了提高光电自动控制器的灵敏度,可采用两级或两级以上的光电放大器的电路,这样灵敏度会有大幅度的提高。另外,如果我们使用的继电器灵敏度较低(即吸合电流很大)时,也要采用这种具有多级光电放大器的电路。

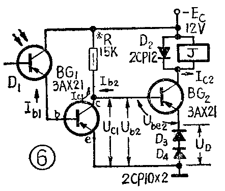
图6是具有两级光电放大器的电路,BG\(_{1}\)、BG2采用直接耦合。它的工作过程是:当光没有照到D\(_{1}\)上时,Ib1很小,I\(_{c1}\)也很小,Uc1较高,因为U\(_{c1}\)=Ub2,U\(_{b2}\)=UD+U\(_{ce2}\)所以Ube2较大,从而I\(_{b2}\)较大,Ic2也较大,故继电器吸合。当光照到D\(_{1}\)上时,情况与此相反,继电器释放。用硅半导体二极管D3、D\(_{4}\)作BG2的发射极电阻,既能增大BG\(_{1}\)的Uc1从而扩大了放大器的线性工作范围,又不致由于产生较大的直流负反馈作用而降低放大器的放大倍数,但方向不能接错。
这种电路当采用前面所说的灵敏继电器时,用普通手电筒作为照明光源,在相隔1.2米的范围内,就能准确地动作。如换用绕组电阻为470欧,吸合电流为18毫安的继电器时,在相距0.7米的范围内,也极为灵敏。

图7是具有三级光电放大器的电路,它也采用直接耦合,第三级为了获得大的放大倍数和较大的输出电流使用了一只小功率管和一只中功率管所组成的复合管。电路为亮通式的。这种电路,可以采用绕组内阻为30欧吸合电流达100毫安的继电器。发射极两个二极管用2CP33。
前面所介绍的只是关于光电自动控制器的一些基本原理。如果我们熟悉了这些基本原理,再通过实践,根据生产需要来控制不同的器件,就可以把光电自动控制器用于自动计数、自动测量、自动保护、照明控制、自动控制等方面。(王兴乃)