一、变压比的测量
(吉广有)参看本刊1974年第7、8期43页“变压器的测试”一文。
二、线圈有效电阻的测量
用万用表欧姆档测量初、次级各组线圈的直流电阻即可。
三、初级电感量的测量
音频变压器初级电感量的大小,直接影响放大器低频段的频率特性,初级电感愈大,频率失真愈小;但过大会增加制作成本,因此要求不低于一定的数值,使放大器在最低频率(50~100赫)的频率失真在1~2分贝左右。
测量初级电感,最好用音频段的最低频率f\(_{D}\),电压应尽可能接近工作电压,否则会产生测量误差。以6P1单管功放级为例,其屏极负载阻抗为5500欧,输出功率为2瓦,因此变压器初级的额定音频电压U1=\(\sqrt{2×55}\)00=105伏。测量电压尽量采用70~105伏范围内的电压。
1.无直流磁化的音频变压器的测量:测量时次级必须开路。通常采用测量阻抗的方法进行,如伏安法和电压比较法等。

伏安法:测试电路连接如图1。从交流电压表V和交流电流表A上读出电压值U和电流值I,就可算出初级线圈阻抗的绝对值如下:
|Z\(_{1}\)|=U/I (1)
由于Z\(_{1}\)=\(\sqrt{R}\)1\(^{2}\)+X\(_{1}\)2,或 X1=Z\(_{1}\)\(^{2}\)-R12=2πfL\(_{1}\),
(式中R\(_{1}\)、X1表示变压器初级的直流电阻和电感抗),结果得出初级电感L\(_{1}\)为:
L\(_{1}\)=\(\sqrt{(}\)U/I)\(^{2}\)-R12/2πf (2)
当X\(_{1}\)>>R1时,R\(_{1}\)可略去,(2)式可简化为:
L\(_{1}\)≈U/2πfI (3)

电压比较法:测量电路如图2。电压表可用万用表交流电压档或者电子管电压表。扳动开关K到“1”、“2”位置,分别测量U\(_{1}\)、U2,调节标准电阻R,使|U\(_{1}\)|=|U2|,这时变压器的初级阻抗Z\(_{1}\)的绝对值等于标准电阻R,即:
R=\(\sqrt{R}\)\(_{1}\)\(^{2}\)+X12 (4)
可知X\(_{1}\)=\(\sqrt{R}\)\(^{2}\)-R12,结果
L\(_{1}\)=\(\sqrt{R}\)2-R\(_{1}\)\(^{2}\)/2πf (5)
当X\(_{1}\)>>R1时,R\(_{1}\)可略去,可得
L\(_{1}\)≈R/2πf (6)

如果要计算初级阻抗的相位角θ(如图3),可用下式计算:
θ=tg\(^{-}\)1(X\(_{1}\)/Rl)
=tg\(^{-}\)1(\(\sqrt{R}\)\(_{2}\)-R12)/R\(_{1}\))
θ=tg\(^{-}\)1\(\sqrt{(}\)R/R\(_{1}\))2-1 (7)
或者 θ=2cos\(^{-}\)1(U/2U\(_{2}\))(8)
2.有直流磁化的音频变压器的测量:测量电路比较复杂。必须按变压器实际工作中通过的直流电流的大小(即单管甲类工作中的静态屏流或集电极电流),在重叠直流的情况下进行测量才准确,否则因铁心导磁率有变化,使测量数据不准确。在推挽电路中因初级线圈两部分的直流磁场互相抵消,可认为无直流磁化。

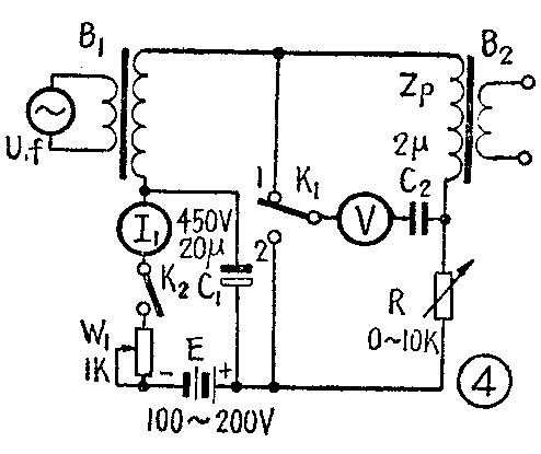
用电压比较法测量。图4中C\(_{2}\)选用耐压300伏以上的油质或纸质电容器;V为电子管电压表;B1为测试用变压器;B\(_{2}\)为被测变压器;R为标准电阻。
合上K\(_{2}\),调节W1使流过B\(_{2}\)初级线圈的直流电流达规定值(即实际工作时的直流电流值)。然后按前面所讲电压比较法进行测量,并用上述公式(5)或(6)即可算出被测变压器的初级电感。

图5是用伏安法测量的电路。图中I\(_{1}\)为直流电流表(100~500毫安);I2为交流电流表(100~500毫安);L为低频阻流圈(30亨);其他元件值与图4相同。
合上K\(_{1}\),调节W1\(_{2}\)初级线圈的直流电流达规定值,然后合上K2,送出音频信号电压。由图5可得被测变压器两端的音频电压为:
U=I\(_{2}\)\(\sqrt{R}\)1\(^{2}\)+(ωL\(_{1}\))2,
由此可得
L\(_{1}\)=\(\sqrt{(}\)U/I2)\(^{2}\)-R\(_{1}\)2/2πf (8)
以上测量方法也适用于测量电源变压器和阻流圈的电感量。
四、漏电感的测量
音频变压器的漏电感L\(_{s}\)的大小,决定放大器高音频段的频率特性,即当漏感增大时,高频增益减少,频率失真加大。另外,漏感与变压器内的分布电容以及电容性负载构成一谐振回路。该回路的谐振频率一般要求落在工作音频频段以外,以免引起某段高频增益和频率失真显著增大。在乙类放大电路中,漏感也能引起非线性失真。因此在绕制音频变压器时应力求减少漏电感,使不超过放大器规定的频率失真(约1~2分贝)所允许的值。
对于收音机和小功率扩音机的输出级,因多采用束射四极管或高内阻五极管作单管输出,对变压器的漏电感允许较大,采用一般绕制即可满足要求。但如末级为推挽输出电路,并加有深度负反馈,则因其末级有效屏阻R\(_{i}\)较低,要求输出变压器的漏电感应较小:一般扩音机要求L1/L\(_{s}\)>100;较高保真度的扩音机要求L1/l\(_{s}\)>5000。采用初、次级分几组串联并相间绕制,以增加耦合度的办法,可减少漏感和分布电容,使漏感减小到为初级电感的1/100~1/10000。
测量漏电感时,须用连线把次级短路(此时初级电感被次级反射阻抗短路,只剩下漏感和初级直流电阻了)。线路连接及测量方法可参照上述测初级电感的方法进行,即采用伏安法或电压比较法测量,且仍需分有、无直流磁化两种情况。但应注意这时因初级直流电阻R\(_{1}\)不能忽略,计算时不能用简化公式;测试频率宜采用音频段最高频率fG(如10千赫),特别是测量电压应较低,以次级电流不超过额定值为准,这样可防止因铁心磁饱和引起的测试误差和保证安全。如用电压比较法时,标准电阻R可减小。
五、频率响应的测试
如前所述,对频响的影响主要在高、低音频段。因此,测量时采用的频率范围应根据对放大器通频带的要求而定,一般可从50赫到10(或15)千赫。测量时所用的电压最好采用变压器额定电压(1千赫时)的0.7倍,即以1千赫时次级线圈达额定电压的0.7倍时的初级电压U\(_{1}\)作为信号源的固定输出电压。这样测量的频响特性比较符合实际工作情况。按照这种要求,一般低频信号发生器的输出电压只能满足测量输入变压器的频响。对于初级额定电压较高的输出变压器和线路变压器来说,最好用一部质量较好的50瓦或100瓦的扩音机,与低频信号发生器配合一起作为信号源,如图6所示。如果没有合适的扩音机,可用信号发生器高阻端输出(电压较大),但测量误差稍大。假负载电阻RL可依据变压器的额定功率容量P和次级额定电压U次来计算,即:
R\(_{L}\)=U次2/P (9)

此外,R\(_{i}\)应等于扩音机放大管交流内阻,如是线路变压器,应等于线路的特性阻抗值。这两只电阻的功率容量应足够,要用无感的。
测量时,先由1千赫开始,调整信号发生器及扩音机输出电压U\(_{1}\),使假负载两端电压U2升到额定电压值的0.707倍(即半功率时的电压),记下U\(_{1}\)值。以后保持U1不变(即定电压输出),改变信号发生器的频率,逐一测出在其他各频率下的次级电压U\(_{2}\),并记录于附表。

频率响应特性通常以分贝(dB)为单位。如以1000赫输出电压U\(_{1}\)000为标准(0分贝),把某频率输出电压Uf除以U\(_{1}\)000,并化成分贝(dB)数记录于表,称为某频率的相对电平:
dB=20lg(U\(_{f}\)/U1000) (10)
如果以0.775伏(0分贝)为标准,按公式(11)算出分贝数,则称为某频率的绝对电平:
dB=20lg(U\(_{f}\)/0.775) (11)
按照表中所列的f与dB之值,可作出该变压器的相对电平和绝对电平曲线,称为频率响应特性曲线,如图7所示。
