五、失真
故障现象一:调准电台后,音量置于中等音量时发音沙哑;声音从弱到强时出现阻塞现象,即强信号受到抑制,发不出应有的音量。
检查方法:这种失真故障主要是低频电路中某项元件变质,使电路工作失常而引起的。首先应检查功放管各极电压。功放管的栅极对地之间的栅负压一般都较小,测量时必须观察到它是负值(表针向反向偏动)才可认为正常,有些不灵敏的表就只能微微有些摆动。如测得功放管输入栅极电压是正性电压时,可将耦合电容C\(_{13}\)在功放管G4的栅极处断开,按图1接法检查此电容器是否漏电。此时电压表如有读数就表明电容器已有漏电。失真就是由于从电容器漏过来的正电压加到了信号栅极上,使栅负偏压变正,破坏了电子管的正常工作状态,造成严重的非线性失真。这时收音机的声音发沙,象含痰似地发音含糊不清。

当测得电容器不漏电,而栅极上还出现正电压,这将是功放管本身极间漏电造成的,可换一好管子试试。
如测得功放管栅极负偏压极大,约高于0.5~1伏,应检查栅漏电阻R\(_{8}\)是否变值。如果电压表表针摆动不明显,测不准栅偏压时,也可用约500千欧的电阻并接于栅极与地端试验确定。此时若失真消失,表明原来的栅漏电阻已变值,可换上好的电阻。栅漏电阻断路时,收音机的声音发憋且断断续续。
功放管阴极对地端通常有8~12伏正电压。如果小于此值,应检查阴极旁路电容器C\(_{14}\)有否漏电,可将C14到阴极的一端断开,按图2接法测量。此时电压表如有读数,就表明该电容器漏电,应更换。在电容器良好的情况下,阴极电压低落,很可能是功放管G\(_{4}\)衰老所致,可换好管试验。

经过以上检查都正常,则应注意输出变压器初级线圈有否短路。测量输出变压器初级线圈两端电压降约有15~20伏。如小于此值,可接上好的输出变压器一试。
然后检查低频电压放大级。G\(_{3}\)的屏极电压约有100~120伏,也有些电路为70~100伏左右。如果低于这个范围太多,这一级的增益将会大幅度下降,并同时产生严重的失真。屏极电压降低,在电源直流输出电压正常的情况下,主要是由于降压电阻R7的阻值变大引起的,可用欧姆表检查;此外还可能是屏极旁路电容C\(_{9}\)漏电,检查C9的漏电可参考图1的方法。另外也要检查音调控制电容器C\(_{12}\)是否有短路。
测量G\(_{3}\)的栅极负偏压,一般只有-0.1伏左右,如测得大于此值,往往是栅漏电阻R6的阻值变大,输入信号将阻塞,栅负压不稳定,出现失真。由于R\(_{6}\)阻值较大,用万用表不易测准,可用同阻值电阻并接来试验确定。
此外,由于电压放大管内部产生极间漏电,也会引起失真(但用双三极管时不易发生,因为管内有良好的屏蔽)。发生这种失真时,往往还夹有一些感应交流声,发音比较模糊。
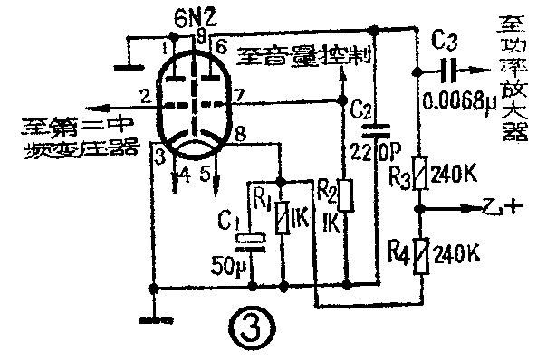
采用双三极管6N2作检波和末前级电压放大的电路,一般都在电压放大级的阴极电路中串联有自偏压电阻和旁路电容器,如图3。阴极第8脚与地之间应有1~1.5伏的自偏压。如果测得电压较小或没有,就会造成栅极偏压不稳定,因为当信号增大时,其阴极电流随之增大,而栅负偏压也增大,形成负反馈,此时低频增益降低,尤其使低音频信号放大失常,产生失真。故障原因多半是阴极旁路电容器C\(_{1}\)漏电或容量衰退;另外也可能是外加偏压电阻R4变大或电子管失效。可换好管一试。

故障现象二:收音机接通电源后,声音起初正常,约2~5分钟后失真逐渐增大,发音也随之变得模糊不清。
检查方法:这往往是功放管内部极间漏电造成的。由于电子管温度逐渐上升,极间漏电随之增大,故失真是逐渐变大的。检查时可直接换上好管试验确定。此外有些老收音机的个别零件通电开始问题不大,过一会儿随着温度升高也会发热变值而出现失真。
故障现象三:收音机调准到电台信号后,在较小音量时,随着声音的起伏,夹带着“嘶啦、嘶啦”的沙哑声。
检查方法:这种故障听起来很象电路引起的失真,但实质上是扬声器的音圈隙缝中有了杂质、音圈与纸盆发生位移,或者是纸盆或簧圈脱胶造成的。可以换上好扬声器试试。
检查扬声器可用图4所示方法,用两手指平按纸盆,均衡用力地轻轻推动,如感到有阻力或听到“哧哧”的碰蹭声,说明音圈隙缝中积有杂质。可用薄卡片纸条慢慢将杂质剔出。音圈发生位移时,要区别是因为纸盆和音圈有移动,还是中心圆铁位置发生偏斜。前者很可能是纸盆受潮后逐渐产生了偏斜,这时要用双手轻轻推动纸盆略向四周的任一侧用力,检查纸盆如能在某处自由移动,说明纸盆发生变形。然后用一条薄卡片纸卷成略小于音圈状,轻轻插入音圈隙缝中,如图5,然后以毛笔蘸水涂于扬声器纸盆四周,以纸盆湿透为度,待干燥后抽去纸片试用。经试听碰蹭有些改善,可以再重复修一次。如是中心圆铁偏斜,应设法调整中心圆铁的位置,使它恢复正常。


发现簧圈脱胶情况,可按图5方法,将音圈位置固定正常,然后涂胶于簧圈与盆架之间,待干燥后即可应用。
扬声器还有一种故障。从音圈两端的引出线都是沿纸盆面延伸,被粘在纸盆上,端头再与两根软线焊接,这两个焊接点如有虚焊或脱焊,当纸盆动作时,就在焊点处出现跳火现象,结果扬声器里就出现“吱啦、吱啦”的声音。修理时要用刀刮净焊点表面涂料,快速地将其焊牢(烫的时间久了会烫坏纸盆)。
故障现象四:收听远地弱电台信号时略有失真,当调谐到近地电台信号时,扬声器发音起初有阻塞现象,然后就恢复正常。严重时这种阻塞就继续下去。将电位器音量减小些,阻塞现象即能减轻些。
检查方法:这种故障是由于自动增益控制电路失常引起的,往往是由于电阻R\(_{12}\)(图6)阻值变大或呈开路状态,形成中频级和变频级输入栅极失去控制电压,从而造成输出信号的不稳定而出现失真。还有中放管阴极旁路电容器C8的容量衰减,也会明显地造成中频增益降低,使接收远地弱电台信号性能减弱;同时由于第二级中频变压器次级失去旁路,形成无地电位状态,致使中频输入信号不稳定,破坏了自动增益控制作用,输出信号出现失真,当音量关小些,失真就减轻些。

R\(_{12}\)可以用欧姆表检查其阻值。C8或R\(_{12}\)也可以用好的元件并接上去试验确定其故障。
故障现象五:收音机的发音尖刺不悦耳,或沙沙声较大。一般称这种故障为频率失真。
检查方法:这种故障是由于有害的高音频从扬声器中输出。一般五、六灯收音机,它的频率响应是150~3500赫范围。如果有高于3500赫几倍的高音频率输出时,听起来就会感到声尖刺耳,很不好听。故障原因主要是由于功放管屏极电路的旁路电容器容量衰退而使有害的高音频率很不到旁路,与信号一起送给扬声器,发出尖声。在较高频率时会有“嘘嘘”声出现,严重时会出现连续啸叫。可以并联一个同容量好电容器试试。
电压放大级的屏极旁路电容器C\(_{9}\)的容量衰退,较高的频率得不到旁路,也会产生嘘嘘声和沙沙声。可并接同容量好电容器试验。换用各旁路电容器时,其电容量最好不要大于原来的数值,否则对高音频衰减太大,使收音机发音沉闷,丧失真实感。对于音调控制电路的故障,可检查旁路电容器C12是否容量衰退,或者检查音调调节电位器R\(_{9}\)是否接触不良或开路。
故障现象六:收听音乐节目时,低音不丰富。一般五、六灯机的低音频通常在150~600赫左右。如果这些低频信号得不到与600赫以上各频率同样的放大,就会感到低音不丰满。
检查方法:这种故障与低频电路中的某些旁路电容和耦合电容都有关。这些电容器容量衰退或出现开路故障时,就会出现上述现象。经常发生故障的是耦合电容C\(_{13}\)、C11、旁路电容C\(_{14}\)或图3电路中的C1容量衰退。可以分别在各电容器两端并接上同容量的好电容器试验。
另外,低频电路中的负反馈电阻R\(_{11}\)(图7)阻值变大,就会减小负反馈,使失真增大,可测量其阻值是否变化。如果图7a的反馈电路不满足收听要求,可改用如图7b的电路,换接到R11两端。(工人技术员 毛瑞年)
