问:什么叫“放大头”?
答:“放大头”是适应我国农村有线广播的需要产生的,它用来放大县站或社站的有线广播信号。这种信号可以达到1伏以上,经过升压以后,可以直接推动功放管,所以有一级功率放大就可以满足输出功率的需要。从这个意义上来讲,它就是扩音机。如果用它单独进行广播,还要加上前级放大电路,才能作开会扩音或演出用。它的全电路请看图1。

问:放大头的主要特点是什么?
答:主要特点是不用电源变压器。由于不用电源变压器,所以结构简单,装配容易。又由于它输入信号时可以不用或少用推动功率,所以对于用铁线传输广播信号来讲,就比较适合。贫下中农认为它比过去的扩音机具有“轻”、“小”、“简”、“廉”的优点。为什么能省掉电源变压器?最主要的还是由于解决了使用安全的问题,就是说采用了“多电位参考点”的原理。可以做到:不论电源插头正插反插,外壳都不带电;不管地线忘接与否,操作也不麻手。
问:什么叫“多电位参考点”?
答:对于设计扩音机来讲,这是不用“公共地线”以后形成的。过去的扩音机对于各级放大级之间的地线的接通是很讲究的,即离不开“公共地线”,见图2。以为离开了它就不能工作,或至少杂音不会解决。所以既然要用,人们就用“公共地线”的电位作为测量电路各部分电压的参考点(0伏),正负多少伏都是和它比较而言的。现在的“放大头”由于不采用“公共地线”的连接方法,而是各级自成系统,各级之间的信号传递仅仅依靠磁场来进行(见图3)。这样全机就不可能存在一个公共的测量参考点,而是在每级线路中指定一个测量“参考点”,这就是“多电位参考点”的大意,并且各参考点之间还允许存在电位差,所以要求它们互相之间绝缘愈高愈好。


问:那么外壳不带电究竟是怎样解决的?
答:就是依靠“多电位参考点”的原理来解决的。因为原来用“公共地线”的扩音机,在单相电供电时,电灯线中的火线,原来是靠电源变压器的机、次级之间绝缘来加以隔离,火线通不到次级去(见图4,甲)。现在是靠级间磁场耦合的输入变压器与输出变压器来兼任上述隔离火线的作用(见图4,乙)。其中间的功率放大部分虽然带电,但使用时不需要碰它,所以能保证使用安全。这部分被单独隔离起来了,因此简称它为“悬浮功率放大器”。所以对“放大头”来讲,要求输入变压器与输出变压器的初、次级之间的绝缘要比较好,以保证使用安全。

问:为什么这样用法不引起杂音呢?
答:这个问题还未最后弄清楚,大概可以分析一下。(1)因为是单级放大,总放大倍数较小,所以杂音不显著;(2)因为是推挽放大,只要两只电子管特性比较对称,这样交流声与杂音都比较小;(3)前级用低阻抗输出的晶体管工作,杂散电场感应不灵敏;(4)如果前级用电池供电,则杂音更小。
问:为什么“放大头”不要什么推动功率呢?
答:因为电子管可以工作在负栅压状态下,整个控制信号的过程可以不出现栅流。这样理论上就可以不要推动功率,但是实际上输入变压器和传输线上总要有些损耗,所以还是要一点推动功率,否则升压变压器不能升到应有的电压,影响输出功率。
问:用电容器点灯丝要注意那些问题?
答:这虽不是什么新问题,然而也必须使用得法才行。首先要注意,电容在刚接通时电流很大,经过一短暂时间才能达到正常,这称为“暂态过程”。我们必须使灯丝的加热过程大于电容器的“暂态过程”。一般有阴极的电子管都行,然而插头一定要插好,开关要灵,否则连续断、接,就会使“暂态过程”不断反复,造成烧管事故。所以用电容点灯丝还需加一只保险丝为好。另外还要注意电容的选择,电解电容不能用,油浸电容不合算,比较而言,以纸介金属膜电容为好。耐压要选大于300伏的,250伏耐压勉强可用。电容数值与灯丝电流的关系大致如下(仅对220伏50赫的电源适用)
C≈15I\(_{f}\)(微法)
式中I\(_{f}\)为灯丝电流,安培。
这个公式是近似的,对于灯丝电压不超过100伏来说基本合用。现将几种常用功放管所需的电容数值列举如表1,供参考,一般用起来出入不大,还可适当修改。
表1
管号 FU-7 6P3P FU-25 6P1 6P14
电容 12~14 12~14 6~7 7~8 10~11
(微法)
管号 6P15 6A2 6K4 6N1 6N2
(微法) 10~11 4.5~5 4.5~5 8~9 5~6
问:根据这种灯丝供电方法,一般以各管灯丝串联为好,但是各管灯丝电流不同怎么办?如断掉一管的灯丝又怎么办?
答:各管灯丝电流不同,可以采用混合容抗供流。例如有三种不同的灯丝电流I\(_{1}\)、I2、I\(_{3}\),并且I1<I\(_{2}\)<I3,那么接法可按图5连接。其中:

C\(_{1}\)=15I1微法;
C\(_{2}\)=15I2—C\(_{1}\)微法;
C\(_{3}\)=15I3-(C\(_{1}\)+C2)微法。
如果电流种类更多,则依此类推。所以总电容量取决于最大灯丝电流。由此也可知道,灯丝电流小就可以用较小电容供电,灯丝电压高一些关系不大,所以希望改造电子管灯丝来配这种供电方式的需要。
解决电子管插拔或灯丝断了一组影响其他管子加热的问题,比较简单的办法是采用过电流电阻法 (泄放电流法)。比如我们用四只6P3P电子管工作,查得灯丝电流I\(_{f}\)为0.9安,用上式计算C的数值为
C=15I\(_{f}\)=15×0.9=13.5微法。
我们选20微法,然后接成图6状态。图中的电阻是这样选择的:先算出20微法电容能提供多大电流,从C=15×I可知,I=C/15=20/15=1.33安;从而可知流过电阻R的电流为
I\(_{R}\)=I-If=1.33-0.92=0.43安;

最后算出电阻的阻值为
R=U\(_{f}\)/IR=6.3/0.43≈15欧,
我们选用线绕电阻,它的功率选为
P\(_{R}\)=I2×R=1.33\(_{2}\)×15
=26.5瓦。
这个电阻平常仅是一个分流电阻,泄放0.43安电流,如果拔掉一个管子,或一管灯丝断掉,则此电阻就可以暂时承担总电流通过,而不致影响其他管子的工作,虽然有附加损耗,但换取了如上的优点以及比较稳定的加热电流,所以在一些场合还是可以采用的。以上两项办法之所以可行,完全是因为采用电容供电的关系,假定直接把灯丝串联成220伏后接入电源供电,就没有上述特点,这是为什么?请同志们想想看。
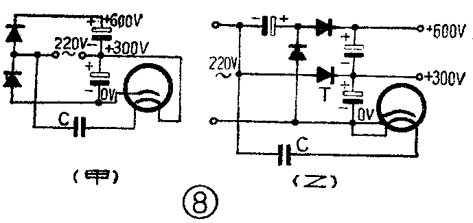
问:“放大头”在屏压和帘栅压供电上有什么特点? 答:因为FU-7(807)电子管通常需要屏压500~600伏,帘栅极电压250~300伏,所以可用图7上的两种形式的电路来提供。从表面上看,甲图电路比较简单,乙图电路多用一只整流管和一只电解电容器。但是如果把电容灯丝供电的电路联系起来看,则目前的FU—7 (或6P3P)等电子管只有乙图电路合用。为什么呢?原因就是现在制造的电子管阴极和灯丝的耐压不够。用甲图电路,阴极与灯丝之间至少要有300伏电压(见图8),而乙图电路基本上可以消除这个电压。所以看问题要从各方面去看,不能只从单方面看。


乙图电路中所以多用一只箝位整流管(半波整流),目的是可以避免帘栅电压的降压损失,以及电解电容器可以不用均压电阻,实际使用效果也很好。但是如果不用电容点灯丝,而仍用灯丝变压器点灯丝,则甲图电路较好。
问:“放大头”上的输入变压器和输出变压器怎样确定?
答:前面讲过,两者的绝缘都要好。输入变压器的任务是隔离火线,提高电压,完成倒相。“高淳放大头”的输入变压器采用截面积6毫米×12毫米的EI型铁心,初级用Ф0.23毫米漆包线绕65圈;次级用Ф0.09毫米漆包线绕3000圈,在1500圈处抽一中心头;频率响应约为150赫到10000赫。
如果不便绕制,也可以用普通收音机用的配合6P1管或2P2管用的输出变压器代替,如图9。不过这种方法不适合在有栅流情况下应用,否则将会引起较大的失真。

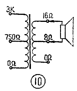
至于输出变压器,根据实际试验,两输出管屏到屏的总输出阻抗以9000~12000欧之间较好。其简单计算主要就是确定圈数比N即N=\(\sqrt{总输出阻抗}\)/喇叭阻抗。知道了圈数比N,就可以分别确定初、次级圈数。比如喇叭用8欧,总输出阻抗为12O00欧,则
N=\(\sqrt{12}\)000/8=38.5
这就是说,次级(接喇叭端)每绕一圈,初级(接电子管端)就要绕38.5圈。假定次级绕100圈,则初级应统3850圈,并在中心抽头。另外直接选购商品也行,如不过分追求低频响应,则用10瓦输出变压器或15瓦输入变压器代用也可以,甚至用10瓦到25瓦的线路变压器也行。只是要注意:如果选用初级阻抗小于或等于3000欧的变压器,则喇叭应接在8欧-16欧端子上较好(见图10)。另外还要注意初级中心接头的选择不要弄错,即0~3000欧的中心点为750欧;0~2000欧的中心点为500欧;0~1000欧的中心点为250欧。

问:“放大头”对功放管的选择有什么要求?
答:首先要求挑选两只特性差不多的电子管,以利于减少交流声。此外,灯丝电流要适当,以小一点有利。比如用FU—25(1625)管装的“放大头”功率与FU-7(807)一样,但是点灯丝的电容却可省一半。
目前适合装“放大头”的功放管的输出功率大致如表2所列。
表2
型 号 2×6pl 4×6P1 2×6P14 4×6P14 2×6P3P 4×6P3P
功率(瓦) 10 20~25 15 25 30~40 60~80
灯丝电容 7.5 7.5 10~11 10~11 12~14 12~14
型 号 2×FU-7 2×FU-25 4×FU-7 4×FU-25 2×805 2×FU-11
功率(瓦) 40~50 40~50 100~150 100~150 200~275 200~275
灯丝电容 12~14 6~7 12~14 6~7 灯丝变压器 灯丝变压器,管子改
(微法) 进后可用22微法电容
问:能不能把放大头用的整流电路的原理说一说。
答:可以。这种电路就是一种半波倍压整流电路和半波整流电路的结合。为什么能产生倍压整流,我们用图11来分析。

先看图11,甲,AB两点接入220伏交流电源以后,A、B点极性每秒变换50次。当B点为正、A点为负时,220伏电源通过单向导电的二极管D\(_{1}\)对C1进行充电,并且可以充到接近电源电压220伏的峰值,即\(\sqrt{2}\)×220伏(=1.41×220≈300伏),如果此时从CD两点向前看进去,则当A点极性变正、B点变负时,可得图乙的状态,即从CD两点得到约600伏的串联电压,如果我们再加上整流二极管D\(_{2}\)和另一电解电容器C2,则这组串接电压就可以通过D\(_{2}\)而充入C2,因而在C\(_{2}\)上可得到600伏电压,从而形成倍压整流,见图丙。
由此可知,形成倍压的条件,必须中间经过电容C\(_{1}\)暂储作用为过渡,这就使最大输出电流受储能电容的限制而不能很大。但现在的元件条件,已允许工作到几百毫安,甚至安培级已不成问题。
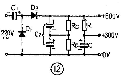
600伏作屏压正合适,供给帘栅极就太高,如果用降压则损耗太大;另一方面,普通电解电容器也耐不住600伏电压,就往往要用两只串联应用。为了平衡两者的电压负担(否则由于漏电阻不同而不同),还要加上两只均压电阻R\(_{C}\),如图12。为了降低损耗,以及得到比较平稳的帘栅压,我们做了如图13的改进。基本上满足了要求,但多用了一只二极管。


由于这只二极管D\(_{3}\)把下边电容C3基本上充到一定电压300伏左右,好象输出300伏电压被它箝住一样,所以这种整流电路称为箝位整流电路。这种电路是为“放大头”需要而设计的,并不是到处可以应用的,也不是性能最好的,仅供试用参考。
问:怎样利用半导体收音机作“放大头”的前置级?
答:比较简单。首先选好一种有二级低放的、说话灵敏度比较高一些的半导体收音机,连接方法如图14。如有条件,最好把电位器换大型的;将喇叭纸盆涂一点清漆进行防潮处理,对小喇叭音质影响也不太大,但可以防止纸盆变形。

问:能不能把全电路的工作过程总起来说一说。
答:好!请看图1全电路。有线广播信号或来自半导体收音机的信号送入“放大头”后,先经输入变压器升压几十倍,并且以对参考点对称的“+”、“-”电压供给推挽电子管控制栅极。经过电子管的功率放大,再经过输出变压器送到喇叭输出。这种电路装置简单,所以贫下中农说:“一装它就响,谁装都一样。”(颜建中)