简易信号注入器能输出最高电压为380毫伏、频率为1千赫的音频信号及由此音频信号调幅的最高电压为440毫伏、频率为465千赫的中频信号。
由于采用了印刷电路和印刷开关,整个仪器结构紧凑牢靠,而且用钢笔手电筒做外壳,壳内无连接导线,印刷板及电池装进或拿出都很方便。电源用1.5伏笔型电池。整个仪器体积小巧,便于外出检修时携带。
电路原理
信号注入器的电路见图1。晶体管3DG6A、振荡槽路LC\(_{1}\)组成共射极电感三点式振荡器,振荡器的振荡频率为465千赫。由电阻R4、电容C\(_{2}\)组成的并联电路串接在基极电路中使振荡处于间歇工作状态。此间歇振荡脉冲的重复频率为f=\(\frac{1}{R}\)4C\(_{2}\),我们适当地选择R4、C\(_{2}\)值,就可以使脉冲重复频率为所需要的音频。本仪器取R4为196千欧,C\(_{2}\)为5100微微法,所以脉冲重复频率为1000赫。中频信号由此信号调制。电阻R2、R\(_{3}\)和R4组成BG的偏置电路。串在发射极的负反馈电阻R\(_{1}\)起稳定振荡幅度的作用。电容C3起旁路作用。R\(_{5}\)、R6为输出信号的固定衰减电阻,以避免仪器向被检测的收音机注入过强的信号,使收音机严重过载。

音频信号由BG的发射极经C\(_{4}\)接到信号选择开关K2的接点1上;中频信号由BG的集电极经电容C\(_{5}\)接到选择开关K2的接点3上。
元件的选用
晶体管可用3DG6A~6D中任一型号。由于受壳体尺寸限制,必须用\(\frac{1}{8}\)瓦小型电阻。R\(_{3}\)、R4、R\(_{5}\)、R6须在调试中确定其阻值后,选用标称值相近的电阻。电容C\(_{1}\)、C5选用超小型瓷管电容, C\(_{2}\)、C3、C\(_{4}\)选用圆片式瓷介电容。C2是在R\(_{4}\)确定后,用公式C2=10\(^{12}\);fR\(_{4}\)(微微法)计算,根据计算出的数值再选用标称值相近的电容;振荡线圈L采用市售品中频变压器TTF—2—1,只用它的初级线圈。
制作与调试
在完成印刷板的制作及钻孔后(印刷板见图2,此图与实物为1:1),在印刷板上铆两只铆钉,作为固定电珠铜头和引入电源用。印刷开关K\(_{2}\)的电刷用厚约为0.5毫米的磷铜板制作,形状大小如图3a所示。把它用直径为1毫米的细螺纹仪表螺栓固定在印刷板上,固定时要求电刷转动灵活并与印刷接点接触良好。然后在仪表螺栓的头上焊一根缝毛线的针,作为注入器的触针。再取一手电筒的废电珠铜头,把里边的粘合剂清除干净,并把圆头上的锡焊掉露出一小孔,让触针穿过这个小孔并保持铜头与触针在同一轴心线上。这时再把铜头与两个铆钉用锡焊牢。并在铜头与触针之间要填满有机材料做绝缘子,我们可以把塑料牙刷把弄成碎块放在坩锅中加热,待塑料快成糊状时,把它填在触针与铜头的空间,并使填充的塑料高出螺旋铜头1厘米,然后用锉刀锉锉光(见图4)。铜头外面套一个形状如图3b所示的开口铜环(是笔型电筒上原有的)。图4中的锥形铜套和绝缘环是自制的。制作时,先用一段圆木削成锥度约为51°的圆锥体,再用白铁皮或铜皮在圆木上卷成锥形套,并把接缝处用锡焊牢。再将笔型电筒塑料灯罩的螺纹环取下,清除干净上面的塑料并和锥形铜套焊在一起,见图3c。然后在螺纹环内涂上一层有机塑料即为绝缘环。锥形铜套与机壳是螺纹连接,便于固定。



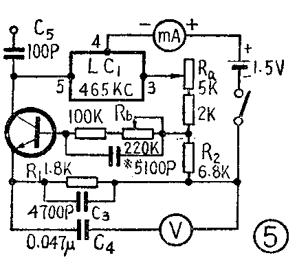
电路元件在装到印刷板上之前,先按图5电路进行调试,在电路处于最佳工作状态时,确定出阻容值,这样可避免在印刷板上返工重焊。调试时,先调节电位器R\(_{a}\)使BG的工作电流0.25~0.3毫安,这时真空管电压表可能没有指示,若用耳机代替电压表也听不到音频叫声,说明电路没起振,这时需要减小Ra,增大R\(_{b}\)仍维持工作电流0.25~0.3毫安不变,于是电路产生了间歇振荡,电压表有指示,用耳机也能听到音频叫声,再反复调节Ra、R\(_{b}\),使音频输出最大且不失真为止。测出R2、R\(_{4}\),算出C2。实验表明R\(_{2}\)只要不小于2千欧,C2在1000微微法~0.05微法范围内取值,仪器都能输出一定强度的音频信号,只是频率不同而已。

按图5在电容C\(_{5}\)上接一根20厘米长的短天线,并使它靠近一台刻度盘较准确的收音机,将收音机调到930千赫和1395千赫处,并调节简易信号注入器的中频变压器的磁心,使收音机发出1000赫叫声,直到调节到音频叫声最响为止,中频就算校准了。
中频校准后,把元件拆下焊在印刷板上,中周按图4所示的位置安装固定,焊接时动作要快,不要使外壳过热而烫坏尼龙架。线圈的抽头4应和中周外壳焊通,并在外壳上卡一磷铜垫片挡住磁心孔,以便接通电源正极,磷铜垫片的形状如图3d所示。为了防止中周外壳把电源短路以及固定磷铜垫片,在中周外壳上再包上两层透明胶带纸。
为了确定衰减电阻R\(_{5}\)、R6的值,可将已装好的仪器配合一台晶体管超外差收音机,按下述步骤实验确定:
(1)将仪器外壳装上地线夹(见图3e),并和收音机地线接通。
(2)在收音机扬声器上接一个音频电压表,也可用万用表交流电压0~10伏档,在触针和地线间并接一个10千欧的电位器,并使电位器R=0。
(3)把信号选择开关K\(_{2}\)的电刷置于接点1,用触针去触收音机推动级的基极,注入1000赫音频信号,调节10千欧电位器使阻值逐渐增大,直到音频电压表的指示为收音机输出额定功率时的电压为止。这时电位器的阻值为R5。
(4)把信号选择开关K\(_{2}\)的电刷置于接点3,向收音机的中放级的基极注入中频信号,调节10千欧电位器,使音频电压表的指示同上,这时电位器的阻值为R6。
(5)将中频信号注入变频级的基极,用上述方法测得电位器的阻值,与R\(_{5}\)值相近,为简化结构,就用一个电阻R5作为公用衰减电阻。
根据测得的R\(_{5}\)、R6值,选择阻值接近的标称电阻,焊在印刷开关的接点2、4上。为了使仪器携带方便,触针应加一保护套,可用塑料眼药水瓶剪去瓶底再翻个边然后套在机壳上即可。(祁一明)