一、主要故障的测试
1.线圈短路的测试:对15瓦以上的音频线路变压器、扩音机的输出变压器和电源变压器,均可用50赫的市电进行检查。为了不致影响总电源,须串接保险丝。测量检查方法有如下三种:
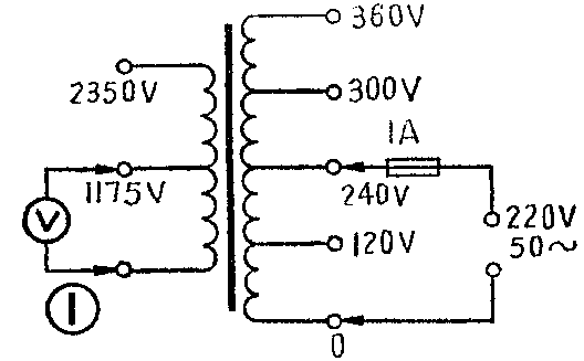
(1)检查变压器各线圈和各抽头间的电压(或变压比)。这里以音频输出变压器为例(如图1),将220伏、50赫交流电源经过保险丝(0.5~1安)接于变压器次级0和240伏间(因与电源电压接近)。用万用表交流电压档或交流电压表分别量出各组线圈的电压和各抽头间的电压,并记录。然后,看实测电压是否符合原设计值,就能发现故障处。例如测得某部分线圈的电压明显低于额定值(假定接电源一组无故障),则该部分线圈有短路故障。按图1接法,变压器初级线圈电压较高,测量时应特别注意安全,将线接好再开电源,测量完毕应先关掉电源。

如果把电源电压从变压器初级线圈加入也可以,这样操作比较安全,但须将实测的各电压换算出变压比,而后与原设计变压比相比较才能判断故障处,因而费事一些。
(2)观察发热等现象。如图1,变压器接电源的一组线圈须加额定电压。如果变压器某组线圈严重短路,线包和铁心温度将迅速升高,甚至烧断保险丝。如是较轻的局部短路,在空载加电源几分钟后,线包和铁心总会有温升感觉(发热烫手)和出现焦味。此外,也可采用在变压器初级串联一个灯泡(100瓦/220伏)的方法来检查。如果灯泡很亮,说明变压器有局部短路故障。
(3)检查空载损耗。这时,在图1电源回路中要串接一只交流电流表。测量出变压器的空载电流I\(_{0}\),即可计算出空载的功率损耗为P0=UI\(_{0}\)(U为实际所加的电源电压)。正常变压器的空载损耗主要是铁心的磁滞和涡流损耗,其值很小。如实测这种损耗的数值为该变压器额定功率的5~15%,且无明显温升感觉,则说明变压器无短路故障。
此外,对于扩音机输入变压器的检查,因有工作电压低、功率小的特点,故适合采用检查变压比的办法。从音频信号发生器送出1000赫电压,测量各抽头电压,检查变压比或阻抗比Z\(_{1}\)/Z2=(N\(_{1}\)/N2)\(^{2}\)是否符合设计数据,以判断故障。
2.线圈断线的测试:用万用表分别测量变压器每个线圈和线圈的相邻两个抽头间是否通路的方法进行检查。如果某组不导通,即有断线故障。
3.绝缘测试:各线圈之间以及线圈对铁心间绝缘的测量,实际上也就是检查变压器各组线圈在较高工作电压下的耐压及绝缘情况。测量一般音频或电源变压器,须用500伏规格的兆欧表,测量工作电压较高的变压器,则应使用I000伏或更高规格的兆欧表。测量时,兆欧表的两根表线分别接在被测的两个线圈上或者线圈与铁心上,如图2所示。绝缘电阻要求在500兆欧以上。若被测变压器某两组线圈间或线圈对铁心间绝缘电阻太低,则说明绝缘不良或有严重漏电故障。

利用万用表欧姆档可检查变压器线包是否严重漏电或磁铁心,但不能测量变压器在较高工作电压下的绝缘电阻和跳火故障。
二、线圈相位的测量
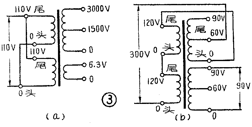
一个具有多组线圈和多抽头的变压器,当把某两组线圈做串联或并联使用时,除考虑额定电压和电流容量外,还须注意各线圈电压间的相位关系,务必做到“正相”连接,即当两个线圈串联时,必须“头”、“尾”相连;并联时,必须分别将“头”与“头”、“尾”与“尾”相连,如图3所示。图3a是电源变压器初级线图并联;图3b是线路变压器的串联接法。如果连错,将会无电压输出,甚至会烧坏变压器。识别变压器各线圈“头”、“尾”的方法有三:

(1)观察接线端子标明的数字。每组线圈上写“0”的端子如果称“头”,则写电压(或电阻)数值的另一端子就称为“尾”。对于有多个抽头的线圈,如欲判断其中某两个抽头的“头”、“尾”时,则电压(或电阻)数字小的一端为“头”,数字大的另一端为“尾”。
(2)观察线圈两抽头的实际排列。以E字形铁心变压器为例,设各线圈的绕线方向相同,则每个线圈靠近铁心的一个抽头(起端)可称为“头”,离铁心较远的另一抽头(末端)则称为“尾”。
(3)加电测量法。不便用上述方法检查的变压器,可采用加电测量法。先把各线圈串联起来(图4),在其中一组加50赫或1000赫电压,其值应小于线圈额定电压,然后用万用表交流电压档依次测量每两个线圈的串联电压,如果测出的电压不增高,说明“反相”连接了,可将其中一组线圈的两头调换一下,改成“正相”连接;如果串联电压高于其中任何一个,说明是“正相”连接了。如图依次测出①与②组、②与③组、③与④组的串联电压后,即可按照“正相”串联是头尾相连的原理确定各组的头尾来。

这里要指出:所谓“头”与“尾”是为区别线圈电压相位而假定的。我们用加电测量方法确定的“头”(或“尾”),不一定与前两法确定的相同,即可能把“头”认成“尾”,但这无关紧要,完全不影响对线圈的正确连接。
三、线圈圈数的测量
如要知道变压器的圈数,可采用电压测量法估算。先将被测变压器铁心拆了,用细漆包线(使厚度小些)在原线包外层绕100圈后再插上铁心。然后,在原线圈上加入50赫或1000赫的适当电压(应低于额定值,一般不超过30伏),用万用表交流电压档分别测量出原线圈电压U\(_{1}\)及新绕线圈的电压U2。变压器的电压比等于其圈数比,即
U\(_{1}\)/U2=N\(_{1}\)/N2
测出U\(_{1}\)、U2之值后,就可用上式算出原线圈圈数。
例1:某变压器上新绕100圈,当原线圈输入5伏交流电压时,在新绕线圈上量得电压为0.25伏,求原线圈圈数。
解:N\(_{1}\)=N2·U\(_{1}\)/U2=100×5/0.25=2000圈
同理,可分别测出其他线圈的电压,用上式可求出其圈数。(吉广有)