简易电视机,一般都采用直接放大式电路,用示波管或小型显像管显像。电视载波的频率是很高的。以第二频道为例,频率为56.5到64.5兆赫。在直接放大式电路中,要使晶体管在这样高的频率下稳定地工作,对晶体管的高频特性要求就很高。同时在这样高的频率下,由于晶体管极间电容的影响,放大器很容易产生自激振荡。为了消除自激,往往又不得不牺牲一些增益来换取放大的稳定。或者,在线路上采用中和的方法来消除极间电容的影响,但是在高频条件下要得到完全的中和比较困难。
晶体管在高频情况下所表现出来的种种特性,是由晶体管本身和线路结构的内部矛盾所决定的。我们知道晶体管有三种基本接法,每一种接法都由于其内部矛盾的运动形式的不同,而反映出不同的特性。如共发射极线路,它的放大倍数在三种线路中为最大,但是频率特性却很差;共基极线路频率特性好,它的输入阻抗很低,功率放大不如前者;共集电极线路,电压放大系数小于1,但它的输入阻抗很高,输出阻抗很低,是一个很好的阻抗变换器。能不能采用两个以上的晶体管接不同的接法组合起来,互相取长补短呢?实践证明是可以的。例如共射与共射组合可以得到很大的增益(β=β\(_{1}\)·β2)。共集和共射组合可以得到很高的输入阻抗。本文介绍的高频通道,就采用了共射与共基接法组合的线路,它在高频放大方面的性能很好。
电路简介:图①是放大器的全图,其电阻、电容数值见表一,印刷线路板见附图。图中共有三级高频放大,每一级都是由两只晶体管组成。其中第一只管子接成共发射极线路,第二只管子接成共基极线路。这不但获得较大的放大倍数,且得较好的频率特性。更由于第二只晶体管是按共基极线路连接的,它的输入阻抗很小,于是使第一只管子处于阻抗失配的情况下,由于失配消除了第一只管子内部反馈的可能。同时第二只管子的基极是接地的,这样就好象在输出端和输入端之间插入了一块隔离板一样,有效地消除了自激的危险。因此共射共基线路即使不用中和也能获得稳定的最大单级增益,这是一般单只晶体管组成的线路所达不到的。



在装配此线路时,不一定做成三级放大。实践证明,在离电台五公里以内时,用两级共射共基放大,仅用室内对称振子天线,已有足够的对比度。用三级放大时,在离电台十到二十公里处,也有足够的灵敏度。我们曾用上述高频通道装成的电视机(显像管用23SX5B),在离电台二十公里以外的接收条件很差的山沟里(电台方向有大山阻挡),用三单元天线接收,对比度仍然较好。因此高放究竟装几级,完全可以自行选择,只要图像清晰,对比度有一定的富裕就可以了。
图②是视频放大电路图,也采用共射共基组合线路。这样可以发挥这一组合线路的另一优点,即耐压倍增。从图②中可以看出来,两只晶体管是处于串联状态,因此它的耐压提高到一只晶体管的两倍。这样使用普通的小功率管就可以作视频放大了,不必去找高反压的中功率管。这样的一级视频放大增益可以达到40分贝以上,因此完全可以用来推动显像管和示波管。

元件与安装:高频通道最好是安装在印刷电路板上,这样可以做到性能稳定,体积小,充分发挥晶体管的优点。线路板可以做成整体式的,也可以做成积木式的。整体式可以把隔离板(或屏蔽罩)直接焊在印刷基板上。积木式的可以把每一级放大器装进金属盒内。自制情况下,以积木式为好,这样可以把每一组装在一小块印刷板上,印刷电路基板可以用边角料。同时这样装配,调试方便。图⑤提供了一个整体装配的实例。

高频线圈的绕制:参看图③绕制高频线圈的管架,可以用直径6~10毫米的有机玻璃管、瓷管或塑料管均可,视手头具体情况而定。如果是全部用直径10毫米的骨架,微调电容的容量在2—7微微法,则线圈的圈数可参考表二。实际作时,可能会有些出入,但由于采用电容器调谐,有一些出入也无关紧要。绕制时用直径为0.5毫米左右的漆包线间绕,次级用直径为0.2毫米的漆包线绕在初级的圈间。
表二
线圈 L\(_{1}\) L2 L\(_{3}\) L4 L\(_{5}\) L6 L\(_{7}\) L8
频道
Ⅰ 3+3 10 11 3 10 3 9 3
Ⅱ 2+2 8 9 2 8 2 7 3
Ⅲ 2+2 6 7 2 6 2 5 2
Ⅳ 1.5+1.5 5 6 1.5 5 1.5 4 2
Ⅴ 1+1 4 5 1.5 4 1.5 3 1.5

线圈骨架也可以用市面上出售的上海无线电廿八厂生产的长征牌LT型交流超外差式收音机的线圈改制。这种线圈有四个型号:即LT101S,LT102S,LT103S,LT104S。LT102S、LT103S、LT104S均可使用。每套有两只骨架,购两套就够了。改制的方法如下:如果是用在4、5频道,则可拆去原绕组,旋出磁心不要,用锉刀小心锉去绕线槽,然后按表2中所列数据线制。如果是用在1、2、3频道,则用不着锉去线槽,可用拆下来的线按原线槽绕制。但由于其导线直径小一些,线槽间距也小一些,如果按上表绕制,则电感量大了一点,因此可按上表退一档绕制,例如要接收3频道,则按4频道数据绕制,若接收2频道,则按表中3频道数据绕制。其余类推。安装时,线圈装在印刷板的元件一侧,微调电容焊在印刷板的底面,整机装配时,底面立在电视机的后面或侧面,便于检查和调试。
L\(_{9}\)是用来滤除检波后残余高频载波信号的,用直径0.1毫米漆包线在1/8瓦1兆欧炭膜电阻上乱绕80~100圈左右。视放高频补偿用100微亨电感,用直径0.1毫米漆包线在100千欧1/4瓦炭膜电阻上绕150~200圈,分两段乱绕。串联在显像管通路上的6.5兆赫陷波器,可用外径8毫米的,半导体收音机用的本机振荡线圈塑料骨架,用直径0.15毫米漆包线绕35圈左右。磁心仍保留,作为陷波调谐用。
本线路对晶体管的要求不高,一般3DG6(2G200型)硅管,只要β(h\(_{fe}\))在80以上的,都可用来作为高放管和视放管。

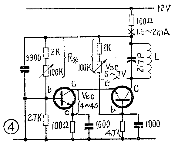
调整:共射共基线路的调整,比单只晶体管的要复杂一些。因为两只晶体管处于串联状态,每只晶体管的电压随着偏流不同而不同,而偏流又受到两只晶体管电压分配的影响。为使线路有较大的增益,一方面要保持静态工作电流达到一定的标准,另一方面也要保持两只晶体管的电压分配合乎一定的比例。为此在调整时最好用两只万能表,一只用来串在集电极上检查电流,一只用来检查两管电压分配。同时在调整时,先用两只100千欧的电位器串上一只2千欧电阻见图④,临时接在两只偏流电阻的地方,第一步调整两只电位器,使电流为1.5毫安~2毫安。第二步用另一只表的电压档分别测量两只管子的发射极和集电极之间的电压。最佳的置偏点,对于高放级来说应该是在上述电流之下,保证共基管的发射极和集电极(E、C)间的电压为共射管发射极和集电极(E、C)间电压的1.5倍到2倍(即1.5V\(_{ec1}\)=Vec2)。如共射管为4伏左右,共基管则应为6伏左右。如不合此分配比例,则应分别调节两只电位器直到既不影响总的偏流,而又能达到上述电压分配比例为止。此时用万能表测量出两只代替偏流电阻的电位器的电阻数值,换上合适的电阻。然后再检查一遍电流和电压,只要出入不大就可以了。如果用一只万能表来调节,则需换来换去测量电流和电压,效果是一样的。视放级的偏流调节和上述方法一样。但因为负载电阻大,用不着检查电流,而仅需测量负载电阻上的电压降就可以了。至于电压分配,则由于视放级共基极管上接有很强的负反馈,偏流电阻是接在集电极上的,因此共基管的E、C极间电压,应为共射管E、C极间电压值的1/2(正好和高放级相反),此时增益和动态范围都是最大的。例如工作电压为75伏左右时,共射管E、C电压为20伏,共基管为10伏左右是最佳值。此时增益可达38~40分贝以上。
高频谐振回路的调整,可以在电视台播送时进行,也可以做一具简单的信号发生器进行调节。要反复调节高频通道的各级调谐电容,直到屏幕上出现的图象清晰,伴音好听为止。
如果出现有图无声或有声无图情况,则说明高额通道带宽不够。在这里是靠各谐振回路的参差调谐来保证带宽的。四个调谐回路是这样安排的:第一和第四回路调谐于欲接收频道的中心频率上,第二、第三回路,一个调在图像载频,一个调在伴音载频。具体调法可在用上述方法基本调好的基础上,调第二回路使图像对比度最大,调第三回路使伴音最大最纯,调第一与第四回路于伴音与图象载频的中间,这时整个高频通道,可认为已经调好了。 (吴德麟)