在毛主席的无产阶级革命路线指引下,在教育革命大好形势的鼓舞下,我们毕业实践小组承担了研制三枪三束彩色电视接收机的任务。在研制过程中,我们牢记毛主席关于“独立自主、自力更生”的教导,在校内外工人师傅和教师的支持和帮助下,仅用了四个多月的时间就完成了这一任务。
在彩色电视接收机中,除了高频调谐器、图像通道、伴音通道、亮度通道、扫描电路和电源等部分外,还包含了色通道和会聚校正等特殊部分,整机方框图示于图1。

我们研制的高频调谐器是全部利用国产元件的电调谐高频头。它克服了目前使用的机械调谐高频头结构复杂、可靠性差等缺点。电调谐的原理是利用变容二极管的结电容随着反向偏压的变化而改变的特性(图2),把变容管作为电路的调谐元件。这样,只要改变加到变容管上的直流电压就能达到频道变换的目的。为了达到12个电视频道的覆盖,单靠变容二极管是不够的,因为电容的变化范围有一定限度,为此还利用了开关二极管改变回路电感的方法,原理电路示于图3。当开关管D\(_{1}\)加+15V时,D1导通,L\(_{2}\)被电容C短路,调谐回路中仅有L1起作用。当D\(_{1}\)上加-5V电压时,D1断开,调谐回路的电感等于L\(_{1}\)、L2。这样,开关二极管D\(_{1}\)与变容二极管D2配合在一起,利用改变这两个二极管的偏压的方法就可以覆盖1—12电视频道。同时,由于是用直流电压控制调谐,还易于实现电视机的节目预选,遥控等。在研制工作中,我们不迷信书本,不迷信洋人,分析国外资料吸取对我们有用的东西,同时结合我国实际情况进行大胆的创新,采用了共基电路放大,共发电路混频的线路,提高了高频头的增益。

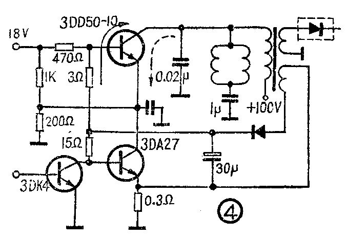
我们研制的行扫描电路中,将行输出级和高压产生合成一级,共用一只晶体管。电路如图4。行输出管采用国产高反压NPN型晶体管3DD50—10(或3DA58F)。它的基极经3Ω小电阻、30μf大电容和0.3Ω电阻接地,由于它们的交流阻抗很小,故此行输出管对交流而言是共基极接法。在行扫描正程的前半段,行输出管3DD50—10的集电结导通,扫描电流的方向如图实线所示;在行扫描正程的后半段,行输出管则因前级3DK4截止而处于饱和状态,扫描电流的方向如图虚线所示。这就在偏转线圈中形成由负到正的锯齿电流。这样电路的优点是:简化了电路,节省了元件,特别是少用了一只高反压大功率晶体管,这从降低成本,减小电源功率消耗都是有利的。另外,行输出级采用了共基极电路,这样可用截止频率f\(_{T}\)较低的管子,也能充分利用管子的BVcbo(集电极—基极反向击穿电压),同时,这个电路不用激励变压器,简化了生产程序。

在研制过程中,我们还完成了应用集中滤波器的图像中频放大器,彩色信号解码器,具有自动亮度控制的视频放大器,帧扫描电路和会聚校正电路。
我们这些参加这一工作的工农兵学员,在入大学前绝大部分只有初中文化程度,而这一任务牵涉的技术知识面很广,有的内容是在三年学习期间没有碰到过的。但是我们牢记工人阶级和贫下中农的委托,以顽强的毅力和实事求是的科学精神,仅仅四个多月的时间我们就较好地完成了任务,这是贯彻执行伟大领袖毛主席光辉的“七·二一”指示的丰硕成果。现在,我们已经完成了在学校的学习任务,又回到生产实践中去,在新的工作岗位上,我们决心努力作战,在社会主义革命和社会主义建设事业中,贡献我们的力量。(清华大学电子系无0班彩色电视机 毕业实践小组工农兵学员)