在毛主席的无产阶级教育路线指引下,我们走出校门,投身到社会的三大革命斗争中,和北京市粮食局有关部门的工人师傅、革命技术人员一起研制了色选机的光电控制电路。
在工农业生产中对产品的分类或筛选,除利用比重、体积、导电或导磁等物理特性外,光电色选也得到很大的重视和发展。色选机是利用不同物体具有不同的颜色,在一定的光照下具有不同的明暗差别,采用光电控制来达到筛选的目的。色选机是根据物体颜色分类,对物体的大小和轻重不受限制,因此它在工农业生产上的应用非常广泛。例如工业上用它选矿,农业上用它来选种或对农产品分类等等。
色选机的工作原理如图1所示。将被挑选的颗粒状物体放入漏斗中,电磁振动器控制被选物体经过导槽进入光箱的流量。光箱内部结构如图2,用不闪动的白色光源从四周均匀照明,背景的反射光经透镜照射在光电池上。由于采用不闪动的光源,所以光电池的受光量不变,这时光电池产生不变的直流电压。经过背景前的分选物若与背景的反射亮度相同,则光电池的受光量保持不变,光电池不会产生脉冲信号。背景是一组涂有深浅不同灰漆的铝板。适当地选择背景,使其与分选物中的“优品”亮度相同,当不同颜色的杂质或异色品经过背景时,照射在光电池上的光量发生变化,光电池将产生变化的电信号。当“优品”较暗时,除要求选用深灰色的背景外,还要适当地加大光栏,增加光通量,以保证有较高的分选能力。前置放大器将变化的电信号放大后送入控制电路,当信号超过一定的门限电压时,启动喷射器,用高压空气流将杂质吹到收容器以外,以达到分选的目的。


光电控制电路如图3,它是由前置放大器、鉴别器和推动喷射器的功率放大器所组成。当被选物的颗粒较大或要求提高分选精度时,可采用多路测量的方法,从两面或四面同时将放大后的光电信号送给鉴别器,如图3所示,当任何一路信号超过门限电压时,都能启动喷射器进行分选。

下面简单介绍前置放大器及鉴别器的电路。
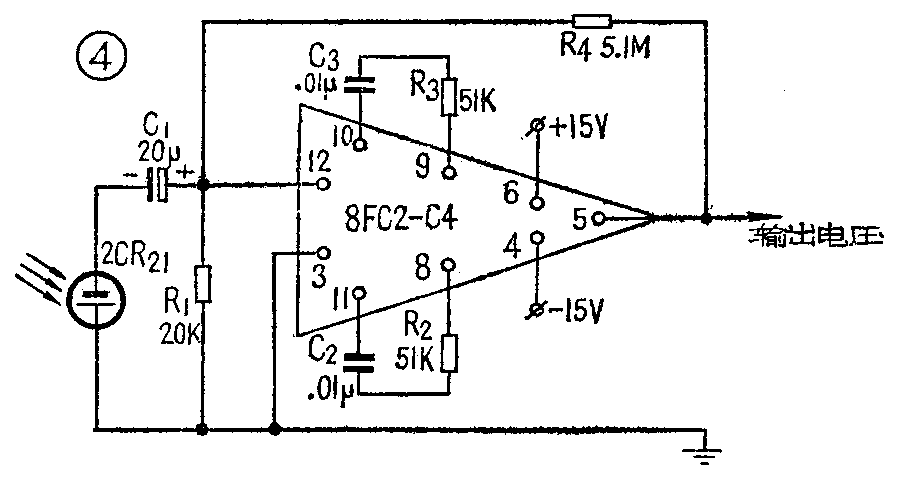
前置放大器需要将很微弱的光电脉冲信号(当要求分选精度很高时,信号电压的峰峰值只有几微伏)放大,因此放大器除要有一定的频率响应(一般通频带在10千赫左右即可)外,还要有较低的交流噪声。我们采用国产线性放大组件按图4接法,噪声电压的峰峰值一般不超过10微伏(指折合到放大器输入端的噪声电压,即输出噪声电压被放大器的放大倍数除)。图中C\(_{1}\)起隔直流作用,R1提供放大器前级的直流工作回路;为了减小噪声,R\(_{1}\)不可选择过大;反馈电阻R4用来确定放大器的交流放大倍数;C\(_{2}\)R2、C\(_{3}\)R3是用来消除放大器的自激振荡,R\(_{2}\)、R3不可选得过小,否则会影响带宽。目前国内生产的组件放大器,如5G22、BG303、BG305等,都能满足上述要求。在色选机中除对放大器的噪声和通频带有一定的要求外,其放大倍数一般在几万到几十万倍,因此常采用多级放大。为减小干扰,前组最好与光电池组装在一起。

鉴别器是用来鉴别光电脉冲信号电压是否超过一定的门限,并把较窄的脉冲放大整形到一定的宽度和幅度。光电信号的宽度是由杂质颗粒的大小及经过光箱时的下降速度所决定的,当颗粒很小时信号脉冲很窄,为了启动喷嘴,必须将信号放大、整形到一定的宽度和幅度。当杂质的颗粒较大,其脉冲信号较宽(例如超过1毫秒),这时喷嘴吹气的时间就要长些才能可靠地吹走杂质,因此鉴别器输出脉冲的宽度又必须随光电信号宽度的增加而增加。
鉴别器是由二极管或门电路、脉冲幅度甄别器、倒相器和单稳态触发电路所组成,其电路如图5所示(图5中的晶体管均为3DG6C)。

前面说过,当被选物较大或分选灵敏度要求较高时,可采用多路光电测量。在图5中将来自四个前置放大器的输出信号同时送入鉴别器,二极管门电路只能通过信号中最大的一个,而其它较小信号回路的二极管处于截止状态,然后送至脉冲幅度甄别器以鉴别脉冲幅度是否超过“门限”。脉冲幅度甄别器是由BG\(_{1}\)、BG2组成的射极耦合触发器,BG\(_{1}\)经常处于截止状态,BG2处于导通状态,因此BG\(_{2}\)经常输出低电压(1伏左右)。当输入信号U2为正电压,BG\(_{1}\)的基极电流在偏置电流(由R7、W\(_{1}\)决定)的基础上增加,当足以使BG1开始导通、BG\(_{2}\)开始截止时,由于电路中有R10所产生的电流正反馈作用,BG\(_{2}\)将迅速截止,此时脉冲幅度甄别器输出为12伏电压。输入脉冲消失后,电路立即恢复到初始状态。我们可以得到与输入脉冲的宽度大体相同、幅度为12伏的输出脉冲信号。当U2较小时,则上述触发过程不会发生。触发门限电压可以调整W\(_{1}\)来改变。W1的阻值减小,触发门限电压相应降低。当分选物中杂质颗粒较小,经放大整形后的脉冲信号过窄,不能可靠地启动喷嘴,我们在鉴别器中采用单稳触发器的反馈电路,保证了送给功率放大器的脉冲信号有一个最小的宽度,以便可靠地启动喷嘴。
当输入脉冲信号使幅度甄别器电路翻转,晶体管BG\(_{2}\)截止时,倒相器BG3导通,通过微分电路C\(_{4}\)R19触发单稳电路,使单稳电路翻转,BG\(_{4}\)截止,BG5导通;BG\(_{4}\)集电极输出的正电压经过R8反馈给幅度甄别器。若输入脉冲U\(_{2}\)很窄,则鉴别器输出高电压的持续时间(即输出脉冲宽度)由单稳电路输出脉冲的宽度所决定。由于单稳态电路翻转状态的维持时间是由C5W\(_{2}\)的大小决定,而与输入脉冲的宽窄无关,这样就保证了输出脉冲的最小宽度。在鉴别器电路中加入倒相器是因为单稳电路需要用负脉冲触发。
应用光电色选的原理,除了鉴别物体的颜色不同外,还可用以鉴别物体的透光度,分辨棉纱的粗细等等,在工农业生产中得到日益广泛的应用。(清华大学电子系控01班色选机毕业实践小组工农兵学员)