煤矿中采煤工作面顶板(指煤层上面的岩层)大面积垮落,通常称为“冒顶”。在万恶的旧社会,资本家唯利是图,矿井中生产条件十分恶劣,许多工人惨死于冒顶事故。解放以后,党对广大煤矿工人的安全高度重视,在毛主席的无产阶级革命路线指引下,广大煤矿工人对顶板的活动进行了大量的观察和研究,掌握了一定的顶板活动规律,曾经多次成功地预报了冒顶事故的发生,避免了损失。无产阶级文化大革命中,我们组织了工人、技术人员、干部和科研、生产、使用单位的两个三结合,以广大矿工同志在长期的生产实践中总结出来的顶板活动规律为依据,研制出DJ—Ⅲ型煤矿顶板安全报警器。它适应于煤矿中缓倾斜煤层一次采全高的长壁工作面,能在工作面发生冒顶危险前,自动发出报警信号,从而避免造成人身事故。
采煤工作面顶板活动规律是这样的:在正常情况下,顶板受不同地质条件和采煤工艺的影响,以大约每小时零点几毫米到几毫米的速度向下移动。当顶板大面积所受压力增大时,下沉速度就显著增加,并维持一段时间才开始冒顶。我们把显著增加了的下沉速度叫做“危险速度”,记作V\(_{t}\);把它所维持的时间叫做“延迟时间”,记作t。
根据上述规律设计的安全报警器,主要具有以下几个作用:
1.顶板下沉速度超过V\(_{t}\)值时,能发出灯光信号;在经过一定时间延迟后,发出声、光报警信号。本仪器Vt值在每小时3毫米到每小时42毫米内可调,共分24档。在V\(_{t}\)为每小时3毫米时最大延迟时间约500分钟,在Vt为每小时42毫米时最大延迟时间约43分钟。
2.顶板下沉速度超过V\(_{t}\)很多时,可提前报警。
3.报警后如顶板活动恢复正常,可自动停止报警。
井下工业试验证明,这种报警器性能良好,受到矿工同志的欢迎。
结构和工作原理
DJ—Ⅲ型煤矿顶板安全报警器由支架及频率发生器(简称支频器)和控制电路两部分构成。
一、支频器:
它的作用是将顶板下沉速度变成电信号,结构示意图见图①。在顶板下沉时,螺杆下移,但不旋转,与之啮合的螺套转动,通过五级齿轮变速,带动光电圆盘旋转。光电圆盘上有十二个小孔,每当小孔经过光源处透光时,光电二极管就受到光照。显然,光电信号的个数正比于顶板下沉量(每下沉一毫米,约发出十六个光电信号),信号频率则正比于下沉速度。这样便实现了下沉速度到电信号之间的转换。

二、控制电路:
它的作用是当下沉速度超过危险速度V\(_{t}\)时,对支频器来的光电信号计数,并根据不同延时要求发出报警信号,方框图见图②,除计数与危险速度显示电路、声光报警电路两部分外,还包括计数脉冲形成、整形电路及“定时”与置零脉冲形成电路。前者从光电信号得到用来计数触发的脉冲信号,后者起鉴别光电信号的作用,保证只有下沉速度超过Vt时记数器才计数,而在正常情况下不计数。

下面对各个电路的特点作一简单分析。
计数脉冲形成、整形电路 由光电输入、放大、射极耦合双稳态电路及反相器组成,如图③所示。光电二极管D未受光照时,内阻很大,放大管BG\(_{1}\)截止。D受光照时,内阻变小,BG1导通。放大后的光电信号经BG\(_{2}\)、BG3组成的射极耦合双稳态电路整形成整齐的脉冲波,再经反相器BG\(_{4}\)后,便得到了用以计数触发的正脉冲。

“定时”与置零脉冲形成电路 所谓“定时”,指的是鉴别反映顶板下沉速度的光电信号,在下沉速度为正常值的情况下,要产生一个置零脉冲使计数器置零而不计数。前已提及,光电信号的周期是反映下沉速度的,因此对光电信号的周期加以鉴别就行了。这儿采用了单结晶体管构成的开关电路完成这个任务,见图④。其中单结晶体管BG\(_{2}\)是否导通视A点电位而定。电源接通后,将通过电阻R4~R\(_{27}\)中的某个电阻对电容C2充电,若A点电位能达到单结晶体管峰点电压,BG\(_{2}\)即导通。充电电阻R4~R\(_{27}\)的数值从51千欧到576千欧,与电容C2配合,充电时间分别对应顶板下沉速度从每小时42毫米到每小时3毫米时光电信号的周期。BG\(_{1}\)是放电管。当自计数脉冲形成、整形电路来一个正脉冲时,由于C1上的电压不能突变,BG\(_{1}\)将导通,此时C2通过BG\(_{1}\)放电。这时有两种可能情况:1.顶板下沉速度未超过危险速度,光电信号周期大于RC电路的充电时间。这时在第二个计数脉冲到达前,A点电位已充到BG2峰点电压,BG\(_{2}\)导通,经BG3及微分电路后,便发出置零负脉冲到计数器,使计数器置零而不计数。2.顶板下沉速度超过了危险速度,光电信号周期小于RC电路充电时间。这时情况不同了,A点电位还没有充到BG\(_{2}\)峰点电压,第二个正脉冲已到来,使BG1导通,C\(_{2}\)放电,之后又重新充电、放电。这样A点电位始终达不到峰点电压,无法导通,BG3是截止的,不会产生置零脉冲,计数脉冲就可使计数器计数了。

K是手动置零微动开关。揿下K时,BG\(_{3}\)由截止变饱和,发出置零脉冲。
计数与危险速度显示电路 由十个双稳态电路及两个反相器组成,见图⑤。这个电路的特点是:

一、第1组——第8组双稳态电路,构成一个八位二进制计数器,最多可计数
2\(^{1}\)+22+……+2\(^{8}\)=510个
每组双稳态电路的输出同时接入报警电路,做为报警驱动与非门的输入(参阅下面介绍的声光报警电路)。
二、第0组双稳态电路由计数脉冲形成、整形电路产生的计数脉冲触发。它的输出一方面触发计数器,另一方面驱动以绿灯做负载的反相器。
三、第1组双稳态电路还驱动第9组双稳态电路,然后经反相器带动黄灯负载。
由于电路的上述特点,它可完成以下几个任务:
一、顶板下沉速度未超过危险速度时,每一个计数脉冲均使第0组双稳态电路翻转,经反相器使绿灯亮一次。由于在第二个计数脉冲到来之前,“定时”与置零电路已发出置零脉冲,所以这时计数器不计数。
二、如果顶板下沉速度超过了危险速度,则第0组双稳态电路翻转后,便触发计数器工作。第二个计数脉冲使第1组双稳态电路翻转后,又触发第9组双稳态电路,经反相器使黄灯亮,警告顶板下沉速度已超过危险速度,提醒人们注意。只要顶板下沉速度超过危险速度,黄灯一直不灭。
三、计数器计数的过程,实际上是延时的过程。所计的数,反映顶板下沉速度超过危险速度后维持的时间。
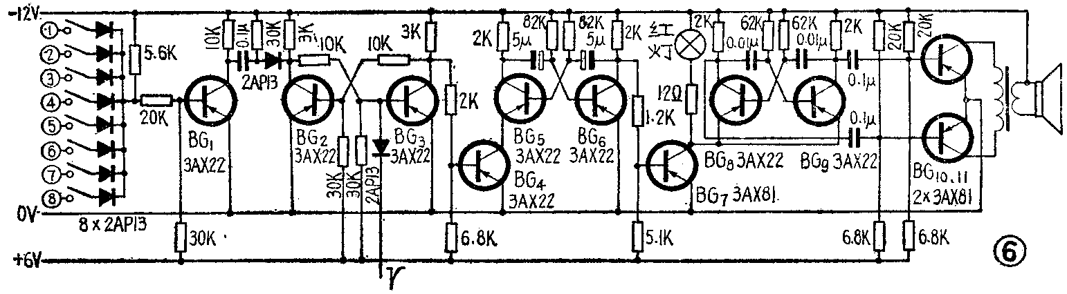
声光报警电路 见图⑥。八只二极管(2AP13)和BG\(_{1}\)构成与非门电路,输入端经“代码选择拨动开关”接计数器的八组双稳态电路。BG2、BG\(_{3}\)构成报警双稳态电路。BG4、BG\(_{5}\)、BG6构成可控多谐振荡器(振荡频率为1—2赫)。BG\(_{8}\)、BG9为音频多谐振荡器(振荡频率1000赫)。BG\(_{1}\)0、BG11为推挽放大级。电路工作过程如下:根据由实际情况决定的预选延迟时间,适当选择“代码选择拨动开关”的接通与断开(共可组合成从2—510间任一偶数代码)。与非门仅当拨动开关接入的双稳态电路全部输出低电位时才有输出,这对应于不仅顶板下沉速度超过危险速度,而且也到了预选延迟时间。这时报警双稳态电路翻转,BG\(_{3}\)输出低电位,使可控多谐振荡器工作。在BG6截止的半周期内,BG\(_{7}\)导通,红灯点燃,这是光报警信号。同时音频多谐振荡器也产生音频振荡,经推挽放大后推动扬声器发出声报警信号。

控制电路的电源采用六只2XY—8型银锌蓄电池,其中四只接成负电源(-12伏),二只接成正电源(+6伏)。根据煤矿生产的特殊要求,电源通过安全火花型保护电路供电,见图⑦。

大家知道,如果电路发生短路,会产生可能引起瓦斯爆炸的火花,这在井下是不允许的。通过短路保护,能把短路火花的能量限制在安全范围内。由图⑦可见,在正常情况下,由于R\(_{3}\)的作用,BG1导通,A点电位近-12伏。当电路中发生-12伏与零伏短路的瞬间,A点电位立即由近-12伏变为零伏,导致BG\(_{2}\)饱和导通,其集电极电位近零伏,而BG2集电极是和BG\(_{1}\)基极相连的,使BG1立刻截止,自动将输出电流切断,从而保证了安全。若-12伏与+6伏短路时,同样可起到保护作用。
使用方法
在一个回采工作面上使用顶板安全报警器,要先对该工作面的地质活动情况有所了解,做到“胸中有数”,结合煤层开采与顶板管理、维护情况,确定危险速度V\(_{t}\)和延迟时间t。仪器工作时,将面板上(见图8) 24档刷形开关的动接点拨到确定的危险速度值,再把代码选择拨动开关拨到适当的位置。决定拨动开关位置的方法如下: 1.根据确定的Vt和t,由“求数码表”找出相应的数码,2.由“数码代码对照表”找出对应于这一数码的代码,即八个拨动开关的位置(求数码表和数码代码对照表均附在仪器内)。上述转换实际上是由危险速度和延迟时间二者共同决定计数器计多少数后开始报警,也就是把危险速度和延迟时间“翻译”成机器的工作语言。

例如,根据某工作面的地质情况和采掘工艺条件,确定危险速度为16毫米/小时,延迟时间为40分钟,即如果顶板以16毫米/小时的速度下沉,超过40分钟后就可能冒顶。我们由“求数码表”查出对应的数码是174(实际上是光电信号的个数),再由“数码代码对照表”找出对应的代码为01010111。这时我们只要将代码选择拨动开关中的第2、4、6、7、8五个开关合上,仪器就可正常工作了(即延时40分钟后报警)。
支频器应放置在不易被人碰撞的地方。
近年来,不少煤矿组织“顶板测压小组”,对顶板活动情况进行了大量记录和研究。这一群众性科学实验活动,正是使用顶板安全报警器的坚实的群众基础。随着我们对顶板活动规律认识的不断深入,顶板安全报警器也一定会日臻完善,更好地为煤矿安全生产服务。(太原无线电六厂 开滦煤炭科学研究所)