在扩音机中,推动部分是其中间放大级,它的工作状态好坏,在很大程度上决定着扩音机的电声性能。这一部分根据末级功率放大器对它的要求,可以是一级推动级,或者由一级电压放大级和一级功率推动级所组成。
推动部分(简称推动级或称激励级)是扩音机的末前级。它的基本任务是输出足够大的信号电压或信号功率,以推动末级进行功率放大。功率放大级多是推挽输出,因此推动级本身或它的前级电压放大级必须采取分相或倒相等方法,将信号变成适合末级推挽所需要的形式,并经电压放大后,才能送到末级。此外,根据末级工作状态的不同,分为电压推动和功率推动两种电路。末级采用甲类和甲乙\(_{1}\)类功率放大的小型扩音机,末级功放管最大信号输出时无栅流,所以它只要求电压作推动;而末级采用甲乙2类和乙类功率放大的较大型扩音机,功放管最大信号输出时产生栅流,因此它要用功率作推动。后两类扩音机的推动部分实际上可以看做一个相当于采用甲类或甲乙\(_{1}\)类功率放大器的小型扩音机电路。也有的中功率扩音机,不是采取用推挽功率放大作推动,而是采用单管作甲类功率放大,再经变压器分相后去推动末级功放。例如上海R150-1型扩音机就是用一只6P6P作甲类功率放大推动末级的。
对推动部分的基本要求是:(1)输出失真要小;(2)杂音电平要低;(3)稳定性好;(4)频率特性好;(5)输出功率或推动电压应有足够的余量。
推动部分所用元件较多,故障也常发生。这部分有故障时,从末级反应出来的现象是:无输出或输出小;失真;杂音及交流声大;自激振荡等。当机内出现这类故障现象,而在电源电路和末级功率放大电路无明显故障时,就应对推动部分的电路进行检查。
一、无输出或输出不足
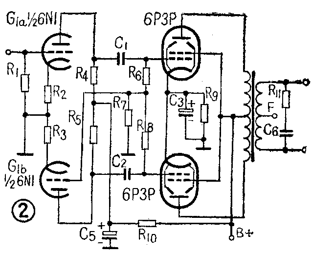
1.推动级的工作电压不正常:当推动级功放管屏极无电压时,如整流电源电路无故障,功放管帘栅极发红(直观可见),则是变压器初级有故障,中心点断路或半组线圈断路。因帘栅压一般取自变压器中心点或同一点(单端推动)。变压器线圈断路时,帘栅负载重而发红。如两管帘栅板都发红,则是变压器初级中心点断路(一般少见)。一管发红,则说明发红的这边的线圈有断路。当发现帘栅极发红时,应立即关机,以免管子过热而损坏。这时关掉电源用万用表电阻档即可查出。若推动管的帘栅极无电压,则多系公用的帘栅极降压电阻断路或退耦电容短路(如图1中的R\(_{17}\),和C8)。在图1的电路里如是R\(_{17}\)和C8出现故障将同时使得电压放大管6J8P无屏压,因此这种故障是比较容易被发现的。电压放大管无屏压或无帘栅压多是电压放大级的供电电路有故障。如图1中的R\(_{15}\)、C13和图2中的R\(_{1}\)0、C5。这样使得推动级的输入端失去电压增益,也就不可能有推动信号输出了。


当阴极电阻(如图2中的R\(_{9}\)、图3中的R12)开路时,管子的直流电路断路不工作,无输出,测其电压时,阴极电压将很高。关掉电源用万用表量它的阻值可查出。若阴极旁路电容(图2、3中的C\(_{3}\))容量减小或失效,造成本级深度负反馈,也将使输出减弱。用同容量电容并联在原电容上就能判断。

2.倒相电路故障引起推动级无输出:在图1中,以输入变压器B\(_{1}\)作倒相的机器,若B1初级开路就是输入信号开路了,整个机器就无输出。在不断电源、不动烙铁的情况下,我们可以借助万用表的交流电压档进行检查,方法是:由前级送给B\(_{1}\)额定的音频信号电压,用万用表交流25伏或50伏档去测B1次级两端电压,若为9~12伏是正常;若无电压指示,说明初级有开路。这时可切断电源,用万用表欧姆档作通路检查,就能进一步判断了(注意:作此种检查时,要先测量初级两端应有电压指示,否则是输入插座或接线端子有开路故障)。若推动级采用单管甲类功放,用变压器作倒相输出的机器(如美多150瓦),当其推动变压器初级开路时,则推动管无屏压而不工作,推动管帘栅极发红,也无推动功率输出。
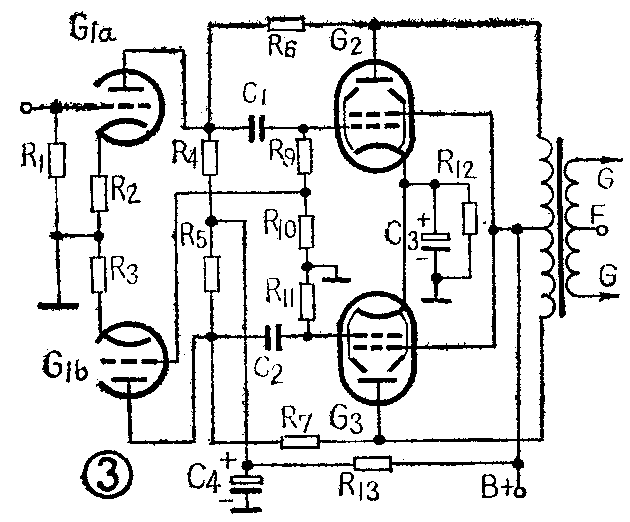
当采用分压式电路(如图3)和自动平衡式电路(如图2)作倒相的机器,若前面接受信号的一只电压放大管(如图2、3中的G\(_{1a}\))没有工作(如电子管灯丝断、管脚接触不良、严重衰老,以及无屏压、阴极电阻开路等),则整个电压放大级也无电压输出。
3.交连电容开路:电压放大级与功率推动级的交连电容(小型扩音机则是与末级功放的交连电容),如图2、3中的C\(_{1}\)开路时,将造成机器无输出。检查的方法,仍借助于万用表的交流50~100伏档,一端串一只0.01~0.1微法/400伏以上的电容,按图4接入线路中。在G1a的栅极注入音频信号,先后测C\(_{1}\)两端A、B点与公共地端之间的交流电压。若A点有电压指示,而B点无电压指示,则说明C1开路,置换新电容后,故障即可排除。或者用一个等值的电容并在原电容上试试。

扩音机输出不足或者说音量小的故障,一般由下列几个原因造成:
1.输入变压器B\(_{1}\)的次级线圈有开路或局部短路。这样不仅造成输出显著减小,而且也将严重失真。在B1的初级注入额定音频信号,用万用表交流电压25伏档,分别测量次级两端对地的电压,正常时应是平衡的,若一组无电压指示,或低于额定值,则说明该组线圈有开路或局部短路故障存在。
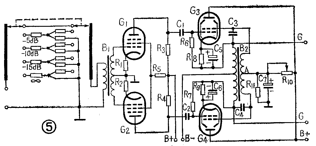
2.用阻流圈作交连输出的机器,如图5,若B\(_{2}\)的A点断路,则G3、G\(_{4}\)无帘栅压,这两管的阴极也无功率输出,若一组开路,则输出小且失真。另外,帘栅电容C3、C\(_{4}\)常会击穿短路,帘栅压也将不正常,检修时应注意。(未完待续)(北京市广播器材修造厂工人 程仲 技术员 谢祥恺)
