电视机中起主要放大作用的是图象中频放大器(简称图象中放)。它把来自混频级的图象中频信号,放大到能使视频检波器正常工作的电平。并对伴音信号作适当的放大,以满足产生第二伴音中频(6.5兆赫)信号的需要。
对图象中放的要求
图象中放应具备下列特点。
1.增益高:一般要求放大量有50~60分贝。
2.频率高、频带宽:我国规定图象中频载频为34.25兆赫,伴音中频载频为27.75兆赫。为了保证图象有足够的清晰度,还要求图象中频频带宽为5-6兆赫。

3.频率特性:电视机中图象中放的频率特性如图1所示。由于电视信号是采用残留边带波发送的(这是为了压缩频带,仅将上边带的全部和下边带中的较低频率部分发送出去),在接收机中,为了防止图象失真,要求图象中频位于特性曲线的50%处(见图1)。为了减小伴音对图象的干扰,要求伴音中频的增益为最大值的5%。此外,在伴音中频载频下凹处还应有频带宽度为250千赫的平坦响应以改善音质。
故障现象及检查方法
图象中放常出现的故障有:有光栅但无声影;信号弱;信号忽有忽无或忽弱愈强;伴音干扰图象;图象失真等等。

一、当电视机发生故障时,除应对表面的零件进行检查外,为了判断故障是否在图象中放,还需要确定中放后面的视频检波和视频放大器工作是否正常。方法是在测试点P(见图2),加入一低频信号,看荧光屏上有无反映。具体作法有三种:
1.用手握改锥金属部分,去接触检波测试点P,以人体感应给视频放大器一个50赫低频信号。此时,如果在荧光屏上出现水平影条,同时扬声器有嗡嗡声,说明视频通道正常,故障是在检波级以前的通道(此方法适用于两级视放电路)。
2.若视频放大器是一级的,可用一只0.05微法电容,一头接到6.3伏灯丝电源上,另一头接测试点P,如果视频通道正常,荧光屏上也有水平影条(串联灯丝电路不能用此方法)。
3.用低频信号发生器,注入1000赫音频信号电压,检查视频通道是否正常。可将信号发生器输出心线,通过一只0.05微法隔直流电容,接到测试点P,如果荧光屏上有黑白相间的水平影条,说明正常。
二、因视频检波级一般很少出现故障,故经上述检查确定视频放大器工作正常后,就对图象中放各级进行检查(国产电视机有的是两级中放,有的是三级中放)。其方法也有三种:
1.用改锥将中放管栅极与底板断续短路。
2.用电压表断续测量中放管屏压。
这两种方法等于送进一个杂波信号,如果电路正常,在荧光屏上就会出现闪光杂波,扬声器有嘎啦嘎啦声。由末级往前一级一级检查,当某一级无反应,故障可能就出在这级。
3.用高频信号发生器逐级注入中频信号检查。方法是将高频信号发生器输出电缆心线经一只数百微微法的电容接到中放管栅极,而电缆的屏蔽套接底板(将信号发生器频率调到33兆赫左右并加上调幅)。如果荧光屏上出现水平影条说明正常。当信号加到某级无此反映或影条反映较弱,则故障就出在该级电路中。
三、经检查找出故障发生在图象中放某级后,便可结合测量中放管屏极电压(或间接测阴极电压)等方法,确定故障具体发生的原因。
故障产生的原因
1.在中放各级引起无声、无影的原因,多数为中放管6J1坏。有时因去耦电容C\(_{4}\)、C10被击穿,引起去耦电阻R\(_{4}\)、R7断或中放管屏极电阻R\(_{3}\)、R6断,管座与管脚接触不良等也会造成无声无影(如图3)。

2.常见的信号弱的原因有帘栅或阴极旁路电容C\(_{4}\)、C10或C\(_{3}\)、C8断路及耦合电容C\(_{1}\)、C6 、C\(_{11}\)漏电,中频回路失谐等(如图3)。
3.信号忽有忽无或忽强忽弱的故障,在中放级常为电子管6J1灯丝断裂,灯丝时亮时不亮引起的。有时6J1管碰极严重漏电,管座与管脚接触不良,元件焊接不良或“阻尼电阻”R\(_{1}\)断,也能引起这种故障现象。
4.伴音干扰图象的现象,就是随着声音的大小,在荧光屏上出现水平条纹。一般是因高、中频特性曲线不正确(如中放吸收回路和其他谐振回路未调好),使伴音中频信号落在特性曲线的陡削部分,引起斜率检波作用而造成的。检查这种故障时,可把音量电位器关至最小,如此时干扰现象消失,则故障存在于伴音通道或其他电路中。若仍有干扰现象,一般故障是在图象中放以前电路中。这时需对中放特性曲线重新调整。

3.图象失真,主要是因中频特性不好引起的。图4所示为中频特性三种不同情况的频率特性曲线和相应的视频检波器输出的图象信号频率特性。为了使图象不失真,图象中频载频须处在特性曲线斜边高度为50%处,如图4(a)。这时视频检波器输出端所得图象信号频率特性才是平坦的如图4(a′)。若图象中频载频位置往上移(本机振荡频率过低)如图4(b),使得图象信号低频分量加重,高频分量相对减少,造成图象清晰度差,图象变浓,看不清细节部分,垂直轮廓线变得模糊,有时出现短拖影。测试图的垂直楔形线条数减少。此时检波器输出频率特性如图4(b′)。若图象中频载频位置下移(本机振荡频率过高)如图4(c)。则检波输出端所得图象低频分量减少,高频分量相对增加。造成图象多边多影、白色镶边和图象变淡。有时也出现伴音干扰图象。
图象中频放大器的调整
图象中放是多级宽频带调谐放大器,多采用单调谐回路(有的采用双调谐回路)而且采取“参差调谐”的方法,使各级回路调谐于不同频率上。如820型电视机的中频线路(图3)就是这样。其中L\(_{2}\)谐振于30兆赫,L4调谐在33.75兆赫,L\(_{6}\)调谐在32兆赫。三个调谐回路的三个单峰频率特性,构成总合中频特性曲线如图5。如果其中一个调谐回路调得不正确,就会影响整个中频特性,造成图象质量不佳。因此,在无适当仪器时,不要轻易调整它。

一、在什么情况下需要调整呢?
1.当变动频率微调,出现声音好,而图象不好,或图象较好而声小或失真,调整高频振荡线圈的铜心不起作用时。
2.当图象产生失真,转动频率微调钮时,如果图象特征随着频率微调钮的转动而变化,则表示高频头和中放级特性曲线被破坏。若无变化,表示故障发生在视频通道和检波级。例如多边多影故障,如果出现在高频头和中放级,这时改动频率微调其阴影之间的水平距离发生变化。
3.当发生伴音干扰图象,而改变高频振荡频率无效,同时确定伴音和视频通道正常时。
4.图象中放的中周是新换的。
5.由于频率失谐引起信号弱等。

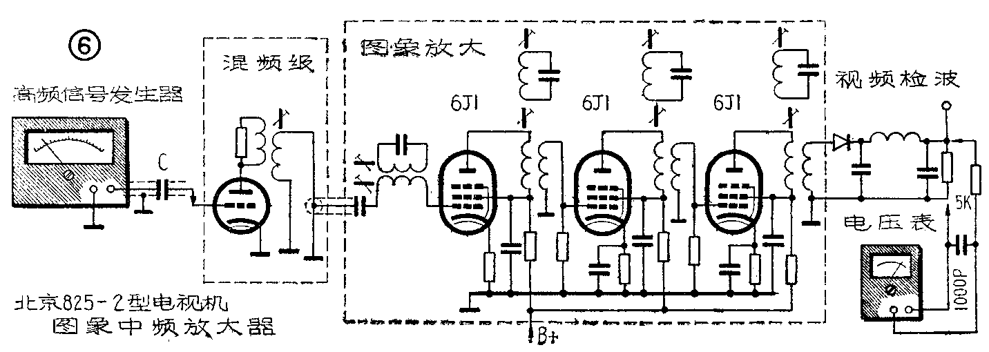
二、用高频信号发生器和电子管电压表进行调整。高频信号发生器输出电缆心线经一只隔直流电容接混频栅极。电压表经电阻(5千欧)和电容(1000微微法)组成的去耦网路,接到检波二极管负载电阻两端(如图6)。电压表拨子放到直流档上。调整时,高频信号发生器输出电平不要太大(一般有1伏左右即可),防止过荷失真。然后将信号发生器调在34.25兆赫频率刻度上,同时旋转34.25兆赫中周的磁心,使电压输出最大。接着顺次调整30兆赫、33.25兆赫和32兆赫的各中周磁心(图7),同样使输出电压最大。至于各吸收回路的调整,方法相同,只是输出电压要调至最小。经调整后,还要进一步检查一下各谐振频率输出电压是否相差太大。方法是把信号发生器的频率从30兆赫开始往高端移动,到33.25兆赫。同时观察电压表的指示,如摆动不大,说明调整好了。

在调整时应注意的是:一定要根据电视机的中频放大器各级中周所要求的频率进行,且不要调错了。(北京广播服务部)