农作物的生长离不开阳光。为了把春播作物改为夏播作物以缩短生长期,单季改为双季以增加复种指数等,必须考虑农作物对太阳照射时间的要求。在蓬勃开展的“农业学大寨”群众运动中,许多社队大搞科学种田,进行观测日照时数的科学实验活动。下面介绍一种简易日照时数计,它能自动记录日照时数,适合农村社队使用。
原理与电路
这种简易日照时数计由传感器——硒光电池、光敏继电器、时间继电器、计数器、电源几部分构成。当有太阳光照射时,硒光电池产生电压,光敏继电器工作,时间继电器开始记时;时间继电器每延时六分钟,接通计数器记一个数。读取计数器所显示的数字,就知道了日照时间。时间继电器调整成延时六分钟,是因为我们用的计数器(长城牌DJ15-15型电磁计数器)是十进制的,时间继电器延时六分钟使计数器记一个数,当计数器记到十个数时,恰好就表示日照一小时。如把计数器最后一位数当成小数,那么显示的整数部分就是日照的小时数,小数部分乘以六就是日照的分钟数,免除了不必要的换算。

图①为光敏继电器的电路。无太阳光照时,电源电压经W\(_{1}\)、R1使BG\(_{1}\)正偏而导通,BG2截止,继电器J\(_{1}\)释放。有光照时,硒光电池产生电压使BG1反偏而截止,BG\(_{2}\)导通,J1动作,接在时间继电器电路中的触点J\(_{1}\)-1闭合(参看图②),使时间继电器接通电源工作。R2是BG\(_{1}\)的负载兼做BG2偏流电阻。R\(_{3}\)、R4在电路中起稳定作用。二级管D的作用是在BG\(_{2}\)截止后,为继电器绕组中的电流提供通路,避免因绕组上过大的反电势而损坏晶体管。

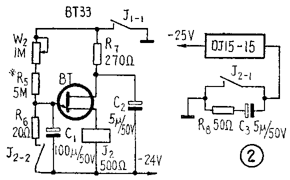
图②为时间继电器的电路。为了能准确记录日照时数,关键的一点,是保证时间继电器有长达六分钟的延时,而且精度要高。这里采用单结晶体管构成的延时电路。如前所述,有光照时,J\(_{1}\)的触点J1-1闭合,接通了时间继电器电源,电源经W\(_{2}\)、R5对电容C\(_{1}\)充电。当C1上的电压上升到单结晶体管BT的峰点电压时,BT导通。C\(_{1}\)此时将经单结晶体管的发射极、第一基极间很小的输入电阻和继电器J2线圈放电。流过J\(_{2}\)的电流足以使之动作,导致J2—1闭合,接通计数器记数;J\(_{2—2}\)闭合,C1上残存电荷泄放,BT恢复截止状态。之后,C\(_{1}\)又重复充电过程。通过以上分析可以看出,从光照开始到继电器J2动作之间的延时,是由W\(_{2}\)、R5、C\(_{1}\)组成的充电回路的时间常数与单结晶体管的分压比η决定的。图②中单结晶体管η=0.45,W2+R\(_{5}\)=6兆欧,C1=100微法,恰可使电路延时为六分钟,保证光照六分钟,J\(_{2}\)动作一次,计数器记一个数。R6是限流电阻,保护触点J\(_{2}\)-2。C2用以防止干扰。R\(_{8}\)和C3组成消火花电路,起保护J\(_{2}\)-1的作用。R7是做温度补偿用的。

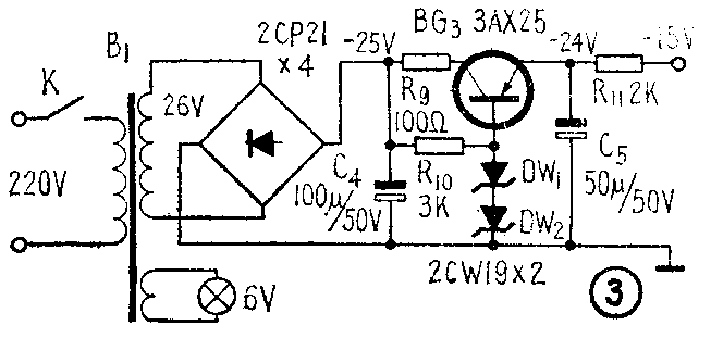
电源部分的电路见图③。考虑到光敏继电器和时间继电器对电源电压稳定性要求较高,采用了简单的稳压装置,以保证仪器精度。计数器的电源则直接从桥式整流后取出。稳压电路中,BG\(_{3}\)是调整管,接成射极跟随器,它的输出电压波动反馈回输入端。该电路中没有过载和短路保护装置,调试时要防止负载电路有过载及短路现象发生。
元件的选取
继电器J\(_{1}\)是高灵敏度继电器。直流电阻在1.5~3千欧均可用,吸合电流最好不大于8毫安。J2要求有两组常开触点,直流电阻250~700欧,吸合电流不大于15毫安。
C\(_{1}\)选用漏电小的电容,最好是钽电容。 R5宜用金属膜电阻。
对电路中其它元件无特殊要求。
制作与调整
日照时数计的传感器部分——硒光电池,要放在室外,但又不能受雨、露、雾及潮气的侵蚀。为此我们采取了两个措施:一、把它固定在一个金属盒的表面上。在金属盒上沿光电池周围钻小孔,盒内放干燥剂氯化钙。

二、加一个玻璃罩。制作方法如下:找一个废灯泡,用软铅笔沿要割去的位置画线(留出一厘米不画),用串有100瓦灯泡的市电接在画线的断开处通电,灯泡自然从铅笔线处断开。再用细砂纸轻轻地把断口磨平,玻璃罩就做成了。用玻璃罩罩上光电池并用环氧树脂胶牢,封上火漆,从盒内引出光电池的正负极。传感器外形如图④所示。
整机调整很简单。先调节电位器W\(_{1}\)使光敏继电器在一定的光照强度下动作,再调节W2使时间继电器延时恰为六分钟,也即每光照六分钟计数器记一个数就算调好了。
实际观测时,放置传感器的地方,周围不能有高仰角的障碍物。
这种简易日照时数器,经使用证明,具有灵敏度高的优点。缺点是硒光电池存在老化问题,锗管受温度影响大,因而稳定性稍差。(四川省气象局 吴绍金)