万用表用途很广,设计制作也并不复杂。下面以我制作的万用表为例,谈谈如何设计一只万用表。
先测量表头的灵敏度和内阻
在万用表中,表头是最重要的部件。而决定表头好坏的最重要的因素是它的灵敏度。灵敏度是指当表针满偏转时通过表头的电流数。例如,如果表头通过100μA的电流能使表针偏转到头,它的灵敏度就是100μA。表头灵敏度越高,作出的万用表测量的范围就越大,精确度也越高。表头灵敏度在50μA~100μA之间比较理想。灵敏度比1mA还低的表头,就不适于作万用表了。
有了表头, 首先要测量它的灵敏度和内阻。测量灵敏度的电路见图1。M\(_{1}\)为被测表头,M2为标准电流表。合上开关K,调节可变电阻R\(_{1}\)使被测表头达到满刻度。这时标准表的读数就是被测表头的灵敏度。

表头内阻不能用万用表直接测量。因为表头动圈的电阻较小,线又很细。用万用表测量时动圈中将流过很大电流,很容易损坏表头。测量表头内阻可按图2接成电路。先合上K\(_{1}\),调节R1使被测表M\(_{1}\)的指针达到满刻度。然后合上K2,调节R\(_{2}\)使电流达到满刻度的一半。这时,表头内阻r可由下式求出:
r=\(\frac{R}{_{1}}\)+R3(R\(_{1}\)+R3)-R\(_{2}\)·R2。
测得表头的灵敏度和内阻以后,就可以分档设计万用表了。计算的顺序一般是:直流电流档,直流电压档,交流电压档,电阻档。
直流电流档的计算
关于电流的档级,读者可根据自己所需范围来选择。要调修半导体收音机,小电流档可多一些,而调修电子管收音机则小电流档可少一些。一般说来,只要有200μA(或500μA)、1mA、5mA、50mA、500mA几档就够用了。
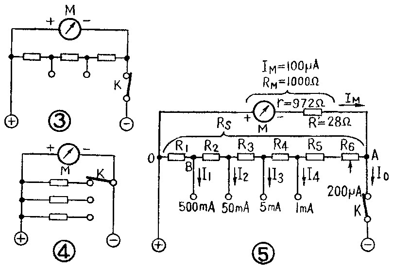
直流电流档的电路型式有图3和图4两种。图3电路调整困难一些,并且不能利用表头的最小满刻度电流。但它有一个很大的优点,就是当开关K断路时,表头与被测电路断开,不受外电路的影响。图4电路调整起来容易些,而且也可以利用表头的最小满刻度电流。但它的严重缺点是当开关K一旦断路时,外电路的大量电流立刻流过表头,会造成烧表事故。所以大多数万用表都采用图3的型式。

确定电表量程及电路型式后,就可以画出电流档的电路(见图5),具体计算电路中的各个阻值了。
我所用的表头满偏转电流I\(_{M}\)=100μA,内阻r=972欧。为了计算和以后调整方便,在表头上串联一个很小的可变电阻R′,把它调到28Ω,使r和R′加起来凑成一个整数RM=1000Ω。
图5中的R\(_{6}\)是电阻档的零点调节电位器,它的作用后面再介绍。目前只需把它和R5看成一个电阻就行了。
先计算200μA档。当表头达满刻度电流I\(_{M}\)时,电路总电流I0=20,分流支路R\(_{S}\)中的电流为I0-I\(_{M}\)。因为不论是从表头支路或分流支路看,O、A两点间的电压降应当一样,所以
I\(_{M}\)RM=(I\(_{0}\)-IM)R\(_{S}\),( 1)
R\(_{S}\)=IMR\(_{M}\)I0-I\(_{M}\)。(2)
把具体数值代入式(2),可得
R\(_{S}\)=\(\frac{100×1000}{200-100}\)=1000Ω。
然后计算500mA档。在这种情况下,表头达满刻度电流I\(_{M}\)时的总电流I1为500mA。它分成两路,一路通过R\(_{1}\),一路通过表头和其他电阻(RS-R\(_{1}\))。因O、B两点的电压降应当一样,所以
I\(_{M}\)(RM+R\(_{S}\)-R1)=(I\(_{1}\)-IM)R\(_{1}\)
I\(_{M}\)RM+I\(_{M}\)RS=I\(_{1}\)R1
把(1)式的I\(_{M}\)RM代入上式得
I\(_{0}\)RS=I\(_{1}\)R1,
R\(_{1}\)=I0I\(_{1}\)RS。 (3)
用实际数值代入(3)式,得
R\(_{1}\)=\(\frac{200}{500×1000}\)×1000
=0.4Ω。
对于50mA档,利用式(3)可得出
R\(_{1}\)+R2=I\(_{0}\)I2R\(_{S}\)=200;50×1000×1000=4Ω,
对于5mA档。
R\(_{1}\)+R2+R\(_{3}\)=I0I\(_{3}\)RS=200;5×1000×1000=40Ω。
对于1mA档,
R\(_{1}\)+R2+R\(_{3}\)+R4=I\(_{0}\)I4R\(_{S}\)
=\(\frac{200}{1×1000}\)×1000=200Ω
这样就得出了R\(_{1}\)=0.4Ω,R2=3.6Ω,R\(_{3}\)=36Ω, R4=160Ω, R\(_{5}\)+R6=R\(_{S}\)-200=1000-200=800Ω。
直流电压档的计算
首先要根据需要确定量程范围。我做的万用表采用了10伏、100伏、500伏、2500伏四档。
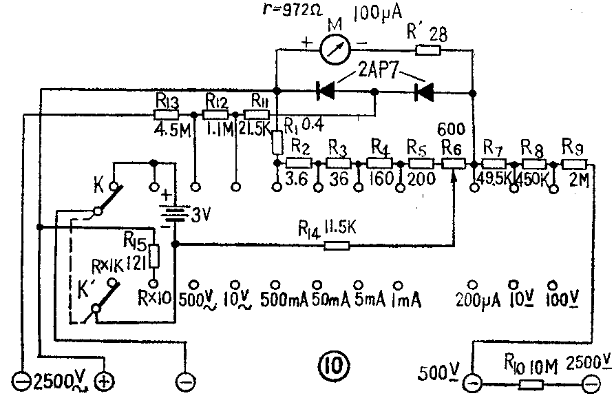
测量电压,就是在表头电路上串一个大降压电阻,去测量被测电压在电表中所产生的电流。电压档的电路有图6和图7两种型式。前者各个降压电阻可以分开调节,并且各档互不影响,但它们的阻值都不是整数,选取标称电阻比较困难。后者调整时虽然要逐档调节,并且各档间有牵连,但除了第一档外,其它各档的电阻都是整数值,容易选取电阻。而且各个电阻是串联起来的,可以提高电压档的耐压强度。所以在大多数万用表中都采用图7的电路型式。

现在根据图7电路进行计算。这个电路实际上就是在直流电流200μA档的电路中串一个降压电阻,所以表头满偏转时的总电路电流I\(_{0}\)=200μA,而表头电路的总内阻R0=R\(_{M}\)RSR\(_{M}\)+RS=1000×1000;1000+1000=500Ω。因此,
对于10V档有
R\(_{7}\)+R0=\(\frac{10V}{20}\)=50KΩ,
R\(_{7}\)=49.5KΩ。
对于100V档有
R\(_{8}\)+R7+R\(_{0}\)=\(\frac{100V}{20}\)=500KΩ,R8=450KΩ。
同样可算得R\(_{9}\)=2MΩ,R10=10MΩ。
交流电压档的计算
一般万用表中,测量交流电压可以采用半波整流或全波整流。本文只介绍半波整流电路,如图8所示。整流器可采用二极管或氧化铜整流器。在进行其它档的测量时,整流器与电路并不脱离,因为二极管反向电阻很大,可以忽略不计。

在半波整流电路中,流过负载电路的电流平均值为其有效值的0.45倍。所以要使表头的指针达到满刻度,表头电路中交流电流的有效值应为I≈2000.45=444μA。这时10伏电压档的总降压电阻应为10V;444μA=22.5KΩ,减去R\(_{0}\)和整流器内阻共约1KΩ,求得R11=22.5-1=21.5KΩ。同样道理,可以求得R\(_{12}\)=1.1MΩ,R13= 4.5MΩ。
电阻档的计算
电阻档的电路图见图9。这里采用了3伏电池和R×1K,R×10两个档。图中R\(_{6}\)是电阻档的零点调节电位器。R6的滑臂向左去,可以减少流过表头的电流,向右去可以增加流过表头的电流。为了保证足够的调节范围,R\(_{6}\)不应小于500Ω。这里选了R6=600Ω。前面已经算出R\(_{5}\)+R6=800Ω,所以R\(_{5}\)=800-600=200Ω。为了使电池电压降到2.4伏时仍能进行测量,计算时应假定R6的滑臂处在最右边,并设电池电压为2.4伏。
测量电阻,实际上是测量流过被测电阻的电流。当正负表笔短路,即被测电阻为0时,使表针达到满刻度。在测量某一电阻时,两个表笔分别加在待测电阻两端,把这个电阻串入电路,电表指示的电流就要减小。这个电阻越大,电流就减小得越多。通过事先的计算,可以把指针在不同位置上所代表的电阻值直接用欧姆标度在表面上标出来。
先计算R×IK档。正负端子短路时,表头应指满刻度(I\(_{0}\)=200μA),这样可得
R\(_{14}\)+R0=\(\frac{2.4V}{20}\)=12KΩ,
R\(_{14}\)=12KΩ-R0=11.5KΩ。
(R\(_{14}\)+R0)是从两个端子看进去的电表等效内阻。当被测电阻等于电表等效内阻时,电流就减小一半,指针刚好指到表面中间。这个电阻值就叫做该电阻档的中心值。这个值很重要,不论自绘表面或是利用现成表面,都应当使电表的等效内阻值和表面中心值相符。
用R×1K档测量时、电表内阻为12K。当测量几十欧或几百欧的小电阻时,由于被测电阻比12KΩ小得多,所以电路中的电流和表笔短路时相差很小,表针基本上指零或相差很小。为了解决这一问题,R×10档电路在原来的内阻R\(_{14}\)+R0=12KΩ上并联一个R\(_{15}\),以减小电表电路的内阻,从而增大了被测电阻中的电流。这样,在测量小电阻时,表针就能有明显的读数。
对于R×1K档,表面中心值代表12KΩ,而对于R×10档,中心值应减小到12KΩ的\(\frac{1}{100}\)倍,即120Ω。因此,在R×10档,应使电路内阻为120Ω。这样,当表笔短路,被测电阻为0时,电池仍通过电阻R\(_{14}\)及表头电路R0构成回路,使表针满偏转。通过电池和表笔的电流则比这个电流大得多,其中绝大部分通过R\(_{15}\)分流,不通过表头。当被测电阻等于电表内阻120Ω时,表笔中的电流减小一半,表头中的电流也相应地减小一半,表针指在中间,表明被测电阻为120Ω。
由此可见,并上R\(_{15}\)的作用是使电表内阻降到原值的1100,即
求得 R\(_{15}\)=(R14+R\(_{0}\))100-1。(4)
代入具体数值得R\(_{15}\)
=12000/100-1=12000/99=121Ω。
如果有R×100档或R×1档,可按同样道理并联不同阻值的电阻, 其值可参照(4)式计算。例如,对于R×100档,中心值减小到R×1K档的110倍。所以并联电阻
R\(_{16}\)=R14+R\(_{0}\)10-1=12000;9=1333Ω。
对于R×1档,中心值减小到11000倍,所以并联电阻
R\(_{17}\)=
把各档电路组合成一个万用表电路
将前面对各档分开计算的电路,即图5、图7、图8、图9的电路结合在一起,就组成了一个完整的万用表电路,如图10所示。这里我用了一个2刀11掷转换开关来转换各档。另外用三个负表笔插孔分别用来测量500伏、2500伏档的直流电压和2500伏档的交流电压。这样不仅可以节省转换开关的刀位,而且高压档直接从插孔引出,可以提高耐压强度。在利用这些档进行测量时,正表笔不动,只须将负表笔拔出插入相应的插孔中就行了。这时转换开关可放在任一电压或电流档,这样它的刀片处于断路状态,对测量没有影响。

将各档电路组合起来的方法很多。例如在图10电路中,也可以只用一个单刀11掷开关,而另加一个拨动开关。当测R×10档时,利用拨动开关把R\(_{15}\)并联在表头上,而测R×1K档时把R15断开。这样R×100和R×1K两档就可以共用一个刀位,省出的一个刀位可以供直流500V档使用,或增加其他量程。(宜昌纺织机械厂工人 胡联奎)