遵照伟大领袖毛主席关于“努力办好广播,为全中国人民和全世界人民服务”的教导,为了办好电视广播,使边远地区的广大工农兵群众,都能从电视屏幕上,看到我们伟大领袖毛主席的光辉形象和我国社会主义革命和社会主义建设的大好形势,从本期起,我们就电视远程接收问题进行讨论,以交流这方面的实践经验。欢迎工农兵同志们踊跃来稿,参加讨论。——编者
电视信号的特点之一是直线传播,一般仅限于直视距离内。在边远地区或某些山区,即使用增益很高的锐定向天线,有时也不能满足电视接收机的要求。在这种情况下,可以将天线架设在某些合适的高处,以便获得够用的信号电压。但这些高地往往离接收机较远,天线的馈线过长,对信号的衰减很大。在这种情况下,可以采用天线放大器。天线接收到的信号,在未经馈线衰减前加以放大,这对提高信号杂波比是很有利的。若将放大器装在电视机附近,由于馈线中的损耗,信号被大大衰减,因而信号杂波比变坏,图象质量降低,在荧光屏上就会出现象微小雪片样的干扰。
我们利用这种天线放大器,在远离电视台的边远山区收看电视广播,效果较好,现介绍出来供参考。
电路简介
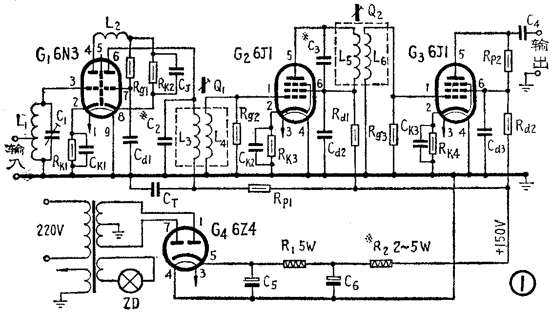
这个电视接收天线放大器,是供单频道使用的,电路如图1。放大器必须保证有足够宽的通频带。整个放大器由四只电子管组成,其中G\(_{1}\)、G2、G\(_{3}\)为高频放大,而G4作为全波整流用的。高频放大的第一级G\(_{1}\) 管,接成阴地-栅地式放大器,其中左边三极管是阴极接地电路,右边三极管是栅极接地电路。这种电路不仅具有和五极管高放级相当的增益和工作稳定性,而且还具有和三极管相当的低杂波。由于远距离接收时有用信号一般很弱, 所以尽量减小第一级的杂波是很重要的。本机输入电路由电感L1和电容C\(_{1}\)(包括阴地级输入电容)组成的谐振回路,具有单峰频率特性。为了使输入电路和低阻抗的不平衡式馈线(75欧同轴电缆)相匹配,输入端子是由电感L1的抽头引出。高频电视信号经阴地级放大后,经L\(_{2}\)、 CJ输入至栅地级的阴极,再经该级放大后送到第2级G\(_{2}\)的栅极。第1级和第2级之间的耦合回路Q1是紧耦合调谐回路。这里初级绕组L\(_{3}\)和G1管的输出电容(在第1频道时应包括外加电容C\(_{2}\))组成初级回路,次级绕组L4和G\(_{2}\)的栅极输入电容组成次级回路。由于线圈L3和L\(_{4}\)是并在一起绕的,所以耦合很紧,圈数相等,漏感可以忽略。这种紧耦合回路的特性和单调谐回路等效,也是一个单峰的频率特性。其优点是,可省去耦合电容,结构较简单。在次级L4上还并联了一只3千欧的“阻尼电阻”R\(_{g2}\),以展宽频带。

第2级和第3级之间的耦合也是采用双线并绕的紧耦合回路(Q),由电感L\(_{5}\)、L6和有关电容(在第1频道时包括外加电容C\(_{3}\))组成。经放大后的电视信号由G3屏极送到馈线上,这个输出电路是采用阻容耦合,可以使调整简化,容易进行匹配。因为这时只要采用低的屏极负荷电阻(这里R\(_{P2}\)为150欧),便可以较好地和不平衡式馈线匹配。同时,由于负荷电阻阻值这样低,所以具有很宽的频带。
放大器具有宽达8兆赫的频带,由上述三个回路参差调谐组成。其中回路Q\(_{1}\)应调谐在图象载波频率上,回路Q2应调谐在伴音载波频率上,输入回路L\(_{1}\)、C1则是调谐于频道的中心频率,整机放大倍数约为20倍。
电阻R\(_{K1}\)上的电压降,为G1管左边三极管栅极上的负偏压。右边三极管栅极上的负偏压,由电阻R\(_{K2}\)产生。L2为高频扼流圈,它谐振于高的频道一端,用于补偿,由于G\(_{1}\)左边三极管的输出电容和右边三极管的输入电容的旁路作用,而引起的高频道增益下降。Rg1为右边三极管的栅漏电阻。电容C\(_{d1}\)为使高频通地用的,电容CT和电阻R\(_{P1}\)组成退耦电路。其他元件作用与一般放大器的相同。
该放大器的电源与收音机的全波整流电路一样,变压器可用四灯电源变压器。
线圈和元件数据
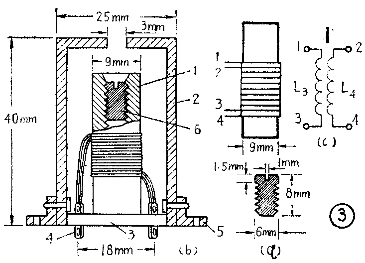
线圈L\(_{1}\)、L3、L\(_{4}\)、 L5和L\(_{6}\)以直径为0.41毫米的漆包线,绕在直径为9毫米的线圈筒上其匝数见附表。线圈筒用有机玻璃或聚苯乙烯制作。线圈的结构和尺寸见图②③。L1为单层密绕。L3L\(_{4}\)和L5L\(_{6}\)两组分别为双线并绕。两组回路都加以屏蔽。
附表
电视 线圈L\(_{1}\) 线圈L3、L\(_{4}\) 线圈L5、L\(_{6}\)
从接地端起 每个线圈 每个线圈
频道 匝数 至抽头点匝数 的 匝 数 的 匝 数
1 7.5 1.4 10 9
2 6.5 1.5 9 6.5
4 4 1 6 5
线圈L\(_{2}\)用直径为1毫米的漆包线,在直径为3毫米的圆棒上脱胎绕成空心线圈,圈数为3匝。结构如图④。

电容:C\(_{1}\)为0.5-4P的微调电容; C2、C\(_{3}\)为3P(用于第一频道);CK1-C\(_{K3}\),Cd1-C\(_{d3}\),CJ,C\(_{T}\)均为3000P的云母质或瓷质电容;C4为180P云母或瓷质电容;C\(_{5}\)、C6为20μ以上耐压400伏以上的电解电容。
电阻:R\(_{k1}\)RK2为240欧;R\(_{K3}\)、Rk4为200欧、R\(_{g1}\)为20千欧; Rg2、R\(_{g3}\)为3千欧; Rd1、R\(_{d2}\)为6.8千欧;RP1、R\(_{P2}\)为150欧;R1为2-5千欧(5瓦线绕)电阻;R\(_{2}\)为2-5千欧2瓦以上电阻。
放大器的调整
在调整前,应先检查接线和元件,如无误,可通电源。正常的滤波输出电压为150伏,电压稍高或稍低时,可调整电阻R\(_{2}\)以得到合适的电压。如整流电路正常,就可检查各电子管的直流工作状态。其各极电压应是:双三极管G1左边三极管的屏压为75伏,右边三极管的屏压为150伏。其阴极电压左边为1.2伏,右边为75伏。 G\(_{2}\)、G3两只电子管的屏压和帘栅压均为100伏,阴极电压均为1.5伏。
当整个放大器的直流工作状态正常后,就可对三个调谐回路进行调谐。有两种调谐方法,用仪器和不用仪器。
1.不用仪器的调整方法是:电视机放在天线放大器的近处(但不能靠得太近,以免互相干扰),将天线的馈线接到放大器的输入端,放大器输出则接到电视机的天线插孔。然后,接通电源。待放大器、电视机工作正常后,用非金属改锥转动线圈L\(_{3}\)L4的黄铜螺心,使电视机荧光屏上出现图象。再调节L\(_{1}\)C1回路的微调电容C\(_{1}\)以及L5 L\(_{6}\)的黄铜螺心,使图象对比度最浓,清晰度最好。在调整L5 L\(_{6}\)回路时,要注意在保证图象具有较好的质量前提下,使伴音尽可能响,音质尽可能好听。上述调谐次序仅是参考,实际上需要反复调节三个回路。
将放大器初步调好后,就可将电视机放到预定放置地点。正式安装完后,再对三个回路重新调谐一次,以得到较好的效果。我们利用这个方法,在馈线长达250~300米的情况下,能顺利地将放大器调整好。
2.用仪器调谐的方法。是按图⑤连接线路。这里用的高频信号发生器,其频率范围应包括该电视频道的图象和伴音载波频率。它的输出应接到放大器的输入端子,放大器输出端通过一只检波头接到微安表(可用灵敏度较高的万用表)。检波头可按图⑥制作。它的作用是将高频电视信号变为直流电流后送至微安表。调谐时顺次将高频信号发生器的频率刻度置于频道中心频率、图象载频和伴音载频,并且使输出信号电压调到使微安表有足够的读数(但不宜太大),然后相应地调节三个回路,使指示最大。当然,即便使用仪器调整完毕,待放大器和电视机正式安装好后,如接收到的质量不够理想,还要根据荧光屏上图象的质量对回路作适当微调,以获得最佳效果。(战士王兵营)



