瓦斯是煤矿生产中的一大危害(矿井瓦斯主要指甲烷,即CH\(_{4}\))。对矿井瓦斯的检查和预测,是安全生产的一项重要工作。我们山西阳泉三矿和山西矿业学院矿校挂钩,组成以工人为主体的三结合瓦斯遥测科研小组,抓大事,促大干,大胆革新,“土打土闹”,研制成功脉冲数字式矿井瓦斯遥测装置。煤矿工人成为科学研究的主人;学校教师走出校门,接受工人阶级的再教育,这是无产阶级文化大革命中涌现出来的社会主义新生事物。
瓦斯遥测的一条新路
在确定瓦斯遥测装置的设计方案时,我们努力学习和运用了毛主席的哲学思想。遵照毛主席关于“不同质的矛盾,只有用不同质的方法才能解决”的教导,坚持实践第一的观点,我们首先认真分析了矿井瓦斯的变化规律及测量要求,主要是:(一)矿井瓦斯浓度是一个缓变量。(二)由于测量元件特性的限制,测量范围仅限于0—4%CH\(_{4}\)。(三)从生产管理角度考虑,测量结果有三位数字就够了。(四)测量装置设在井下,潮湿,有煤尘,有瓦斯,工作条件较差,排除故障困难,要求设备有较高的可靠性。
针对上述特点,我们通过反复实践,选择了用线路简单的脉冲数字系统进行瓦斯遥测的方案。这是瓦斯遥测的一条新路。它和过去沿用的载波技术测试方法相比较,有不少优点,如抗干扰能力强,能保证一定的测量精度;数字显示,一目了然;具有逻辑判断功能等。经过试验还证明,采用脉冲数字系统,不论装配、调试或维修,煤矿电工都容易掌握。
方案的基本思路是这样的:在井下,首先利用探头把瓦斯浓度变换成电压,然后把电压再交换成宽度与之成正比的脉冲信号(称作“调宽式模数转换”),向井上发送。在井上,把脉冲宽度变换成脉冲个数,送入计数器显示,就可以知道井下瓦斯的浓度了。
例如,当井下瓦斯浓度为1%时,经过模数转换,可以变成宽度为1秒的脉冲,送到井上后,得到了100个脉冲,计数器显示100的数字,人为地加进一个小数点,便得出1.00%的测量结果。
为了完成上述三个转换环节(即瓦斯浓度→电压,电压→脉冲宽度,脉冲宽度→脉冲个数),整个装置包括探头、井下发送装置、井上接收装置三个部分。
怎样把瓦斯浓度变换成电信号
把瓦斯浓度变换成电信号的装置——探头,由一个常用的补偿电桥,外加安全火花型的保护罩子构成。
补偿电桥原理电路见图1。r\(_{1}\)、r2是和瓦斯起反应的元件,由铂丝绕成,外面用氧化铝封固。r\(_{1}\)和r2的区别,是制作r\(_{2}\)时又加了一道化学催化剂浸渍工序,结果r1为白色,r\(_{2}\)为黑色,习惯上称它们“黑白元件”。矿井内无瓦斯时,r1=r\(_{2}\),A、B两点同电位,u=0。有瓦斯时,r2与瓦斯起化学反应,产生无焰燃烧,阻值增大(阻值变化与瓦斯浓度变化成正比),而r\(_{1}\)不变,破坏了电桥的平衡,u≠0,且正比于瓦斯浓度变化。瓦斯浓度就这样变换成电信号了。

井下发送装置
井下发送装置的作用,是把探头输出的正比于瓦斯波度的电压信号,变换成宽度不等的脉冲信号。它由宽度调制单元、定宽脉冲发生单元、比较单元、输出单元几部分组成,方框图和电路图分别如图2和图3所示。图4示出了各单元输出波形图。



宽度调制单元是一个频率固定而脉冲宽度可变的多谐振荡器。原理电路见图5。它和通常多谐振荡器的区别,在于用一差分放大电路代替了振荡器中两管的基极电阻,作为C\(_{1}\)、C2的放电回路。该电路有下面两个特点:(一)根据差分电路原理,通过射极反馈电阻R的电流I恒定,I\(_{3}\)减小时,I4必然增大;反之亦然。因此电路振荡频率不变。(二)瓦斯浓度为零,探头无输出时,I\(_{3}\)=I4,振荡器产生标准的方波;而随瓦斯浓度的增加,探头送给BG\(_{3}\)一个电压,I3减少,I\(_{4}\)增,BG3输出电阻增大,BG\(_{4}\)输出电阻减小,因而BG1导通(或BG\(_{2}\)截止)时间将与瓦斯浓度成正比地变化,振荡就不对称了,不对称度受瓦斯浓度控制(A、B点波形见图4)。更确切地说,脉冲宽度与半周期的偏离与瓦斯浓度成正比。这可进一步由图6说明(图中振荡周期T为12秒,半周期为6秒):若瓦斯浓度等于0%时,波形等宽(t0=0);瓦斯浓度等于1%时,波形一半的宽度减为5秒,另一半的宽度增为7秒(脉冲宽度与半周期的偏离t\(_{1}\)=1秒);瓦斯浓度等于2%时,一半减为4秒,一半增为8秒(t2=2秒)。余类推。总之,经过宽度调制单元后,和瓦斯浓度成正比的电压信号变换成具有一定宽度的脉冲信号了。此单元也称脉冲调宽单元。


定宽脉冲发生单元是一个受B点同步控制的单稳态电路,它产生脉冲宽度为\(\frac{T}{2}\)(半周期)的标准方波,借以和宽度调制单元输出的不等宽脉冲比较。它本来也可采用方波多谐振荡器。但考虑到与调宽电路的同步、元件参数变化的影响等问题,由调宽电路的输出控制单稳电路较好。
上述两个单元的输出信号在比较单元中进行比较,比较单元是一个不对称的双稳态电路(见图3)。两边分别由来自宽度调制单元和定宽脉冲发生单元的信号触发。由于电路的不对称性,BG\(_{7}\)优先导通,在来自定宽脉冲发生单元的标准方波负跳变触发下,电路翻转为BG8导通,BG\(_{7}\)截止。从图7可以清楚地看出,D点输出的负脉冲宽度是与瓦斯浓度成比例的。因为当A′点送入负跳变时,双稳态电路又再次翻转,使BG7重新导通。故D点输出一如图4中所示的脉冲波。BG7及BG\(_{8}\)基极电路中的二极管用来截断自A′、C′来的正跳变。

为了减轻双稳电路负载,增大输出功率,在比较单元后加接了一级反相器及二级射极跟随器构成输出单元。至此,电压到脉冲宽度的转换过程就完成了。
井上接收装置
井上接收装置的主要任务,是把从井下发送装置传送来的、反映瓦斯浓度的脉冲的宽度,变换成易于 数字显示的脉冲个数。它由选形单元、整量单元、置零单元、计数显示单元几部分组成,方框图和电路图分别如图8和图9所示。图10示出了各单元输出波形图。



井下脉冲传来时,首先进入选形单元。选形单元一方面抑制电话信号(传输通道和电话共用)和杂散干扰,另一方面还可将脉冲整形,起到去粗取精、去伪存真的效果。这个单元由微分电路和不对称的双稳态电路构成。输入脉冲的正跳变和负跳变经微分电路后,分别得到正的和负的尖脉冲去触发双稳态电路,正尖脉冲使优先导通的BG\(_{13}\)截止,电路翻转;负尖脉冲又使电路复原。由于电话振铃信号和杂散干扰信号均不能通过微分电路,所以起到了鉴别信号的作用。
整量单元是一个方波发生器。它的作用是将脉冲宽度变换成脉冲个数,以便送入计数器显示。BG\(_{14}\)为电子开关。当选形单元输出的负脉冲到来时,BG14导通,采样灯点燃。同时,方波发生器开始工作,其振荡时间由G点输入的脉宽决定。因而输出脉冲个数与脉宽成线性关系。此脉冲个数经计数显示单元计数后,即能显示出测量结果。
例如,设井下瓦斯含量为1%,发送脉宽为1秒,方波振荡器频率为100,则输出脉冲个数为100±1,计数显示单元便能显示出1.00%(或0.99%、1.01%)。
计数显示单元可以用任意一种计数电路(例如可参考本刊1973年第二期《针织横机用简易光电程序控制器》一文中的计数电路),能记三位数就行了。
为了每隔一定时间能向计数显示单元发出置零脉冲,把已显示的数字抹去,还设计了一个置零单元。置零单元包括三个部分(见图9):BG\(_{17}\)、BG18是脉冲定时展宽电路,BG\(_{18}\)、BG19是置零脉冲电路(BG\(_{18}\)一管两用),BG21、BG\(_{22}\)是互补电路。
下边先重点讨论脉冲定时展宽电路(图11)。这是一个变形单稳态电路。当无输入信号时,BG\(_{17}\)因基极电位偏正而截止。选形单元负脉冲到来时,D1负端电位降低,其正端电位也降低,经R\(_{1}\)、R2分压,使BG\(_{17}\)基极电位偏负,BG17导通,BG\(_{18}\)截止。这时即使测量信号消失,由于BG18截止时间受电路本身参数制约,D\(_{2}\)牢固箝位BG17基极电位为负,仍维持BG\(_{17}\)导通;D1负端电位虽升高了,也无法使BG\(_{17}\)截止。直到单稳电路延时度过,BG18导通以后,电路才会翻转。因此BG\(_{18}\)的输出与输入端脉冲持续时间无关。展宽后的脉冲波形参阅图10。

再来看BG\(_{18}\)、BG19构成的置零脉冲电路。一般情况下,BG\(_{18}\)、BG19均导通。当选形单元输出使BG\(_{18}\)截止时,BG19仍导通,对10微法电容将有一充电过程。等到展宽脉冲消失时,BG\(_{18}\)又重新导通,集电极电位升高,使电容右端电位也升高,迫使BG19短时间截止,即形成置零脉冲(见图10所示波形)。置零脉冲经BG\(_{2}\)0耦合并倒相,互补电路中BG21导通,BG\(_{22}\)截止,BG22集电极电位瞬时降低到-12伏,使计数器置零。
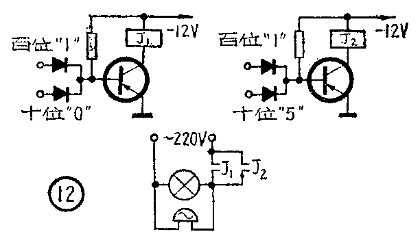
瓦斯超限报警
根据安全规程要求,当井下瓦斯浓度超过一定限度时,应用声、光报警信号通知调度值班人员,采取适当措施,及时处理。本装置中利用与门电路,把计数器中百位数的“1”、十位数的“0”及百位数的“1”、十位数的“5”分别组合到一起,达到当瓦斯浓度超过1%及1.5%时,分别报警的目的。报警电路原理如图12所示。若采用其它附加电路,还可以做到在瓦斯超限时,使井下工作面电源自动切断。

装置的调试
一、井下发送装置的宽度调制单元、定宽脉冲发生单元要精细调整。对于前者,要注意差分管的配对,β值不宜过高,最好采用差分对管,保证两只管子特性一致。要正确选定差分管的射极公用反馈电阻。双稳电路中,振荡电容用优质钽电容为佳。在无瓦斯时,两管集电极波形应为对称方波。对于定宽脉冲发生单元,BG\(_{6}\)基极电阻要精细调整,使产生脉宽恰为发送周期之半。这个定宽脉冲对测量误差影响很大。调试时可将探头输入端接地,观察输出波形,使其最窄,最好消失。
机器调好后,应进行输入毫伏电压与输出脉宽线性试验,以保证在一定范围内,输入毫伏数正比于输出脉宽。脉冲宽度可用井上累计脉冲个数的办法观察,并测试在不同的输入毫伏信号作用下,周期是否变化。
发送脉冲幅度的选取:如果幅值过高,电话交换台指示牌会周期性误动作,给值机员工作带来不便。若幅值过低,会影响井上接收装置触发。因此发送脉冲幅值要由测量距离和电话交换台电话继电器动作电压确定。当此值太高时,可在输出端加接箝位器降低输出电平。
二、井上接收装置,要注意微分电路时间常数的选取,过小时灵敏度降低,过大时抗干扰能力差,可由实验决定。
当计数器正常工作后,可按某一瓦斯浓度调整方波振荡器频率,进行整量定值。可先在井上作模拟试验调试,而后下井作工业试验校正。(山西阳泉三矿 山西矿业学院 瓦斯遥测科研小组)