SBT-5同步示波器是最常见、应用最广泛的一种通用示波器。为了帮助同志们了解它的基本原理并且学会正确使用,本文首先对它的Y轴放大系统的原理作一介绍。
SBT-5示波器采用13SJ38J型示波管,管子的Y偏转板灵敏度为12V/cm,也就是说,光点在屏幕上垂直偏转1厘米,加在Y偏转板上的电压就要有12伏。如果要观察只有几十毫伏的信号,显然将这个小信号直接加到Y偏转板是不适宜的,必须事先将信号放大到能够观察的程度。Y轴放大器的作用也就在这里。如果示波器Y轴偏转灵敏度≤25mV/cm,Y轴总放大倍数应不小于480倍。
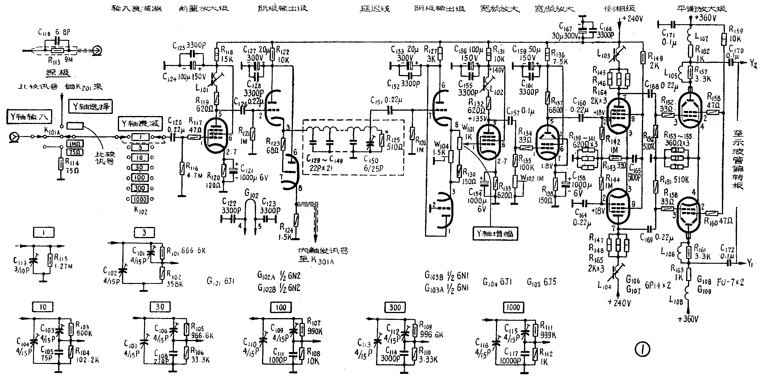
SBT-5示波器的Y轴放大系统包括输入衰减器、前置放大级、阴极输出级、延迟线、二级宽带放大、倒相级、末级平衡放大等部分,如图1所示。

1.输入衰减器 输入衰减器用来衰减被测输入信号,使示波管上显示的图形大小适当,以利观察,并可避免信号过强而产生非线性畸变,甚至损坏器件。
它是由几个不同分压比的阻容补偿衰减器和一个转换开关组成,置于示波器的被测信号输入插座与前置放大级输入端之间。其分压比为1、3、10、 30、 100、300、1000,即当被测信号输入后,可以使输入信号不衰减或无畸变地衰减3倍、10倍、30倍、100倍、300倍、1000倍。
输入衰减器的原理图见图2。

A点的输入信号经电阻R\(_{1}\)与R'2(R'\(_{2}\)=R2R\(_{i}\)R2+R\(_{i}\),Ri为下级输入电阻)分压后,加到B点,即加到放大器的输入端,衰减倍数为:
另外,由于下级放大器存在输入电容C\(_{i}\),它使输入信号中高频分量的衰减倍数增大。当输入为矩形波时,输出上升沿出现圆角,如图3中无补偿的输出波形所示。解决方法是另加电容分压网络,且容抗的分压比与电阻的分压比相同,即:
其中C\(_{2}\)'是C2与C\(_{i}\)的并联电容,C2'=C\(_{2}\)+Ci这样可使衰减波形不失真。如分压比调整不当,可能出现欠补偿或过补偿。当C\(_{1}\)太小而C1+C\(_{2}\)'C1>R\(_{1}\)+R2';R\(_{2}\)'时为欠补偿,虽能使输出波形有所改善,但是还不够;当C1过大使\(\frac{C}{_{1}}\)+C2'C\(_{1}\)<R1+R\(_{2}\)';R2'时为过补偿,使上升沿升得太高。最理想的补偿是输出波形与输入波形完全相似,只是幅度上被衰减了。

C\(_{3}\)的作用在探头部分再介绍。
2.前置放大级 G\(_{1}\)01组成的前置放大级,使信号得到宽带放大。其中各元件的作用为:
R\(_{117}\)可抑制由于高跨导电子管引起的高频寄生振荡。R120使6J1有适当的自给偏压,可使工作点稳定。C\(_{121}\)消除R120引起的增益下降。R\(_{118}\)、C124、C\(_{125}\)起去耦作用,其中C124主要对低频分量起作用,但由于大容量电解电容包含一定的寄生电感,对高频的去耦作用就不显著,为此再并联一个C\(_{125}\),C125主要对高频分量起去耦作用,它们同时还兼有低频补偿作用。L\(_{1}\)01起高频补偿作用。关于低频及高频补偿的作用在二级宽带放大部分再详细谈。
3. 阴极输出级 G\(_{1}\)01的输出阻抗约等于6J1的内阻与板极电阻的并联值。如输出信号直接加到等效电阻510Ω的延迟线时,会使G101的工作状态受到影响,为此,用G\(_{1}\)02A阴极输出器进行阻抗匹配。另外,由于阴极输出器具有低的输入电容,还可减轻前置放大级输出阻抗对高频响应的影响。
延迟前的信号还要分出一路,加到触发脉冲发生器。这段导线较长,由此产生的分布电容影响,可利用阴极输出器G\(_{1}\)02B的低输出阻抗来减轻,尽量保持信号的前沿形状,使触发信号滞后较少。
G\(_{1}\)02的灯丝经过两个小电容通地,可消除干扰。
4.延迟线 要求延迟线的延迟时间为250毫微秒,且传输波形不失真。
5.阴极输出级 G\(_{1}\)03阴极输出级用作幅度调节用。
因为阴极输出器具有低阻抗输出,从而可以使用低阻值电位器W\(_{1}\)01作为Y轴增幅控制,可避免采用高阻值电位器调节时产生的噪声,以及在高频范围内由于对地寄生电容所造成的畸变。
一般的单管阴极输出器也能用作幅度调节,例如以电位器作为阴极电阻,当电位器的动臂拧到靠近电子管阴极时,输出幅度增大,直流电位也上升;拧到靠近地时,输出幅度减小,直流电位也下降。但是随着幅度的变化,也会因直流电位变化而出现不希望有的波形上、下跳动,给使用带来不便。
理想的幅度调节电路应使直流电平不变,而只有输出幅度的变化。G\(_{1}\)03阴极输出器就能起到这种作用。
G\(_{1}\)03B的栅极接受来自延迟线的Y轴信号,略有衰减后耦合到阴极。G103A的栅极接地。通过电位器W\(_{1}\)04的调节使二个阴极输出器的阴极电位处于相等的状态。这样W101电位器的动臂拧动时,阴极输出器的输出信号有变化,而直流电位不变。信号的变化范围只要大于3.3倍以满足衰减档级的覆盖即可,所以电位器下再串联一个固定电阻。
6.二级宽带放大 由G\(_{1}\)04、G105组成的二级宽带放大器在Y轴放大系统中起主要的放大作用。其工作原理及各元件的作用和G\(_{1}\)01前置放大器相似,这里仅重点介绍一下低频及高频补偿。
由图1可见:G\(_{1}\)01、G104、G\(_{1}\)05的板极回路都有阻容去耦电路。去耦电路中的电容阻抗随着频率的降低而逐渐增大,致使这三个电子管的板极负载阻抗增大,因此,放大倍数随频率的下降而逐渐上升,这是一种情况。
另外一种情况是C\(_{12}\)0、C126、C\(_{161}\)、C157、C\(_{16}\)0、C164、C\(_{168}\)、C169、C\(_{17}\)0、C172等电容随着频率的下降其容抗也增大,信号通过时损失加大,从而使整个放大系统的放大倍数随频率的下降而下降。
在通带的低端范围内随着频率的下降,放大倍数上升的因素大于下降的因素,因而总的效果是放大倍数上升,且各台示波器上升情况不同,为此使用C\(_{157}\)、R135、W\(_{1}\)02低频耦合网络,利用调节W102来改变时间常数,使通带低端范围内的放大倍数可以调节,以得到低频段放大倍数基本恒定。
由于分布电容的影响,在频率升高时放大倍数要逐渐下降,为此用L\(_{1}\)02进行高频补偿。在频率较低时L102(6.5μH)的感抗很小,几乎没有什么影响。当频率升高时感抗上升,相当于板极负载阻抗增大,用以补偿分布电容因频率上升而使板极负载下降的影响。当然L\(_{1}\)02也不能太大,避免产生过补偿现象而使高频时放大倍数太大,因此L102应该有一个合适的数值。
7.倒相级 由于加到示波管偏转板需要二个对称变化的推挽电压,所以需要倒相级将信号变成推挽电压。
倒相级G\(_{1}\)06和G107二部分的线路和元件参数完全一样,由C\(_{16}\)0把信号耦合到G106的栅极,而G\(_{1}\)07的栅极经C164耦合到地。
经二级宽带放大后的信号通过C\(_{16}\)0加到G106,在G\(_{1}\)06中产生交变电流,它在R143上产生的电压加到G\(_{1}\)07的阴极,使在G106、G\(_{1}\)07的板极上,每一瞬时都有数值相同、方向相反的推挽电压。
8.平衡放大级 倒相后的信号加到平衡放大级。由于采用较低的负载阻抗,可以克服示波管偏转板、连接线等的分布电容在高频时的影响。
Y轴放大系统的频率响应为10Hz~10MHz时的增益变化不超过3分贝。
输入阻抗是1MΩ±10%,并联不大于40pf的输入电容。有时希望示波器的输入阻抗为75Ω,如测试输出阻抗为75Ω的信号发生器的输出波形时,此时可将输入选择开关拨到75Ω位置。
9.探头 SBT-5的输入阻抗1MΩ±10%∥40pf,在实际使用中有时觉得阻抗还不够高,对被测信号输出线路有影响,则可再外接一个探头,见图4。

此时总的输入电阻可提高到9MΩ+1MΩ=10MΩ,总的输入电容可下降到约10pf。为保证经探头后加到示波器的信号不失真,与衰减器的要求相似,必须满足
的条件,所以图2中的C\(_{3}\)要适当调节,以保证上式在各种衰减时能成立。同时由该式表明:提高输入阻抗的同时,信号被衰减了
探头还可把被测点与示波器输入插座联接起来,而不是用一根导线联接起来,从而避免用导线联接时增加示波器的输入电容和干扰,以保证测试精度。(上海无线电二十一厂技术科)