闪光继电器是机动车辆做转向指示用的。它的质量的好坏,直接影响交通安全。多年来,国内外一般均使用双金属丝式闪光继电器。由于其中一根金属丝工作时处于红热状态,往往工作时间稍长就会使作固定用的玻璃绝缘珠脱落而损坏,不能满足使用要求。
下面介绍一种简单的晶体管汽车闪光继电器,供同志们参考。这种晶体管闪光继电器,受到司机同志们的欢迎,它和双金属丝式闪光继电器比较,具有下面的优点:
1.闪光频率稳定,不受负载灯泡容量影响。
2.灯泡明暗比大,闪光信号清晰。
3.无发热元件,提高了可靠性。这在长期工作时更显著。
4.寿命较长,可连续工作50—100小时。
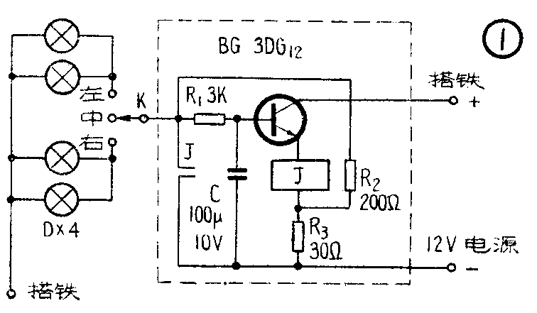
工作原理 晶体管汽车闪光继电器电路见图1。它实际上是一个简单的晶体管延时开关电路。晶体管BG接成射极跟随器。转向信号灯的亮和灭,由作为射极跟随器负载的继电器J的接点的闭合和断开来实现。工作过程如下:

拨动转向灯开关K到工作位置,电源即开始通过信号灯D和电阻R\(_{1}\)向电容C充电,同时经R2、R\(_{3}\)分压在R3上产生压降。此时BG截止,信号灯不亮(图2)。当电容C上的电压逐渐升高使晶体管BG的U\(_{be}\)大于零点几伏时,BG导通。当BG集电极电流超过继电器J的吸动电流时,继电器J吸动了,电路即成了另一状态,如图3所示。这时J的接点闭合,一方面使信号灯亮;另一方面使C由充电转为通过R1放电,最后导致J释放,接点断开,信号灯灭。此后电容C的充电过程又重新开始。如此循环往复,转向指示灯就能一亮一灭地发出汽车转弯信号了。闪光频率约为每分钟75±15次,灯亮时间略大于灯灭时间,符合汽车闪光灯要求。


需要特别说明的是,J刚一吸动,电阻R\(_{2}\)就通过接点和R3并联起来,使BG发射极电阻变小,U\(_{be}\)得到一个跃增,集电极电流也随之跃增,从而提高了继电器J吸动的可靠性。同样地,在继电器刚一释放时,由于R2、R\(_{3}\)分压作用的恢复,Ube又将有一个跃减,保证了继电器的可靠释放。上述跃增跃减的情况可参阅图4(图中在P、Q两点J开始吸动和释放)。

元件选择及装配 元件选择应符合汽车电器的要求,如工作温度为-40℃——70℃。所以如电容C应选用CDX—D型耐寒大容量电解电容器。
对于晶体管BG,要求放大倍数大于20,如3DG12即可,但由于汽车上有大量电抗性元件,考虑自感电势影响,必须使用BV\(_{ceo}\)大于60伏的管子。还发现在少量电路较乱的汽车上,有晶体管被击穿的现象,因此如用高反压晶体管3DG27时更好。NPN型硅管适用于正极搭铁车辆,如为负极搭铁车辆时应采用PNP型锗管。
专门设计的高灵敏度继电器,线包电阻200欧,吸动电流20毫安,接点压力5到10克,容量为12伏×5安。据实验,能可靠地工作于振动频率为50赫,加速度为6g的恶劣情况下。(山西大同无线电元件一厂 陈训源)