问:在使用电位器的两个头调晶体管的偏流电阻时,怎样确定旋轴旋转方向与阻值大小的关系?
答:电位器的外形和背面的内部结构如图a和图b所示。当电位器的旋轴对着我们的时候,使用B和A两个头,向右旋阻值逐渐增大;使用B和C两个头,向右旋阻值逐渐减小。在调晶体管偏流时,总是先将电位器放在阻值最大位置。因此,当使用B、C两头时,开始可将旋轴旋至最左端,然后逐渐向右旋转,减小阻值。如使用B和A两头,则开始时应将旋轴旋到最右端,然后再向左旋转逐渐减小电位器阻值,使偏流达到规定值。(沈长生答)

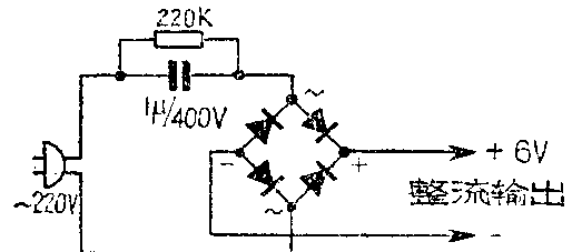
问:晶体管收音机使用交流市电时的整流器,有的只用一个电容器降压,它有什么优缺点?
答:这种整流器常见的电路如图所示,是利用串联着的电容器的容抗降压后进行整流的。它的优点是零件少,装置简单。缺点是机内公共接地点和电源连通带电,当电源插头接反时,接地点的一端和电源火线相连,机外一些与接地点连接的金属部分(如拉杆天线,外接天线接头、耳塞或外接电源的插孔等)容易发生人身触电危险;其次,负载电流变化时对整流电压影响较大,使输出不够稳定,导致失真或音量不均匀。此外,降压电容器要有较高的耐压和良好的质量,否则电容器漏电时,整流电压会大大升高,使收音机遭到损坏。(冯报本答)

问:电解电容器的正负极在电路中为什么不能接反?
答:这是因为电解电容器中的介质是氧化铝薄膜,而氧化铝薄膜具有单向导电性能。因此,若电解电容器正负极接反,会导致氧化铝薄膜击穿通路,造成损坏。(陆兆昌答)
问:怎样由空气介质可变电容器的面积计算出它的电容量?
答:平行板电容器的电容量可按下式计算:
C=0.885ε(n-1)\(\frac{F}{a}\)(pf)
其中F——平行板面积(厘米\(^{2}\));a——平行板间的距离(毫米);n——平行板总数,ε——介电常数,对空气电容来说ε=1。
问:电子管收音机拾音器插口要求输入信号电压是多少?用它来接听有线广播对收音机是否有害?
答:电子管收音机的拾音器插口灵敏度约100~250毫伏,故输入电压不宜超过2~3伏,否则音量电位器不易控制,太大时易将电位器烧坏。有线广播电压较高,一般用户线电压约几十伏,所以有线广播接入收音机前应先加以衰减,线路如附图。(以上严毅答)

问:黑白电视机接收外地节目或本地彩色电视节目时,常出现图象扭动和有水平黑白宽条上下滚动的现象,为什么?怎样避免?
答:这是因为外地电视台或本地彩色电视台的信号均不与本地电力网同步所致。电视机的直流电源是本地电力网的交流电经变压、整流、滤波后得到的,其上迭加有残存的交流成分。它供给扫描电路时,会迭加或调制到输出的锯齿电流上,使图象垂直边缘扭曲;它供给视频放大器时,会使输出的视频信号包含电源交流成分,造成图象上有淡淡的水平黑白宽条。另外,电源变压器等的交变磁场也会造成图象扭曲。这些都与市电频率有关。当接收本地黑白电视台信号时,由于场扫描和市电频率同步,这些扭曲与黑白条均固定在荧光屏上不动,人眼不易察觉,因此不影响观看。但外地电视台或本地彩色电视台信号却不和本地市电同步,即场扫描不和市电同步,因而市电引起的扭曲与黑白条是动的,就很容易被看出来了。避免的办法只有改善电视机的滤波电路,并加强电源变压器的屏蔽。
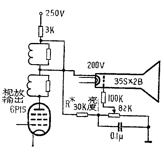
问:显象管或示波管使用日久亮度减弱,怎样补救呢?
答:显象管或示波管使用日久亮度减弱时,可用适当提高控制极电位的方法补救。电视机中显象管控制极(也叫栅极)部分电路如图所示。当亮度电位器旋到亮度最大时,控制极电位比阴极还低40~60伏。如适当减小R的数值,就提高了控制极电位,从而增加了管子的亮度。但要注意控制极电位不能提到和阴极电位相等,否则显象管不能正常工作,图象将严重失真。示波管的电路也可作类似调整。假如仍不解决问题,还可以把灯丝电压提高1~3伏,但这会促使管子衰老得更快,也增加了灯丝过热烧断的可能性。(以上张家谋答)
